Buonasera,
da tempo sto cercnado nel tempo libero di cimentarmi nell'elettronica, da sempre mio pallino ma per diversi motivi non ho mai avuto in passato la possibilità di dedicarmici.
Per un led controller che sto utilizzando avrei bisogno di alimentare alcuni LED in serie. Alcuni è vago, lo so. Ci sto ancora pensando su.
Ho bisogno di avere una corrente variabile per fare l'effetto di luce crescente e decrescente nel tempo. Controllerò tutto con l'uscita di un micro (3,3V, immagino. Anche qua tutto da decidere).
Come generatore di corrente costante ho visto la possibilità di utilizzare un LM317. Tuttavia mi sembra abbawstanza impraticabile per me in quanto non capisco come potrei realizzare la variazione nel tempo della corrente.
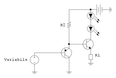
Può essere valido invece questo schema?
Il generatore variabile sarebbe il PIN di uscita del micro
Generatore di corrente con BJT per LED in serie
Moderatori:
carloc,
g.schgor,
BrunoValente,
IsidoroKZ
30 messaggi
• Pagina 1 di 3 • 1, 2, 3
2
voti
Meglio non fidarsi del \beta e interporre
fra generatore e base un opamp reazionato con la tensione di R1.
Non mi è chiaro cosa intendi.
Il beta non ho intezione di usarlo, semplicemente utilizzerei che la tensione di emettitore è circa 0,6-0,7V inferiore alla tensione di base.
Per Riccardo, ok per il mosfet. In realtà ho usato un BJT perché per ora sto studiando come utilizzare questi dispositivi
0
voti
Ah ok direi che sono anche più istruttivi...
Però immagino che l'uscita del micro sia di tipo PWM, altrimenti gestire LED di una certa potenza diventa critico per le dissipazioni nell'interruttore (che sia BJT o FET) scelto
Però immagino che l'uscita del micro sia di tipo PWM, altrimenti gestire LED di una certa potenza diventa critico per le dissipazioni nell'interruttore (che sia BJT o FET) scelto
0
voti
Col PWM dovrebbe funzionare? Io in realtà avevo pensato di dargli una tensione variabile in modo lineare. Quali sono gli svantaggi nell'usare questo metodo?
1
voti
1
voti
Non sono sicuro che quell'operazionale sia necessario.
Non posso fidarmi che Ve=Vb-0,6V (circa)?
Guardando la resistenza che metti tra operazionale e base mi sembra che tu voglia effettuare un controllo retroazionato sul valore della tensione del resistore, data da
Così sì entra il valore del beta.
Ma se consideri che Ve=Vb-0,6V (circa) non è più semplice?
Non posso fidarmi che Ve=Vb-0,6V (circa)?
Guardando la resistenza che metti tra operazionale e base mi sembra che tu voglia effettuare un controllo retroazionato sul valore della tensione del resistore, data da

Così sì entra il valore del beta.
Ma se consideri che Ve=Vb-0,6V (circa) non è più semplice?
0
voti
Fabio992 ha scritto:Guardando la resistenza che metti tra operazionale e base mi sembra che tu voglia effettuare un controllo retroazionato sul valore della tensione del resistore, data da
Così sì entra il valore del beta.
Ricordati sempre che, in linearità, un ingresso dell'operazionale insegue l'altro: è vero che
(precisamente sarebbe
, ma va be'...), ma è anche vero che
.Ah, a proposito: non fare troppo affidamento sulla posizione
, perché
in realtà varia con la corrente di collettore
PS: se posso chiedere, di quali supporti didattici ti stai avvalendo?
-

rugweri
5.948 2 7 11 - CRU - Account cancellato su Richiesta utente
- Messaggi: 1366
- Iscritto il: 25 nov 2016, 18:46
5
voti
Fabio992 ha scritto:Non sono sicuro che quell'operazionale sia necessario.
Il circuito con l'operazionale (secondo me non serve una resistenza di base) dovrebbe darti una corrente di emettitore molto stabile e precisa (Vin/R1). Se non ti serve tanta precisione il primo circuito potrebbe andare bene. Se poi ti dà fastidio l'offset di VBE potresti usare un circuito come questo:
Il PNP cancella (all'incirca) la caduta VBE del NPN.
mark
30 messaggi
• Pagina 1 di 3 • 1, 2, 3
Chi c’è in linea
Visitano il forum: Nessuno e 30 ospiti

Elettrotecnica e non solo (admin)
Un gatto tra gli elettroni (IsidoroKZ)
Esperienza e simulazioni (g.schgor)
Moleskine di un idraulico (RenzoDF)
Il Blog di ElectroYou (webmaster)
Idee microcontrollate (TardoFreak)
PICcoli grandi PICMicro (Paolino)
Il blog elettrico di carloc (carloc)
DirtEYblooog (dirtydeeds)
Di tutto... un po' (jordan20)
AK47 (lillo)
Esperienze elettroniche (marco438)
Telecomunicazioni musicali (clavicordo)
Automazione ed Elettronica (gustavo)
Direttive per la sicurezza (ErnestoCappelletti)
EYnfo dall'Alaska (mir)
Apriamo il quadro! (attilio)
H7-25 (asdf)
Passione Elettrica (massimob)
Elettroni a spasso (guidob)
Bloguerra (guerra)


e interporre 





