Ciao a tutti! Qualcuno riesce per favore ad aiutarmi? Ho qualche difficoltà a capire il circuito rappresentato da questo layout. Dovrei a partire da questo ricavare la funzione logica. La vista sembra dal top, sono in rosso quindi in teoria dei pMOS però le varie giunzioni non so se le ho capite bene.
Insomma a me viene in mente dal seguente layout:
qualcosa del genere:
Però credo che sia sbagliato perché a livello di funzione logica non mi dice niente... sembrano delle nand open drain insomma, non credo sia così. Qualcuno ha idea di come sia il circuito?
Layout di una funzione logica
Moderatori:
carloc,
g.schgor,
BrunoValente,
IsidoroKZ
3 messaggi
• Pagina 1 di 1
4
voti
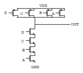
Partiamo da sotto. Hai la connessione di GND che va su un contatto. Quelle alternanze verde/bianco saranno degli nMOS. Sopra, ben più grandi per compensare la diversa mobilità, hai i cugini pMOS.
Sotto hai dunque la serie di 4 nMOS.
Sopra puoi notare che da OUT vai, 4 volte, su un contatto che, tramite un pMOS, finisce a VDD.
Il risultato è il seguente:
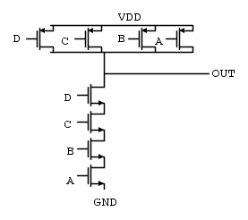
Sotto hai dunque la serie di 4 nMOS.
Sopra puoi notare che da OUT vai, 4 volte, su un contatto che, tramite un pMOS, finisce a VDD.
Il risultato è il seguente:
"The past is not really the past until it has been registered. Or put another way, the past has no meaning or existence unless it exists as a record in the present."
John Archibald Wheeler
John Archibald Wheeler
3 messaggi
• Pagina 1 di 1
Chi c’è in linea
Visitano il forum: Nessuno e 58 ospiti

Elettrotecnica e non solo (admin)
Un gatto tra gli elettroni (IsidoroKZ)
Esperienza e simulazioni (g.schgor)
Moleskine di un idraulico (RenzoDF)
Il Blog di ElectroYou (webmaster)
Idee microcontrollate (TardoFreak)
PICcoli grandi PICMicro (Paolino)
Il blog elettrico di carloc (carloc)
DirtEYblooog (dirtydeeds)
Di tutto... un po' (jordan20)
AK47 (lillo)
Esperienze elettroniche (marco438)
Telecomunicazioni musicali (clavicordo)
Automazione ed Elettronica (gustavo)
Direttive per la sicurezza (ErnestoCappelletti)
EYnfo dall'Alaska (mir)
Apriamo il quadro! (attilio)
H7-25 (asdf)
Passione Elettrica (massimob)
Elettroni a spasso (guidob)
Bloguerra (guerra)




