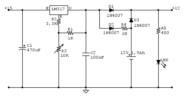
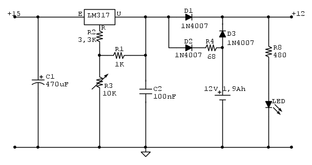
Salve a tutti, sono a chiedere un parere a dei super esperti per riuscire a risolvere un problema a mio padre, non vedente, che utilizza alcuni apparecchi di lettura vocale. Uno tra questi in particolare, ogni volta viene disalimentato, (lui disalimenta ogni sera tutto visto che ha una vera “centrale” di fili e interruttori vicino al letto) perde completamente ogni impostazione di memoria e la mattina successiva deve reimpostare tutto con molta difficoltà causata dalla sua cecità. Premetto che io me la cavo abbastanza bene (da autodidatta) con la programmazione di micro ma sono abbastanza inesperto per quanto riguarda l’elettronica analogica. In parole povere avrei bisogno di un circuito alimentato a 15 volt che abbia un’ uscita a 12 volt e una batteria tampone (che ho già disponibile per dimensioni esatte da essere contenuta dentro il dispositivo di mio padre, al piombo da 12 volt, 1,9 Ah).L'assorbimento del dispositivo IN STAND-BY arriva al massimo a 200 mA e il "periodo" di disalimentazione non supera mai le 5/6 ore quindi dovrebbe essere più che sufficiente. Un amico abbastanza esperto di elettronica analogica e parecchio “smanettone” mi ha fornito lo schema che posto a voi. La domanda è la seguente: poiché in questo forum ci sono degli esperti incredibili, qualcuno potrebbe dare “una controllata” prima di realizzarlo dicendomi se può funzionare o se eventualmente può essere necessaria qualche correzione più o meno grande? Grazie di cuore a tutti coloro che potranno darci una “visionata” (anche da parte di mio padre).
Circuito alimentatore con batteria tampone
Moderatori:
carloc,
g.schgor,
BrunoValente,
IsidoroKZ
3 messaggi
• Pagina 1 di 1
0
voti
da dove prendi i 15V?
comunque..senza aver controllato i valori l'uso dell'LM può bastare, e il circuito si può semplificare molto (es togliendo il LED di segnalazione), dipende da quanto lo vuoi "minimal"
comunque..senza aver controllato i valori l'uso dell'LM può bastare, e il circuito si può semplificare molto (es togliendo il LED di segnalazione), dipende da quanto lo vuoi "minimal"
0
voti
Ciao e grazie molte per la risposta. I 15 volt li prenderei da un alimentatore stabilizzato esterno di quelli già preconfezionati. Per quanto riguarda il led effettivamente pensavo di non montarlo visto che è un led solo di "presenza rete" e non di monitoraggio carica. Ho postato lo schema "integrale" che mi ha fatto il mio amico. Quindi pensa che il dimensionamento componenti possa andare, ovvero il circuito possa servire al mio scopo? Grazie ancora
3 messaggi
• Pagina 1 di 1
Chi c’è in linea
Visitano il forum: Nessuno e 172 ospiti

Elettrotecnica e non solo (admin)
Un gatto tra gli elettroni (IsidoroKZ)
Esperienza e simulazioni (g.schgor)
Moleskine di un idraulico (RenzoDF)
Il Blog di ElectroYou (webmaster)
Idee microcontrollate (TardoFreak)
PICcoli grandi PICMicro (Paolino)
Il blog elettrico di carloc (carloc)
DirtEYblooog (dirtydeeds)
Di tutto... un po' (jordan20)
AK47 (lillo)
Esperienze elettroniche (marco438)
Telecomunicazioni musicali (clavicordo)
Automazione ed Elettronica (gustavo)
Direttive per la sicurezza (ErnestoCappelletti)
EYnfo dall'Alaska (mir)
Apriamo il quadro! (attilio)
H7-25 (asdf)
Passione Elettrica (massimob)
Elettroni a spasso (guidob)
Bloguerra (guerra)



