Realizzare circuiti elettronici con protagonisti i mosfet
Moderatori:
carloc,
g.schgor,
BrunoValente,
IsidoroKZ
17 messaggi
• Pagina 1 di 2 • 1, 2
0
voti
Buongiorno :)
Premessa: sono un apprendista-hobbysta da autodidatta per quanto riguarda l' elettrotecnica/l' elettronica.
Vorrei realizzare, per interesse personale, dei circuiti elettronici alimentati in corrente continua, con protagonisti i mosfet.
Gli obiettivi/caratteristiche che devono avere sono:
1) Non devono essere presenti: circuiti integrati (IC), microcontrollori, microprocessori, processori e controllori di segnali digitale, board tipo (Arduino, Raspberry e simili), relè e potenziometri.
2) Ci devono essere uno o più mosfet a singolo canale ma non ci devono essere mosfet con due o più canali.
3) Ci devono essere come minimo queste tensioni: 9v, 8v, 7v, 6v, 5v, 4v, 3v, 2v, 1v e 0v.
4) Non ci saranno motori elettrici.
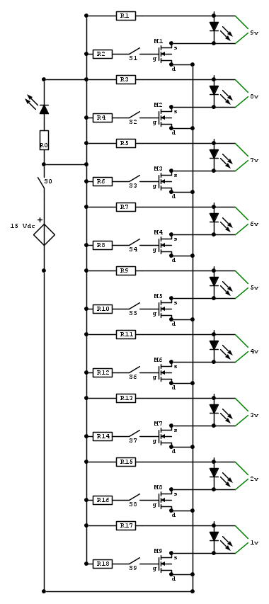
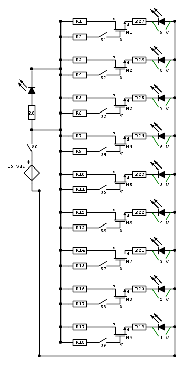
Per il momento ho provato a disegnare solo 2 circuiti sperando che non siano totalmente sbagliati. Lo scopo è di avere quelle tensioni in uscita ai capi dei diodi led che si devono accendere se arriva la tensione ai rispettivi gate dei 9 mosfet
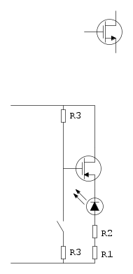
Il primo:
Questo è il secondo:
Premessa: sono un apprendista-hobbysta da autodidatta per quanto riguarda l' elettrotecnica/l' elettronica.
Vorrei realizzare, per interesse personale, dei circuiti elettronici alimentati in corrente continua, con protagonisti i mosfet.
Gli obiettivi/caratteristiche che devono avere sono:
1) Non devono essere presenti: circuiti integrati (IC), microcontrollori, microprocessori, processori e controllori di segnali digitale, board tipo (Arduino, Raspberry e simili), relè e potenziometri.
2) Ci devono essere uno o più mosfet a singolo canale ma non ci devono essere mosfet con due o più canali.
3) Ci devono essere come minimo queste tensioni: 9v, 8v, 7v, 6v, 5v, 4v, 3v, 2v, 1v e 0v.
4) Non ci saranno motori elettrici.
Per il momento ho provato a disegnare solo 2 circuiti sperando che non siano totalmente sbagliati. Lo scopo è di avere quelle tensioni in uscita ai capi dei diodi led che si devono accendere se arriva la tensione ai rispettivi gate dei 9 mosfet
Il primo:
Questo è il secondo:
-

Cibachrome
60 2 6 - Frequentatore

- Messaggi: 104
- Iscritto il: 18 apr 2014, 0:15
1
voti
Me ne intendo poco, ma:
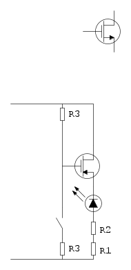
-il LED connesso a R0, mi pare in cortocircuito.
-Non è bello con l'interruttore S aperto lasciare i gate dei MOS flottanti, in quanto possono captare disturbi e entrare in conduzione in modo anomalo. devi collegare il gate alla tensione del source per avere il MOS aperto in off, collegarlo a una tensione positiva per acerlo in chiuso ON
Sono MOS a canale N o P o cosa? Che MOS adoperi, quali sono le caratteristiche tecniche ?
Quale è il valore dei resistori ?

-il LED connesso a R0, mi pare in cortocircuito.
-Non è bello con l'interruttore S aperto lasciare i gate dei MOS flottanti, in quanto possono captare disturbi e entrare in conduzione in modo anomalo. devi collegare il gate alla tensione del source per avere il MOS aperto in off, collegarlo a una tensione positiva per acerlo in chiuso ON
Sono MOS a canale N o P o cosa? Che MOS adoperi, quali sono le caratteristiche tecniche ?
Quale è il valore dei resistori ?

1
voti
Cibachrome ha scritto:Ci devono essere come minimo queste tensioni: 9v, 8v, 7v, 6v, 5v, 4v, 3v, 2v, 1v e 0v.
Lo scopo è di avere quelle tensioni in uscita ai capi dei diodi led che si devono accendere se arriva la tensione ai rispettivi gate dei 9 mosfet
La tensione Vd ai capi di un diodo LED - in primissima approssimazione - non dipende dalla corrente che circola nel LED ma solo dal tipo (colore) del led.
Es un "classico" LEd rosso ha una Vd di 1.6 V mentre uno bianco ha una Vd di 3 V
Non capisco quindi i 9 V (o gli 8 V, 7 V, ...) ai capi del LED indicato in figura
1
voti
Dovrai misurare le tensioni ai capi dei LED + opportune R serie per ottenere quei valori, per i valoro più bassi ai capi di una R oppprtuna (sempre in serie al LED)
0
voti
Ringrazio chi mi ha risposto
Mi sono accorto di aver invertito le lettere: "s" e "d". E' possibile modificare gli schemi presenti nel primo post?
Ho ricontrollato e per me "sembra" ok. Non capisco come fa ad essere in cortocircuito dato è un diodo led.
Questo che mi hai detto non lo sapevo.
Flottanti che significa?
Com'è possibile che se i gate sono aperto i MOS possono captare disturbi ed entrare in conduzione in modo anomalo? Non credevo che i MOS potessero fare tipo da antenna
.
Ho corretto gli schemi.
Incollo solo una picca parte di ognuno dei due schemi ma la modifica l' ho fatta ad ogni MOS presente sul circuito.
richiurci
Sono MOS a canale N.
Non so se collegare il polo centrale del MOS al source oppure no.
Non ho nessun componente del circuito. Non so che mosfet N enhancement usare e non quanti ohm devono avere le resistenze.
Suppongo che posso escludere quei MOS N che supportano una tensione superiore ai 50 VDC. Non so se per avere quelle tensioni in uscita debba optare per i MOS power N oppure vanno bene i MOS N.
So che nel primo e nel secondo schema ci devono essere quelle tensioni in uscita ai due capi dei led oppure nel primo schema ci devono essere quelle tensioni in uscita dal source (non ai capi dei led) mentre
So che nel secondo schema ci devono essere quelle tensioni in uscita ai due capi dei led oppure ci devono essere quelle tensioni in uscita dal drain (non ai capi dei led) prima della resistenza sul drain.
Per la tensione in ingresso ho messo 15 volt DC però non so se magari possono andare bene anche 14 volt DC.
Ho pensato che bisogna considerare la caduta di tensione che ci sarà dopo ogni resistenza e MOS e l' eventuale calore (intendo energia termica) prodotto dai componenti elettronici.
Non so cosa cambia all' atto pratico durante il funzionamento (sia su off che su on) tra il primo ed il secondo circuito.
Se avessi avuto altri dati o/e avessi avuto le conoscenze per calcolarli li avrei inseriti ben volentieri nei circuiti. Peccato che non sono un pochino più esperto
Mi sono accorto di aver invertito le lettere: "s" e "d". E' possibile modificare gli schemi presenti nel primo post?
MarcoD ha scritto:il LED connesso a R0, mi pare in cortocircuito.
Ho ricontrollato e per me "sembra" ok. Non capisco come fa ad essere in cortocircuito dato è un diodo led.
MarcoD ha scritto:Non è bello con l'interruttore S aperto lasciare i gate dei MOS flottanti, in quanto possono captare disturbi e entrare in conduzione in modo anomalo. devi collegare il gate alla tensione del source per avere il MOS aperto in off, collegarlo a una tensione positiva per acerlo in chiuso ON
Questo che mi hai detto non lo sapevo.
Flottanti che significa?
Com'è possibile che se i gate sono aperto i MOS possono captare disturbi ed entrare in conduzione in modo anomalo? Non credevo che i MOS potessero fare tipo da antenna
Ho corretto gli schemi.
Incollo solo una picca parte di ognuno dei due schemi ma la modifica l' ho fatta ad ogni MOS presente sul circuito.
MarcoD ha scritto:Sono MOS a canale N o P o cosa? Che MOS adoperi, quali sono le caratteristiche tecniche ?
Quale è il valore dei resistori ?
Sono MOS a canale N.
Non so se collegare il polo centrale del MOS al source oppure no.
Non ho nessun componente del circuito. Non so che mosfet N enhancement usare e non quanti ohm devono avere le resistenze.
Suppongo che posso escludere quei MOS N che supportano una tensione superiore ai 50 VDC. Non so se per avere quelle tensioni in uscita debba optare per i MOS power N oppure vanno bene i MOS N.
So che nel primo e nel secondo schema ci devono essere quelle tensioni in uscita ai due capi dei led oppure nel primo schema ci devono essere quelle tensioni in uscita dal source (non ai capi dei led) mentre
So che nel secondo schema ci devono essere quelle tensioni in uscita ai due capi dei led oppure ci devono essere quelle tensioni in uscita dal drain (non ai capi dei led) prima della resistenza sul drain.
Per la tensione in ingresso ho messo 15 volt DC però non so se magari possono andare bene anche 14 volt DC.
Ho pensato che bisogna considerare la caduta di tensione che ci sarà dopo ogni resistenza e MOS e l' eventuale calore (intendo energia termica) prodotto dai componenti elettronici.
Non so cosa cambia all' atto pratico durante il funzionamento (sia su off che su on) tra il primo ed il secondo circuito.
Se avessi avuto altri dati o/e avessi avuto le conoscenze per calcolarli li avrei inseriti ben volentieri nei circuiti. Peccato che non sono un pochino più esperto
-

Cibachrome
60 2 6 - Frequentatore

- Messaggi: 104
- Iscritto il: 18 apr 2014, 0:15
0
voti
Cibachrome ha scritto:Flottanti che significa?
Significa non collegati ad alcun potenziale, scollegati
Non credevo che i MOS potessero fare tipo da antenna![]()
A causa dell'altissima impedenza di ingresso lo fanno ahimè benissimo
1
voti
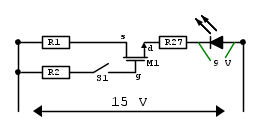
come detto da MarcoD, questa parte del circuito (diodo + R) è cortocircuitata dal filo di fianco, quindi quel LED non si accenderà mai:
Riesci a vedere questo?
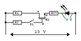
Comunque, vista la richiesta (molto singolare) trasformerei sicuramente tutti i rami coi LED in questo modo:
I FET sono del tipo a canale P
R1+R2 sarà uguale per tutti e dipenderà da tensione e corrente richiesti dai LED prescelti, ma i loro valori saranno differenziati in modo da avere, ai capi delle R1, le tensioni da te richieste.
NOTA: schema buttato li, potrebbero esserci errori, ma sei in grado di dimensionarti le R?
Forse sarebbe meglio se tu spiegassi cosa vuoi farci col tuo circuito...perché magari possiamo suggerirti altri schemi o un modo migliore per giocare coi FET.
Riesci a vedere questo?
Comunque, vista la richiesta (molto singolare) trasformerei sicuramente tutti i rami coi LED in questo modo:
I FET sono del tipo a canale P
R1+R2 sarà uguale per tutti e dipenderà da tensione e corrente richiesti dai LED prescelti, ma i loro valori saranno differenziati in modo da avere, ai capi delle R1, le tensioni da te richieste.
NOTA: schema buttato li, potrebbero esserci errori, ma sei in grado di dimensionarti le R?
Forse sarebbe meglio se tu spiegassi cosa vuoi farci col tuo circuito...perché magari possiamo suggerirti altri schemi o un modo migliore per giocare coi FET.
1
voti
Una annotazione forse banale: visto il circuito e le correnti moderate in gioco, sei consapevole del fatto che potresti tranquillamente eliminare i FET e usare solo gli interruttori? 
0
voti
elfo ha scritto:La tensione Vd ai capi di un diodo LED - in primissima approssimazione - non dipende dalla corrente che circola nel LED ma solo dal tipo (colore) del led.
Se il led è collegato in serie all' aumentare della tensione non aumenterà la corrente, giusto?
Io so: se invece la tensione ai capi del led è maggiore della tensione supporta dal led allora con il tempo il led si brucerà.
Devo continuare ad imparare altre cose riguardanti l' argomento: "i led".
elfo ha scritto:Non capisco quindi i 9 V, etc... ai capi del LED indicato in figura
In commercio esistono ad es. i led wired 9v. C'è scritto che tipo hanno una resistenza collegata però non si vede.
Altrimenti al posto dei diodi led potrei usare delle microlampadine led oppure delle microlampadine ad incandescenza.
Curiosità: cosa succede se invece il source è flottante mentre il gate no?
Facendo una ricerca ho trovato questo che dice delle cose che non sapevo prima e chissà se in futuro possa servire a qualcuno:
"Il MOSFET, a differenza del transistor bipolare che ha impedenza di ingresso (e.g. di base) finita e
dipendente dalle caratteristiche costruttive del componente e dalle condizioni di polarizzazione, ha
impedenza di ingresso infinita in corrente continua in quanto i terminali di ingresso fanno capo ad un
condensatore e fra le armature di un condensatore scorre una corrente nulla

Per quanto riguarda i dubbi/domande sull' impedenza nei circuiti in corrente continua penso che aprirò una discussione apposita per non creare confusione o/e per non allungare ulteriormente le mie risposte.
Condivido la tua annotazione forse banale
Alla fine (inizialmente non li avevo messi) avevo messo gli switch perché non mi piaceva l' idea che ogni MOS fosse sempre sotto-tensione anche quando in un preciso momento uno o più MOS non venivano utilizzati.
L' altro motivo è che all' occorrenza volevo avere in uno dei 2 circuiti 0 volt in uscita dal drain mentre nell' altro, sempre all' occorrenza 0 volt in uscita dal source.
Tipo l' altro ieri poi ho preso consapevolezza del fatto che nei 2 circuiti che ho fatto non ha molto senso tenere sia gli switch per ogni MOS ed insieme anche i MOS.
Ho deciso che ora vado a togliere dai 2 circuiti gli switch su ogni mosfet
Per il resto e per la risposta al tuo penultimo messaggio lo farò a parte perché altrimenti questo messaggio sarebbe troppo lungo
-

Cibachrome
60 2 6 - Frequentatore

- Messaggi: 104
- Iscritto il: 18 apr 2014, 0:15
0
voti
Cibachrome ha scritto:Curiosità: cosa succede se invece il source è flottante mentre il gate no?
Prova a pensarci, la risposta non è difficile
Il MOSFET, a differenza del transistor bipolare che ha impedenza di ingresso (e.g. di base) finita e
dipendente dalle caratteristiche costruttive del componente e dalle condizioni di polarizzazione, ha
impedenza di ingresso infinita in corrente continua in quanto i terminali di ingresso fanno capo ad un
condensatore e fra le armature di un condensatore scorre una corrente nulla
Speriamo che chi lo ha scritto non lo racconti ad un esame di elettronica.
In un condensatore polarizzato in continua scorre una corrente che dipende dalle caratteristiche dell'isolante utilizzato. Idem per i mosfet, si tratterà magari di pA o fA ma una corrente scorre comunque. La resistenza di ingresso infinita / corrente nulla è una semplificazione grossolana.
17 messaggi
• Pagina 1 di 2 • 1, 2
Chi c’è in linea
Visitano il forum: Nessuno e 342 ospiti

Elettrotecnica e non solo (admin)
Un gatto tra gli elettroni (IsidoroKZ)
Esperienza e simulazioni (g.schgor)
Moleskine di un idraulico (RenzoDF)
Il Blog di ElectroYou (webmaster)
Idee microcontrollate (TardoFreak)
PICcoli grandi PICMicro (Paolino)
Il blog elettrico di carloc (carloc)
DirtEYblooog (dirtydeeds)
Di tutto... un po' (jordan20)
AK47 (lillo)
Esperienze elettroniche (marco438)
Telecomunicazioni musicali (clavicordo)
Automazione ed Elettronica (gustavo)
Direttive per la sicurezza (ErnestoCappelletti)
EYnfo dall'Alaska (mir)
Apriamo il quadro! (attilio)
H7-25 (asdf)
Passione Elettrica (massimob)
Elettroni a spasso (guidob)
Bloguerra (guerra)












