Per capire bisogna ragionare con Kirchholf.
Se prendiamo una maglia del motore:
V12=V12motore + 2 * Z *If, la cdt in effetti coincide con la formula del manuale.
Mi ha messo un po' in crisi anche a me, credo che il problema nasca dal fatto che si dà per scontata la formula della cdt di linea.
Prendendo una maglia di una linea si ha:
V1 partenza fase = V1 arrivo fase + Z I1
Dove la tensione di fase giustifica il radice di tre.
Oppure puoi prendere la maglia V12 ottenendo lo stesso risultato con la differenza che rispetto al motore a triangolo le correnti non sono in fase.
Chiaramente tutte le somme sono vettoriali.
Caduta di tensione su cavi avviatore stella-triangolo
Moderatori:
sebago,
MASSIMO-G,
lillo,
Mike
21 messaggi
• Pagina 2 di 3 • 1, 2, 3
0
voti
... Mi sa che sono proprio uno zuccone... non mi faccio convinto!
Ho allegato un pdf con la rappresentazione a regime.
La tensione ai capi di una fase è pari a VL1-2 ovvero 400 V AC
Le coppie di punti (morsetti sulla basetta del motore) u1 e w2, v1 e u2, w1 e v2 sono allo stesso potenziale.
Ciascun cavo che arriva al motore è percorso dalla corrente di fase ma sottoposto alla tensione di linea... L'impedenza è quella del collegamento a triangolo.
Ho allegato un pdf con la rappresentazione a regime.
La tensione ai capi di una fase è pari a VL1-2 ovvero 400 V AC
Le coppie di punti (morsetti sulla basetta del motore) u1 e w2, v1 e u2, w1 e v2 sono allo stesso potenziale.
Ciascun cavo che arriva al motore è percorso dalla corrente di fase ma sottoposto alla tensione di linea... L'impedenza è quella del collegamento a triangolo.
- Allegati
-
STAR-DELTA.pdf- Avviatore stella-triangolo a regime
- (36.32 KiB) Scaricato 119 volte
Ultima modifica di
admin il 22 apr 2018, 14:11, modificato 1 volta in totale.
Motivazione: eliminata citazione integrale del messaggio che precede. Basta usare il tasto Rispondi
Motivazione: eliminata citazione integrale del messaggio che precede. Basta usare il tasto Rispondi
0
voti
Nel disegno i versi delle corrente sono sbagliati, nel motore se la corrente entra nell'avvolgimenti da sopra deve uscire da sotto.
Tralasciando la caduta della linea dovuta alle correnti IL
Se considero la maglia V12 ho:
VL1-Z*If1 -u1+u2 - Z*If1-VL2=0
Sistemo un po' e calcolo la caduta di tensione sui cavi
(VL1-VL2)-(u1-u2)=2*Z*If1
L'impedenza Z è quella del cavo che puoi semplificare con Rcos+Xsin
Tralasciando la caduta della linea dovuta alle correnti IL
Se considero la maglia V12 ho:
VL1-Z*If1 -u1+u2 - Z*If1-VL2=0
Sistemo un po' e calcolo la caduta di tensione sui cavi
(VL1-VL2)-(u1-u2)=2*Z*If1
L'impedenza Z è quella del cavo che puoi semplificare con Rcos+Xsin
-

Coulomb
710 4 - CRU - Account cancellato su Richiesta utente
- Messaggi: 189
- Iscritto il: 19 gen 2018, 17:27
0
voti
Chiedo venia per il verso della corrente!
VL1-VL2 = 400 V
u1-u2 = 400 V
???
VL1-VL2 = 400 V
u1-u2 = 400 V
???
Ultima modifica di
admin il 22 apr 2018, 14:11, modificato 1 volta in totale.
Motivazione: eliminata citazione integrale del messaggio che precede. Basta usare il tasto Rispondi
Motivazione: eliminata citazione integrale del messaggio che precede. Basta usare il tasto Rispondi
1
voti
Non ho visto i tuoi calcoli numerici, mi sembra di capire dove sbagli: un motore funzionando a triangolo ogni TERNA si prende il 58% della corrente di linea, che moltiplicato per 2 diventa 0,58x2 = 1,16.Moltiplico per 2 (2 terne) e ottengo 2xI_LINEAxLx(Rcosfi+Xsenfi)
Il risultato finale secondo me è 2xI_LINEAxLx(Rcosfi+Xsenfi) e non 1,16xI_LINEAxLx(Rcosfi+Xsenfi)
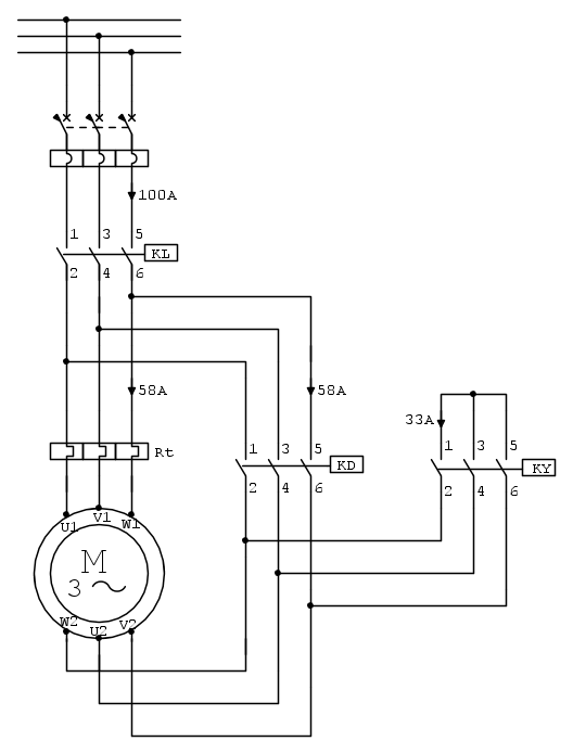
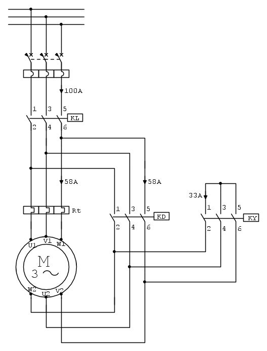
Ti allego lo schema che avevo nel cassetto ove ci sono i dati importanti scritti qui.
-

StefanoSunda
2.880 3 6 10 - Master

- Messaggi: 1962
- Iscritto il: 16 set 2010, 19:29
0
voti
Grazie per la risposta!
intuitivamente ci siamo... il problema per me è derivare quella espressione a a partire dalla caduta di tensione industriale che è 1,73xZxI_LINEA.
Se tu applicassi il tuo metodo a un avviatore diretto collegato a triangolo non troveresti lo stesso risultato!
intuitivamente ci siamo... il problema per me è derivare quella espressione a a partire dalla caduta di tensione industriale che è 1,73xZxI_LINEA.
Se tu applicassi il tuo metodo a un avviatore diretto collegato a triangolo non troveresti lo stesso risultato!
Ultima modifica di
admin il 22 apr 2018, 14:13, modificato 1 volta in totale.
Motivazione: eliminata citazione integrale del messaggio che precede. Basta usare il tasto Rispondi
Motivazione: eliminata citazione integrale del messaggio che precede. Basta usare il tasto Rispondi
1
voti
Se tu applicassi il tuo metodo a un avviatore diretto collegato a triangolo non troveresti lo stesso risultato!
La formula è questa:
Un modo semplice per sapere la c.d.t. del cavo, bisogna sapere la corrente che percorre il circuito, la sua sezione, la lunghezza del cavo.
Con la sezione del cavo ricavo i mV/A.m dalla tabella c.d.t. unitaria (u a cosfi 0,9).Se per esempio voglio trovare la c.d.t. di un cavo trifase lungo 80 m sezione 4mm^2 percorsa da una corrente di 5A, uso questa formula:

u = mV/A.m = 8,8 (4mm^2 cos 0,9)
I = 5 A
L = 80 m
-

StefanoSunda
2.880 3 6 10 - Master

- Messaggi: 1962
- Iscritto il: 16 set 2010, 19:29
0
voti
coulomb, pardon, mi sono espresso male!
Il tuo ragionamento fila che è una meraviglia... se applicato a 1 fase.
... ma come si arrivi alla generalizzazione a partire dalla espressione della caduta di tensione industriale ancora non mi è chiaro: 1,73xIxZx2 dove I=I_LINEA/1,73
Il tuo ragionamento fila che è una meraviglia... se applicato a 1 fase.
... ma come si arrivi alla generalizzazione a partire dalla espressione della caduta di tensione industriale ancora non mi è chiaro: 1,73xIxZx2 dove I=I_LINEA/1,73
0
voti
Perché non hai ragionato bene su quello che ti ho scritto in [14], se ti fissi come un pappagallo sulla caduta idi tensione di linea senza capire da dove arriva il radice di tre non arriverai da nessuna parte.
Ti invito a capire da dove viene quella formula e a non prenderla così come è.
Non è un mio ragionamento è elettrotecnica e non l'ho certo inventata io, ai miei tempi a scuola la insegnavano, adesso probabilmente sono tutti ingegneri ma le nozioni sono diverse.
Come spunto ulteriore aggiungo che la formula della caduta di tensione la puoi applicare su una linea, non la puoi applicare per un motore collegato a triangolo con 6 cavi che escono cioè avviamento stella-triangolo.
Attenzione ci tengo a precisare non vale con 6 cavi che escono, vale invece nel collegamento standard del motore a triangolo a tre cavi.
Io con questo chiudo, e lascio ad altri eventuali sviluppo della discussione.
Ti invito a capire da dove viene quella formula e a non prenderla così come è.
Non è un mio ragionamento è elettrotecnica e non l'ho certo inventata io, ai miei tempi a scuola la insegnavano, adesso probabilmente sono tutti ingegneri ma le nozioni sono diverse.
Come spunto ulteriore aggiungo che la formula della caduta di tensione la puoi applicare su una linea, non la puoi applicare per un motore collegato a triangolo con 6 cavi che escono cioè avviamento stella-triangolo.
Attenzione ci tengo a precisare non vale con 6 cavi che escono, vale invece nel collegamento standard del motore a triangolo a tre cavi.
Io con questo chiudo, e lascio ad altri eventuali sviluppo della discussione.
-

Coulomb
710 4 - CRU - Account cancellato su Richiesta utente
- Messaggi: 189
- Iscritto il: 19 gen 2018, 17:27
21 messaggi
• Pagina 2 di 3 • 1, 2, 3
Torna a Impianti, sicurezza e quadristica
Chi c’è in linea
Visitano il forum: Nessuno e 107 ospiti

Elettrotecnica e non solo (admin)
Un gatto tra gli elettroni (IsidoroKZ)
Esperienza e simulazioni (g.schgor)
Moleskine di un idraulico (RenzoDF)
Il Blog di ElectroYou (webmaster)
Idee microcontrollate (TardoFreak)
PICcoli grandi PICMicro (Paolino)
Il blog elettrico di carloc (carloc)
DirtEYblooog (dirtydeeds)
Di tutto... un po' (jordan20)
AK47 (lillo)
Esperienze elettroniche (marco438)
Telecomunicazioni musicali (clavicordo)
Automazione ed Elettronica (gustavo)
Direttive per la sicurezza (ErnestoCappelletti)
EYnfo dall'Alaska (mir)
Apriamo il quadro! (attilio)
H7-25 (asdf)
Passione Elettrica (massimob)
Elettroni a spasso (guidob)
Bloguerra (guerra)
