La prima cosa che devi considerare e' il costo.
Un alimentatore lineare costa (e non poco) di:
- trasformatore
- condensatori di filtro
- dissipatore
- contenitore
e solo marginalmente di silicio.
Nel tuo caso (30 V 3 A) pensando ad un alimentatore lineare con regolazione di corrente "rettangolare" devi dissipare (per ciascun canale) sul transistor finale oltre 100 W che e' un numero "impraticabile".
Numeri piu' ragionevoli potrebbero essere 24 V (30 V) 0.5 A (1 A)
Sulla storia di imparare ho gia' molte volte in passato espresso I mie dubbi che quanto si impara a fare un alimentatore oggi risulti utile.
In ogni caso un alimentatore "da laboratorio" con tensione regolabile a da 0 a "tot" V e corrente regolabile da 0 e "tot" A ha un schema che raramente si trova in rete come "autocostruzione" - tradotto: gli schemi da autocostruttore funzionano "male"
I manuali di servizio di alimentori di costruttori "seri" (es HP (Agilent, Keysight)) si trovano in rete e sono un ottimo punto di partenza per lo studio.
Se sei interessato possiamo provare a studiarne uno insieme al forum.
Regolatori lineari positivo negativo
Moderatori:
carloc,
g.schgor,
BrunoValente,
IsidoroKZ
31 messaggi
• Pagina 3 di 4 • 1, 2, 3, 4
0
voti
Studiare insieme al forum uno schema Agilent sarebbe una cosa molto molto interessante
.
Magari sarebbe interessante un articolo che ne analizzi uno, sarebbe un ottimo spunto non solo per me ma anche per altri curiosi!
Magari sarebbe interessante un articolo che ne analizzi uno, sarebbe un ottimo spunto non solo per me ma anche per altri curiosi!
-

Andrea454545
46 1 2 9 - Stabilizzato

- Messaggi: 472
- Iscritto il: 14 apr 2013, 11:42
2
voti
Prima di provare a progettare un alimentatore che "funziona" vediamone uno che *non* funziona.
Supponiamo di voler realizzare un alimentatore regolabile 0 - 30 V (0 - 24 V) 0 - 1 A (0 - 0.5 A)
A prima vista un LM317 sarebbe idoneo con vantaggi di semplicita' di calcolo, realizzazione e garanzia di risultato.
Specs LM317
- Tensione Diff In - Out max = 40 V
- Tensione Diff In - Out min = 3 V
- Corrente di uscita 1.5 A
Specs Alimentatore
- Vout= 0 - 30 V (0 - 24 V)
- Iout= 0 - 1 A ( 0 - 0.5 A)
- Tensione rete alta (VinH) = tensione nominale + 10%
- Tensione di rete bassa (VinL) = tensione nominale - 10%
- Regolazione trasformatore no load - full load 10 %
- Ripple (sul condensatore di filtro) 10 %
A VinH (con nessun carico all'uscita) la tensione di ingresso al regolatore (Vin) deve essere <= 40 V
A VinL (al carico max in uscita) la tensione in ingresso al regolatore sara':
40 V -10% (reg trasf) -20% (rete bassa) -10% (ripple) = 24 V
Considerando una Diff In - Out = 3 V avremo una tensione max di uscita garantita a tensione di rete minima e carico max
Vgar= 24 - 3 = 21 V
Come vedi i numeri sono *molto* diversi da come uno se li potrebbe immaginare.
In effetti raffinando i conti si potrebbe arrivare a 25 V ma non ne vale la pena.
La principali deviazioni dai dati di progetto sono:
- La tensione di uscita max < della specifica
- La tensione di uscita non regola da 0 V (min 1.2 V)
- E' complicato regolare la limitazione di corrente
Se guardiamo la SOA (con Tj = 25 C) vediamo che con Tensione Diff In - Out 35 V la max corrente erogabile e' 0.5 A, cioe' in condizoni operative reali (TJ >> 25 C) sara' molto minore.
evilpiEu1
Supponiamo di voler realizzare un alimentatore regolabile 0 - 30 V (0 - 24 V) 0 - 1 A (0 - 0.5 A)
A prima vista un LM317 sarebbe idoneo con vantaggi di semplicita' di calcolo, realizzazione e garanzia di risultato.
Specs LM317
- Tensione Diff In - Out max = 40 V
- Tensione Diff In - Out min = 3 V
- Corrente di uscita 1.5 A
Specs Alimentatore
- Vout= 0 - 30 V (0 - 24 V)
- Iout= 0 - 1 A ( 0 - 0.5 A)
- Tensione rete alta (VinH) = tensione nominale + 10%
- Tensione di rete bassa (VinL) = tensione nominale - 10%
- Regolazione trasformatore no load - full load 10 %
- Ripple (sul condensatore di filtro) 10 %
A VinH (con nessun carico all'uscita) la tensione di ingresso al regolatore (Vin) deve essere <= 40 V
A VinL (al carico max in uscita) la tensione in ingresso al regolatore sara':
40 V -10% (reg trasf) -20% (rete bassa) -10% (ripple) = 24 V
Considerando una Diff In - Out = 3 V avremo una tensione max di uscita garantita a tensione di rete minima e carico max
Vgar= 24 - 3 = 21 V
Come vedi i numeri sono *molto* diversi da come uno se li potrebbe immaginare.
In effetti raffinando i conti si potrebbe arrivare a 25 V ma non ne vale la pena.
La principali deviazioni dai dati di progetto sono:
- La tensione di uscita max < della specifica
- La tensione di uscita non regola da 0 V (min 1.2 V)
- E' complicato regolare la limitazione di corrente
Se guardiamo la SOA (con Tj = 25 C) vediamo che con Tensione Diff In - Out 35 V la max corrente erogabile e' 0.5 A, cioe' in condizoni operative reali (TJ >> 25 C) sara' molto minore.
evilpiEu1
- Allegati
-
- SOA.png (17.85 KiB) Osservato 5682 volte
0
voti
In attesa delle puntate successive ecco quello che avevo scritto nel post
viewtopic.php?f=1&t=65859#p669788
ed aggiungo anche le sezioni 4.0 , 5.0 e 6.0 sul dimensionamento dei dissipatori
http://www.smcelectronics.com/DOWNLOADS ... OLTREG.PDF
viewtopic.php?f=1&t=65859#p669788
Guarda (ti ho linkato sotto il PDF) Voltage regulator handbook national semiconductor - sezione 8.0 Power Supply Design - in cui viene descritta (a cura di Ed Polen fondatore della Signal Transformer) la selezione del trasfo, del ponte e del condensatore di filtro
"The purpose of this section is to provide a practical guide for the selection of a power supply transformer and filter components"
ed aggiungo anche le sezioni 4.0 , 5.0 e 6.0 sul dimensionamento dei dissipatori
http://www.smcelectronics.com/DOWNLOADS ... OLTREG.PDF
1
voti
che sia impraticabile autocostruirselo...può essere,
che lavori male..... può essere,
che disissipi.....pure.
io ne ho fatto uno qualche decina di anni fa, modificandone uno che avevo, stabilizzatori lineari lm317(se ricordo bene) e 319(mi pare), con finali a transistor 2n3771(mi pare, è passata una vita), con sgancio della corrente massima regolabile. Il tutto a discreti, a parte lo sgancio di corrente che lavora ad OP.
uscita duale +-2.5V a +-25V, corrente che arriva a 3A.
ci ho alimentato una marea di schede lineari ed a microcontrollore e varie, problemi non ne ho avuti, e da allora che l'ho fatto non ci ho più messo mano, ovvio che lo uso da "laboratorio" non lo carico a piena corrente con 3V di uscita per un giorno.(magari non si squassa neanche).
saluti.
che lavori male..... può essere,
che disissipi.....pure.
io ne ho fatto uno qualche decina di anni fa, modificandone uno che avevo, stabilizzatori lineari lm317(se ricordo bene) e 319(mi pare), con finali a transistor 2n3771(mi pare, è passata una vita), con sgancio della corrente massima regolabile. Il tutto a discreti, a parte lo sgancio di corrente che lavora ad OP.
uscita duale +-2.5V a +-25V, corrente che arriva a 3A.
ci ho alimentato una marea di schede lineari ed a microcontrollore e varie, problemi non ne ho avuti, e da allora che l'ho fatto non ci ho più messo mano, ovvio che lo uso da "laboratorio" non lo carico a piena corrente con 3V di uscita per un giorno.(magari non si squassa neanche).
saluti.
-

lelerelele
4.899 3 7 9 - Master

- Messaggi: 5505
- Iscritto il: 8 giu 2011, 8:57
- Località: Reggio Emilia
1
voti
Tutto motlo interessante. Avrò di che leggere e meditare!!! 

-

Andrea454545
46 1 2 9 - Stabilizzato

- Messaggi: 472
- Iscritto il: 14 apr 2013, 11:42
2
voti
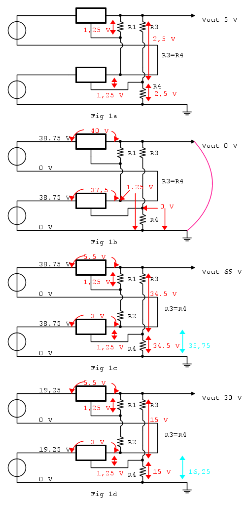
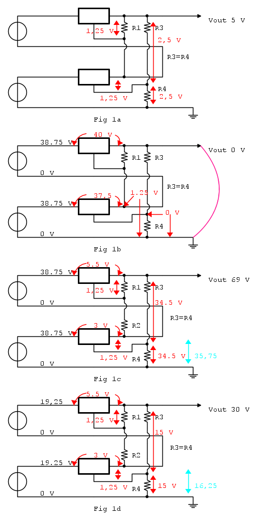
Prima di proseguire sulla retta via del progetto dell'alimentatore vorrei fare una deviazione (che ci tornera' buona successivamente) con due argomenti:
- come poter avere una tensione di uscita maggiore
- i limiti dell'elemento di regolazione di potenza (nel post successivo)
*****************
Come poter avere una tensione di uscita maggiore
Lo schema che segue e' preso dalla Design Notes 21 (anni '90) della Linear Technology (ho provato a cercarla in rete ma non l'ho trovata per cui non posso postare il link).
Come si vede connette in serie 2 regolatori a 3 terminali e 2 trasformatori.
Questa configurazione, come vedremo, permette di avere una tensione di uscita maggiore (ed una corrente in uscita "ragionevole" a tensioni di uscita "basse") introducendo - oltre alla ovvia maggiore complessita' del circuito (2 regolatori, 2 trasformatori...) - anche altri problemi.
La descrizione minima del funzionamento e' nel testo a fianco dell'immagine
I vari schemi disegnati con FidoCad (Fig 1a, 1b...) mostrano lo stesso circuito in varie "situazioni":
- 1a mostra la minima tensione di uscita 5 V - invece che 1.25 V con un solo regolatore
- 1b mostra che la massima tensione Diff In - Out con l'uscita in corto circuito rimane <= 40V nonostante i due trasformatori in serie
- 1c mostra la max tensione di uscita (che applicando tutti i derating del post precedenti - tensione di rete bassa, regolazione del trasformatore, ripple - diventa circa 40 V)
- 1d mostra la minima tensione in ingresso per ottenere in uscita 30 V
Con i valori di Fig 1d, con l'uscita a valori "bassi" (vicino a 0 V), la tensione Diff In - Out vale circa 20 V.
Guardando la SOA del post precedente si ha che con questa tensione Diff In - Out la max corrente di uscita e' di circa 1 A.
Riassumendo:(+) vantaggio (-) svantaggio:
+ possiamo avere una tensione di uscita oltre i 30 V
+ la corrente di uscita a tensioni di uscita "basse" e' "ragionevole"
- la tensione minima di uscita e' 5 V
- la somma delle tensioni Diff In - Out e' 8.5 V (3 + 5.5)
- occorrono 2 regolatori
- occorrono 2 traformatori (o 1 trasformatore con due avvolgimenti separati)
- occorrono 2 ponti di raddrizzamento e 2 condensatori di filtro
- come poter avere una tensione di uscita maggiore
- i limiti dell'elemento di regolazione di potenza (nel post successivo)
*****************
Come poter avere una tensione di uscita maggiore
Lo schema che segue e' preso dalla Design Notes 21 (anni '90) della Linear Technology (ho provato a cercarla in rete ma non l'ho trovata per cui non posso postare il link).
Come si vede connette in serie 2 regolatori a 3 terminali e 2 trasformatori.
Questa configurazione, come vedremo, permette di avere una tensione di uscita maggiore (ed una corrente in uscita "ragionevole" a tensioni di uscita "basse") introducendo - oltre alla ovvia maggiore complessita' del circuito (2 regolatori, 2 trasformatori...) - anche altri problemi.
La descrizione minima del funzionamento e' nel testo a fianco dell'immagine
I vari schemi disegnati con FidoCad (Fig 1a, 1b...) mostrano lo stesso circuito in varie "situazioni":
- 1a mostra la minima tensione di uscita 5 V - invece che 1.25 V con un solo regolatore
- 1b mostra che la massima tensione Diff In - Out con l'uscita in corto circuito rimane <= 40V nonostante i due trasformatori in serie
- 1c mostra la max tensione di uscita (che applicando tutti i derating del post precedenti - tensione di rete bassa, regolazione del trasformatore, ripple - diventa circa 40 V)
- 1d mostra la minima tensione in ingresso per ottenere in uscita 30 V
Con i valori di Fig 1d, con l'uscita a valori "bassi" (vicino a 0 V), la tensione Diff In - Out vale circa 20 V.
Guardando la SOA del post precedente si ha che con questa tensione Diff In - Out la max corrente di uscita e' di circa 1 A.
Riassumendo:(+) vantaggio (-) svantaggio:
+ possiamo avere una tensione di uscita oltre i 30 V
+ la corrente di uscita a tensioni di uscita "basse" e' "ragionevole"
- la tensione minima di uscita e' 5 V
- la somma delle tensioni Diff In - Out e' 8.5 V (3 + 5.5)
- occorrono 2 regolatori
- occorrono 2 traformatori (o 1 trasformatore con due avvolgimenti separati)
- occorrono 2 ponti di raddrizzamento e 2 condensatori di filtro
0
voti
Continuo a seguire quanto mi dici!
Ma il doppio trasformatore da te postato, potrebbe essere anche uno a presa centrale?
Poi nel dimensionamento di potenza del trasformatore che avevi riportato un po' di post fa, non ho capito il valore dei 300W.
Basterebbero 200W, se 3A e 30V per canale?
Ma il doppio trasformatore da te postato, potrebbe essere anche uno a presa centrale?
Poi nel dimensionamento di potenza del trasformatore che avevi riportato un po' di post fa, non ho capito il valore dei 300W.
Basterebbero 200W, se 3A e 30V per canale?
-

Andrea454545
46 1 2 9 - Stabilizzato

- Messaggi: 472
- Iscritto il: 14 apr 2013, 11:42
0
voti
Andrea454545 ha scritto:Ma il doppio trasformatore da te postato, potrebbe essere anche uno a presa centrale?
No.
In tal caso però potresti usare un regolatore positivo e uno negativo.
Big fan of ⋮ƎlectroYou! Ausili per disabili e anziani su ⋮ƎlectroYou
Caratteri utili: À È É Ì Ò Ó Ù α β γ δ ε η θ λ μ π ρ σ τ φ ω Ω º ª ² ³ √ ∛ ∜ ₀ ₁ ₂ ₃ ₄ ₅ ₆ ∃ ∄ ∆ ∈ ∉ ± ∓ ∾ ≃ ≈ ≠ ≤ ≥
Caratteri utili: À È É Ì Ò Ó Ù α β γ δ ε η θ λ μ π ρ σ τ φ ω Ω º ª ² ³ √ ∛ ∜ ₀ ₁ ₂ ₃ ₄ ₅ ₆ ∃ ∄ ∆ ∈ ∉ ± ∓ ∾ ≃ ≈ ≠ ≤ ≥
1
voti
:-) Occorre mettere in conto che i diodi del raddrizzamento non lavorano gratisAndrea454545 ha scritto: ...nel dimensionamento di potenza del trasformatore che avevi riportato un po' di post fa, non ho capito il valore dei 300W...
in caso di raddrizzamento a ponte la potenza del trasformatore deve risultare 1,8 volte maggiore di quella prelevata (erogata) in continua (con secondario a presa centrale e raddrizzamento a due diodi il fattore di correzione è 1,4).

"Non farei mai parte di un club che accettasse la mia iscrizione" (G. Marx)
-

claudiocedrone
21,3k 4 7 9 - Master EY

- Messaggi: 15302
- Iscritto il: 18 gen 2012, 13:36
31 messaggi
• Pagina 3 di 4 • 1, 2, 3, 4
Chi c’è in linea
Visitano il forum: Nessuno e 93 ospiti

Elettrotecnica e non solo (admin)
Un gatto tra gli elettroni (IsidoroKZ)
Esperienza e simulazioni (g.schgor)
Moleskine di un idraulico (RenzoDF)
Il Blog di ElectroYou (webmaster)
Idee microcontrollate (TardoFreak)
PICcoli grandi PICMicro (Paolino)
Il blog elettrico di carloc (carloc)
DirtEYblooog (dirtydeeds)
Di tutto... un po' (jordan20)
AK47 (lillo)
Esperienze elettroniche (marco438)
Telecomunicazioni musicali (clavicordo)
Automazione ed Elettronica (gustavo)
Direttive per la sicurezza (ErnestoCappelletti)
EYnfo dall'Alaska (mir)
Apriamo il quadro! (attilio)
H7-25 (asdf)
Passione Elettrica (massimob)
Elettroni a spasso (guidob)
Bloguerra (guerra)


