Facendo due conti...credo che aopererò il circuitino da voi consigliato.
Quindi, con questo circuito che mi avete consigliato di acquistare, scalderà molto meno?
Regolatore di tensione 24 V > 12V
Moderatori:
carloc,
g.schgor,
BrunoValente,
IsidoroKZ
21 messaggi
• Pagina 2 di 3 • 1, 2, 3
0
voti
Metti un dissipatore al regolatore che hai gia' come ti ha consigliato
claudiocedrone
Se vuoi farlo/calcolarlo da solo (invece che comprarlo) guarda i 2 pdf allegati a questo post
http://www.electroyou.it/forum/viewtopic.php?f=14&t=66021#p671996
Se vuoi farlo/calcolarlo da solo (invece che comprarlo) guarda i 2 pdf allegati a questo post
http://www.electroyou.it/forum/viewtopic.php?f=14&t=66021#p671996
0
voti
Se ti riferisci ad un controllo switching si. Questo tipo di circuito prende il nome di convertitore, treverei sul web una marea di esempi, lavora in alta frequenza con induttori e mosfet, lavorando quest'ultimo in condizione di saturazione oppure aperto non dissipa potenza, nemmeno l'induttanza ne dissipa, (se non una piccolissima parte).Salvatore129 ha scritto:Quindi, con questo circuito che mi avete consigliato di acquistare, scalderà molto meno?
Per contro è molto più critico il suo uso, lavorando con tempi dell'ordine di microSecondi. Io ho usato il LM2576, con una manciata di componenti, è abbastanza semplice da usare.
Lavorare con questi circuiti senza la possibilità di effettuare verifiche con oscilloscopio è un po' azzardato, ecco perché ti è stato consigliato di mettere il dissipatore sul lineare.
saluti.
-

lelerelele
4.899 3 7 9 - Master

- Messaggi: 5505
- Iscritto il: 8 giu 2011, 8:57
- Località: Reggio Emilia
0
voti
ok grazie mille.
Considerando il basso costo...direi che posso provare a montare in uscita la ventola da 130 mA e vedere cosa succede dopo 10 minuti di uso continuo.
Considerando il basso costo...direi che posso provare a montare in uscita la ventola da 130 mA e vedere cosa succede dopo 10 minuti di uso continuo.
-

Salvatore129
110 2 - New entry

- Messaggi: 50
- Iscritto il: 1 feb 2018, 18:18
3
voti
In alternativa, se la corrente assorbita dalla ventola è costante, puoi mettere un resistore da 47ohm 1W in serie all'ingresso del regolatore, in questo modo la potenza dissipata in calore è sempre la stessa ma si ripartisce tra il regolatore e il resistore.
Non serve tutto quell'ambaradan di condensatori: in uscita ne basta uno da 100nF e in ingresso uno da 330nF montato a ridosso dei piedini, eventualmente la resistenza in serie all'ingresso andrebbe messa a monte del condensatore.
Non serve tutto quell'ambaradan di condensatori: in uscita ne basta uno da 100nF e in ingresso uno da 330nF montato a ridosso dei piedini, eventualmente la resistenza in serie all'ingresso andrebbe messa a monte del condensatore.
-

BrunoValente
39,6k 7 11 13 - G.Master EY

- Messaggi: 7796
- Iscritto il: 8 mag 2007, 14:48
0
voti
Ciao Bruno ti ringrazio per l'alternativa che mi proponi.
Lo proverò sicuramente, anche perché ho gia inciso diverse schedine PCB e vorrei poterle utilizzare.
A proposito dei condensatori che io avevo pensato di utilizzare col 7812 (quello da schema allegato), i condensatori elettrolitici non serve utilizzarli?
Lo proverò sicuramente, anche perché ho gia inciso diverse schedine PCB e vorrei poterle utilizzare.
A proposito dei condensatori che io avevo pensato di utilizzare col 7812 (quello da schema allegato), i condensatori elettrolitici non serve utilizzarli?
-

Salvatore129
110 2 - New entry

- Messaggi: 50
- Iscritto il: 1 feb 2018, 18:18
1
voti
pe rprudenza meglio metterli, di solito sono consigliati dei data-sheet...l'esagerazione è averli duplicati o triplicati.
Sulla resistenza serie è una soluzione semplice, ma 47 Ohm dissiperebbe quasi 0,8W, un po' troppi, anche le resistenze scaldano... meglio a questo punto 2 da 22 ohm in serie.
Ma la cosa ovvia sarebbe mettere almeno un minimo di radiatore sul TO220... basta poco, anche un lamierino, magari ripiegato, fa molto di più del solo package e basterebbe a dissipare 1,4W.
Io per pochi W uso questi:
https://it.rs-online.com/web/p/dissipatori/7124223/
ma anche
https://it.rs-online.com/web/p/dissipatori/7124257/
ti basta un pezzetto di lamierino....
Sulla resistenza serie è una soluzione semplice, ma 47 Ohm dissiperebbe quasi 0,8W, un po' troppi, anche le resistenze scaldano... meglio a questo punto 2 da 22 ohm in serie.
Ma la cosa ovvia sarebbe mettere almeno un minimo di radiatore sul TO220... basta poco, anche un lamierino, magari ripiegato, fa molto di più del solo package e basterebbe a dissipare 1,4W.
Io per pochi W uso questi:
https://it.rs-online.com/web/p/dissipatori/7124223/
ma anche
https://it.rs-online.com/web/p/dissipatori/7124257/
ti basta un pezzetto di lamierino....
0
voti
Ciao, ho dato un'occhiata al datashet del regolatore 7812 e non viene consigliato di mettere gli elettrolitici.
In ingresso è consigliato di mettere un poliestere da 330nF, in uscita un poliestere da 100nF (vedi allegato).
L'assenza degli elettrolitici cosa comporta?
Altra cosa: nella figura del datasheet è anche consigliato di inserire in parallelo al regolator un diodo (suppongo si tratti di un 1N4007). L'uso è indispensabile? Sarei curioso di sapere che ruolo copre...
Grazie
In ingresso è consigliato di mettere un poliestere da 330nF, in uscita un poliestere da 100nF (vedi allegato).
L'assenza degli elettrolitici cosa comporta?
Altra cosa: nella figura del datasheet è anche consigliato di inserire in parallelo al regolator un diodo (suppongo si tratti di un 1N4007). L'uso è indispensabile? Sarei curioso di sapere che ruolo copre...
Grazie
- Allegati
-
- scheme.jpg (119.54 KiB) Osservato 6248 volte
-
- 7812.jpg (90.54 KiB) Osservato 6255 volte
-

Salvatore129
110 2 - New entry

- Messaggi: 50
- Iscritto il: 1 feb 2018, 18:18
0
voti
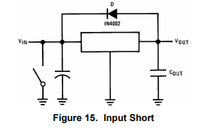
Salvatore129 ha scritto:Altra cosa: nella figura del datasheet è anche consigliato di inserire in parallelo al regolator un diodo (suppongo si tratti di un 1N4007). L'uso è indispensabile? Sarei curioso di sapere che ruolo copre
8.1.1 Shorting the Regulator Input
When using large capacitors at the output of these regulators, a protection diode connected input to output
(Figure 15) may be required if the input is shorted to ground. Without the protection diode, an input short causes
the input to rapidly approach ground potential, while the output remains near the initial VOUT because of the
stored charge in the large output capacitor. The capacitor will then discharge through a large internal input to
output diode and parasitic transistors. If the energy released by the capacitor is large enough, this diode, low
current metal, and the regulator are destroyed. The fast diode in Figure 15 shunts most of the capacitors
discharge current around the regulator. Generally no protection diode is required for values of output capacitance
≤ 10 μF.
http://www.ti.com/lit/ds/symlink/lm7800.pdf
1
voti
Se è collegato in output qualcosa che contenga una batteria o una capacità in tampone o simili, presenta una tensione anche quando abbiamo zero in input e questa situazione, con caduta invertita, è dannosa per il regolatore qualora non ci sia il diodo.
OOPS.. vedi sopra in english
OOPS.. vedi sopra in english
21 messaggi
• Pagina 2 di 3 • 1, 2, 3
Chi c’è in linea
Visitano il forum: Nessuno e 52 ospiti

Elettrotecnica e non solo (admin)
Un gatto tra gli elettroni (IsidoroKZ)
Esperienza e simulazioni (g.schgor)
Moleskine di un idraulico (RenzoDF)
Il Blog di ElectroYou (webmaster)
Idee microcontrollate (TardoFreak)
PICcoli grandi PICMicro (Paolino)
Il blog elettrico di carloc (carloc)
DirtEYblooog (dirtydeeds)
Di tutto... un po' (jordan20)
AK47 (lillo)
Esperienze elettroniche (marco438)
Telecomunicazioni musicali (clavicordo)
Automazione ed Elettronica (gustavo)
Direttive per la sicurezza (ErnestoCappelletti)
EYnfo dall'Alaska (mir)
Apriamo il quadro! (attilio)
H7-25 (asdf)
Passione Elettrica (massimob)
Elettroni a spasso (guidob)
Bloguerra (guerra)


