Inizio il messaggio scusandomi per la mia totale ignoranza in ambito elettrico.
Sono qui per chiedervi un suggerimento e una "guida" nel procedere.
Sono in possesso di un meccanismo di un orologio di cui vi allego una foto.
Come potete notare sulla sx del meccanismo sono presenti due bobine che compongono, e qui gia il primo dubbio 1 o 2 elettrocalamite.
Le stesse (la stessa) ha il compito di far muovere una platina di metallo che dovebbe essere attratta alternativamente da una delle due bobine.
Ho provato ad alimentare le bobine con 24 volt corrente continua.
Ho collegato il + ed il - ed ho ottenuto il movimento di attrazzione della platina da parte di una bobina.
Immaginavo che invertendo la polarità di collegamento avrei dovuto ottenere il moviemnto opposto cioè che la platina fosse attratta dall'altra bobina.
Le bobine hanno alla loro base un collegamento elettrico tra loro.
Invece nulla.
Avete qualche suggerimento?
Vi ringrazio anticipatamente per il vostro tempo e l'attenzione.
Orologio elettrico
25 messaggi
• Pagina 1 di 3 • 1, 2, 3
0
voti
Benvenuto sul forum
So poco di orologi, posso fornire solo qualche consiglio banale:
Le due bobine sono collegate elettricamente in serie fra loro in modo da realizzare una bobina equivalente unica?
I un collegamento serie di bobine, ci sono due collegamenti possibili:
fine di una bobina con inizio dell'altra, fine di una bobina coninizio fine dell'altra.
Uno dei due non va bene: i campi delle due bobine sono opposti e si neutralizzano.
A "occhio" è difficile capire il senso corretto degli avvolgimenti, occorre provare.
L'inversione della polarità della tensione applicata è inutile: un elettromagnete (non polarizzato) attrae sempre indipendentemente dalla corrente circolante.
Sicuro che il tutto funzioni a 24 V e non 12 o 6 V ?
Forse le bobine forniscono il moto periodico , il tutto è un orologio ripetitore, la corrente che le attraversa è un impulso di corrente (tensione fornita) che dura 1/10 di secondo e avviene ogni secondo. Non una tensione continua.

So poco di orologi, posso fornire solo qualche consiglio banale:
Le due bobine sono collegate elettricamente in serie fra loro in modo da realizzare una bobina equivalente unica?
I un collegamento serie di bobine, ci sono due collegamenti possibili:
fine di una bobina con inizio dell'altra, fine di una bobina con
Uno dei due non va bene: i campi delle due bobine sono opposti e si neutralizzano.
A "occhio" è difficile capire il senso corretto degli avvolgimenti, occorre provare.
L'inversione della polarità della tensione applicata è inutile: un elettromagnete (non polarizzato) attrae sempre indipendentemente dalla corrente circolante.
Sicuro che il tutto funzioni a 24 V e non 12 o 6 V ?
Forse le bobine forniscono il moto periodico , il tutto è un orologio ripetitore, la corrente che le attraversa è un impulso di corrente (tensione fornita) che dura 1/10 di secondo e avviene ogni secondo. Non una tensione continua.

0
voti
Ciao e benvenuto sul forum,
anch'io sono dell'idea come @MarcoD che la tensione di 24 V sia troppo alta, partirei già a provare con una batteria da 1,5 V e poi a salire e controlli quando il bilanciere viene attratto sufficientemente, a questo punto hai trovato la sua tensione di lavoro.
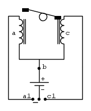
Qui sotto ti metto uno schemino di come dovrebbe essere collegato il tuo apparecchio.
Hai due bobine e quindi due elettromagneti e dovrai alimentarli uno alla volta in modo da avere il ciclo intero, perché credo che il bilanciere rimanga nella posizione che viene attratto da un elettromagnete, non mi pare che ci siano molle di richiamo da una parte.
Quindi il negativo della batteria, una volta è collegato su a1 e un'altra volta è collegato su c1.
Tieni conto che facendo manualmente queste operazioni, non devi lasciare sotto tensione un elettromagnete per lungo tempo.
Facci sapere,
anch'io sono dell'idea come @MarcoD che la tensione di 24 V sia troppo alta, partirei già a provare con una batteria da 1,5 V e poi a salire e controlli quando il bilanciere viene attratto sufficientemente, a questo punto hai trovato la sua tensione di lavoro.
Qui sotto ti metto uno schemino di come dovrebbe essere collegato il tuo apparecchio.
Hai due bobine e quindi due elettromagneti e dovrai alimentarli uno alla volta in modo da avere il ciclo intero, perché credo che il bilanciere rimanga nella posizione che viene attratto da un elettromagnete, non mi pare che ci siano molle di richiamo da una parte.
Quindi il negativo della batteria, una volta è collegato su a1 e un'altra volta è collegato su c1.
Tieni conto che facendo manualmente queste operazioni, non devi lasciare sotto tensione un elettromagnete per lungo tempo.
Facci sapere,

Alex
https://www.facebook.com/Elettronicaeelettrotecnica
<< vedi di pigliare arditamente in mano, il dizionario che ti suona in bocca,
se non altro è schietto e paesano.
(Giuseppe Giusti) <<
https://www.facebook.com/Elettronicaeelettrotecnica
<< vedi di pigliare arditamente in mano, il dizionario che ti suona in bocca,
se non altro è schietto e paesano.
(Giuseppe Giusti) <<
0
voti
Rieccomi, grazie per l'aiuto ed il sostegno.
Ho alimentato (prima di essere riuscito a leggere le indicazioni sulla bobina, sporco accumulato dagli anni 20) prima con 12 v e poi con 24 volt corrente continua.
L'idea dell'inversioni di polarità mi è venuta perché ho un'esperienza su altri orologi dipendenti di marca solari.
Tutti hanno un elttrocalamita a forma approssimativamente di C eccitata da una bobina centrale, all'interno della C si muove un rotore che cambia posizione in funzione del cambio di polarità.
Pensavi che per analogia anche se il sistema è leggermente diverso si potesse fare la stessa cosa ma così non è.
Vi allego un disegno (non tecnico perché non padroneggio la simbologia elettrica) spero vi possa (e possa a me essere di qualche aiuto).
Sono certo che arrivino solo due fili dalla cassa e quindi dalla "sorgente"
Grazie ancora.
Ho alimentato (prima di essere riuscito a leggere le indicazioni sulla bobina, sporco accumulato dagli anni 20) prima con 12 v e poi con 24 volt corrente continua.
L'idea dell'inversioni di polarità mi è venuta perché ho un'esperienza su altri orologi dipendenti di marca solari.
Tutti hanno un elttrocalamita a forma approssimativamente di C eccitata da una bobina centrale, all'interno della C si muove un rotore che cambia posizione in funzione del cambio di polarità.
Pensavi che per analogia anche se il sistema è leggermente diverso si potesse fare la stessa cosa ma così non è.
Vi allego un disegno (non tecnico perché non padroneggio la simbologia elettrica) spero vi possa (e possa a me essere di qualche aiuto).
Sono certo che arrivino solo due fili dalla cassa e quindi dalla "sorgente"
Grazie ancora.
0
voti
ma questo orologio visto che è degli anni 20 quindi potrebbe funzionare con tecnologia a transistor, se così fosse il circuito potrebbe essere tipo questo:
- Allegati
-
- se così non fosse potrebbe funzionare anche con corrente alternata e forse maggiore di 24 V vacci con i piedi di piombo su quello che ne deduco
- Schaltplan.gif (5.73 KiB) Osservato 8585 volte
-

elektronik
7.800 4 6 7 - Master

- Messaggi: 3836
- Iscritto il: 12 mag 2015, 22:26
0
voti
Grazie mille cerco qualcuno che ne capisca più di me del tuo schema elettrico e cerco di frami aiutare, vi faccio sapere. 
1
voti
A me sembra il meccanismo di una pendoletta timbra cartellini
Un paio di foto di profilo aiuterebbero
Un paio di foto di profilo aiuterebbero
-

Lancillotto
986 3 6 - Sostenitore

- Messaggi: 526
- Iscritto il: 13 ott 2017, 14:47
- Località: ۞ ₯ ۞
0
voti
Quello che hai fra le mani e un bel pezzo e quindi da alimentare soltanto se sai veramente quanti volt supporta. guarda se trovi stampigliato la casa costruttrice, intanto ti mando un link, purtroppo per te in tedesco ma verso la fine mi sembra di intravedere qualcosa che si avvicina al tuo orologio a pendolo elettromagnetico che dovrebbe funzionare solo se messo perpendicolare e con il pendolo se no come fa abattere a destra e a sinistra, anche lui ha un ruolo importante nello scambio sui magneti. http://www.chronometrophilia.ch/Electri ... eutsch.htm
-

elektronik
7.800 4 6 7 - Master

- Messaggi: 3836
- Iscritto il: 12 mag 2015, 22:26
0
voti
Siete stati gentilissimi,
sulle bobine è scritto 24 v 2000 ohm
per ora lo sto fancendo anadare a pendolo (l'ho fortunosamente ritrovato).
Ma prima o poi affronto il tema di pilotarlo elettricamente mi ha affascinato il tema.
Un foto dell'oggetto completo
sulle bobine è scritto 24 v 2000 ohm
per ora lo sto fancendo anadare a pendolo (l'ho fortunosamente ritrovato).
Ma prima o poi affronto il tema di pilotarlo elettricamente mi ha affascinato il tema.
Un foto dell'oggetto completo
0
voti
zuffi ha scritto:.....
sulle bobine è scritto 24 v 2000 ohm
E' sempre così, viene iniziato il post senza dare tutte le informazioni a disposizione.

Alex
https://www.facebook.com/Elettronicaeelettrotecnica
<< vedi di pigliare arditamente in mano, il dizionario che ti suona in bocca,
se non altro è schietto e paesano.
(Giuseppe Giusti) <<
https://www.facebook.com/Elettronicaeelettrotecnica
<< vedi di pigliare arditamente in mano, il dizionario che ti suona in bocca,
se non altro è schietto e paesano.
(Giuseppe Giusti) <<
25 messaggi
• Pagina 1 di 3 • 1, 2, 3
Torna a Costruzione, riparazione, riutilizzo
Chi c’è in linea
Visitano il forum: Nessuno e 10 ospiti

Elettrotecnica e non solo (admin)
Un gatto tra gli elettroni (IsidoroKZ)
Esperienza e simulazioni (g.schgor)
Moleskine di un idraulico (RenzoDF)
Il Blog di ElectroYou (webmaster)
Idee microcontrollate (TardoFreak)
PICcoli grandi PICMicro (Paolino)
Il blog elettrico di carloc (carloc)
DirtEYblooog (dirtydeeds)
Di tutto... un po' (jordan20)
AK47 (lillo)
Esperienze elettroniche (marco438)
Telecomunicazioni musicali (clavicordo)
Automazione ed Elettronica (gustavo)
Direttive per la sicurezza (ErnestoCappelletti)
EYnfo dall'Alaska (mir)
Apriamo il quadro! (attilio)
H7-25 (asdf)
Passione Elettrica (massimob)
Elettroni a spasso (guidob)
Bloguerra (guerra)



