Ciao ragazzi avrei bisogno di un aiutino!
Si è bruciata una resistenza della scheda elettronica di un aspirapolvere Black & decker dustbuster ricaricabile.
Dovrebbe essere un semplice circuito di carica per le batterie nimh, perché il motorino gira tranquillamente anche senza questo circuito.
Volevo provare a Sistemarlo ma non trovo da nessuna parte uno schema per capire il valore della resistenza bruciata.
Vi posto la foto del circuito bruciato, che richiede in input una tensione di 11.5V sinusoidale, magari riuscite ad aiutarmi!
nel caso non si riuscisse a riparare sarebbe una una brutta idea creare un nuovo circuito con lm317 per la carica delle batterie?
Grazie
resistenza bruciata
Moderatori:
carloc,
g.schgor,
BrunoValente,
IsidoroKZ
12 messaggi
• Pagina 1 di 2 • 1, 2
0
voti
prova a ricavare lo schema del circuito, è semplice...
probabilmente Q1 è proprio un regolatore lineare, comunque serve anche sapere quante celle serie sono e di che capacità.
Comincia a leggere questi:
http://www.electroyou.it/richiurci/wiki ... rizzazione
http://www.electroyou.it/richiurci/wiki ... -per-l-uso
probabilmente Q1 è proprio un regolatore lineare, comunque serve anche sapere quante celle serie sono e di che capacità.
Comincia a leggere questi:
http://www.electroyou.it/richiurci/wiki ... rizzazione
http://www.electroyou.it/richiurci/wiki ... -per-l-uso
0
voti
il circuito ricavato dovrebbe essere così.
è la prima volta che estrapolo un disegno da un circuito stampato quindi non escludo qualche errorino
ildiodo transistor è un pnp ST2N5401.
quando ho smontato l'aspirapolvere pensavo di trovarmi davanti ad un circuito con almeno un ponte di graetz dato che l'alimentazione è alternata, ma le batterie richiedono una tensione e corrente continua per la carica.
le batterie sono 6, ognuna da 1.2v con capienza 2000 mAh.
di questo circuito non ne capisco appieno il funzionamento;
l' onda sinusoidale viene resa "continua" da primo diodo che taglia la semionda negativa e basta?
o sbaglio io l'interpretazione?
Grazie!
è la prima volta che estrapolo un disegno da un circuito stampato quindi non escludo qualche errorino
il
quando ho smontato l'aspirapolvere pensavo di trovarmi davanti ad un circuito con almeno un ponte di graetz dato che l'alimentazione è alternata, ma le batterie richiedono una tensione e corrente continua per la carica.
le batterie sono 6, ognuna da 1.2v con capienza 2000 mAh.
di questo circuito non ne capisco appieno il funzionamento;
l' onda sinusoidale viene resa "continua" da primo diodo che taglia la semionda negativa e basta?
o sbaglio io l'interpretazione?
Grazie!
Ultima modifica di
claudiocedrone il 6 giu 2018, 0:48, modificato 1 volta in totale.
Motivazione: corretto lapsus
Motivazione: corretto lapsus
0
voti
Sicuro del verso del transistor ?... Ricontrolla.
"Non farei mai parte di un club che accettasse la mia iscrizione" (G. Marx)
-

claudiocedrone
21,3k 4 7 9 - Master EY

- Messaggi: 15302
- Iscritto il: 18 gen 2012, 13:36
0
voti

"Non farei mai parte di un club che accettasse la mia iscrizione" (G. Marx)
-

claudiocedrone
21,3k 4 7 9 - Master EY

- Messaggi: 15302
- Iscritto il: 18 gen 2012, 13:36
0
voti
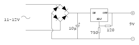
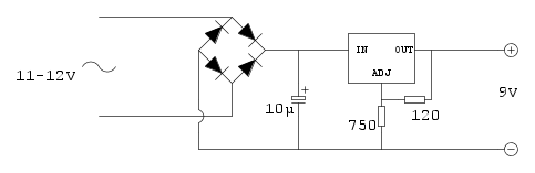
Questo è lo schema più semplice realizzabile con un regolatore lineare tipo LM:
Di solito le NiMH (vedi primo link) a piena carica raggiungono 1,5V, quindi ho impostato 9V di uscita...ma per evitare surriscaldamenti forse meglio impostare 8,V circa in uscita (1,35V/cella) quindi R2=650
Di solito le NiMH (vedi primo link) a piena carica raggiungono 1,5V, quindi ho impostato 9V di uscita...ma per evitare surriscaldamenti forse meglio impostare 8,V circa in uscita (1,35V/cella) quindi R2=650
0
voti
si errore mio questo è il circuito esatto
avevo ruotato ildiodo transistor per non far accavallare le linee... forse non dovevo farlo 
avevo ruotato il

Ultima modifica di
claudiocedrone il 6 giu 2018, 22:21, modificato 1 volta in totale.
Motivazione: I diodi transistor non esistono; si può collegare un transistor "a diodo" ma non è questo il caso...
Motivazione: I diodi transistor non esistono; si può collegare un transistor "a diodo" ma non è questo il caso...
0
voti
Perfetto quindi al posto del circuito bruciato posso crearne uno nuovo per caricare le batterie?
Posso mettere un led (con relativa resistenza) in un ramo parallelo al condensatore?
Quando le batterie hanno raggiungo la loro carica massima ma l'alimentazione rimane comunque collegata, la potenza viene dissipato dal regolare?
Posso mettere un led (con relativa resistenza) in un ramo parallelo al condensatore?
Quando le batterie hanno raggiungo la loro carica massima ma l'alimentazione rimane comunque collegata, la potenza viene dissipato dal regolare?
Ultima modifica di
claudiocedrone il 6 giu 2018, 22:25, modificato 1 volta in totale.
Motivazione: Eliminata inutile citazione integrale; si prega di leggere e rispettare le regole del forum, grazie.
Motivazione: Eliminata inutile citazione integrale; si prega di leggere e rispettare le regole del forum, grazie.
0
voti
Un LED in parallelo al condensatore segnalerebbe solo la presenza di alimentazione.
Hai letto il 1o articolo? Quando le NiMH raggiungono la carica al 100% la curva di carica diventa orizzontale, e la potenza in ingresso viene smaltita in calore NELLE BATTERIE.
Per questo è importante essere precisi con la tensione finale di carica: se troppo alta surriscaldi le batterie, se troppo bassa non le carichi totalmente.
Il regolatore dissiperà, se tutto è dimensionato correttamente, solo DURANTE la carica; il QUANTO dipende dall'alimentatore e da quanto si "siede".
Inizierei con 8V (R2=650), ma probabilmente dovrai poi salire leggermente se ti serve massimizzare la durata di aspirazione, ma aumentando la tensione sopra gli 8V dovrai verificare con alimentazione collegata dopo qualche ora che le batterie non siano calde in maniera percepibile
Hai letto il 1o articolo? Quando le NiMH raggiungono la carica al 100% la curva di carica diventa orizzontale, e la potenza in ingresso viene smaltita in calore NELLE BATTERIE.
Per questo è importante essere precisi con la tensione finale di carica: se troppo alta surriscaldi le batterie, se troppo bassa non le carichi totalmente.
Il regolatore dissiperà, se tutto è dimensionato correttamente, solo DURANTE la carica; il QUANTO dipende dall'alimentatore e da quanto si "siede".
Inizierei con 8V (R2=650), ma probabilmente dovrai poi salire leggermente se ti serve massimizzare la durata di aspirazione, ma aumentando la tensione sopra gli 8V dovrai verificare con alimentazione collegata dopo qualche ora che le batterie non siano calde in maniera percepibile
0
voti
Esatto l'obiettivo del led è quello che indicare lo stato di alimentazione.
per quanto riguarda l'articolo l'ho letto ma a quanto pare non tanto cosi bene perché mi ero perso che la potenza viene dissipata sulle batterie.
comunque perfetto grazie mille!
per quanto riguarda l'articolo l'ho letto ma a quanto pare non tanto cosi bene perché mi ero perso che la potenza viene dissipata sulle batterie.
comunque perfetto grazie mille!
Ultima modifica di
claudiocedrone il 6 giu 2018, 22:27, modificato 1 volta in totale.
Motivazione: Come sopra...
Motivazione: Come sopra...
12 messaggi
• Pagina 1 di 2 • 1, 2
Chi c’è in linea
Visitano il forum: Nessuno e 32 ospiti

Elettrotecnica e non solo (admin)
Un gatto tra gli elettroni (IsidoroKZ)
Esperienza e simulazioni (g.schgor)
Moleskine di un idraulico (RenzoDF)
Il Blog di ElectroYou (webmaster)
Idee microcontrollate (TardoFreak)
PICcoli grandi PICMicro (Paolino)
Il blog elettrico di carloc (carloc)
DirtEYblooog (dirtydeeds)
Di tutto... un po' (jordan20)
AK47 (lillo)
Esperienze elettroniche (marco438)
Telecomunicazioni musicali (clavicordo)
Automazione ed Elettronica (gustavo)
Direttive per la sicurezza (ErnestoCappelletti)
EYnfo dall'Alaska (mir)
Apriamo il quadro! (attilio)
H7-25 (asdf)
Passione Elettrica (massimob)
Elettroni a spasso (guidob)
Bloguerra (guerra)




