Buongiorno,
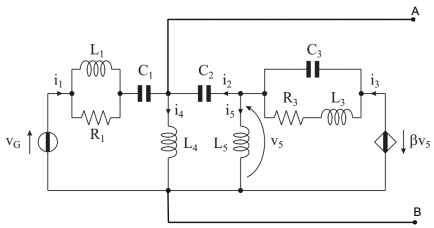
data la seguente rete in regime sinusoidale
viene richiesto di calcolare: le correnti Ik con k=1,...,5; le potenze attive e reattive uscenti dai 2 generatori; i parametri del circuito equivalente simbolico di Thevenin alla porta AB.
I dati a disposizione sono i seguenti:
Dopo aver calcolato tutte le varie impedenze Z del circuito e il fasore della grandezza impressa VG, ho provato a risolvere il circuito con il metodo delle correnti di anello, ma il risultato che trovo non mi convince in quanto una delle 3 correnti di anello risulta nulla.
Io ho individuato 3 maglie e quindi ho provato a calcolare 3 correnti di anello, ma mi sorgono dubbi, sulla maglia centrale, quella costituita dalle due induttanze L4 e L5 e dal condensatore C2.
Qualcuno può aiutarmi?
Vi ringrazio.
Alessandro
Esercizio elettrotecnica - Generatore pilotato
Moderatori:
g.schgor,
IsidoroKZ
5 messaggi
• Pagina 1 di 1
0
voti
Ultima modifica di
Ianero il 11 giu 2018, 18:06, modificato 1 volta in totale.
Motivazione: Titolo in minuscolo
Motivazione: Titolo in minuscolo
-

AlessandroBelluno
5 2 - Messaggi: 21
- Iscritto il: 26 gen 2013, 13:44
5
voti
Se non posti il circuito semplificato e i tuoi calcoli, di certo sarà difficile trovare qualcuno che ti aiuti a capire se sbagli o meno.
Io, in questo caso, "per vincere facile", userei Ahmes
(andando, per esempio, a ipotizzare una "conveniente" v5=j10).
Io, in questo caso, "per vincere facile", userei Ahmes
"Il circuito ha sempre ragione" (Luigi Malesani)
0
voti
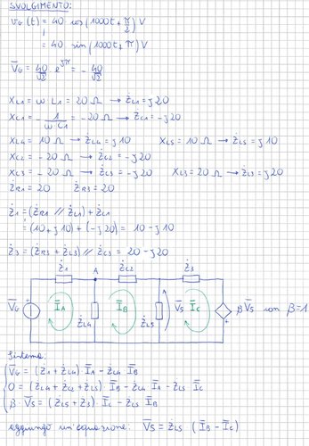
Ecco qui il circuito e il sistema di 3 equazioni (+ una quarta equazione):
Sto procedendo in maniera corretta?
Onestamente mi vengono forti dubbi...
Sto procedendo in maniera corretta?
Onestamente mi vengono forti dubbi...
-

AlessandroBelluno
5 2 - Messaggi: 21
- Iscritto il: 26 gen 2013, 13:44
2
voti
A una prima (veloce) occhiata, le tue equazioni sembrano corrette; per semplificare i calcoli avrei però usato fasori a valore massimo e a base cosinusoidale.
Se posti i risultati per le tre correnti di anello, faccio un controllo.
Io, come ti dicevo, non avrei usato quel metodo inutilmente laborioso, ma avrei risolto via falsa posizione.
BTW Posso sapere dove e cosa stai studiando?
Io, come ti dicevo, non avrei usato quel metodo inutilmente laborioso, ma avrei risolto via falsa posizione.
BTW Posso sapere dove e cosa stai studiando?
"Il circuito ha sempre ragione" (Luigi Malesani)
0
voti
Sto preparando l'esame di Stato all'Università di Padova, ma era una vita che non facevo più esercizi di elettrotecnica ed effettivamente fatico non poco a risolverne alcuni.
Più tardi provo a risolvere il circuito e inserisco i risultati che ottengo.
Grazie mille.
Più tardi provo a risolvere il circuito e inserisco i risultati che ottengo.
Grazie mille.
-

AlessandroBelluno
5 2 - Messaggi: 21
- Iscritto il: 26 gen 2013, 13:44
5 messaggi
• Pagina 1 di 1
Torna a Elettrotecnica generale
Chi c’è in linea
Visitano il forum: Nessuno e 84 ospiti

Elettrotecnica e non solo (admin)
Un gatto tra gli elettroni (IsidoroKZ)
Esperienza e simulazioni (g.schgor)
Moleskine di un idraulico (RenzoDF)
Il Blog di ElectroYou (webmaster)
Idee microcontrollate (TardoFreak)
PICcoli grandi PICMicro (Paolino)
Il blog elettrico di carloc (carloc)
DirtEYblooog (dirtydeeds)
Di tutto... un po' (jordan20)
AK47 (lillo)
Esperienze elettroniche (marco438)
Telecomunicazioni musicali (clavicordo)
Automazione ed Elettronica (gustavo)
Direttive per la sicurezza (ErnestoCappelletti)
EYnfo dall'Alaska (mir)
Apriamo il quadro! (attilio)
H7-25 (asdf)
Passione Elettrica (massimob)
Elettroni a spasso (guidob)
Bloguerra (guerra)
