Vorrei farvi una domanda relativa a un dubbbio che mi assale da parecchio tempo : ho visto amplificatori che amplificano segnali di ingresso che sono molto maggiori dei classici 5-10 mV necessari a far lavorare il BJT in zona lineare (dal libro Jeager mi pare di ricordare che tale soglia di tensione in ingresso affinchè un BJT possa coinsiderarsi lavorar eper piccolo segnale è pari a 5 mV , ed è un valore per l'ingresso davvero piccolo!) , quindi le equazioni di ebbers moll linearizzate secondo il procedimento del libro prevedono un segnale di ingresso di massimo 5 mV per poter usare un transistor per amplificare con distorsione trascurabile davvero, già se in ingresso pongo 150mV avrò distorsione, ora nel caso degli operazionali ho visto che questi vengono usati anche per amplificare tensioni di 5Vpp, non potrei mai amplificare una tale tensione con il BJT regolato dalle equazioni di ebbers moll linearizzate dato che sarei di molto al di fuori di 5mV, ma gli ingressi degli oeprazionali sono BJT e variazioni di 5Vpp farebbero lavorare il transistor la cvui base è connessa all'ingresso, in condizione di non piccolo segnale e quindi la distrosione sarebbe enorme e allora come fa un operazionale ad amplificare segnali di 5Vpp? sui libri di elettronica non vi è alcuna ccenno a queste domande che mi pongo e ritengo che sia assurdo, addirittura quando si studiano le classi degli amplificatori di potenza in esampi piu' specialistici non si fa alcun riferimento a come diavolo fa un finale di potenza che ha un BJT di potenza che è ancora regolato dalle equazioni di ebbers moll, anche se supporta correnti e tensioni piu' ampie, ad amplificare un segnale di inghresso che è molto piu ampio di quello di piccolo segnale e senza distorsione!? dove posso trovare materiale on line o su libri inerenti a tale questione? avete qualche circuito da simulare in ltspice in cui posso finalmente vedere una bella sinusoide in ingresso di ben 5V pp amplificata senza distorsione da un circuito che non usi operazionali? e come fa l'operazionale stesso ad accettare 5Vpp in ingresso se il BJT del suo amplificatore differenziale di ingresso inizia a distorcere gia per valori che vanno oltre 5mV
Mi pare di aver intuito che tutto cio' è possibile con la reazione negativa, è così? quindi gli operazionali per poter accettare 5Vpp in ingresso devono per forza avere reazioni negative interne altrimenti non potrebbero avere un guadagno A enorme!
Dilemma su segnali di ingresso superiori al piccolo segnale
Moderatori:
carloc,
g.schgor,
BrunoValente,
IsidoroKZ
12 messaggi
• Pagina 1 di 2 • 1, 2
1
voti
Le tue considerazione sono sostanzialmente corrette.
Sono problemi complessi, dallo smartphone faccio fatica a scrivere.
Devi definire il livello da distorsione accettabile.
Se il segnale di uscita ha ampiezza ridotta rispetto le tensioni di alimentazione, la distorsione é bassa, ma anche il rendimento energetico e basso.
Sono problemi complessi, dallo smartphone faccio fatica a scrivere.
Devi definire il livello da distorsione accettabile.
Se il segnale di uscita ha ampiezza ridotta rispetto le tensioni di alimentazione, la distorsione é bassa, ma anche il rendimento energetico e basso.
7
voti
Bella osservazione!
Sullo Jaeger e` detto qual e` il massimo segnale possibile all'ingresso di un amplificatore per non avere troppa distorsione. Il limite di 5mV che citi e` quello della vbe, non il segnale di ingresso.
Se prendi ad esempio un BJT con resistenza sull'emettitore, vedi che la tensione di ingresso vin non e` uguale a vbe, in quanto c'e` anche la tensione su RE
La tensione su RE e` calcolata con il guadagno di un common collector, e vale circa
e quindi, per differenza la tensione vbe vale
e da qui si vede che la tensione vbe e` minore della tensione di ingresso di un fattore 1+gm RE. Se guardi sullo Jaeger, mi pare che questa parte sia trattata.
La resistenza di emettitore del transistor e` una retroazione negativa ed e` proprio la retroazione negativa che permette di avere la vbe molto piu` piccola della tensione di ingresso.
In un operazionale e` anche la retroazione che permette di trattare tensioni di ingresso elevate, ma e` una retroazione esterna, non interna. Di retroazione interna ce n'e` pochissima, perche' si vuole tenere elevato il guadagno in continua.
In allegato il sorgente di ltspice di un amplificatore che amplifica di un fattore -10 un segnale sinusoidale di ingresso con ampiezza di picco di 5V. Guarda la variazione della tensione vbe!
NON aprire il file con estensione .pdf, prima rinominalo con estensione .asc . Ho cambiato l'estensione perche' i file .asc non possono essere allegati.
Sullo Jaeger e` detto qual e` il massimo segnale possibile all'ingresso di un amplificatore per non avere troppa distorsione. Il limite di 5mV che citi e` quello della vbe, non il segnale di ingresso.
Se prendi ad esempio un BJT con resistenza sull'emettitore, vedi che la tensione di ingresso vin non e` uguale a vbe, in quanto c'e` anche la tensione su RE
La tensione su RE e` calcolata con il guadagno di un common collector, e vale circa
e quindi, per differenza la tensione vbe vale
e da qui si vede che la tensione vbe e` minore della tensione di ingresso di un fattore 1+gm RE. Se guardi sullo Jaeger, mi pare che questa parte sia trattata.La resistenza di emettitore del transistor e` una retroazione negativa ed e` proprio la retroazione negativa che permette di avere la vbe molto piu` piccola della tensione di ingresso.
In un operazionale e` anche la retroazione che permette di trattare tensioni di ingresso elevate, ma e` una retroazione esterna, non interna. Di retroazione interna ce n'e` pochissima, perche' si vuole tenere elevato il guadagno in continua.
In allegato il sorgente di ltspice di un amplificatore che amplifica di un fattore -10 un segnale sinusoidale di ingresso con ampiezza di picco di 5V. Guarda la variazione della tensione vbe!
NON aprire il file con estensione .pdf, prima rinominalo con estensione .asc . Ho cambiato l'estensione perche' i file .asc non possono essere allegati.
- Allegati
-
Ampli5V.pdf- (772 Byte) Scaricato 176 volte
Per usare proficuamente un simulatore, bisogna sapere molta più elettronica di lui
Plug it in - it works better!
Il 555 sta all'elettronica come Arduino all'informatica! (entrambi loro malgrado)
Se volete risposte rispondete a tutte le mie domande
Plug it in - it works better!
Il 555 sta all'elettronica come Arduino all'informatica! (entrambi loro malgrado)
Se volete risposte rispondete a tutte le mie domande
0
voti
Grazie Isidoro la tua risposta mi è stata di grandissimo aiuto
, quindi gli amplificatori di potenza hanno quella resistenza di emettitore o altra controreaziione che fa si che il transistor possa amplificare tranquillamente segnali provenienti dall'uscita del preamplificatore che superano il volt, l'avevo comunque letto nella teoria generale della controreazione negativa che la caratteristica di trasferimento dell'amplificatore varia la sua pendenza, rispetto all'assenza di reazione, e quindi l'amplificataore resta in linearità per un segnale in ingresso ben piu' ampio, è molto facile dimostrarlo nella teoria generale dei sistemi reazionati, questa cosa è uno dei tanti benefici apportati dalla controreazione! suppongo cche nell'operazionale devva esserci un po' di reazione sui due transistor del differenziale di ingresso le cui basi sono l'ingresso invertente e non invertente, altrimenti non potrebbero lavorare rin linearità con le escursioni molto ampie dei segnali di ingresso accettate dall'operazionale, ad esempio nel caso dell'operazionale in configurazione non invertente il segnale sul'ingresso onn invertente puo' variare anche di 2 3 V e quindi e se questo ingresos è pure la base del transistor del differenziale di ingresso allora qui ci deve essere una reazione che rende piccola l'escursione di tensione tra la base e l'emettitore, dovrebbe essere così, comunque ti volevo fare un'altra domanda sperando di non abusare della tua pazienza; nell'amplificatore che mi hai mandato in pratica la tensione sulla vbe è molto piccola e quindi il BJT è ben controllato e l'uscita almeno ad occhio è una bella sinusoide quasi ideale con distorsione da non linearità trascurabile, durante lo studio degli LNA (low noise amplifier)mi sono imbattuto nella definizione dei un importante perametro per informarci sulla bontà di ogni LNA in termini di quantità di distorsione sull'uscita, ossia lIP3 e fin qui tutto ok ma non capisco e non viene spiegato, cosa è che effettivamente genera piu' o meno distorsione negli amplificatori in modo da avere un valore di IP3 diverso a seconda dell'amplificatore, se la distorsione fosse determinata solo dalla non linearità del dispositivo attivo (transistor) non si dovrebbe avere distorsione dato che con la reazione faccio lavorare esos in regione pienamente lineare e quindi nessun amplificatore presenterebbe distorsione, cosa è che genera distorsione di non linearità e quindi di intermodulazione negli amplificatori in modo tale che ognuno di essi abbia determinate performance in termini di IP3 ? cosa ha un amplificatore di meglio rispetto a un altro, tale da fargli avere un IP3 migliore?
, quindi gli amplificatori di potenza hanno quella resistenza di emettitore o altra controreaziione che fa si che il transistor possa amplificare tranquillamente segnali provenienti dall'uscita del preamplificatore che superano il volt, l'avevo comunque letto nella teoria generale della controreazione negativa che la caratteristica di trasferimento dell'amplificatore varia la sua pendenza, rispetto all'assenza di reazione, e quindi l'amplificataore resta in linearità per un segnale in ingresso ben piu' ampio, è molto facile dimostrarlo nella teoria generale dei sistemi reazionati, questa cosa è uno dei tanti benefici apportati dalla controreazione! suppongo cche nell'operazionale devva esserci un po' di reazione sui due transistor del differenziale di ingresso le cui basi sono l'ingresso invertente e non invertente, altrimenti non potrebbero lavorare rin linearità con le escursioni molto ampie dei segnali di ingresso accettate dall'operazionale, ad esempio nel caso dell'operazionale in configurazione non invertente il segnale sul'ingresso onn invertente puo' variare anche di 2 3 V e quindi e se questo ingresos è pure la base del transistor del differenziale di ingresso allora qui ci deve essere una reazione che rende piccola l'escursione di tensione tra la base e l'emettitore, dovrebbe essere così, comunque ti volevo fare un'altra domanda sperando di non abusare della tua pazienza; nell'amplificatore che mi hai mandato in pratica la tensione sulla vbe è molto piccola e quindi il BJT è ben controllato e l'uscita almeno ad occhio è una bella sinusoide quasi ideale con distorsione da non linearità trascurabile, durante lo studio degli LNA (low noise amplifier)mi sono imbattuto nella definizione dei un importante perametro per informarci sulla bontà di ogni LNA in termini di quantità di distorsione sull'uscita, ossia lIP3 e fin qui tutto ok ma non capisco e non viene spiegato, cosa è che effettivamente genera piu' o meno distorsione negli amplificatori in modo da avere un valore di IP3 diverso a seconda dell'amplificatore, se la distorsione fosse determinata solo dalla non linearità del dispositivo attivo (transistor) non si dovrebbe avere distorsione dato che con la reazione faccio lavorare esos in regione pienamente lineare e quindi nessun amplificatore presenterebbe distorsione, cosa è che genera distorsione di non linearità e quindi di intermodulazione negli amplificatori in modo tale che ognuno di essi abbia determinate performance in termini di IP3 ? cosa ha un amplificatore di meglio rispetto a un altro, tale da fargli avere un IP3 migliore?0
voti
Nel frattempo che ti risponda Isidoro...
La sagoma della funzione
.
cosa è che genera distorsione di non linearità e quindi di intermodulazione negli amplificatori in modo tale che ognuno di essi abbia determinate performance in termini di IP3 ? cosa ha un amplificatore di meglio rispetto a un altro, tale da fargli avere un IP3 migliore?
La sagoma della funzione
.1
voti
Ovviamente grazie anche a MarcoD per la risposta ma in particolare ad Isidoro e a tutti, comunque quindi diversi amplificatori hanno sagome G differenti e questo genera ip3,mi pare di aver letto on line che la sagoma di G la si deve in gran parte all'elemento attivo, la sagoma non è mai perfettamente lineare nemmeno con la controreazione e questo genera distorsione di non linearità
2
voti
Il termine sagoma non mi suona bene.sagome G differenti
Penso sia meglio chiamarla caratteristica o funzione.
Una funzione può venire approssimata come uno sviluppo in serie di una polinomiale
come segue: Vu = Go*Vi + D1*Vì^2 + D2*V^3 + ...) = Go*( Vi + (D1/G0)*Vì^2 + (D2/G0)*V^3 + ...)
Se la funzione è lineare il rapporto uscita/ingresso è costante e si chiama guadagno ( G0 ).
I termini non lineari (D1/G0).. caratterizzano la distorsione.
spero di aver scritto correttamente

2
voti
marco77na ha scritto:...suppongo cche nell'operazionale devva esserci un po' di reazione sui due transistor del differenziale di ingresso le cui basi sono l'ingresso invertente e non invertente, altrimenti non potrebbero lavorare rin linearità con le escursioni molto ampie dei segnali di ingresso accettate dall'operazionale, ad esempio nel caso dell'operazionale in configurazione non invertente il segnale sul'ingresso onn invertente puo' variare anche di 2 3 V e quindi e se questo ingresos è pure la base del transistor del differenziale di ingresso allora qui ci deve essere una reazione che rende piccola l'escursione di tensione tra la base e l'emettitore, dovrebbe essere così...
No non è così:
gli emettitori dei due transistor del differenziale di ingresso degli operazionali sono quasi sempre collegati tra loro senza alcuna resistenza, quindi non c'è alcuna controreazione locale nello stadio tipo quella nell'esempio fatto da
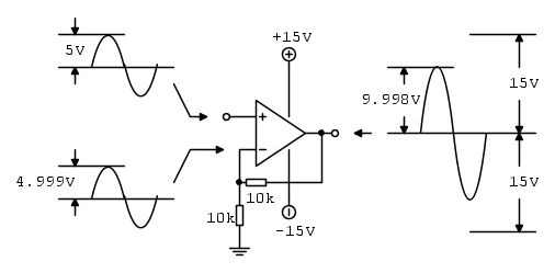
Quando un operazionale è utilizzato per amplificare ampi segnali applicati al suo ingresso non invertente e si vuole che non distorca, sicuramente è utilizzata anche una rete resistiva di controreazione tra l'uscita e l'ingresso invertente, questo per ridurre l'enorme guadagno che si avrebbe ad anello aperto a valori sufficientemente bassi da garantire che la tensione di segnale in uscita resti confinata all'interno del campo dinamico consentito dall'operazionale che in genere va da circa 1-2V sopra il rail negativo a 1-2V sotto quello positivo di alimentazione, il valore varia a seconda del tipo di operazionale.
Per fare un esempio immaginiamo di avere un operazionale avente un guadagno ad anello aperto pari a 10000, il segnale da applicare all'ingresso non invertente è una sinusoide ampia 5V di picco, quindi 10V da picco a picco, l'operazionale è alimentato da +15V e -15V, cioè 30V complessivi, se il guadagno ad anello chiuso fosse pari a 3 sarebbe già eccessivo perché l'ampiezza della sinusoide in uscita raggiungerebbe i valori di tensione di alimentazione, probabilmente non riuscirebbe ad arrivarci e risulterebbe leggermente schiacciata sopra e sotto.
Un guadagno di 2 invece è adeguato perché entrambi i picchi della sinusoide di uscita distano 5V dalle due alimentazione e i valori dei resistori indicati in figura conferiscono appunto un guadagno pari a 2.
L'operazionale in quelle condizioni, con un segnale ampio 5V all'ingresso non invertente non distorce affatto nonostante alla base del transistor interno che fa capo a quell'ingresso vi sia applicato un segnale ben più ampio dei limiti oltre i quali si dovrebbe avere distorsione.
Detto questo, la cosa fondamentale da capire è la seguente:
non distorce perché la rete di controreazione riporta all'ingresso invertente una porzione del segnale di uscita ampio 4.999V, cioè soltanto 1mV più piccolo rispetto a quello applicato all'ingresso non invertente.
Il segnale di ingresso con cui lavora l'operazionale non è quello ampio 5V applicato all'ingresso non invertente, bensì è quello piccolo di 1mV che risulta dalla differenza dei due segnali ai due ingressi e che è sufficientemente piccolo da non produrre distorsione.
L'operazionale non sa che all'ingresso non invertente c'è un segnale ampio, lui vede solo la differenza tra i segnali applicati ai due ingressi e dà in uscita un segale pari al prodotto di quella differenza per il suo guadagno ad anello aperto, infatti in questo caso, a parte qualche piccola approssimazione, in uscita dà un segnale ampio 10V che è pari al prodotto del guadagno di 10000 per la differenza delle ampiezze dei segnali di ingresso di 1mV.
Riassumendo: la tensione di segnale che vedono le giunzioni BE dei transistor del differenziale di ingresso, che è quella che deve essere piccola per non superare i limiti di linearità, è in realtà data dalla differenza dei due segnali applicati ai due ingressi e se i due segnali sono quasi uguali e in fase, come accade in presenza di controreazione esterna all'operazionale, allora quella differenza è piccola nonostante i due segnali siano ampi.
-

BrunoValente
39,6k 7 11 13 - G.Master EY

- Messaggi: 7796
- Iscritto il: 8 mag 2007, 14:48
1
voti
MarcoD ha scritto:Il termine sagoma non mi suona bene.
Penso sia meglio chiamarla caratteristica o funzione.
Con sagoma intendevo come è fatta la funzione
.Avrò scelto il termine con leggerezza :)
1
voti
BrunoValente ha scritto:L'operazionale non sa che all'ingresso non invertente c'è un segnale ampio, lui vede solo la differenza
Scendendo più in dettaglio, la reiezione del modo comune non è perfetta e dunque una certa distorsione potrebbe esserci, giusto?
12 messaggi
• Pagina 1 di 2 • 1, 2
Chi c’è in linea
Visitano il forum: Google Adsense [Bot] e 54 ospiti

Elettrotecnica e non solo (admin)
Un gatto tra gli elettroni (IsidoroKZ)
Esperienza e simulazioni (g.schgor)
Moleskine di un idraulico (RenzoDF)
Il Blog di ElectroYou (webmaster)
Idee microcontrollate (TardoFreak)
PICcoli grandi PICMicro (Paolino)
Il blog elettrico di carloc (carloc)
DirtEYblooog (dirtydeeds)
Di tutto... un po' (jordan20)
AK47 (lillo)
Esperienze elettroniche (marco438)
Telecomunicazioni musicali (clavicordo)
Automazione ed Elettronica (gustavo)
Direttive per la sicurezza (ErnestoCappelletti)
EYnfo dall'Alaska (mir)
Apriamo il quadro! (attilio)
H7-25 (asdf)
Passione Elettrica (massimob)
Elettroni a spasso (guidob)
Bloguerra (guerra)








