L'uso di un termistore è da intendersi come sensore, non conosco il tipo usato ma mi pare difficile che lo diano per lavorare a 160mA, oltretutto la potenza dissipata andrebbe a falsare decisamente la temperatura letta.
saluti.
Proteggere circuito con ventola tachimetrica e Arduino
0
voti
Si in effetti tutto sarebbe influenzato dalle 2 differenti temperature e dal flusso di aria.
Invece mi ha incuriosito il consiglio di Walter di adoperare un sensore "flusso aria" (se la ventola smette di funzionare si stacca l'alimentazione del circuito).
Dove trovo questo sensore?
Invece mi ha incuriosito il consiglio di Walter di adoperare un sensore "flusso aria" (se la ventola smette di funzionare si stacca l'alimentazione del circuito).
Dove trovo questo sensore?
0
voti
mouse72 ha scritto:Si in effetti tutto sarebbe influenzato dalle 2 differenti temperature e dal flusso di aria.
.......
--Questo dipende da dove posizioni l'NTC o qualsiasi altro sensore.
I dati di quello che ho usato io in foto DSC18D 13 , sono 240 V e 2,8 A. come da questa tabella :http://www.datasheetspdf.com/pdf/1090592/DSCELECTRONICS/DSC-18D-13/1
E' invece interessante il rilevatore di flusso, prova a cercare in rete!!!!

Alex
https://www.facebook.com/Elettronicaeelettrotecnica
<< vedi di pigliare arditamente in mano, il dizionario che ti suona in bocca,
se non altro è schietto e paesano.
(Giuseppe Giusti) <<
https://www.facebook.com/Elettronicaeelettrotecnica
<< vedi di pigliare arditamente in mano, il dizionario che ti suona in bocca,
se non altro è schietto e paesano.
(Giuseppe Giusti) <<
0
voti
io ho usato il BMP180, costa una stupidata, non misura il flusso ma bensì la pressione atmosferica, essendo estremamente sensibile credo che posizionato davanti al flusso non abbia problemi a misurarne una quantità, visto che non serve la precisione.
Sennò tanto vale la misura diretta di temperatura,se manca aria la temperatura aumenta oltre una soglia....
saluti
Sennò tanto vale la misura diretta di temperatura,se manca aria la temperatura aumenta oltre una soglia....
saluti
-

lelerelele
4.899 3 7 9 - Master

- Messaggi: 5505
- Iscritto il: 8 giu 2011, 8:57
- Località: Reggio Emilia
0
voti
Anche il sensore di pressione non è male, da testare.
io invece credevo che avendo una ventola tachimetrica dotata di 3 fili (2 di alimentazione e uno del sensore Hall), fosse piu semplice ed economica da realizzare trattandosi di un sensore posto gia all'interno del motorino e che segna ad ogni giro completo un impulso.
Io questo impulso volevo portarlo in un ingresso di Arduino per trasmettere appunto il numero di giri e, nel momento in cui il numero di giri di normale funzionamento (circa 2500 giti/minuto) scende sotto una soglia (ad esempio 1000 giri/minuto), Arduino in uscita doveva far attivare un circuito pilota esterno (magari comandato da BC237 e relè) per interrompere la corrente al circuito di potenza.
Diciamo che oltre ad essere un modo per proteggere il mio circuito, è anche un discorso di "cultura", nel senso che mi è venuto in mente questo sistema di protezione e vorrei metterlo in pratica per prossime eventuali esigenze sperimentali.
L'unica cosa con cui non ho dimestichezza è la programmazione (sketch).
io invece credevo che avendo una ventola tachimetrica dotata di 3 fili (2 di alimentazione e uno del sensore Hall), fosse piu semplice ed economica da realizzare trattandosi di un sensore posto gia all'interno del motorino e che segna ad ogni giro completo un impulso.
Io questo impulso volevo portarlo in un ingresso di Arduino per trasmettere appunto il numero di giri e, nel momento in cui il numero di giri di normale funzionamento (circa 2500 giti/minuto) scende sotto una soglia (ad esempio 1000 giri/minuto), Arduino in uscita doveva far attivare un circuito pilota esterno (magari comandato da BC237 e relè) per interrompere la corrente al circuito di potenza.
Diciamo che oltre ad essere un modo per proteggere il mio circuito, è anche un discorso di "cultura", nel senso che mi è venuto in mente questo sistema di protezione e vorrei metterlo in pratica per prossime eventuali esigenze sperimentali.
L'unica cosa con cui non ho dimestichezza è la programmazione (sketch).
0
voti
potresti usare questa uscita per caricare un condensatore elettrolitico od anche senza e controllare il transistor che alimenta la ventolain modo che fino a che esce una tensione, viene controllato e quando manca questa tensione perché non gira, il transistor non conduce e toglie la tensione che e dove vuoi.
Senza dove usare Arduino e family per far girare una ventola.

Senza dove usare Arduino e family per far girare una ventola.

Alex
https://www.facebook.com/Elettronicaeelettrotecnica
<< vedi di pigliare arditamente in mano, il dizionario che ti suona in bocca,
se non altro è schietto e paesano.
(Giuseppe Giusti) <<
https://www.facebook.com/Elettronicaeelettrotecnica
<< vedi di pigliare arditamente in mano, il dizionario che ti suona in bocca,
se non altro è schietto e paesano.
(Giuseppe Giusti) <<
0
voti
potresti usare questa uscita per caricare un condensatore elettrolitico
Di quale uscita parli? Del 3° filo (sensore Hall) o dell'uscita di Arduino? Non ho capito...
Mi incuriosisce la tua idea, spiegami un po meglio

0
voti
Il terzo filo, è un'uscita incrementata dai giri della ventola.
Quindi esce una tensione positiva riferita a massa.
NOn devi fare altro che controllare il transistor che fa girare la ventola.
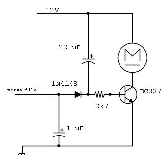
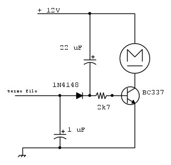
Prova questo circuito
Come lo intendo :
al momento dell'accensione il condensatore elettrolitico da 47 uF manda in conduzione il transistor facendo girare la ventola, a questo punto il terzo filo da una tensione che mantiene il transistor in conduzione, il condensatore da 47 uF si scarica .
Il condensatore da 1 uF tiene in memoria per poco tempo la tensione prodotta dalla ventola per livellare un po' la tensione.
Dovrebbe funzionare, senza troppi ritocchi

Quindi esce una tensione positiva riferita a massa.
NOn devi fare altro che controllare il transistor che fa girare la ventola.
Prova questo circuito
Come lo intendo :
al momento dell'accensione il condensatore elettrolitico da 47 uF manda in conduzione il transistor facendo girare la ventola, a questo punto il terzo filo da una tensione che mantiene il transistor in conduzione, il condensatore da 47 uF si scarica .
Il condensatore da 1 uF tiene in memoria per poco tempo la tensione prodotta dalla ventola per livellare un po' la tensione.
Dovrebbe funzionare, senza troppi ritocchi

Alex
https://www.facebook.com/Elettronicaeelettrotecnica
<< vedi di pigliare arditamente in mano, il dizionario che ti suona in bocca,
se non altro è schietto e paesano.
(Giuseppe Giusti) <<
https://www.facebook.com/Elettronicaeelettrotecnica
<< vedi di pigliare arditamente in mano, il dizionario che ti suona in bocca,
se non altro è schietto e paesano.
(Giuseppe Giusti) <<
0
voti
Ottima idea se non fosse per un problema...
Nel momento in cui alimento la scheda, la ventola non parte perché non arriva a condurre il transistor di cui tu parli.. (ventola gia ferma in inizio).
Per funzionare dovrei far partire prima la ventola con una tensione alternativa
quando manca questa tensione perché non gira, il transistor non conduce e toglie la tensione che e dove vuoi.
Nel momento in cui alimento la scheda, la ventola non parte perché non arriva a condurre il transistor di cui tu parli.. (ventola gia ferma in inizio).
Per funzionare dovrei far partire prima la ventola con una tensione alternativa
0
voti
si lo sapevo, ti ho messo lo schema mentre te stavi scrivendo.....pardon 
Alex
https://www.facebook.com/Elettronicaeelettrotecnica
<< vedi di pigliare arditamente in mano, il dizionario che ti suona in bocca,
se non altro è schietto e paesano.
(Giuseppe Giusti) <<
https://www.facebook.com/Elettronicaeelettrotecnica
<< vedi di pigliare arditamente in mano, il dizionario che ti suona in bocca,
se non altro è schietto e paesano.
(Giuseppe Giusti) <<
Chi c’è in linea
Visitano il forum: Google [Bot] e 17 ospiti

Elettrotecnica e non solo (admin)
Un gatto tra gli elettroni (IsidoroKZ)
Esperienza e simulazioni (g.schgor)
Moleskine di un idraulico (RenzoDF)
Il Blog di ElectroYou (webmaster)
Idee microcontrollate (TardoFreak)
PICcoli grandi PICMicro (Paolino)
Il blog elettrico di carloc (carloc)
DirtEYblooog (dirtydeeds)
Di tutto... un po' (jordan20)
AK47 (lillo)
Esperienze elettroniche (marco438)
Telecomunicazioni musicali (clavicordo)
Automazione ed Elettronica (gustavo)
Direttive per la sicurezza (ErnestoCappelletti)
EYnfo dall'Alaska (mir)
Apriamo il quadro! (attilio)
H7-25 (asdf)
Passione Elettrica (massimob)
Elettroni a spasso (guidob)
Bloguerra (guerra)


