Cos'è ElectroYou | Login Iscriviti

ElectroYou - la comunità dei professionisti del mondo elettrico

Dubbio su circuito VU Meter

Circuiti, campi elettromagnetici e teoria delle linee di trasmissione e distribuzione dell’energia elettrica

Moderatori: Foto Utenteg.schgor, Foto UtenteIsidoroKZ

0
voti

[1] Dubbio su circuito VU Meter

Messaggioda Foto Utentepowerline » 28 giu 2018, 15:18

Salve a tutti!

Come primo progetto "serio"(sono un principiante, ho iniziato ad interessarmi di elettronica da relativamente poco) ho intensione di creare un VU Meter su PCB.

Guardando in rete ho notato che il modo più semplice e veloce per convertire un segnale audio in impulsi di luce è utilizzando l'IC LM3915.
In particolare ne dovrei utilizzare due, rispettivamente uno per ogni canale audio.

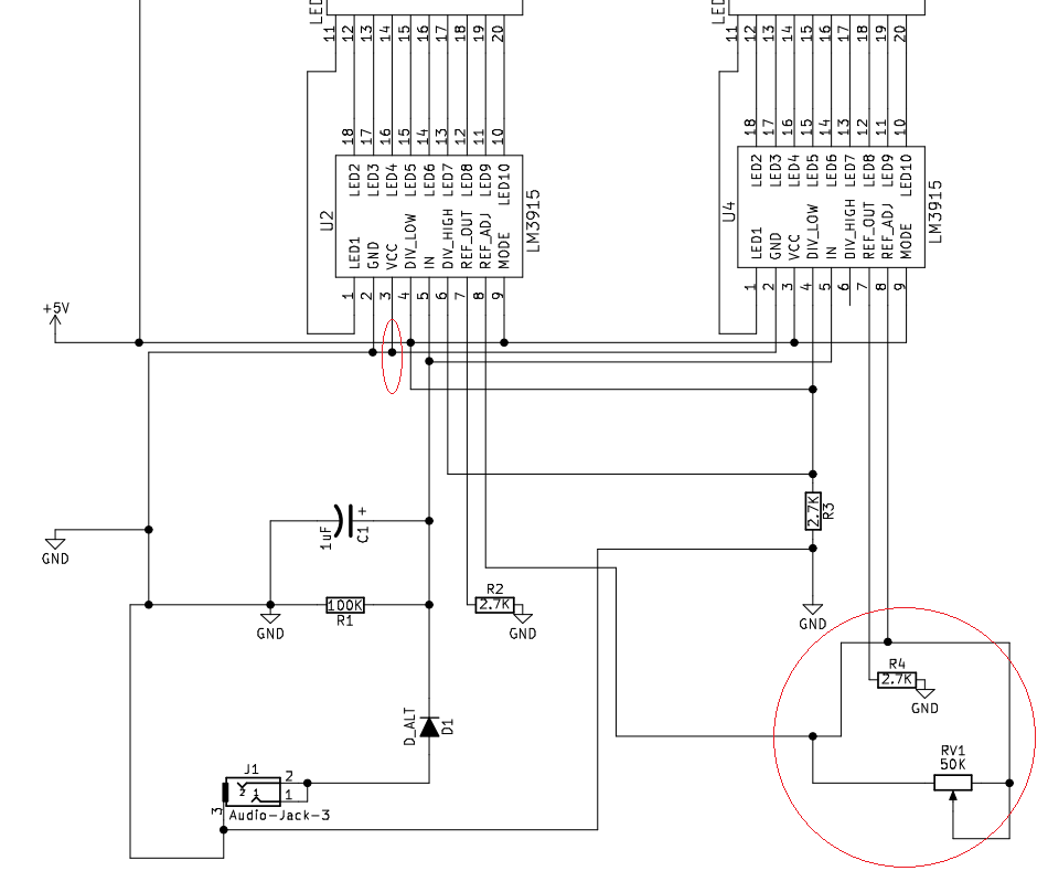
Il dubbio che mi sono posto(e che mi ha spinto a creare questo thread) durante la fase di progettazione dello schema è che non ho chiaro lo scopo del potenziometro e, in particolare, il perché è presente solamente in un canale e non in entrambi.


Di seguito allego l'immagine dello schema di tale circuito, nella speranza che qualcuno possa chiarirmi le idee.

output.pdf
(24.82 KiB) Scaricato 168 volte


P.S. Voglio far notare che i due componenti collegati agli integrati LM3915(al posto) dei LED sono dei semplicissimi LED Bar.

Ringrazio anticipatamente chiunque voglia aiutarmi. ;-)
Avatar utente
Foto Utentepowerline
0 2
 
Messaggi: 6
Iscritto il: 27 giu 2018, 16:39

0
voti

[2] Re: Dubbio su circuito VU Meter

Messaggioda Foto UtenteLancillotto » 28 giu 2018, 15:33

Veramente dallo schema sembra che un collegamento lo metta praticamente in corto, rendendolo inutile.
Schema errato?

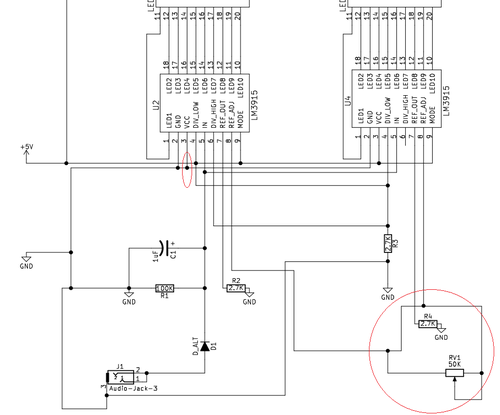
Questo esempio riporta correttamente le connessioni del trimmer:

Immagine
Avatar utente
Foto UtenteLancillotto
986 3 6
Sostenitore
Sostenitore
 
Messaggi: 526
Iscritto il: 13 ott 2017, 14:47
Località: ۞ ₯ ۞

0
voti

[3] Re: Dubbio su circuito VU Meter

Messaggioda Foto Utentesetteali » 28 giu 2018, 17:47

Mi sembra che quello schema che ha postato l'OP sia da rivedere per bene, oltre al collegamento del potenziometro come dice @lancillotto, c'è anche il collegamento del pin 3 assieme al pin 2 enon va [-X
O_/
Allegati
nnnnn.png
Alex
https://www.facebook.com/Elettronicaeelettrotecnica

<< vedi di pigliare arditamente in mano, il dizionario che ti suona in bocca,
se non altro è schietto e paesano.
(Giuseppe Giusti) <<
Avatar utente
Foto Utentesetteali
11,9k 5 5 9
Master
Master
 
Messaggi: 5921
Iscritto il: 15 dic 2013, 21:09

0
voti

[4] Re: Dubbio su circuito VU Meter

Messaggioda Foto Utentepowerline » 28 giu 2018, 18:43

Grazie Foto UtenteLancillotto per la risposta!

In effetti ho cercato altri schemi su internet e tutti mostravano dei collegamenti diversi da quello che avevo trovato io.

Seguendo le tue istruzioni(e anche quelle di altri tutorial sul web) sono riuscito ad aggiornarlo; penso che adesso i problemi di cui parlavi siano stati risolti(mi farebbe piacere averne conferma, visto che sono un novizio del settore).

Inoltre ho trovato una scatola piena di LED di vario colore, quindi ho sostituito i due LED Bar con dei semplici diodi luminosi.

output.pdf
(30.3 KiB) Scaricato 143 volte
Avatar utente
Foto Utentepowerline
0 2
 
Messaggi: 6
Iscritto il: 27 giu 2018, 16:39

0
voti

[5] Re: Dubbio su circuito VU Meter

Messaggioda Foto Utentepowerline » 28 giu 2018, 20:02

Foto Utentesetteali, ho aggiornato lo schema, seguendo un'altra guida, questo dovrebbe essere corretto. :-P
Avatar utente
Foto Utentepowerline
0 2
 
Messaggi: 6
Iscritto il: 27 giu 2018, 16:39

0
voti

[6] Re: Dubbio su circuito VU Meter

Messaggioda Foto Utentepowerline » 30 giu 2018, 10:16

Nessuno che può confermarmi se lo schema va bene o no? :cry:
Avatar utente
Foto Utentepowerline
0 2
 
Messaggi: 6
Iscritto il: 27 giu 2018, 16:39


Torna a Elettrotecnica generale

Chi c’è in linea

Visitano il forum: Nessuno e 13 ospiti