Salve a tutti,
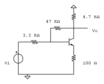
circa il circuito:
non riesco a calcolare alcuni parametri come il rapporto di ritorno T.
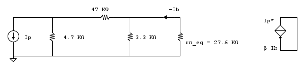
Utilizzando Rosenstark il circuito diventa:
E disegnandolo meglio:
Fin qui è corretto?
Grazie.
Metodo Rosenstark
Moderatori:
carloc,
g.schgor,
BrunoValente,
IsidoroKZ
8 messaggi
• Pagina 1 di 1
2
voti
No, la k di kilo deve essere minuscola!
Per usare proficuamente un simulatore, bisogna sapere molta più elettronica di lui
Plug it in - it works better!
Il 555 sta all'elettronica come Arduino all'informatica! (entrambi loro malgrado)
Se volete risposte rispondete a tutte le mie domande
Plug it in - it works better!
Il 555 sta all'elettronica come Arduino all'informatica! (entrambi loro malgrado)
Se volete risposte rispondete a tutte le mie domande
1
voti
Avevo sbagliato a calcolare il beta che è 250, io invece avevo scritto 200 nei calcoli.
Comunque lo schema è corretto ed i calcoli sono:

tenendo presente che le unità di misura, tutte espresse in
, sono state già semplificate.
Comunque lo schema è corretto ed i calcoli sono:

tenendo presente che le unità di misura, tutte espresse in
, sono state già semplificate.
8 messaggi
• Pagina 1 di 1
Chi c’è in linea
Visitano il forum: Nessuno e 183 ospiti

Elettrotecnica e non solo (admin)
Un gatto tra gli elettroni (IsidoroKZ)
Esperienza e simulazioni (g.schgor)
Moleskine di un idraulico (RenzoDF)
Il Blog di ElectroYou (webmaster)
Idee microcontrollate (TardoFreak)
PICcoli grandi PICMicro (Paolino)
Il blog elettrico di carloc (carloc)
DirtEYblooog (dirtydeeds)
Di tutto... un po' (jordan20)
AK47 (lillo)
Esperienze elettroniche (marco438)
Telecomunicazioni musicali (clavicordo)
Automazione ed Elettronica (gustavo)
Direttive per la sicurezza (ErnestoCappelletti)
EYnfo dall'Alaska (mir)
Apriamo il quadro! (attilio)
H7-25 (asdf)
Passione Elettrica (massimob)
Elettroni a spasso (guidob)
Bloguerra (guerra)







