Buongiorno a tutti, ho un progetto da sottoporvi.
Ho trovato una piccola scheda di amplificazione che monta un TDA2822M, probabilmente usata per amplificare autoparlati per PC o altro.
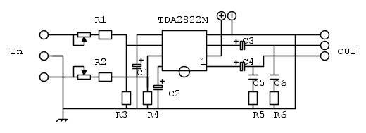
Lo schema è più o meno il seguente:
I valori dei componenti sono noti, l'amplificatore funziona, ma io vorrei fare una modifica.
Vorrei utilizzarlo per amplificare una piccola cassa Subwoofer con un autoparlante da 100W 8 ohm.
Vorrei sapere dagli esperti se è possibile modificare questo amplificatore, magari cambiando qualche componente, per fargli amplificare solo le frequaenze basse ed utilizzarlo allo scopo.
Spero di essermi spiegato bene.
Grazie.
Mini amplificatore SUB con TDA2822M
Moderatore:
IsidoroKZ
39 messaggi
• Pagina 1 di 4 • 1, 2, 3, 4
0
voti
0
voti
Non vorrei rovinarti la festa ma il TDA2822M eroga circa 1 W alimentato a 15 V.
Mi sembra piuttosto esiguo per pilotare un Sub-woofer.
Mi sembra piuttosto esiguo per pilotare un Sub-woofer.
Se quello che funziona basta non lo tocca' sennò te lassa!
0
voti
IlGuru ha scritto:Io ci aggiungerei ..'.....un amplificatore da 100 watt.
Ma non serve! Ha gia un autoParlante

Alex
https://www.facebook.com/Elettronicaeelettrotecnica
<< vedi di pigliare arditamente in mano, il dizionario che ti suona in bocca,
se non altro è schietto e paesano.
(Giuseppe Giusti) <<
https://www.facebook.com/Elettronicaeelettrotecnica
<< vedi di pigliare arditamente in mano, il dizionario che ti suona in bocca,
se non altro è schietto e paesano.
(Giuseppe Giusti) <<
0
voti
OK, ho capito
.
Grazie lo stesso.
Quando scenderete dagli scranni lassu in alto ne riparleremo...
Grazie lo stesso.
Quando scenderete dagli scranni lassu in alto ne riparleremo...
0
voti
sidro007 ha scritto:Quando scenderete...
Forse è meglio che sali tu... di potenza!
TDA2822 è adatto a circuiti con basse tensioni di alimentazione.
Se hai già a disposizione un Sub-woofer da un centinaio di Watt ti consiglio di prendere in considerazione il TDA1562Q che forse è il più potente amplificatore alimentato a 12 V.
Circa una 70 di Watt.
Ti garantisco il risultato, già provato!
Se quello che funziona basta non lo tocca' sennò te lassa!
1
voti
La tua domanda è molto diretta e merita una risposta altrettanto corretta sul piano tecnico.
Per amplificare solo le basse frequenze, la cosa più veloce ed economica che puoi fare è applicare due condensatori uguali, uno in parallelo a R3 e uno un parallelo a R4. Realizzerai così un filtro passa-basso che ti consentirà di ottenere la soluzione desiderata.
I valori di questi condensatori dipendono dai valori delle resistenze del tuo circuito. Se ce li dici, possiamo procedere al calcolo.
Potrai poi provare il tuo circuito e renderti conto da solo dei suoi limiti; in ogni caso riuscirai a far muovere un altoparlante piuttosto piccolino.
Alberto.
0
voti
Concordo con tutte le risposte precenti, per sentire qualcosa con un subwoofer ci vogliono almeno 10-15W.
Con quel circuito però puoi realizzare un ottimo amplificatore per cuffie da alimentare con una pila da 9 volt (occhio al volume)
Con quel circuito però puoi realizzare un ottimo amplificatore per cuffie da alimentare con una pila da 9 volt (occhio al volume)
-

SediciAmpere
4.187 5 5 8 - Master

- Messaggi: 4847
- Iscritto il: 31 ott 2013, 15:00
0
voti
brabus ha scritto:sidro007
Per amplificare solo le basse frequenze, la cosa più veloce ed economica che puoi fare è applicare due condensatori uguali, uno in parallelo a R3 e uno un parallelo a R4. Realizzerai così un filtro passa-basso che ti consentirà di ottenere la soluzione desiderata.
Ti ringrazio per la risposta, era esattamente quello che cercavo.
I valori di R3 e R4 sono 1,5Kohm.
Essendo un amplificatore stereo ma avendo la necessità di pilotare un solo canale posso scegliere di usare solo il desto o il sinistro e mettere il condensatore solo su quel canale?
Per gli altri...
Forse non mi sono spiegato bene, ma porto pazienza...
NON devo costruirmi un subwoofer da 100W!
NON voglio comprarmi un amplificatore!
HO un ampli da 1W recuperato e HO un Woofer (non chiamiamolo in altro modo altrimenti apriti cielo...
Mi serviva sapere se era possibile modificare l'ampli in modo che possa rendere meglio con il woofer.
Solo uno ha capito la domanda, mi sarò spiegato male io...

39 messaggi
• Pagina 1 di 4 • 1, 2, 3, 4
Torna a Elettronica e spettacolo
Chi c’è in linea
Visitano il forum: Nessuno e 15 ospiti

Elettrotecnica e non solo (admin)
Un gatto tra gli elettroni (IsidoroKZ)
Esperienza e simulazioni (g.schgor)
Moleskine di un idraulico (RenzoDF)
Il Blog di ElectroYou (webmaster)
Idee microcontrollate (TardoFreak)
PICcoli grandi PICMicro (Paolino)
Il blog elettrico di carloc (carloc)
DirtEYblooog (dirtydeeds)
Di tutto... un po' (jordan20)
AK47 (lillo)
Esperienze elettroniche (marco438)
Telecomunicazioni musicali (clavicordo)
Automazione ed Elettronica (gustavo)
Direttive per la sicurezza (ErnestoCappelletti)
EYnfo dall'Alaska (mir)
Apriamo il quadro! (attilio)
H7-25 (asdf)
Passione Elettrica (massimob)
Elettroni a spasso (guidob)
Bloguerra (guerra)







