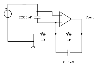
Ciao a tutti! Vi chiedo per favore di dare un'occhiata al circuito. Sono convinto al 99% che è la conf. di un amp. non invertente però non capisco a cosa ci vogliono quei condensatori? Premetto che il segnale in ingresso è piccolo (infatti guardate il guadagno circa 1M/1k) . Il condensatore da 0.1uF posso ancora supporre che sia per filtrare le alte frequenze quindi eventuali spike etc. come un passa basso invece il condensatore tra gli ingressi da 2200pF a cosa serve?
Condensatore tra gli ingressi dell'operazionale
Moderatori:
carloc,
g.schgor,
BrunoValente,
IsidoroKZ
4 messaggi
• Pagina 1 di 1
2
voti
Provo a rispondere:
G = 1000
Tau = 0,1uF * 1 Mohm = 0,1 secondi
E' un amplificatore con filtro passa basso del primo ordine a -3dB a 1/(6,28*0,1) = 1,6 Hz
Il C da 2200 pF forse serve a evitare la saturazione dell'operazionale nel caso di variazioni a gradino dell'ingresso. (in un amplificatore ideale potrebbe non servire e non avere influenza).
Sono curioso di leggere altri pareri.
Dovresti completare lo schema assegnando un nome ai componenti R1,R2 C1,C2
e inserendo un resistore fra il generatore e il nodo + per rappresentare la resistenza interna del generatore,
che forse spiega l'influenza del 2,2nF.
Quali sono le caratteristiche dinamiche dell'operazionale ? o è considerato ideale?
E' un esercizio teorico o è una applicazione pratica?
Devi analizzarne il funzionamento?

G = 1000
Tau = 0,1uF * 1 Mohm = 0,1 secondi
E' un amplificatore con filtro passa basso del primo ordine a -3dB a 1/(6,28*0,1) = 1,6 Hz
Il C da 2200 pF forse serve a evitare la saturazione dell'operazionale nel caso di variazioni a gradino dell'ingresso. (in un amplificatore ideale potrebbe non servire e non avere influenza).
Sono curioso di leggere altri pareri.
Dovresti completare lo schema assegnando un nome ai componenti R1,R2 C1,C2
e inserendo un resistore fra il generatore e il nodo + per rappresentare la resistenza interna del generatore,
che forse spiega l'influenza del 2,2nF.
Quali sono le caratteristiche dinamiche dell'operazionale ? o è considerato ideale?
E' un esercizio teorico o è una applicazione pratica?
Devi analizzarne il funzionamento?

3
voti
https://www.google.it/url?sa=t&source=w ... Rgf88lMUrA
Sembrerebbe sia utile per ridurre gli effetti di disturbi in alta frequenza, dove la velocità dell'operazionale è tale dan non rendere più vero il principio di massa virtuale.
https://www.google.it/url?sa=t&source=w ... j11A1ZjsuX
Sembrerebbe sia utile per ridurre gli effetti di disturbi in alta frequenza, dove la velocità dell'operazionale è tale dan non rendere più vero il principio di massa virtuale.
https://www.google.it/url?sa=t&source=w ... j11A1ZjsuX
0
voti
Grazie per le vostre risposte!
L'applicazione è pratica. Il generatore non è ideale ma è la sorgente di una tensione piccola che arriva dal sensore.
credo che abbiate ragione entrambi perché qui in ingresso la frequenza tendeva a essere alta... l'operazionale potrebbe non fare in tempo a dare il feedback e quindi rischia di saturare (credo) l salto sinceramente non so di quanto sia in tensione me nel caso migliore (più veloce) lo fa in 25us . Si comporta circa come un ripple: non rimane alto per un lungo periodo ma anzi poi torna subito basso mettendoci circa 50, 75 100uS etc a seconda del caso. (immaginate tipo una triangolare assimetrica, quasi dente di sega). Questa è la sua uscita non è indicato il salto purtroppo credo sia comunque frazione di volt
L'applicazione è pratica. Il generatore non è ideale ma è la sorgente di una tensione piccola che arriva dal sensore.
per evitare la saturazione in caso di salti a gradino
per le alte frequenze
credo che abbiate ragione entrambi perché qui in ingresso la frequenza tendeva a essere alta... l'operazionale potrebbe non fare in tempo a dare il feedback e quindi rischia di saturare (credo) l salto sinceramente non so di quanto sia in tensione me nel caso migliore (più veloce) lo fa in 25us . Si comporta circa come un ripple: non rimane alto per un lungo periodo ma anzi poi torna subito basso mettendoci circa 50, 75 100uS etc a seconda del caso. (immaginate tipo una triangolare assimetrica, quasi dente di sega). Questa è la sua uscita non è indicato il salto purtroppo credo sia comunque frazione di volt
-

Peternek
50 1 5 - Utente disattivato per decisione dell'amministrazione proprietaria del sito
- Messaggi: 94
- Iscritto il: 17 ott 2017, 22:38
4 messaggi
• Pagina 1 di 1
Chi c’è in linea
Visitano il forum: Nessuno e 254 ospiti

Elettrotecnica e non solo (admin)
Un gatto tra gli elettroni (IsidoroKZ)
Esperienza e simulazioni (g.schgor)
Moleskine di un idraulico (RenzoDF)
Il Blog di ElectroYou (webmaster)
Idee microcontrollate (TardoFreak)
PICcoli grandi PICMicro (Paolino)
Il blog elettrico di carloc (carloc)
DirtEYblooog (dirtydeeds)
Di tutto... un po' (jordan20)
AK47 (lillo)
Esperienze elettroniche (marco438)
Telecomunicazioni musicali (clavicordo)
Automazione ed Elettronica (gustavo)
Direttive per la sicurezza (ErnestoCappelletti)
EYnfo dall'Alaska (mir)
Apriamo il quadro! (attilio)
H7-25 (asdf)
Passione Elettrica (massimob)
Elettroni a spasso (guidob)
Bloguerra (guerra)



