In tutta sincerità non credevo di riuscirci.
Devo ammettere che la prima lamella mi ha fatto penare. Ma non desistere. Io amo riparare.
Come puoi vedere la prima lamella è molto danneggiata. La seconda è terza un po' meno. Ma non sono perfette.
comunque tutte non sono più lineari.
Mi chiedo come le rimonterò? Ma ci penserò dopo.
Adesso vuoi fatta qualche foto più specifica e capire come togliere le spire?
Per oggi sono un po' stanchino. Anche sommate alle 9 ore di lavoro giornaliero. comunque ci ho impiegato circa 1 ora.
Grazie del supporto. Sei stato Gentilissimo.
Microonde LG - Guasto Trasformatore
31 messaggi
• Pagina 3 di 4 • 1, 2, 3, 4
1
voti
0
voti
Bel lavoro
I lamierini storti cercherai di raddrizzarli, possibilmente non con il martello ma con un cilindro di metallo, opure mettendo una lastra di metallo e con il martello ci batti sopra.
Ma vedrai che con un po' di ingegno ci riuscirai.
Prendendo in considerazione questa foto, si vede una parte molto annerita e direi che potrebbe essere l'avvolgimento che ha sfiammato. Dammi delle informazioni dal tuo punto di vista.
Quella " C " in tubetto isolante bianco che va su due pin del trasformatore, potrebbe essere un termofusibile, riesci a togliere il tubetto esterno e vedere cos'è?
Controlla anche se con l'ohmmetro c'è continuità o no.
Dopo si passa al taglio dell'avvolgimento con un cutter, stando attenti a non intaccare il rocchetto, ma risentiamoci, prima!
I lamierini storti cercherai di raddrizzarli, possibilmente non con il martello ma con un cilindro di metallo, opure mettendo una lastra di metallo e con il martello ci batti sopra.
Ma vedrai che con un po' di ingegno ci riuscirai.
Prendendo in considerazione questa foto, si vede una parte molto annerita e direi che potrebbe essere l'avvolgimento che ha sfiammato. Dammi delle informazioni dal tuo punto di vista.
Quella " C " in tubetto isolante bianco che va su due pin del trasformatore, potrebbe essere un termofusibile, riesci a togliere il tubetto esterno e vedere cos'è?
Controlla anche se con l'ohmmetro c'è continuità o no.
Dopo si passa al taglio dell'avvolgimento con un cutter, stando attenti a non intaccare il rocchetto, ma risentiamoci, prima!
Alex
https://www.facebook.com/Elettronicaeelettrotecnica
<< vedi di pigliare arditamente in mano, il dizionario che ti suona in bocca,
se non altro è schietto e paesano.
(Giuseppe Giusti) <<
https://www.facebook.com/Elettronicaeelettrotecnica
<< vedi di pigliare arditamente in mano, il dizionario che ti suona in bocca,
se non altro è schietto e paesano.
(Giuseppe Giusti) <<
0
voti
setteali ha scritto:Bel lavoro![]()
I lamierini storti cercherai di raddrizzarli, possibilmente non con il martello ma con un cilindro di metallo, opure mettendo una lastra di metallo e con il martello ci batti sopra.
Ma vedrai che con un po' di ingegno ci riuscirai.
Grazie mille
setteali ha scritto:Quella " C " in tubetto isolante bianco che va su due pin del trasformatore, potrebbe essere un termofusibile, riesci a togliere il tubetto esterno e vedere cos'è?
Controlla anche se con l'ohmmetro c'è continuità o no.
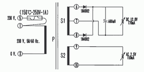
Più tardi dopo lavoro controllo, ma quello che posso ricordare; guardando il trasformatore con il primario in basso, il pin di sinistra è saldato nell PCB ma non sembra che abbiamo funzione.
Con il tester:
pin da sinistra 1-2 nessuna continuità,
pin da sinistra 2-3 nessuna continuità,
pin da sinistra 1-3 c'è continuità da 0 ohm circa.
Credo sia il funsibile che non avuto una funzione.
Allego una foto trovata in rete.
PS: Seconda foto. la tabellina dove mi indica "winging" mi può essere utile?
Peccato non si evince il numero di spire.
0
voti
Ciao,
Dalle misure che hai fatto dovresti avere il fusibile integro e l'avvolgimento del primario interrotto.
Torna anche a te?
Guardando i disegni ed i dati che hai trovato in rete che mi sembrano i suoi, trovo il primo nodo e cioè la sezione del filo che hanno usato per avvolgere il primario è di 0,09 mm e io ho guardato tra i miei e il più sottile è 0,14mm, è molto più grosso ed ho paura che tutte le spire non ci stiano.
Con il tester:
pin da sinistra 1-2 nessuna continuità, sullo schema dovrebbe essere 1 - 3
pin da sinistra 2-3 nessuna continuità, sullo schema dovrebbe essere 3 - 5
pin da sinistra 1-3 c'è continuità da 0 ohm circa.sullo schema dovrebbe essere 1 - 5
Dalle misure che hai fatto dovresti avere il fusibile integro e l'avvolgimento del primario interrotto.
Torna anche a te?
Guardando i disegni ed i dati che hai trovato in rete che mi sembrano i suoi, trovo il primo nodo e cioè la sezione del filo che hanno usato per avvolgere il primario è di 0,09 mm e io ho guardato tra i miei e il più sottile è 0,14mm, è molto più grosso ed ho paura che tutte le spire non ci stiano.
Alex
https://www.facebook.com/Elettronicaeelettrotecnica
<< vedi di pigliare arditamente in mano, il dizionario che ti suona in bocca,
se non altro è schietto e paesano.
(Giuseppe Giusti) <<
https://www.facebook.com/Elettronicaeelettrotecnica
<< vedi di pigliare arditamente in mano, il dizionario che ti suona in bocca,
se non altro è schietto e paesano.
(Giuseppe Giusti) <<
0
voti
Forse è più conveniente questa strada, usare due trasformatori, uno per i 12 + 12 V e un altro per i 2,5V
Guarda questi link:
https://www.tme.eu/it/details/bvui21001 ... i-21-0011/
https://www.tme.eu/it/details/bvei38211 ... -382-1192/

Guarda questi link:
https://www.tme.eu/it/details/bvui21001 ... i-21-0011/
https://www.tme.eu/it/details/bvei38211 ... -382-1192/

Alex
https://www.facebook.com/Elettronicaeelettrotecnica
<< vedi di pigliare arditamente in mano, il dizionario che ti suona in bocca,
se non altro è schietto e paesano.
(Giuseppe Giusti) <<
https://www.facebook.com/Elettronicaeelettrotecnica
<< vedi di pigliare arditamente in mano, il dizionario che ti suona in bocca,
se non altro è schietto e paesano.
(Giuseppe Giusti) <<
0
voti
Ok, ora valuto la cosa, ma siccome sono arrivato in questo punto.
Come tolgo le spire e le conto? almeno faccio esperienza per il futuro.
Grazie.

Come tolgo le spire e le conto? almeno faccio esperienza per il futuro.
Grazie.

1
voti
Ciao,
si è giusto, puoi andare avanti e ti fai esperienza e se vuoi divertirti, siccome è un trasformatore semplice da lavorare, ti puoi divertire a riavvolgerlo con del filo sottile che hai per un'altra tensione, ad esempio 12V oppure 24 V oppure ....quello che vuoi e che valuti ci possa entrare nel rocchetto.
Prima però devi trovare il rapporto spire tra primario e secondario e già sai le tensioni dei secondari.......
Hai intuito come funziona?
Per contare le spire ( credo che tu lo debba fare per esperienza ), come ti avevo detto, con un cutter tagli l'avvolgimento e fai un mazzetto e poi fai tanti mazzetti di 10 o 20 fili ( sempre e tutti uguali) e poi conti i mazzetti che hai, potresti anche fare altri mazzetti unendone 10 e così avresti dei mazzetti di 100 o 200 fili e così fai alla svelta a contarli
fammi sapere
si è giusto, puoi andare avanti e ti fai esperienza e se vuoi divertirti, siccome è un trasformatore semplice da lavorare, ti puoi divertire a riavvolgerlo con del filo sottile che hai per un'altra tensione, ad esempio 12V oppure 24 V oppure ....quello che vuoi e che valuti ci possa entrare nel rocchetto.
Prima però devi trovare il rapporto spire tra primario e secondario e già sai le tensioni dei secondari.......
Hai intuito come funziona?
Per contare le spire ( credo che tu lo debba fare per esperienza ), come ti avevo detto, con un cutter tagli l'avvolgimento e fai un mazzetto e poi fai tanti mazzetti di 10 o 20 fili ( sempre e tutti uguali) e poi conti i mazzetti che hai, potresti anche fare altri mazzetti unendone 10 e così avresti dei mazzetti di 100 o 200 fili e così fai alla svelta a contarli
fammi sapere

Alex
https://www.facebook.com/Elettronicaeelettrotecnica
<< vedi di pigliare arditamente in mano, il dizionario che ti suona in bocca,
se non altro è schietto e paesano.
(Giuseppe Giusti) <<
https://www.facebook.com/Elettronicaeelettrotecnica
<< vedi di pigliare arditamente in mano, il dizionario che ti suona in bocca,
se non altro è schietto e paesano.
(Giuseppe Giusti) <<
0
voti
Certo che ti faccio sapere. Mi voglio divertire un poco.
Mi piace tutto questo.
Poi sicuramente aprirò altri post. Ho altri elettrodomestici guasti.
Grazie ancora di tutto. Sei stato più che gentile.
Con un cutter taglio al centro della bobina. Giusto?
Mi piace tutto questo.
Poi sicuramente aprirò altri post. Ho altri elettrodomestici guasti.
Grazie ancora di tutto. Sei stato più che gentile.
Con un cutter taglio al centro della bobina. Giusto?
0
voti
Bobo360 ha scritto:.....
Con un cutter taglio al centro della bobina. Giusto?
Si , in diagonale.

Alex
https://www.facebook.com/Elettronicaeelettrotecnica
<< vedi di pigliare arditamente in mano, il dizionario che ti suona in bocca,
se non altro è schietto e paesano.
(Giuseppe Giusti) <<
https://www.facebook.com/Elettronicaeelettrotecnica
<< vedi di pigliare arditamente in mano, il dizionario che ti suona in bocca,
se non altro è schietto e paesano.
(Giuseppe Giusti) <<
0
voti
Buongiorno, in attesa di sperimentare nel trasformatore guasto. Contare le spire ecc...
Sostituito il straformatore, acquistato identico all'originale tramite amazon.
Sono stato fortunato, che questo rivenditore francese vendeva questo pezzo di non facile reperimento.
Adetto funziona tutto molto bene.
Fortunatamente si è guasto solo il trasformatore, nella scheda madre era indicato un varistore.
Ma non era montato, io ne avevo uno, l'ho montato per eventuali problemi futuri.
Grazie per il vostro supporto.
Alla prossima
Sostituito il straformatore, acquistato identico all'originale tramite amazon.
Sono stato fortunato, che questo rivenditore francese vendeva questo pezzo di non facile reperimento.
Adetto funziona tutto molto bene.
Fortunatamente si è guasto solo il trasformatore, nella scheda madre era indicato un varistore.
Ma non era montato, io ne avevo uno, l'ho montato per eventuali problemi futuri.
Grazie per il vostro supporto.

Alla prossima
31 messaggi
• Pagina 3 di 4 • 1, 2, 3, 4
Torna a Costruzione, riparazione, riutilizzo
Chi c’è in linea
Visitano il forum: Nessuno e 8 ospiti

Elettrotecnica e non solo (admin)
Un gatto tra gli elettroni (IsidoroKZ)
Esperienza e simulazioni (g.schgor)
Moleskine di un idraulico (RenzoDF)
Il Blog di ElectroYou (webmaster)
Idee microcontrollate (TardoFreak)
PICcoli grandi PICMicro (Paolino)
Il blog elettrico di carloc (carloc)
DirtEYblooog (dirtydeeds)
Di tutto... un po' (jordan20)
AK47 (lillo)
Esperienze elettroniche (marco438)
Telecomunicazioni musicali (clavicordo)
Automazione ed Elettronica (gustavo)
Direttive per la sicurezza (ErnestoCappelletti)
EYnfo dall'Alaska (mir)
Apriamo il quadro! (attilio)
H7-25 (asdf)
Passione Elettrica (massimob)
Elettroni a spasso (guidob)
Bloguerra (guerra)


