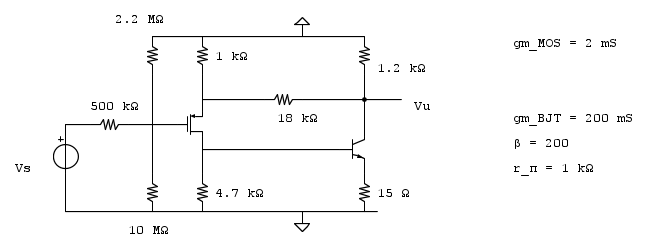
circa il circuito
dovrei calcolare
mediante il teorema dell'elemento aggiunto ma il risultato viene errato.Quello che ho fatto io:
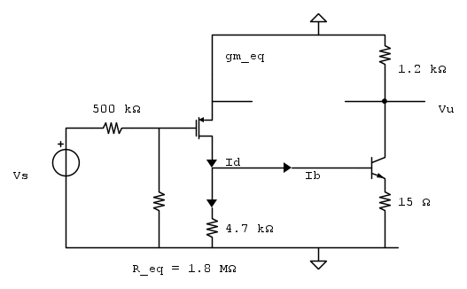
il circuito diventa
quindi:

, con 
Scusate la scrittura veloce. Le unità di misura in questi calcoli sono le medesime presenti nel circuito, ovviamente durante i calcoli sono state aggiustate e rese uniformi.
in definitiva

Il procedimento è corretto?
Grazie.

Elettrotecnica e non solo (admin)
Un gatto tra gli elettroni (IsidoroKZ)
Esperienza e simulazioni (g.schgor)
Moleskine di un idraulico (RenzoDF)
Il Blog di ElectroYou (webmaster)
Idee microcontrollate (TardoFreak)
PICcoli grandi PICMicro (Paolino)
Il blog elettrico di carloc (carloc)
DirtEYblooog (dirtydeeds)
Di tutto... un po' (jordan20)
AK47 (lillo)
Esperienze elettroniche (marco438)
Telecomunicazioni musicali (clavicordo)
Automazione ed Elettronica (gustavo)
Direttive per la sicurezza (ErnestoCappelletti)
EYnfo dall'Alaska (mir)
Apriamo il quadro! (attilio)
H7-25 (asdf)
Passione Elettrica (massimob)
Elettroni a spasso (guidob)
Bloguerra (guerra)





è corretta come espressione?
che essendo un pMOS magari è errata però tenendo presente che è tutto segnale è che il source è "in alto", per intenderci, allora il problema non si pone e la si calcola come fosse un nMOS, quindi con il source "di sotto"..
. Allora è corretto. A quel punto non ci sono ancora arrivato.