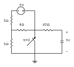
Devo ricavare la tensione Vc(t) per t>0 in questo circuito utilizzando il metodo sistematico. L'interruttore è aperto per t<0
Il mio problema sta nel ricavare Vc(0-). Il condensatore si sostituisce con un circuito aperto quindi in quel ramo non passa corrente e l'interruttore è aperto essendo t<0
Non ho idea di come poter calcolare Vc
Esercizio circuito del primo ordine
Moderatori:
g.schgor,
IsidoroKZ
4 messaggi
• Pagina 1 di 1
0
voti
0
voti
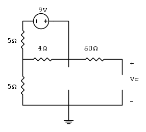
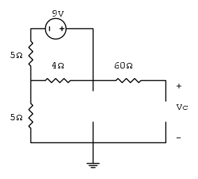
Nella maglia inferiore non circola corrente, pertanto le differenze di potenziale ai capi delle resistenze da
e
sono nulle. Discorso diverso va fatto per quella da
, dal momento che circola corrente nella maglia superiore; la tensione
è pari a quella ai capi di questa resistenza.
e
sono nulle. Discorso diverso va fatto per quella da
, dal momento che circola corrente nella maglia superiore; la tensione
è pari a quella ai capi di questa resistenza.0
voti
In pratica puoi ridurre il circuito in questa maniera:
La tensione iniziale sul condensatore sarà data dal partitore
di cui sopra
La tensione iniziale sul condensatore sarà data dal partitore
di cui sopra

4 messaggi
• Pagina 1 di 1
Torna a Elettrotecnica generale
Chi c’è in linea
Visitano il forum: Nessuno e 15 ospiti

Elettrotecnica e non solo (admin)
Un gatto tra gli elettroni (IsidoroKZ)
Esperienza e simulazioni (g.schgor)
Moleskine di un idraulico (RenzoDF)
Il Blog di ElectroYou (webmaster)
Idee microcontrollate (TardoFreak)
PICcoli grandi PICMicro (Paolino)
Il blog elettrico di carloc (carloc)
DirtEYblooog (dirtydeeds)
Di tutto... un po' (jordan20)
AK47 (lillo)
Esperienze elettroniche (marco438)
Telecomunicazioni musicali (clavicordo)
Automazione ed Elettronica (gustavo)
Direttive per la sicurezza (ErnestoCappelletti)
EYnfo dall'Alaska (mir)
Apriamo il quadro! (attilio)
H7-25 (asdf)
Passione Elettrica (massimob)
Elettroni a spasso (guidob)
Bloguerra (guerra)





