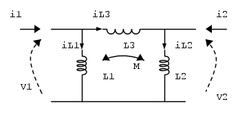
mi sono scervellato ma non capisco proprio come ricavare un mutuo induttore equivalente Ho pensato di scrivere le equazioni alle porte, ma non saprei poi come ricondurmi a un mutuo induttore equivalente, oppure di ricavare il circuito equivalente togliendo così il mutuo induttore (anche se quell'induttanza L3 mi complica parecchio la vita), per cercare di ricondurmi alla forma a T o a Pi-greca, ma anche in questo caso non capisco come la mutua induttanza tra L1 e L2 possa essere riscritta come mutua induttanza di un mutuo induttore e di un'induttanza


Elettrotecnica e non solo (admin)
Un gatto tra gli elettroni (IsidoroKZ)
Esperienza e simulazioni (g.schgor)
Moleskine di un idraulico (RenzoDF)
Il Blog di ElectroYou (webmaster)
Idee microcontrollate (TardoFreak)
PICcoli grandi PICMicro (Paolino)
Il blog elettrico di carloc (carloc)
DirtEYblooog (dirtydeeds)
Di tutto... un po' (jordan20)
AK47 (lillo)
Esperienze elettroniche (marco438)
Telecomunicazioni musicali (clavicordo)
Automazione ed Elettronica (gustavo)
Direttive per la sicurezza (ErnestoCappelletti)
EYnfo dall'Alaska (mir)
Apriamo il quadro! (attilio)
H7-25 (asdf)
Passione Elettrica (massimob)
Elettroni a spasso (guidob)
Bloguerra (guerra)








