Ciao a tutti! Vorrei chiedervi per favore di dirmi se avete qualche idea su come viene fatto di solito il multiplexing per i tasti capacitivi. Supponendo ad esempio quelli touch - al tocco si forma un condensatore equivalente tra il dito e massa. Di solito è piccolo circa 0.01 pF. Per integrati come ad esempio MPR121 spiegano la gestione ma non il circuito dettagliato interno, solo quello a blocchi. Ho provato a immaginare una soluzione con un multiplexing per verificare se il condensatore si è formato o meno. Deve essere veloce per poter premere contemporaneamente più tasti. Io ho buttato un paio di circuiti ma credo abbiano tanti problemi perché non conosco bene l'argomento. Se sapete come si fanno proponete direttamente ignorando le mie proposte.
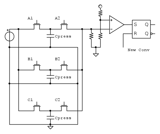
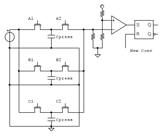
Nella prima per tre tasti: A,B,C ho le capacità che si formano Cpress e una alla volta le carico, attivando ognuno dei due mosfet in sequenza carico/campiono. Qui poi le capacità di source/drain potrebbero essere paragonabili a Cpress quindi bisogna fare attenzione.
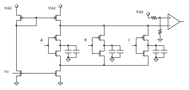
Nella seconda invece uso una sorgente di corrente attivata in sequenza per ogni tasto che carica il condensatore Cpress attraverso una porta logica NOT a MOSFET. Si forma una rampa di tensione. C'è un condensatore in più che quando manca Cpress viene in un tempo T costante per ogni campionamento, raggiunge una certa tensione, più bassa di quella raggiunta quando c'è anche Cpress. Confronto dopo per il tempo T la tensione quanto vale per capire la presenza di Cpress. C'è diciamo uno shift della parola 011... 101.. etc e quando arrivano gli uni il condensatore viene portato a massa scaricandosi (magari dimensionando l'NMOS della NOT in modo da garantire la scarica veloce).
Multiplexing gestione tasti capacitivi
Moderatori:
carloc,
g.schgor,
BrunoValente,
IsidoroKZ
3 messaggi
• Pagina 1 di 1
1
voti
l'argomento Touch capacitivi è talmente vasto ed articolato che sconsiglierei di tentare di inventare soluzioni "artigianali". Sia perché il rischio di "fiasco" è molto elevato ma in particolare perché trovi già molto di bello e pronto. Tanto per intendere inizia da qui e troverai sia molte informazioni sia proposte già pronte.
Bye
Ser.Tom
Bye
Ser.Tom
3 messaggi
• Pagina 1 di 1
Chi c’è in linea
Visitano il forum: Nessuno e 50 ospiti

Elettrotecnica e non solo (admin)
Un gatto tra gli elettroni (IsidoroKZ)
Esperienza e simulazioni (g.schgor)
Moleskine di un idraulico (RenzoDF)
Il Blog di ElectroYou (webmaster)
Idee microcontrollate (TardoFreak)
PICcoli grandi PICMicro (Paolino)
Il blog elettrico di carloc (carloc)
DirtEYblooog (dirtydeeds)
Di tutto... un po' (jordan20)
AK47 (lillo)
Esperienze elettroniche (marco438)
Telecomunicazioni musicali (clavicordo)
Automazione ed Elettronica (gustavo)
Direttive per la sicurezza (ErnestoCappelletti)
EYnfo dall'Alaska (mir)
Apriamo il quadro! (attilio)
H7-25 (asdf)
Passione Elettrica (massimob)
Elettroni a spasso (guidob)
Bloguerra (guerra)




