Un esempio è il seguente esercizio:
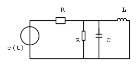
"Applicando il teorema di Norton, valutare la potenza complessa assorbita da parallelo R-C in figura"
Dove i dati sono:




Io sono prima passata al dominio dei fasori, in cui:




Poi ho calcolato il valore dell'impedenza zA (ovvero il parallelo R e zC):

Poi ho applicato Norton e ho trovato prima la resistenza equivalente Req:

Poi ho calcolato il valore di Jcc:

E dal circuito equivalente il valore iA, ovvero la corrente dell'impedenza zA, col partitore di corrente e poi il valore vA della potenza:


Potenza complessa:

il risultato che trovo però risulta sbagliato, non ho capito se ho sbagliato i calcoli, il valore di Req o qualcos'altro
Grazie in anticipo a chiunque mi risponderà

Elettrotecnica e non solo (admin)
Un gatto tra gli elettroni (IsidoroKZ)
Esperienza e simulazioni (g.schgor)
Moleskine di un idraulico (RenzoDF)
Il Blog di ElectroYou (webmaster)
Idee microcontrollate (TardoFreak)
PICcoli grandi PICMicro (Paolino)
Il blog elettrico di carloc (carloc)
DirtEYblooog (dirtydeeds)
Di tutto... un po' (jordan20)
AK47 (lillo)
Esperienze elettroniche (marco438)
Telecomunicazioni musicali (clavicordo)
Automazione ed Elettronica (gustavo)
Direttive per la sicurezza (ErnestoCappelletti)
EYnfo dall'Alaska (mir)
Apriamo il quadro! (attilio)
H7-25 (asdf)
Passione Elettrica (massimob)
Elettroni a spasso (guidob)
Bloguerra (guerra)




V
Ohm
Ohm
Ohm
Ohm
Ohm
A
, ovvero la corrente dell'impedenza zA, col partitore di corrente e poi il valore vA della potenza:


