Cos'è ElectroYou | Login Iscriviti

ElectroYou - la comunità dei professionisti del mondo elettrico

Calcolo polarizzazione di un circuito con BJT

Elettronica lineare e digitale: didattica ed applicazioni

Moderatori: Foto Utentecarloc, Foto Utenteg.schgor, Foto UtenteBrunoValente, Foto UtenteIsidoroKZ

4
voti

[11] Re: Calcolo polarizzazione di un circuito con BJT

Messaggioda Foto UtenteIsidoroKZ » 4 set 2018, 21:38

paky94 ha scritto:[In generale, in tutti gli esercizi che svolgo, faccio l'ipotesi (approssimazione) che I_C e I_E sono uguali tra loro


Qui non puoi ragionevolmente farlo, poiche' la polarizzazione dipende dalla corrente di base, che devi poter stimare (circuito non troppo buono dal punto di vista della stabilita` della polarizzazione). Se supponi che ß sia infinito hai che VCE=VBE e ti sei giocato tutta la dinamica.
Per usare proficuamente un simulatore, bisogna sapere molta più elettronica di lui
Plug it in - it works better!
Il 555 sta all'elettronica come Arduino all'informatica! (entrambi loro malgrado)
Se volete risposte rispondete a tutte le mie domande
Avatar utente
Foto UtenteIsidoroKZ
121,2k 1 3 8
G.Master EY
G.Master EY
 
Messaggi: 21059
Iscritto il: 17 ott 2009, 0:00

0
voti

[12] Re: Calcolo polarizzazione di un circuito con BJT

Messaggioda Foto Utentepaky94 » 5 set 2018, 9:09

IsidoroKZ ha scritto: Qui non puoi ragionevolmente farlo, poiche' la polarizzazione dipende dalla corrente di base, che devi poter stimare (circuito non troppo buono dal punto di vista della stabilita` della polarizzazione). Se supponi che ß sia infinito hai che VCE=VBE e ti sei giocato tutta la dinamica.


\beta=60 quindi mi è stato detto di poter utilizzare l' appossimazione I_C=I_E
Avatar utente
Foto Utentepaky94
5 3
 
Messaggi: 19
Iscritto il: 30 ago 2018, 11:46

0
voti

[13] Re: Calcolo polarizzazione di un circuito con BJT

Messaggioda Foto Utentepaky94 » 5 set 2018, 16:10

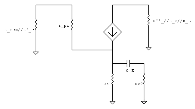
RETTIFICA: L'esercizio chiede di calcolare la frequenza di taglio associata alla capacità C_E (di cui la traccia assegna il valore numerico): a tale proposito considero il circuito equivelente alle basse frequenze riportato sotto.


Quindi, poiché mi serve la frequenza di taglio di C_E, utilizzo il metodo delle costanti di tempo in cortocircuito (dato che sto alle basse frequenze) e procedo come segue:
1) cortocircuito tutte le altre capacità oltre a quella di mio interesse
2) annullo tutti i generatori indipendenti
In questo modo ottengo:


Come procedo?? :(
Avatar utente
Foto Utentepaky94
5 3
 
Messaggi: 19
Iscritto il: 30 ago 2018, 11:46

0
voti

[14] Re: Calcolo polarizzazione di un circuito con BJT

Messaggioda Foto UtenteIsidoroKZ » 5 set 2018, 21:35

paky94 ha scritto:\beta=60 quindi mi è stato detto di poter utilizzare l' appossimazione I_C=I_E


Per il calcolo di Rf non puoi usare quella approssimazione. Per il calcolo di RC e delle RE non serve, perche' sono tutte percorse dalla stessa corrente. L'unico punto in cui puo` servirti l'approssimazione e` che quando usi la corrente attraverso RE ed RC, che e` sempre uguale a IE, puoi mettere il valore di IC assegnato, tanto da` una variazione minore del 2% e la tolleranza dei resistori e del transistore e` maggiore di questa piccola approssimazione
Per usare proficuamente un simulatore, bisogna sapere molta più elettronica di lui
Plug it in - it works better!
Il 555 sta all'elettronica come Arduino all'informatica! (entrambi loro malgrado)
Se volete risposte rispondete a tutte le mie domande
Avatar utente
Foto UtenteIsidoroKZ
121,2k 1 3 8
G.Master EY
G.Master EY
 
Messaggi: 21059
Iscritto il: 17 ott 2009, 0:00

0
voti

[15] Re: Calcolo polarizzazione di un circuito con BJT

Messaggioda Foto UtenteIsidoroKZ » 5 set 2018, 21:48

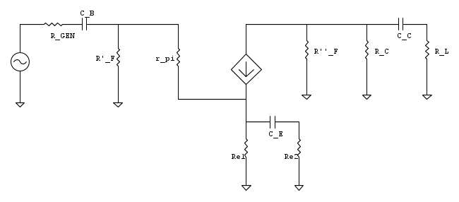
paky94 ha scritto:RETTIFICA: L'esercizio chiede di calcolare la frequenza di taglio associata alla capacità C_E (di cui la traccia assegna il valore numerico): a tale proposito considero il circuito equivelente alle basse frequenze riportato sotto.
....
Come procedo?? :(


Il circuito non e` giusto, lo hai cambiato rispetto agli altri che avevi postato prima, vedi il messaggio [6].

Come si calcola la frequenza di taglio inferiore con il metodo delle costanti di tempo di cortocircuito? I primi due punti li hai detti correttamente. E quelli dopo?

Poi vediamo cosa vuol dire la frase sibillina di considerare solo CE.
Per usare proficuamente un simulatore, bisogna sapere molta più elettronica di lui
Plug it in - it works better!
Il 555 sta all'elettronica come Arduino all'informatica! (entrambi loro malgrado)
Se volete risposte rispondete a tutte le mie domande
Avatar utente
Foto UtenteIsidoroKZ
121,2k 1 3 8
G.Master EY
G.Master EY
 
Messaggi: 21059
Iscritto il: 17 ott 2009, 0:00

0
voti

[16] Re: Calcolo polarizzazione di un circuito con BJT

Messaggioda Foto Utentepaky94 » 6 set 2018, 8:38

IsidoroKZ ha scritto: Il circuito non e` giusto, lo hai cambiato rispetto agli altri che avevi postato prima, vedi il messaggio [6].

Si. Pechè dovendo calcolare la frequenza di taglio inferiore, non sto lavorando più alle medie frequenze (come avveniva per il calcolo del guadagno di tensione) ma alle basse frequenze, in cui si sente l'effetto delle capacità di accoppiamento e bypass.

IsidoroKZ ha scritto: Come si calcola la frequenza di taglio inferiore con il metodo delle costanti di tempo di cortocircuito? I primi due punti li hai detti correttamente. E quelli dopo?

Dirò una ca***a, ma non si dovrebbero calcolare tutte le costanti di tempo associate alle varie capacità (con il metodo di cui sopra) e considerare quella con valore inferiore?

IsidoroKZ ha scritto: Poi vediamo cosa vuol dire la frase sibillina di considerare solo CE.

Quale?
L'esercizio richiede solo il calcolo della frequenza di taglio associata alla capacità C_E
Avatar utente
Foto Utentepaky94
5 3
 
Messaggi: 19
Iscritto il: 30 ago 2018, 11:46

Precedente

Torna a Elettronica generale

Chi c’è in linea

Visitano il forum: Nessuno e 182 ospiti