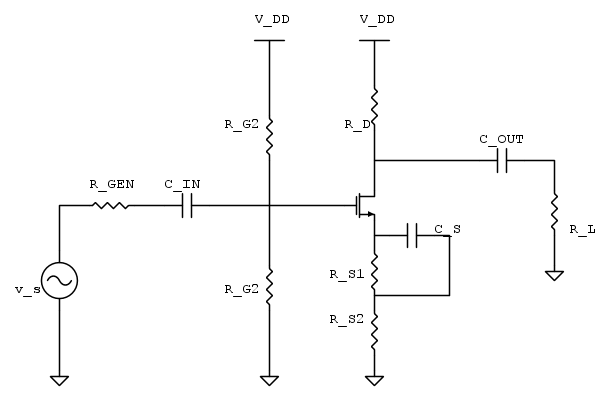
Nel modello equivalente ci saranno le resistenze
ed
??Il dubbio mi sorge data la presenza della capacità
: che effetto ha alle medie frequenze, in cui è un cortocircuito?Grazie in anticipo! :)
Moderatori:
g.schgor,
IsidoroKZ
ed
??
: che effetto ha alle medie frequenze, in cui è un cortocircuito?IsidoroKZ ha scritto:Sostituisci il condensatore con un cortocircuito e vedi l'effetto che ha!
equivale ad un cortocircuito, se apro un nuovo post significa che non so arrivare ad una conclusione paky94 ha scritto:Avendo già osservato che la C_E equivale ad un cortocircuito, se apro un nuovo post significa che non so arrivare ad una conclusione![]()
![]()
paky94 ha scritto:IsidoroKZ ha scritto:Sostituisci il condensatore con un cortocircuito e vedi l'effetto che ha!
Avendo già osservato che laequivale ad un cortocircuito, se apro un nuovo post significa che non so arrivare ad una conclusione
![]()
![]()

Exodus ha scritto:
ed
: alla tua
quindi sostituisco
, parallelo tra le due. Giusto??brabus ha scritto: ... se sostituisco C_E con un cortocircuito, R_S1 si trova di fatto in parallelo a un cortocircuito, ergo il suo valore è completamente ininfluente. La resistenza equivalente è quella del cortocircuito, idealmente zero ohm.

brabus ha scritto:*diciamo che potrebbe tranquillamente insegnare a tutti i tuoi (e anche ai miei) Docenti


paky94 ha scritto:Nella traccia riportata da me c'è un errore: le due resistenze di gate sonoed
: alla tua
quindi sostituisco
parallelo tra le due. Giusto??

.
, cosi` si vede che la resistenza di source rimane solo
. Mi pare che nell'altro thread abbia sbagliato il circuito quando rimetti il condensatore. Vedi schema del messaggio [6]Torna a Elettrotecnica generale
Visitano il forum: Nessuno e 51 ospiti