Ciao a tutti,
Volevo chiedervi info riguardo al termine "partitore di tensione sbilanciato".
Cosa significa? La corrente passa maggiormente su una resistenza? Quado si utilizza?
Partitore di tensione sbilanciato
Moderatori:
carloc,
g.schgor,
BrunoValente,
IsidoroKZ
11 messaggi
• Pagina 1 di 2 • 1, 2
0
voti
Il termine partitore sbilanciato potrebbe riferirsi ad un “partitore compensato”.
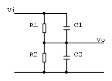
Il partitore di tensione compensato elementare è composto da due resistori in serie dove ad ogni resistore è collegato in parallelo un condensatore.
Il partitore risulta “compensato” quando R1*C1 = R2*C2 e quindi il rapporto di partizione è indipendente dalla frequenza applicata.
Un esempio di un partitore compensato è il probe 10:1 dell’oscilloscopio.
Se l’equazione non è soddisfatta si ha una sovra compensazione oppure una sotto compensazione alla frequenza di ingresso (segnale Vac o transitorio) da qui forse il termine “sbilanciato” che comporta una partizione variabile al variare della frequenza o del fronte della tensione di ingresso.
Il partitore di tensione compensato elementare è composto da due resistori in serie dove ad ogni resistore è collegato in parallelo un condensatore.
Il partitore risulta “compensato” quando R1*C1 = R2*C2 e quindi il rapporto di partizione è indipendente dalla frequenza applicata.
Un esempio di un partitore compensato è il probe 10:1 dell’oscilloscopio.
Se l’equazione non è soddisfatta si ha una sovra compensazione oppure una sotto compensazione alla frequenza di ingresso (segnale Vac o transitorio) da qui forse il termine “sbilanciato” che comporta una partizione variabile al variare della frequenza o del fronte della tensione di ingresso.
0
voti
L' intervento di
MariX è plausibile.
E' la prima volta che sento il termine riferito a un partitore.
Secondo me, un partitore " normale" è un partitore sbilanciato.
Partitore "normale":
Supponiamo un generatore di 100 V con il + rispetto al riferimento, gli collego un partitore di due resistori da 100 ohm, prendo l'uscita al punto intermedio: ho 50 V a vuoto rispetto al riferimento.
Ora pensiamo a un partitore bilanciato:
Ho due generatori da 50 V, uno con il + rispetto al riferimento, l'altro con il - rispetto al riferimento.
Collego fra il +50 e il -50 tre resistori in serie , rispettibamente da 50, 100 , 50 ohm.
rilevo la tensione ai capi del resistore da 100 ohm: ho una tensione di 50 V bilanciata verso il riferimento,
in quanto sono a un capo del resistore a +25 V rispetto al riferimento, e -25 V sull'altro capo.

Per
MariX :
Non riesco a riconoscere il tubo rappresentato nel tuo avatar, cosa è esattamente ?
Un diodo a vuoto per alta tensione ? Un diodo a gas ? un thyratron ? uno scaricatore a gas ?

E' la prima volta che sento il termine riferito a un partitore.
Secondo me, un partitore " normale" è un partitore sbilanciato.
Partitore "normale":
Supponiamo un generatore di 100 V con il + rispetto al riferimento, gli collego un partitore di due resistori da 100 ohm, prendo l'uscita al punto intermedio: ho 50 V a vuoto rispetto al riferimento.
Ora pensiamo a un partitore bilanciato:
Ho due generatori da 50 V, uno con il + rispetto al riferimento, l'altro con il - rispetto al riferimento.
Collego fra il +50 e il -50 tre resistori in serie , rispettibamente da 50, 100 , 50 ohm.
rilevo la tensione ai capi del resistore da 100 ohm: ho una tensione di 50 V bilanciata verso il riferimento,
in quanto sono a un capo del resistore a +25 V rispetto al riferimento, e -25 V sull'altro capo.

Per
Non riesco a riconoscere il tubo rappresentato nel tuo avatar, cosa è esattamente ?
Un diodo a vuoto per alta tensione ? Un diodo a gas ? un thyratron ? uno scaricatore a gas ?
0
voti
Io credo invece si riferisca a partitori nei quali l'impedenza che si vede guardando nelle varie porte è la stessa.
Edit: quanto sopra si riferisce ovviamente al caso 'bilanciato'. 'Sbilanciato' è il caso opposto.
Edit: quanto sopra si riferisce ovviamente al caso 'bilanciato'. 'Sbilanciato' è il caso opposto.
Ultima modifica di
venexian il 7 set 2018, 15:01, modificato 1 volta in totale.
0
voti
a partitori nei quali l'impedenza che si vede guardando nelle varie porte è la stessa.
E' possibile, di solito si chiamano attenuatori a impedenza costante, realizzatyi a T o a Pigreco
Quante interpretazioni di una domanda dubbia

1
voti
MarcoD ha scritto:
PerMariX :
![]()
Non riesco a riconoscere il tubo rappresentato nel tuo avatar, cosa è esattamente ?
Un diodo a vuoto per alta tensione ? anche

0
voti
IlGuru ha scritto:Un partitore di tensione è composto da resistenze collegate in serie, pertanto attraversate tutte dalla stessa corrente.
si hai ragione, intendo tensione. Mi avete dato molte opinioni ma questo perché la mia domanda è molto ambigua. Però vi faccio un esempio. Ho un regolatore di tensione a che mi genera 5V. Ho 30 volt disponibili e vorrei abbassare la tensione. Questo lo potrei fare con una partitore ma secondo me dovrei dimensionarlo in un modo corretto. Da qui secondo me deriva il termine "sbilanciato". Che ne dite?
0
voti
Il regolatore è switching o lineare?
Che corrente massima vuoi prelevare ?
Il termine sbilanciato è improprio, ci hai tratto in inganno.
Volevi scrivere partitore caricato, non a vuoto?
Che corrente massima vuoi prelevare ?
Il termine sbilanciato è improprio, ci hai tratto in inganno.
Volevi scrivere partitore caricato, non a vuoto?
0
voti
Ho incontrato poche volte il termine "partitore sbilanciato", ma in quelle poche volte il riferimento era la condizione di funzionamento e non la tipologia di partitore.
Un normale partitore con due impedenze in serie (spesso uguali), una della quali interessata da quasi tutta la tensione in condizioni di funzionamento diverse dall'ordinario (vedi ad esempio uno dei meccanismi usati per segnalare il primo guasto in un sistema IT).
Un normale partitore con due impedenze in serie (spesso uguali), una della quali interessata da quasi tutta la tensione in condizioni di funzionamento diverse dall'ordinario (vedi ad esempio uno dei meccanismi usati per segnalare il primo guasto in un sistema IT).
Il Conte di Montecristo
Se non studio un giorno, me ne accorgo io. Se non studio due giorni, se ne accorge il pubblico.
Io devo studiare sodo e preparare me stesso perché prima o poi verrà il mio momento.
Abraham Lincoln
Se non studio un giorno, me ne accorgo io. Se non studio due giorni, se ne accorge il pubblico.
Io devo studiare sodo e preparare me stesso perché prima o poi verrà il mio momento.
Abraham Lincoln
-

EdmondDantes
11,9k 8 11 13 - Disattivato su sua richiesta
- Messaggi: 3619
- Iscritto il: 25 lug 2009, 22:18
- Località: Marsiglia
11 messaggi
• Pagina 1 di 2 • 1, 2
Chi c’è in linea
Visitano il forum: Nessuno e 121 ospiti

Elettrotecnica e non solo (admin)
Un gatto tra gli elettroni (IsidoroKZ)
Esperienza e simulazioni (g.schgor)
Moleskine di un idraulico (RenzoDF)
Il Blog di ElectroYou (webmaster)
Idee microcontrollate (TardoFreak)
PICcoli grandi PICMicro (Paolino)
Il blog elettrico di carloc (carloc)
DirtEYblooog (dirtydeeds)
Di tutto... un po' (jordan20)
AK47 (lillo)
Esperienze elettroniche (marco438)
Telecomunicazioni musicali (clavicordo)
Automazione ed Elettronica (gustavo)
Direttive per la sicurezza (ErnestoCappelletti)
EYnfo dall'Alaska (mir)
Apriamo il quadro! (attilio)
H7-25 (asdf)
Passione Elettrica (massimob)
Elettroni a spasso (guidob)
Bloguerra (guerra)










