Lo posto nuovamente, sotto forma di immagine, con alcuni miglioramenti/semplificazioni
amplificatore per subwoofer.
Moderatori:
carloc,
g.schgor,
BrunoValente,
IsidoroKZ
44 messaggi
• Pagina 4 di 5 • 1, 2, 3, 4, 5
0
voti
cliccandoci sopra si ingrandisce
- Allegati
-
- filtr2.GIF (9.34 KiB) Osservato 5840 volte
Ultima modifica di
SediciAmpere il 6 set 2018, 20:53, modificato 1 volta in totale.
-

SediciAmpere
4.187 5 5 8 - Master

- Messaggi: 4848
- Iscritto il: 31 ott 2013, 15:00
0
voti
avevo allegato proprio lo schema sbagliato, una versione precedente
Grazie , ora ho corretto
Grazie , ora ho corretto
-

SediciAmpere
4.187 5 5 8 - Master

- Messaggi: 4848
- Iscritto il: 31 ott 2013, 15:00
1
voti
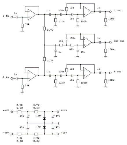
dal morsetto di ingresso il segnale del canale sx è applicato ad un opamp configurato ad inseguitore (cioè con uscita cortocircuitata col morsetto invertente) tramite un condensatore da 1 uF, l'ingresso (non invertente) del buffer è anche connesso al riferimento da un resistore da 33 k, dalla uscita del primo buffer tre condensatori in serie rispettivamente da 1 uF, 100 nF e 15 nF vanno all'ingresso (non invertente) di un secondo buffer, il nodo tra i primi due dei tre condensatori in serie (1 uF, 100 nF) è connesso al riferimento da un resistore da 1,2 k, quello tra secondo e terzo condensatore della serie (100 nF, 15 nF) è connesso alla uscita del secondo buffer da un resistore da 12 k, l'ingresso (non invertente) del secondo buffer è anche connesso al riferimento da un resistore da 100 k, l'uscita del secondo buffer e poi connessa al morsetto di uscita del filtro da un condensatore da 1 uF, il morsetto di uscita è anche connesso al riferimento da un resistore da 100 k*, idem (ovviamente con componenti distinti e separati) per il canale dx;
per il sub-woofer: l'uscita del primo buffer del canale sx è connessa a quella del primo buffer del canale dx tramite due resistori da 2,7 k in serie, il nodo tra tali due resistori è connesso al riferimento da un condensatore da 1 uF, e tramite due resistori in serie rispettivamente da 10 k e da 82 k, all'ingresso (non invertente) di un ulteriore opamp configurato ad inseguitore, l'ingresso (non invertente) di questo buffer è anche connesso al riferimento da un condensatore da 15 nF, il nodo tra i due resistori in serie da 10 k e 82 k è connesso alla uscita del buffer da un condensatore da 150 nF, l'uscita del buffer è connessa al morsetto di uscita per il sub tramite un condensatore da 1 mF, il morsetto di uscita è anche connesso al riferimento da un resistore da 100 k*.
* Mi pare che le migliorie citate da
(segue)
"Non farei mai parte di un club che accettasse la mia iscrizione" (G. Marx)
-

claudiocedrone
21,3k 4 7 9 - Master EY

- Messaggi: 15302
- Iscritto il: 18 gen 2012, 13:36
0
voti
(segue) Stadio di alimentazione:
La alimentazione per i 5 opamp del filtro è duale +/- 15 V e viene ricavata dalla alimentazione duale +/- 45 V dell'amplificatore in questo modo**: dal morsetto di ingresso i +45 V sono connessi al morsetto di uscita dei +15 V tramite due resistori da 2,7 k 0,5 W, il nodo tra i due resistori in serie è connesso al riferimento da un condensatore elettrolitico da 47 uF , il morsetto di uscita dei +15 V è inoltre connesso al riferimento da un diodo Zener da 15 V in parallelo ad un elettrolitico da 47 uF; identica cosa per il ramo negativo (-15 V) che ovviamente preleva i - 45 V della alimentazione duale dell'ampli, naturalmente per il rail positivo le armature positive dei due elettrolitici vanno rivolte al ramo positivo e le negative al riferimento, il catodo dello Zener rivolto al positivo e l'anodo al riferimento, mentre per il rail negativo le armature negative degli elettrolitici vanno rivolte al ramo negativo e quelle positive al riferimento comune e lo Zener ha l'anodo rivolto al negativo e il catodo al riferimento.
** Le semplificazioni sempre citate rispetto al primo schema per l'alimentazione del filtro constano nella adozione di una "brutale" stabilizzazione a Zener al posto del "vero e proprio" classico circuito di alimentazione stabilizzata a componenti discreti proposto inizialmente.
P.s.
danyto, per il bonifico il numero di conto già lo conosci
... 
P.p.s.
SediciAmpere, gia che ci sei, quale modello di opamp ritieni sia maggiormente indicato per tale applicazione considerato anche il fatto che per l'OP che "vede con il tatto" i componenti devono essere giocoforza through-hole (no SMD) ?
La alimentazione per i 5 opamp del filtro è duale +/- 15 V e viene ricavata dalla alimentazione duale +/- 45 V dell'amplificatore in questo modo**: dal morsetto di ingresso i +45 V sono connessi al morsetto di uscita dei +15 V tramite due resistori da 2,7 k 0,5 W, il nodo tra i due resistori in serie è connesso al riferimento da un condensatore elettrolitico da 47 uF , il morsetto di uscita dei +15 V è inoltre connesso al riferimento da un diodo Zener da 15 V in parallelo ad un elettrolitico da 47 uF; identica cosa per il ramo negativo (-15 V) che ovviamente preleva i - 45 V della alimentazione duale dell'ampli, naturalmente per il rail positivo le armature positive dei due elettrolitici vanno rivolte al ramo positivo e le negative al riferimento, il catodo dello Zener rivolto al positivo e l'anodo al riferimento, mentre per il rail negativo le armature negative degli elettrolitici vanno rivolte al ramo negativo e quelle positive al riferimento comune e lo Zener ha l'anodo rivolto al negativo e il catodo al riferimento.
** Le semplificazioni sempre citate rispetto al primo schema per l'alimentazione del filtro constano nella adozione di una "brutale" stabilizzazione a Zener al posto del "vero e proprio" classico circuito di alimentazione stabilizzata a componenti discreti proposto inizialmente.
P.s.
P.p.s.
"Non farei mai parte di un club che accettasse la mia iscrizione" (G. Marx)
-

claudiocedrone
21,3k 4 7 9 - Master EY

- Messaggi: 15302
- Iscritto il: 18 gen 2012, 13:36
1
voti
Ah, scusate, avevo capito che era un problema di visualizzazione di fidocad
Riguardo gli operazionali, purtroppo in questo schema sono molto critici: gli ottimi LT1013 possono essere utilizzati in tutti gli stadi (in un integrato ce ne sono due, uno rimarrebbe inutilizzato), altrimenti può essere usato il più comune NE5532 per lo stadio di ingresso e i TL072 (oppure TL071 o RC4558) per il filtro.
La rete che costituisce il filtro ha un'impedenza di ingresso molto bassa, intorno ai 700 ohm, non tutti gli integrati riescono a pilotare correttamente un carico così basso, che invece va benissimo per lo NE5532, il quale però ha un'impedenza d'ingresso piuttosto bassa, non adatta alla rete filtro. Nello stadio del filtro serve un integrato con impedenza d'ingresso di almeno 1 Megaohm.
Lo LT1013 ha ottime caratteristiche di impedenza di ingresso e di impedenza di carico e può essere impiegato in tutti gli stadi, inoltre ha anche un rumore molto basso (non è trascurabile il suo costo...)
Tutti questi operazionali esistono sia nel contenitore DIP 8 , sia nel contenitore SMD SOIC
Riguardo gli operazionali, purtroppo in questo schema sono molto critici: gli ottimi LT1013 possono essere utilizzati in tutti gli stadi (in un integrato ce ne sono due, uno rimarrebbe inutilizzato), altrimenti può essere usato il più comune NE5532 per lo stadio di ingresso e i TL072 (oppure TL071 o RC4558) per il filtro.
La rete che costituisce il filtro ha un'impedenza di ingresso molto bassa, intorno ai 700 ohm, non tutti gli integrati riescono a pilotare correttamente un carico così basso, che invece va benissimo per lo NE5532, il quale però ha un'impedenza d'ingresso piuttosto bassa, non adatta alla rete filtro. Nello stadio del filtro serve un integrato con impedenza d'ingresso di almeno 1 Megaohm.
Lo LT1013 ha ottime caratteristiche di impedenza di ingresso e di impedenza di carico e può essere impiegato in tutti gli stadi, inoltre ha anche un rumore molto basso (non è trascurabile il suo costo...)
Tutti questi operazionali esistono sia nel contenitore DIP 8 , sia nel contenitore SMD SOIC
-

SediciAmpere
4.187 5 5 8 - Master

- Messaggi: 4848
- Iscritto il: 31 ott 2013, 15:00
44 messaggi
• Pagina 4 di 5 • 1, 2, 3, 4, 5
Chi c’è in linea
Visitano il forum: Nessuno e 222 ospiti

Elettrotecnica e non solo (admin)
Un gatto tra gli elettroni (IsidoroKZ)
Esperienza e simulazioni (g.schgor)
Moleskine di un idraulico (RenzoDF)
Il Blog di ElectroYou (webmaster)
Idee microcontrollate (TardoFreak)
PICcoli grandi PICMicro (Paolino)
Il blog elettrico di carloc (carloc)
DirtEYblooog (dirtydeeds)
Di tutto... un po' (jordan20)
AK47 (lillo)
Esperienze elettroniche (marco438)
Telecomunicazioni musicali (clavicordo)
Automazione ed Elettronica (gustavo)
Direttive per la sicurezza (ErnestoCappelletti)
EYnfo dall'Alaska (mir)
Apriamo il quadro! (attilio)
H7-25 (asdf)
Passione Elettrica (massimob)
Elettroni a spasso (guidob)
Bloguerra (guerra)

