davicos ha scritto:Proverò con Blackman.. pensavo sarebbe stato meno difficoltoso.
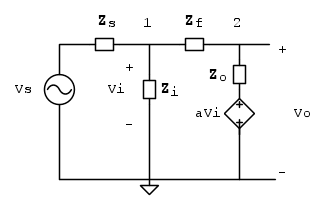
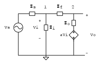
Mi applichi la KCL ai nodi 1 e 2 di questo circuito.
Vogliamo arrivare ad una funzione di trasferimento del tipo:

Dovresti essere in grado di farlo

Moderatori:
carloc,
g.schgor,
BrunoValente,
IsidoroKZ
davicos ha scritto:Proverò con Blackman.. pensavo sarebbe stato meno difficoltoso.


Potrei anche usare partitori di tensione uno dietro l'altro anche giusto?
davicos ha scritto:Potrei anche usare partitori di tensione uno dietro l'altro anche giusto?

..dopotutto sono solo simboli..
perché è un circuito generale, quando hai la sua funzione di trasferimento simbolica basta che fai le sostituzioni con le
ed eventuali 
abbiamo:

non mi intimoriscono figurati.davicos ha scritto:Comunque tutto questo perché? Per non usare Blackman?

Visitano il forum: Nessuno e 255 ospiti