Amplificatore cassa attiva guasto
Moderatori:
carloc,
g.schgor,
BrunoValente,
IsidoroKZ
0
voti
si controllati tutti i diodi, il ponte funziona dopo ci sono due elettrolitci da 680mF 200V in serie controllati, su uno dei mosfet ci sono i 300V sull'altro no. L'ntegrato è un IR2153 è il driver dell'alimentatore credo che sia lui che è saltato
-

agentili65
0 3 - New entry

- Messaggi: 81
- Iscritto il: 30 ago 2018, 17:17
0
voti
sostituito l'integrato driver e l'alimentatore a ripreso a fare il suo mestiere, una massa andata a toccare altrove mi è costata la modica cifra di 19 € (mosfet + integrato). Ora l'amplificatore ha ripreso a funzionare e la bobina a fare il suo mestiere ossia scaldare !!!!
-

agentili65
0 3 - New entry

- Messaggi: 81
- Iscritto il: 30 ago 2018, 17:17
1
voti
agentili65 ha scritto:...mi è costata la modica cifra di 19 €...
Hai scoperto il principio del "pozzo di S Patrizio"!
Dove eravamo rimasti?
Ah si!
1) Comincia a cortocircuitare l'ingresso di BF dell'amplificatore.
2) Dopodiché collega il woofer e la sonda dell'oscilloscopio in parallelo.
Attento a non invertire il GND sennò ricomincia la girandola.
3) Vedi i risultati e poi ne discutiamo!
Se quello che funziona basta non lo tocca' sennò te lassa!
0
voti
tu intendi l'ingresso che viene dalla scheda di preamplificazione (vedi foto) ?
no no tranquillo mi saldo un filo sulla massa e me lo porto lontano dalla scheda
no no tranquillo mi saldo un filo sulla massa e me lo porto lontano dalla scheda
-

agentili65
0 3 - New entry

- Messaggi: 81
- Iscritto il: 30 ago 2018, 17:17
0
voti
prova effettuata mi sembra tutto invariato
-

agentili65
0 3 - New entry

- Messaggi: 81
- Iscritto il: 30 ago 2018, 17:17
0
voti
Allora, siamo tornati al punto 0 ovvero al punto di partenza.
Questa è la reale causa che ha provocato il danno originale prima ancora che entrassi in possesso della cassa/monitor.
La presenza di questo segnale riduce la massima potenza erogabile dall'amplificatore.
Naturalmente non la si può ascoltare.
La bobina, che fa parte del filtro che converte un onda quadra in un onda sinusoidale, scalda proprio per la presenza del famoso condensatorino che ne assorbe tutta l'energia generata da questa, chiamiamola, anomalia.
Fino a qui sono gli unici dati certi che abbiamo.
Ora viene la parte più difficile, capire come viene generato questo segnale.
Non ho molta esperienza in merito a questo tipo di amplificatore.
La mia esperienza in merito è solo su tipologie più classiche come simmetrie complementari, ...
Comunque ho avuto due casi come il tuo.
Nel primo l'autoscillazione era provocata da un operazionale che precedeva lo stadio d'ingresso del finale.
E va beh, in questo caso sostituito l'operazionale è tornato tutto alla normalità.
Nel secondo caso, invece, il segnale veniva generato da un condensatore al poliestere di quelli che si trovano fra l'alimentazione e la massa.
Ora abbiamo solo uno straccio di schema, incominciamo a capire dove va il segnale BF da quando entra dal connettore fino a prima di entrare su quell'integrato SMD che hai sostituito, driver dei 2 mosfet.
Questa è la reale causa che ha provocato il danno originale prima ancora che entrassi in possesso della cassa/monitor.
La presenza di questo segnale riduce la massima potenza erogabile dall'amplificatore.
Naturalmente non la si può ascoltare.
La bobina, che fa parte del filtro che converte un onda quadra in un onda sinusoidale, scalda proprio per la presenza del famoso condensatorino che ne assorbe tutta l'energia generata da questa, chiamiamola, anomalia.
Fino a qui sono gli unici dati certi che abbiamo.
Ora viene la parte più difficile, capire come viene generato questo segnale.
Non ho molta esperienza in merito a questo tipo di amplificatore.
La mia esperienza in merito è solo su tipologie più classiche come simmetrie complementari, ...
Comunque ho avuto due casi come il tuo.
Nel primo l'autoscillazione era provocata da un operazionale che precedeva lo stadio d'ingresso del finale.
E va beh, in questo caso sostituito l'operazionale è tornato tutto alla normalità.
Nel secondo caso, invece, il segnale veniva generato da un condensatore al poliestere di quelli che si trovano fra l'alimentazione e la massa.
Ora abbiamo solo uno straccio di schema, incominciamo a capire dove va il segnale BF da quando entra dal connettore fino a prima di entrare su quell'integrato SMD che hai sostituito, driver dei 2 mosfet.
Se quello che funziona basta non lo tocca' sennò te lassa!
0
voti
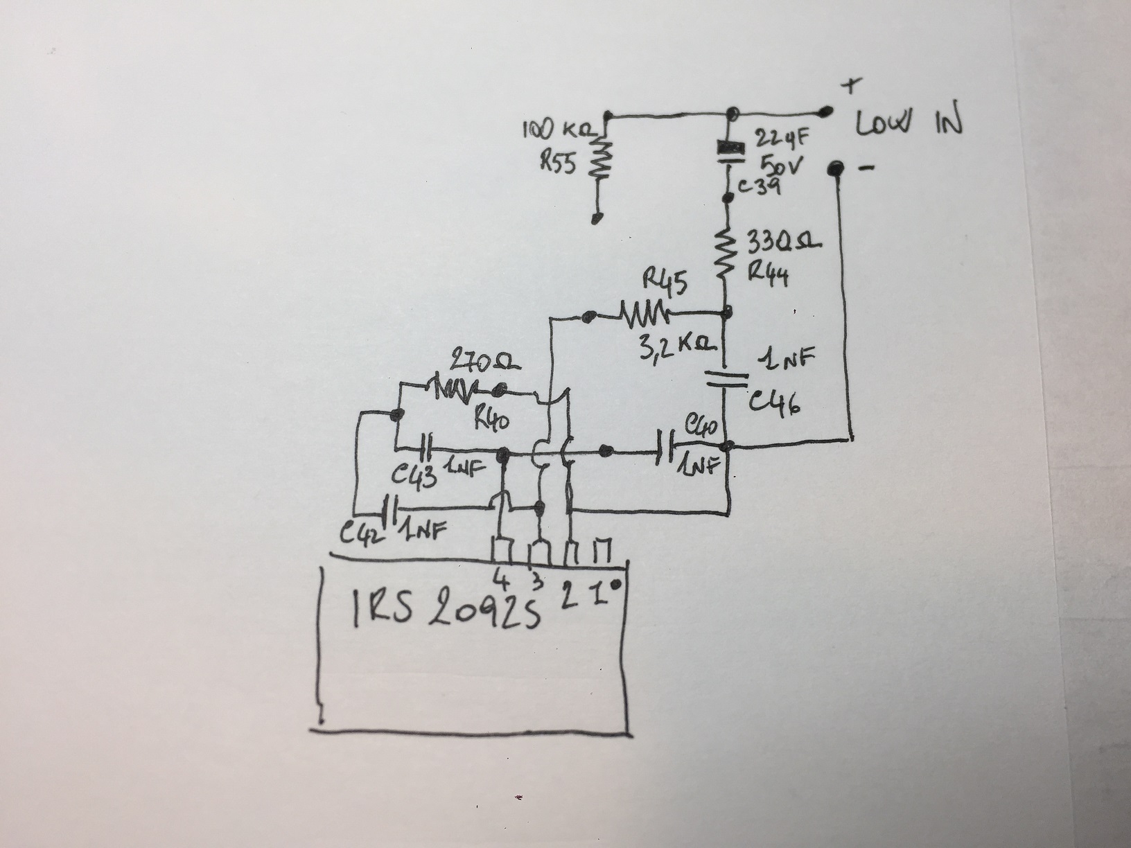
Allora mi stanno ancora girando gli occhi per districarmi tra gli SMD, in allegato quello che ho ricostruito dal circuito seguendo l'ingresso LOW, ovviamente è solo una parte....
-

agentili65
0 3 - New entry

- Messaggi: 81
- Iscritto il: 30 ago 2018, 17:17
0
voti
agentili65 ha scritto:Allora mi stanno ancora girando gli occhi per....
Ci credo!
Un bel problema dipanare la matassa.
Se quello che funziona basta non lo tocca' sennò te lassa!
0
voti
il pin 3 del driver dovrebbe essere l'ingresso, sono pochi componenti li intorno. Tra l'altro quell'IC2 presente nello schema tipo nella mia scheda non mi sembra ci sia
-

agentili65
0 3 - New entry

- Messaggi: 81
- Iscritto il: 30 ago 2018, 17:17
Chi c’è in linea
Visitano il forum: Nessuno e 68 ospiti

Elettrotecnica e non solo (admin)
Un gatto tra gli elettroni (IsidoroKZ)
Esperienza e simulazioni (g.schgor)
Moleskine di un idraulico (RenzoDF)
Il Blog di ElectroYou (webmaster)
Idee microcontrollate (TardoFreak)
PICcoli grandi PICMicro (Paolino)
Il blog elettrico di carloc (carloc)
DirtEYblooog (dirtydeeds)
Di tutto... un po' (jordan20)
AK47 (lillo)
Esperienze elettroniche (marco438)
Telecomunicazioni musicali (clavicordo)
Automazione ed Elettronica (gustavo)
Direttive per la sicurezza (ErnestoCappelletti)
EYnfo dall'Alaska (mir)
Apriamo il quadro! (attilio)
H7-25 (asdf)
Passione Elettrica (massimob)
Elettroni a spasso (guidob)
Bloguerra (guerra)
