Buongiorno a tutti,
vorrei realizzare un circuito che alla pressione di un tasto accenda immediatamente una serie di luci LED che si spengano poi lentamente (in 5 sec).
Il sistema deve però essere funzionante solo per 8 ore al giorno (eventualmente anche per 12)
Mi è stato suggerito di utilizzare un CD4060 per la temporizzazione
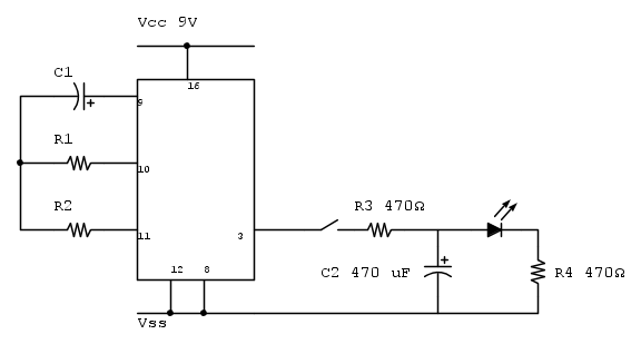
Io ho abbozzato questo
Da qui diverse domande:
Ho difficoltà nel capire il valore di resistenze e condensatori da utilizzare.
Secondo i miei calcoli se dopo 16 ore devo portare il pin 3 a Vcc dovrò aspettare 57000 sec.
Ho trovato però due formule per calcolare R1 e C1 la prima mi dice che il pin 3 andrà alto dopo R1xC1x1,2x16348 secondi, la seconda è che la frequenza generata è F=1/(R1xC1x2,2).
perché questa discordanza?
Immagino che per tenerlo 8ore acceso e 16h spento il circuito sarà più complicato di questo.
Se decidessi di portare alto il pin 3 per 12 ore, semplificherei il circuito di controllo del 4060 come in schema?
Grazie mille
Luca
Sampietrini che si illuminano al calpestarli
Moderatore:
IsidoroKZ
32 messaggi
• Pagina 1 di 4 • 1, 2, 3, 4
0
voti
0
voti
g.schgor ha scritto:Le uscite del CD4060 non possono alimentare direttamente i LED.
Dovresti specificare il loro carico equivalente.
Scusi l'ignoranza. Cosa intende per carico equivalente?
I led che voglio comandare sono a 5v 100mA tipo questi.
https://www.amazon.it/Pixnor-luminoso-lampada-illuminazione-giocattolo/dp/B00TFACWI4
o 200mA tipo questi
https://www.amazon.it/dp/B00L11FGQK/?coliid=I1SZUJXOF86ZAM&colid=1ZM1THKLQL6TS&psc=0&ref_=lv_ov_lig_dp_it
Oppure dei semplici diodi LED bianchi non ad alta potenza, anche perché vorrei alimentarli con una batteria a 9V e credo che non mi durerebbe più di 3 ore con gli altri led. giusto?
Nel caso dovrei aggiungere un transistor come interruttore?
Grazie
0
voti
Sì, dovrai aggiungere transistor (BJT o MOSFET).
Per lo spegnimento graduale bisogna pensare a qualcosa, tipo un PWM. Il condensatore da 470 µF può andar bene per spegnere gradualmente un solo piccolo LED.
Un oscillatore a resistenza e condensatore col 4060 non ha una frequenza precisa né accurata né stabile nel tempo.
Se ti serve che il circuito agisca ogni giorno alle stesse ore, ti conviene utilizzare un interruttore orario digitale, con oscillatore al quarzo.
Se alimenti un piccolo LED bianco da 5 mm, 20 mA (o due di questi LED in serie) con una pila da 9 V tipo transistor (capacità circa 200 mAh), la pila durerà circa 10 ore. Col doppio dei LED, la durata si dimezza.
Se vuoi accendere più LED, ti conviene utilizzare pile o accumulatori con capacità maggiore.
Se ci spieghi che cosa vuoi fare (il problema che vuoi risolvere, non la soluzione abbozzata col 4060 che potrebbe non essere adatta), forse possiamo esserti più d'aiuto.
Per lo spegnimento graduale bisogna pensare a qualcosa, tipo un PWM. Il condensatore da 470 µF può andar bene per spegnere gradualmente un solo piccolo LED.
Un oscillatore a resistenza e condensatore col 4060 non ha una frequenza precisa né accurata né stabile nel tempo.
Se ti serve che il circuito agisca ogni giorno alle stesse ore, ti conviene utilizzare un interruttore orario digitale, con oscillatore al quarzo.
Se alimenti un piccolo LED bianco da 5 mm, 20 mA (o due di questi LED in serie) con una pila da 9 V tipo transistor (capacità circa 200 mAh), la pila durerà circa 10 ore. Col doppio dei LED, la durata si dimezza.
Se vuoi accendere più LED, ti conviene utilizzare pile o accumulatori con capacità maggiore.
Se ci spieghi che cosa vuoi fare (il problema che vuoi risolvere, non la soluzione abbozzata col 4060 che potrebbe non essere adatta), forse possiamo esserti più d'aiuto.
Big fan of ⋮ƎlectroYou! Ausili per disabili e anziani su ⋮ƎlectroYou
Caratteri utili: À È É Ì Ò Ó Ù α β γ δ ε η θ λ μ π ρ σ τ φ ω Ω º ª ² ³ √ ∛ ∜ ₀ ₁ ₂ ₃ ₄ ₅ ₆ ∃ ∄ ∆ ∈ ∉ ± ∓ ∾ ≃ ≈ ≠ ≤ ≥
Caratteri utili: À È É Ì Ò Ó Ù α β γ δ ε η θ λ μ π ρ σ τ φ ω Ω º ª ² ³ √ ∛ ∜ ₀ ₁ ₂ ₃ ₄ ₅ ₆ ∃ ∄ ∆ ∈ ∉ ± ∓ ∾ ≃ ≈ ≠ ≤ ≥
0
voti
Grazie GuidoB
Allora, quello che voglio realizzare è un piccolo cubo (10 x 10 cm) da posizionare a filo del pavimento che una volta premuto si illumini istantaneamente e poi si spenga lentamente nel giro di pochi secondi (diciamo 5).
Il sistema dovrà attivarsi solo al calare del sole nel periodo natalizio (per questo pensavo ad 8 o 12 h) e sarà posizionato all'aperto senza possibilità di connetterlo a prese di corrente (da qui l'idea delle 9V ricaricabili).
Vorrei farlo durare almeno un mese, considerando che non verrà premuto di continuo e che posso cambiargli le batterie, ma non vorrei farlo ogni giorno.
Avrei quindi bisogno di un circuito per la temporizzazione, mentre per la sezione di luci potrei accontentarmi dei due led possibilmente in parallelo per mantenere una intensità alta della luce.
Intanto aggiorno il circuito con il transistor, aspettando altri consigli:
Ho trovato alcune batterie a 9v da 800mAh agli ioni di litio che mi allungherebbero la durata. Potrei comunque usare altre batterie al litio ma devo trovare un compromesso tra tensione e dimensioni.
Potrebbe essere una soluzione anche quella di alimentare il 4060 con una 9V e il circuito con una litio con maggiore durata, mantenendo la luminosità del cubo?
Allora, quello che voglio realizzare è un piccolo cubo (10 x 10 cm) da posizionare a filo del pavimento che una volta premuto si illumini istantaneamente e poi si spenga lentamente nel giro di pochi secondi (diciamo 5).
Il sistema dovrà attivarsi solo al calare del sole nel periodo natalizio (per questo pensavo ad 8 o 12 h) e sarà posizionato all'aperto senza possibilità di connetterlo a prese di corrente (da qui l'idea delle 9V ricaricabili).
Vorrei farlo durare almeno un mese, considerando che non verrà premuto di continuo e che posso cambiargli le batterie, ma non vorrei farlo ogni giorno.
Avrei quindi bisogno di un circuito per la temporizzazione, mentre per la sezione di luci potrei accontentarmi dei due led possibilmente in parallelo per mantenere una intensità alta della luce.
Intanto aggiorno il circuito con il transistor, aspettando altri consigli:
Ho trovato alcune batterie a 9v da 800mAh agli ioni di litio che mi allungherebbero la durata. Potrei comunque usare altre batterie al litio ma devo trovare un compromesso tra tensione e dimensioni.
Potrebbe essere una soluzione anche quella di alimentare il 4060 con una 9V e il circuito con una litio con maggiore durata, mantenendo la luminosità del cubo?
0
voti
Allora, con queste specifiche le cose cambiano, e in meglio..
Il consumo è soprattutto quando i led sono accesi, e se li vuoi tenere accesi 5 secondi (o qualcosa in più) ad ogni azionamento (e non 8 ore di fila) le pile dureranno molto di più.
1) Il temporizzatore con oscillatore RC e 4060 non ti dà la precisione richiesta per attivare/disattivare il circuito ogni giorno alla stessa ora. Potresti modificare due sveglie digitali, usando i segnali delle due suonerie per attivare/disattivare il circuito... ma mi sembra un brutto accrocchio.
2) Potresti invece utilizzare un sensore (fotoresistenza per esempio) per rilevare la luminosità ambientale, e permettere l'accensione dei led solo quando fuori c'è buio. Se non hai bisogno di mantenere l'ora, potresti costruire un circuito con autospegnimento, che non consuma nulla quando i led sono spenti.
3) Se non è un problema, potresti eliminare del tutto la limitazione di orario o luminosità ambientale, e permettere l'accensione dei led in ogni caso. Tanto, il consumo ad ogni azionamento è basso. Il circuito si semplificherebbe.
4) Per quanto riguarda l'azionamento, hai pensato al tipo di interruttore o sensore da utilizzare? Il cubo starebbe appoggiato sempre sulla stessa faccia? Potrebbe stare su qualche tipo di tappetino o piedistallo? Le facce sono flessibili?
Esistono anche semplici sensori di vibrazione e di inclinazione/capovolgimento. Potresti anche far accendere i led per 5 secondi quando il cubo viene spostato da una posizione di riposo, ad esempio con un piccolo magnete nascosto sotto il tappetino/nel piedistallo e un contatto reed nel cubo, che si attiva quando viene allontanato dal magnete.
Che cosa ne pensi di ciascun punto da 1 a 4?
In base alle tue risposte si può progettare un circuito.
Più le tue risposte permettono margine di manovra, più semplice ed economico si può progettare il circuito.
Il consumo è soprattutto quando i led sono accesi, e se li vuoi tenere accesi 5 secondi (o qualcosa in più) ad ogni azionamento (e non 8 ore di fila) le pile dureranno molto di più.
1) Il temporizzatore con oscillatore RC e 4060 non ti dà la precisione richiesta per attivare/disattivare il circuito ogni giorno alla stessa ora. Potresti modificare due sveglie digitali, usando i segnali delle due suonerie per attivare/disattivare il circuito... ma mi sembra un brutto accrocchio.
2) Potresti invece utilizzare un sensore (fotoresistenza per esempio) per rilevare la luminosità ambientale, e permettere l'accensione dei led solo quando fuori c'è buio. Se non hai bisogno di mantenere l'ora, potresti costruire un circuito con autospegnimento, che non consuma nulla quando i led sono spenti.
3) Se non è un problema, potresti eliminare del tutto la limitazione di orario o luminosità ambientale, e permettere l'accensione dei led in ogni caso. Tanto, il consumo ad ogni azionamento è basso. Il circuito si semplificherebbe.
4) Per quanto riguarda l'azionamento, hai pensato al tipo di interruttore o sensore da utilizzare? Il cubo starebbe appoggiato sempre sulla stessa faccia? Potrebbe stare su qualche tipo di tappetino o piedistallo? Le facce sono flessibili?
Esistono anche semplici sensori di vibrazione e di inclinazione/capovolgimento. Potresti anche far accendere i led per 5 secondi quando il cubo viene spostato da una posizione di riposo, ad esempio con un piccolo magnete nascosto sotto il tappetino/nel piedistallo e un contatto reed nel cubo, che si attiva quando viene allontanato dal magnete.
Che cosa ne pensi di ciascun punto da 1 a 4?
In base alle tue risposte si può progettare un circuito.
Più le tue risposte permettono margine di manovra, più semplice ed economico si può progettare il circuito.
Big fan of ⋮ƎlectroYou! Ausili per disabili e anziani su ⋮ƎlectroYou
Caratteri utili: À È É Ì Ò Ó Ù α β γ δ ε η θ λ μ π ρ σ τ φ ω Ω º ª ² ³ √ ∛ ∜ ₀ ₁ ₂ ₃ ₄ ₅ ₆ ∃ ∄ ∆ ∈ ∉ ± ∓ ∾ ≃ ≈ ≠ ≤ ≥
Caratteri utili: À È É Ì Ò Ó Ù α β γ δ ε η θ λ μ π ρ σ τ φ ω Ω º ª ² ³ √ ∛ ∜ ₀ ₁ ₂ ₃ ₄ ₅ ₆ ∃ ∄ ∆ ∈ ∉ ± ∓ ∾ ≃ ≈ ≠ ≤ ≥
0
voti
Suggerirei quest0:
0
voti
GuidoB ha scritto:1) Il temporizzatore con oscillatore RC e 4060 non ti dà la precisione richiesta per attivare/disattivare il circuito ogni giorno alla stessa ora. Potresti modificare due sveglie digitali, usando i segnali delle due suonerie per attivare/disattivare il circuito... ma mi sembra un brutto accrocchio.
A che precisione può arrivare? Per me se sbaglia di mezz'ora può non essere un problema, se sbaglia di qualche ora allora si.
GuidoB ha scritto:2) Potresti invece utilizzare un sensore (fotoresistenza per esempio) per rilevare la luminosità ambientale, e permettere l'accensione dei led solo quando fuori c'è buio. Se non hai bisogno di mantenere l'ora, potresti costruire un circuito con autospegnimento, che non consuma nulla quando i led sono spenti.
Si, ci ho pensato ma questi cubi andranno a sostituire dei "sampietrini" in un cortile, verranno quindi azionati se calpestati e credo che una fotoresistenza non mi distinguerebbe il buio da un piede.
GuidoB ha scritto:3) Se non è un problema, potresti eliminare del tutto la limitazione di orario o luminosità ambientale, e permettere l'accensione dei led in ogni caso. Tanto, il consumo ad ogni azionamento è basso. Il circuito si semplificherebbe.
Potrei anche fare così se la luce non fosse percepibile di giorno. La terrei come soluzione di scorta, a quel punto eviterei il 4060 in toto.
GuidoB ha scritto:4) Per quanto riguarda l'azionamento, hai pensato al tipo di interruttore o sensore da utilizzare? Il cubo starebbe appoggiato sempre sulla stessa faccia? Potrebbe stare su qualche tipo di tappetino o piedistallo? Le facce sono flessibili?
Esistono anche semplici sensori di vibrazione e di inclinazione/capovolgimento. Potresti anche far accendere i led per 5 secondi quando il cubo viene spostato da una posizione di riposo, ad esempio con un piccolo magnete nascosto sotto il tappetino/nel piedistallo e un contatto reed nel cubo, che si attiva quando viene allontanato dal magnete.
Il cubo sarà nel terreno, con un solo lato esposto, quello da cui emetterà luce. Dovrà appunto sostituire dei sampietrini. ho pensato ad un sensore capacitivo, come ad un fotodiodo per rilevare il calpestamento, ma mi oscurerebbero la trasmissione della luce nella faccia libera. Più semplice usare un pulsante, anche se sarà più complessa la meccanica costruttiva (ma so a chi affidarmi).
Ne realizzerò comunque una 30ina, quasi certamente tutti a mano, da cui il compromesso sulla facilità di realizzazione
Grazie!
0
voti
g.schgor ha scritto:Suggerirei quest0:
quindi così?
Domani lo testo. In questo caso il condensatore servirà a mantenere attivo il transistor per il tempo di scarica, ma riuscirò a ottenere l'effetto di fade out?
32 messaggi
• Pagina 1 di 4 • 1, 2, 3, 4
Torna a Elettronica e spettacolo
Chi c’è in linea
Visitano il forum: Nessuno e 6 ospiti

Elettrotecnica e non solo (admin)
Un gatto tra gli elettroni (IsidoroKZ)
Esperienza e simulazioni (g.schgor)
Moleskine di un idraulico (RenzoDF)
Il Blog di ElectroYou (webmaster)
Idee microcontrollate (TardoFreak)
PICcoli grandi PICMicro (Paolino)
Il blog elettrico di carloc (carloc)
DirtEYblooog (dirtydeeds)
Di tutto... un po' (jordan20)
AK47 (lillo)
Esperienze elettroniche (marco438)
Telecomunicazioni musicali (clavicordo)
Automazione ed Elettronica (gustavo)
Direttive per la sicurezza (ErnestoCappelletti)
EYnfo dall'Alaska (mir)
Apriamo il quadro! (attilio)
H7-25 (asdf)
Passione Elettrica (massimob)
Elettroni a spasso (guidob)
Bloguerra (guerra)








