Mi è stato chiesto in PM di non commentare ulteriormente questo 'progetto' per questioni che esulano l'aspetto tecnico della questione.
Datane motivazione, la cosa non mi pesa.
Sampietrini che si illuminano al calpestarli
Moderatore:
IsidoroKZ
32 messaggi
• Pagina 3 di 4 • 1, 2, 3, 4
0
voti
Per apportare qualche idea che potrebbe esserti utile, inserisco un disegno di una possibile realizzazione di uno di questi cubi.
La parte più delicata sarà scegliere il valore dei componenti per dare al circuito la sensibilità giusta, che dipende dal livello di luminosità notturno e da quanta luce trasmette la superficie opalina calpestabile. Sarà necessario effettuare delle prove nelle condizioni finali.
Un'altra possibilità è usare come sensore un interruttore, magari sensibile alla deformazione/schiacciamento del coperchio del vasetto quando il cubetto viene calpestato.
L'adesivo sigillante trasparente potrebbe essere ad esempio questo, questo o questo.
Le pile alcaline hanno un intervallo di temperature di funzionamento da -18 ºC a 55 ºC (pdf), pur avendo un rendimento inferiore a bassa temperatura.
I condensatori elettrolitici all'alluminio si possono utilizzare tra -40 ºC a 85 o 105 ºC (pdf).
Gli altri componenti non credo abbiano problemi, comunque andrebbe fatto un controllo, e alla fine delle prove in campo.
La parte più delicata sarà scegliere il valore dei componenti per dare al circuito la sensibilità giusta, che dipende dal livello di luminosità notturno e da quanta luce trasmette la superficie opalina calpestabile. Sarà necessario effettuare delle prove nelle condizioni finali.
Un'altra possibilità è usare come sensore un interruttore, magari sensibile alla deformazione/schiacciamento del coperchio del vasetto quando il cubetto viene calpestato.
L'adesivo sigillante trasparente potrebbe essere ad esempio questo, questo o questo.
Le pile alcaline hanno un intervallo di temperature di funzionamento da -18 ºC a 55 ºC (pdf), pur avendo un rendimento inferiore a bassa temperatura.
I condensatori elettrolitici all'alluminio si possono utilizzare tra -40 ºC a 85 o 105 ºC (pdf).
Gli altri componenti non credo abbiano problemi, comunque andrebbe fatto un controllo, e alla fine delle prove in campo.
Big fan of ⋮ƎlectroYou! Ausili per disabili e anziani su ⋮ƎlectroYou
Caratteri utili: À È É Ì Ò Ó Ù α β γ δ ε η θ λ μ π ρ σ τ φ ω Ω º ª ² ³ √ ∛ ∜ ₀ ₁ ₂ ₃ ₄ ₅ ₆ ∃ ∄ ∆ ∈ ∉ ± ∓ ∾ ≃ ≈ ≠ ≤ ≥
Caratteri utili: À È É Ì Ò Ó Ù α β γ δ ε η θ λ μ π ρ σ τ φ ω Ω º ª ² ³ √ ∛ ∜ ₀ ₁ ₂ ₃ ₄ ₅ ₆ ∃ ∄ ∆ ∈ ∉ ± ∓ ∾ ≃ ≈ ≠ ≤ ≥
0
voti
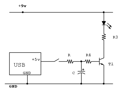
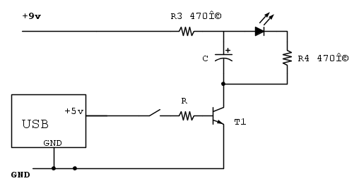
Ho sperimentato i vari circuiti con un 2N222A e componenti a mia disposizione:
C 100uF
R 70 kohm
R3 4,7 kohm
R4 220 Ohm.
Il led a mia disposizione è un led bianco, di cui però purtroppo non ho caratteristiche precise se non
la caduta di tensione: DC 3,0V-3,4V
Questo circuito funziona ma il led diminuisce in intensità rapidamente, ma si spegne completamente dopo lungo tempo e non ha mai una intensità elevata. Immagino dipenda dal condensatore, diverso da quello specificato.
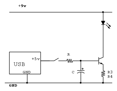
Stessi valori per il circuito seguente alternando le resistenze R3 e R4 e verificando che con la R4 il led è molto più luminoso. Il tempo di fade out è però troppo lento per i miei scopi. Lo spegnimento totale anche qui avviene dopo almeno un minuto. L'accensione risulta poi graduale, mentre a me servirebbe immediata.
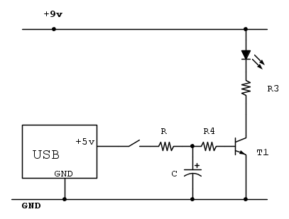
Ho poi riprovato con questo
Utilizzando C a 1000uF e mi sembra funzionare bene (anche qui non si spegne mai del tutto ma rimane "invisibilmente" acceso il led.
C'è qualche problematica con questo circuito a cui potrei andare incontro, per il quale sarebbe meglio ottimizzare uno dei due precedenti?
C 100uF
R 70 kohm
R3 4,7 kohm
R4 220 Ohm.
Il led a mia disposizione è un led bianco, di cui però purtroppo non ho caratteristiche precise se non
la caduta di tensione: DC 3,0V-3,4V
Questo circuito funziona ma il led diminuisce in intensità rapidamente, ma si spegne completamente dopo lungo tempo e non ha mai una intensità elevata. Immagino dipenda dal condensatore, diverso da quello specificato.
Stessi valori per il circuito seguente alternando le resistenze R3 e R4 e verificando che con la R4 il led è molto più luminoso. Il tempo di fade out è però troppo lento per i miei scopi. Lo spegnimento totale anche qui avviene dopo almeno un minuto. L'accensione risulta poi graduale, mentre a me servirebbe immediata.
Ho poi riprovato con questo
Utilizzando C a 1000uF e mi sembra funzionare bene (anche qui non si spegne mai del tutto ma rimane "invisibilmente" acceso il led.
C'è qualche problematica con questo circuito a cui potrei andare incontro, per il quale sarebbe meglio ottimizzare uno dei due precedenti?
0
voti
GuidoB ha scritto: Potresti usare un quarzo da orologio (32,768 kHz) e tre 4060 in cascata, uno dei quali collegato come divisore per 10800 utilizzando alcuni componenti esterni.
Se non ingombrante, la porterei come una delle soluzioni papabili.
GuidoB ha scritto:Come regoli l'orario? Potresti semplicemente far partire il temporizzatore collegando la pila all'ora in cui vuoi l'accensione
si, vorrei attivarlo così.
Lookerbie ha scritto:...sicuramente ci pioverà e potrebbe anche nevicarci sopra.
GuidoB ha scritto:Allora dovrai chiudere i circuiti in contenitori ermetici (pensavo a vasetti di vetro con coperchio a vite, dopo se mai ti faccio un disegno).
ti ringrazio, utilizzerò i tuoi consigli nel disegno del contenitore.
GuidoB ha scritto:E invece, dei sensori di luce (fotoresistenze o fotodiodi) potrebbero essere una soluzione semplice per capire se è giorno o notte, e per capire se il cubetto è stato calpestato.
Perché eviteresti le fotoresistenze?
In realtà perché credo di aver non aver capito l'intenzione di utilizzo. Con la fotoresistenza eliminerei il temporizzatore? Se così fosse, l'unico dubbio è che anche calpestate di giorno emetteranno luce (forse qui mi perdo nel capirne l'utilizzo)
GuidoB ha scritto:Se pensi di usare fotoresistenze o fotodiodi, per la messa a punto sarebbe utile provare sul posto (con la sua illuminazione diurna e notturna) se un cubetto si attiva correttamente quando viene calpestato (e non quando viene coperto da un'ombra, per esempio).
Se non è possibile provare nel luogo definitivo, potresti andare in un posto simile?
Si, effettivamente un posto analogo posso trovarlo, anche senza interrarle.
A questo punto, indipendentemente dall'utilizzo esclusivo di fotoresistenze, o insieme al C4060, la calibrazione di una fotoresistenza/fotodiodo/fototransistor al posto del pulsante mi faciliterebbe di molto il disegno della meccanica (niente più pulsanti da premere).
Tu mi consigli la fotoresistenza per distinguere tra ombra e piede, giusto?
Come la integrerei nel circuito?
0
voti
Vero...
ora è più luminoso ma comunque molto lento nello spegnersi.
Ultima modifica di
lillo il 10 ott 2018, 10:02, modificato 1 volta in totale.
Motivazione: Non quotare per rispondere al messaggio precedente.
Motivazione: Non quotare per rispondere al messaggio precedente.
0
voti
Appena riesco ti disegno un circuito con sensore di luminosità.
Nel frattempo volevo chiederti:
1) la luce deve accendersi appena il piede ricopre il sampietrino, o appena viene tolto dal sampietrino?
2) la luce deve accendersi al massimo e iniziare immediatamente a diminuire di luminosità, o mantenersi al massimo per un po' (quanto?) e poi diminuire?
Nel frattempo volevo chiederti:
1) la luce deve accendersi appena il piede ricopre il sampietrino, o appena viene tolto dal sampietrino?
2) la luce deve accendersi al massimo e iniziare immediatamente a diminuire di luminosità, o mantenersi al massimo per un po' (quanto?) e poi diminuire?
Big fan of ⋮ƎlectroYou! Ausili per disabili e anziani su ⋮ƎlectroYou
Caratteri utili: À È É Ì Ò Ó Ù α β γ δ ε η θ λ μ π ρ σ τ φ ω Ω º ª ² ³ √ ∛ ∜ ₀ ₁ ₂ ₃ ₄ ₅ ₆ ∃ ∄ ∆ ∈ ∉ ± ∓ ∾ ≃ ≈ ≠ ≤ ≥
Caratteri utili: À È É Ì Ò Ó Ù α β γ δ ε η θ λ μ π ρ σ τ φ ω Ω º ª ² ³ √ ∛ ∜ ₀ ₁ ₂ ₃ ₄ ₅ ₆ ∃ ∄ ∆ ∈ ∉ ± ∓ ∾ ≃ ≈ ≠ ≤ ≥
0
voti
Ho effettuato qualche prova con una fotoresistenza e un fotodiodo.
Sarebbe opportuno provare anche con un fototransistor, che è più sensibile di un fotodiodo, ma non ne ho uno disponibile.
Risultato: il fotodiodo lascia passare troppo poca corrente, mentre la fotoresistenza va bene (deve essere del tipo a resistenza più alta, di oltre 10 megaohm al buio). Ovviamente il livello di illuminazione notturna del cortile e la trasmissione della luce della faccia opalina dei sampietrini devono essere sufficienti, e questo si può sapere con sicurezza effettuando delle prove.
Tutti i sampietrini ricevono più o meno la stessa illuminazione notturna? Se ci sono illuminazioni molto diverse, potrebbe essere necessario avere diverse tarature dei sampietrini.
Per quanto riguarda lo spegnimento di giorno, è molto probabile che il livello di illuminazione diurno sia talmente elevato da non permettere, col circuito che ho in mente, il rilevamento del calpestìo, e quindi potresti non aver bisogno di nessun temporizzatore. Coglieresti due piccioni con una fava.
Ho cambiato il titolo della discussione con un altro più adeguato.
Sarebbe opportuno provare anche con un fototransistor, che è più sensibile di un fotodiodo, ma non ne ho uno disponibile.
Risultato: il fotodiodo lascia passare troppo poca corrente, mentre la fotoresistenza va bene (deve essere del tipo a resistenza più alta, di oltre 10 megaohm al buio). Ovviamente il livello di illuminazione notturna del cortile e la trasmissione della luce della faccia opalina dei sampietrini devono essere sufficienti, e questo si può sapere con sicurezza effettuando delle prove.
Tutti i sampietrini ricevono più o meno la stessa illuminazione notturna? Se ci sono illuminazioni molto diverse, potrebbe essere necessario avere diverse tarature dei sampietrini.
Per quanto riguarda lo spegnimento di giorno, è molto probabile che il livello di illuminazione diurno sia talmente elevato da non permettere, col circuito che ho in mente, il rilevamento del calpestìo, e quindi potresti non aver bisogno di nessun temporizzatore. Coglieresti due piccioni con una fava.
Ho cambiato il titolo della discussione con un altro più adeguato.
Big fan of ⋮ƎlectroYou! Ausili per disabili e anziani su ⋮ƎlectroYou
Caratteri utili: À È É Ì Ò Ó Ù α β γ δ ε η θ λ μ π ρ σ τ φ ω Ω º ª ² ³ √ ∛ ∜ ₀ ₁ ₂ ₃ ₄ ₅ ₆ ∃ ∄ ∆ ∈ ∉ ± ∓ ∾ ≃ ≈ ≠ ≤ ≥
Caratteri utili: À È É Ì Ò Ó Ù α β γ δ ε η θ λ μ π ρ σ τ φ ω Ω º ª ² ³ √ ∛ ∜ ₀ ₁ ₂ ₃ ₄ ₅ ₆ ∃ ∄ ∆ ∈ ∉ ± ∓ ∾ ≃ ≈ ≠ ≤ ≥
0
voti
GuidoB ha scritto:1) la luce deve accendersi appena il piede ricopre il sampietrino, o appena viene tolto dal sampietrino?
2) la luce deve accendersi al massimo e iniziare immediatamente a diminuire di luminosità, o mantenersi al massimo per un po' (quanto?) e poi diminuire?
Servirebbe che la luce si accendesse immediatamente al massimo appena il piede copre il sampietrino per poi diminuire lentamente da quando viene tolto il piede.
g.schgor ha scritto:C va dimezzato...
Mi procuro diversi condensatori e provo!
Grazie mille
32 messaggi
• Pagina 3 di 4 • 1, 2, 3, 4
Torna a Elettronica e spettacolo
Chi c’è in linea
Visitano il forum: Nessuno e 28 ospiti

Elettrotecnica e non solo (admin)
Un gatto tra gli elettroni (IsidoroKZ)
Esperienza e simulazioni (g.schgor)
Moleskine di un idraulico (RenzoDF)
Il Blog di ElectroYou (webmaster)
Idee microcontrollate (TardoFreak)
PICcoli grandi PICMicro (Paolino)
Il blog elettrico di carloc (carloc)
DirtEYblooog (dirtydeeds)
Di tutto... un po' (jordan20)
AK47 (lillo)
Esperienze elettroniche (marco438)
Telecomunicazioni musicali (clavicordo)
Automazione ed Elettronica (gustavo)
Direttive per la sicurezza (ErnestoCappelletti)
EYnfo dall'Alaska (mir)
Apriamo il quadro! (attilio)
H7-25 (asdf)
Passione Elettrica (massimob)
Elettroni a spasso (guidob)
Bloguerra (guerra)









