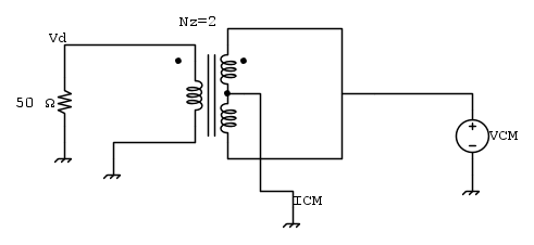
Nello schema illustrato di seguito, il trasformatore è usato per isolare il segnale di modo comune da quello differenziale. Il center-tap del trasformatore è collegato al ground, il segnale differenziale è chiuso su 50 Ohm. Qual è l´impedenza che vede il disturbo di modo comune ?
Io semplifico per il modo comune il circuito così.
pertanto calcolo 25 Ohm di resistenza verso ground. Corretto?
Grazie in anticipo per eventuale contributo.
Trasformatore RF usato come balun
Moderatori:
carloc,
g.schgor,
BrunoValente,
IsidoroKZ
8 messaggi
• Pagina 1 di 1
1
voti
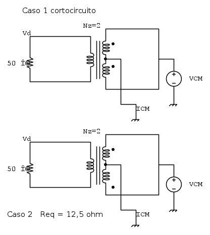
Se il primario è un avvolgimento a presa centrale, la VCM risulta connesso a due avvolgimenti con sensi discordanti in parallelo che costituiscono idealmente un cortocircuito.
1
voti
Lo schema elettrico è ambiguo perché incompleto:
mancano i pallini che individuano il senso degli avvolgimenti.
e il rapporto spire Nz = 2 individua il rapporto secondario/somma dei primari ?
Se è come da tuo ragionamento:
I due avvolgimenti primari risultano in parallelo: sono come un unico primario con sezione filo doppia.
Il rapporto tensioni è due, quello impedenza 4, quindi vedresti al primario 50/4 = 12,5 ohm
mancano i pallini che individuano il senso degli avvolgimenti.
e il rapporto spire Nz = 2 individua il rapporto secondario/somma dei primari ?
Se è come da tuo ragionamento:
I due avvolgimenti primari risultano in parallelo: sono come un unico primario con sezione filo doppia.
Il rapporto tensioni è due, quello impedenza 4, quindi vedresti al primario 50/4 = 12,5 ohm
0
voti
MarcoD ha scritto:Lo schema elettrico è ambiguo perché incompleto:![]()
e credo che (a ragione) mi prenderò ancora più critiche per quanto sto per scrivere
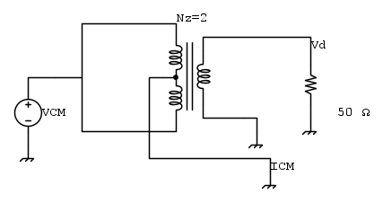
Si, Nz è il rapporto secondario/primario.
In questo caso sto invertendo primario e secondario del trasformatore considerando il segnale di modo comune in ingresso al secondario.
1
voti
Il tuo ultimo post mi pare ambiguo:
Il circuito valido è quello 1 o quello 2 (osserva i pallini dell'avvolgimento primario. La fase del secondario è ininfluente ) ?.
Mi sembra che il circuito 1 sia quello più probabile. Però sei tu il proprietario del problema
Io a domanda (anche poco ragionevole), rispondo
In entrambe le configurazioni concordi o no con le mie considerazioni ?

p.s: Il tuo è un problema didattico (preparazione esame, o tesina ?) o vuoi effettivamente costruire/sperimentare un balun ?
0
voti
Zeitung ha scritto: considerando il segnale di modo comune in ingresso al secondario.
Il trasformatore non ha scritto in fronte qual e` il primario e quale e` il secondario. Leggi bene quanto ti ha detto
Per usare proficuamente un simulatore, bisogna sapere molta più elettronica di lui
Plug it in - it works better!
Il 555 sta all'elettronica come Arduino all'informatica! (entrambi loro malgrado)
Se volete risposte rispondete a tutte le mie domande
Plug it in - it works better!
Il 555 sta all'elettronica come Arduino all'informatica! (entrambi loro malgrado)
Se volete risposte rispondete a tutte le mie domande
0
voti
La domanda non é riferita ad un problema reale (tesina, esame, lavoro).
Mi sono inbattuto in quello schema dopo aver cominciato a ricercare qualcosa sui balun. Oggi sono ritornato sull´argomento partendo da qualcosa di leggermente diverso considerando un trasformatore con rapporto di trasformazione 1:1.
Con questa configurazione, il trasformatore mette sulla presa centrale il segnale di modo comune mentre quello differenziale è in uscita sul secondario.
La tensione sulle due uscite del primario causata dalla corrente di modo comune è uguale ed opposta ed è quindi non presente in uscita al secondario.
L´impedenza che vede il modo comune è nulla.
Mi sono inbattuto in quello schema dopo aver cominciato a ricercare qualcosa sui balun. Oggi sono ritornato sull´argomento partendo da qualcosa di leggermente diverso considerando un trasformatore con rapporto di trasformazione 1:1.
Con questa configurazione, il trasformatore mette sulla presa centrale il segnale di modo comune mentre quello differenziale è in uscita sul secondario.
La tensione sulle due uscite del primario causata dalla corrente di modo comune è uguale ed opposta ed è quindi non presente in uscita al secondario.
L´impedenza che vede il modo comune è nulla.
8 messaggi
• Pagina 1 di 1
Chi c’è in linea
Visitano il forum: Nessuno e 50 ospiti

Elettrotecnica e non solo (admin)
Un gatto tra gli elettroni (IsidoroKZ)
Esperienza e simulazioni (g.schgor)
Moleskine di un idraulico (RenzoDF)
Il Blog di ElectroYou (webmaster)
Idee microcontrollate (TardoFreak)
PICcoli grandi PICMicro (Paolino)
Il blog elettrico di carloc (carloc)
DirtEYblooog (dirtydeeds)
Di tutto... un po' (jordan20)
AK47 (lillo)
Esperienze elettroniche (marco438)
Telecomunicazioni musicali (clavicordo)
Automazione ed Elettronica (gustavo)
Direttive per la sicurezza (ErnestoCappelletti)
EYnfo dall'Alaska (mir)
Apriamo il quadro! (attilio)
H7-25 (asdf)
Passione Elettrica (massimob)
Elettroni a spasso (guidob)
Bloguerra (guerra)









