Cos'è ElectroYou | Login Iscriviti

ElectroYou - la comunità dei professionisti del mondo elettrico

Cassa Stageline bk 115 finali bruciati

Tecniche per la costruzione e la riparazione di apparecchiature elettriche e non. Ricerca guasti. Adattamenti e riutilizzazioni
0
voti

[11] Re: Cassa Stageline bk 115 finali bruciati

Messaggioda Foto Utenteelfo » 19 ott 2018, 18:04

Fermo restando gli ottimi spunti di Foto UtenteSediciAmpere (che ci torneranno buoni in seguito) considera:

- la mia affermazione seguente e' sbagliata perche il tuo disegno va bene (ha una logica) ed il mio schema e' uguale al tuo.
elfo ha scritto:il transistor A1930 e' collegato in modo diverso

Da quanto sopra, scaturisce che Ra2 (simmetrica di Ra1 15 k) vale anch'essa 15 k

Rimangono ignote - come presenza e valore - RB1,2, RC1,2 e la resistenza di feedback.

- io proverei - a fronte dell'ipotetico schema - a ricostruire lo schema "vero"

- sul lato "Test" io proverei ad alimentare il finale tramite due resistenze da 1 kohm 10 W.

Comprerei una manciata di resistenze da 1 k per poterne mettere in parallelo diverse, man mano che il sistema "comincia" a funzionare e poi puoi utilizzarle come carico "fittizio" quando tutto funziona.

- ritornando agli spunti di SediciAmpere prova a:

1) scollegare la resistenza da 10 ohm
2) cortocircuitare la serie trimmer 1 K e 2 diodi
3) collegare a massa il cortocircuito del punto 2)
4) verificare che non c'e' piu' nessun componente che "fuma"

L'ipotesi di Foto UtenteSediciAmpere che il trimmer (in particolare il cursore) sia andato a "donnine allegre" fa scopa con quello che scrivi
Totolivu ha scritto:resistenza di emettitore dei piloti, in particolare quella del c5171 (non c5117 pardon) riscaldano fino a fumare

Avatar utente
Foto Utenteelfo
6.819 4 5 7
G.Master EY
G.Master EY
 
Messaggi: 2828
Iscritto il: 15 lug 2016, 13:27

0
voti

[12] Re: Cassa Stageline bk 115 finali bruciati

Messaggioda Foto UtenteTotolivu » 20 ott 2018, 1:51

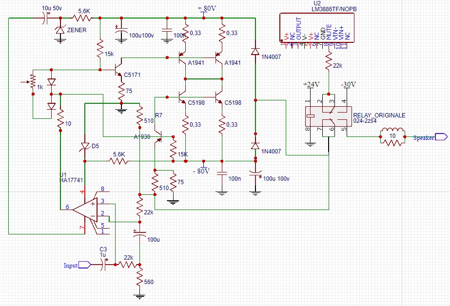
Ragazzi grazie infinite del tempo che mi state dedicando se non fosse per la passione avrei già richiuso tutto messo da parte. Ho delle news.... Premessa.... questo circuito amplifica il segnale che va al woofer, sullo stesso PCB c'è anche un circuito per l amplificazione del tweeter basato su un lm3886, che viene alimentato da +30 e -30V. Sullo schema non ho ritenuto necessario riportare l antibump... che consiste in un relay 024-2zs4, quest'ultimo,alimentato a sua volta da un'altra tensione ancora, quando si accende l interruttore della cassa chiude due contatti, uno connette il woofer ai collettori dei finali oggetto del post e l altro porta la -30V al lm3886... EBBENE ... il relay che ho sostituito inizialmente perché fuso insieme ai finali, è di tipo diverso dall originale ovvero I contatti dove sono collegati il woofer e la -30V sono in corto.... quindi di conseguenza questi -30V arrivano sani sani sui collettori dei finali e, seppur ridotti fino a -4V, sulle basi dei transistor pilota. Ancora non ho sostituito il tutto ma a questo punto mi sembra chiaro il.problema Voi che dite?
Avatar utente
Foto UtenteTotolivu
20 5
New entry
New entry
 
Messaggi: 71
Iscritto il: 20 apr 2017, 22:59

0
voti

[13] Re: Cassa Stageline bk 115 finali bruciati

Messaggioda Foto UtenteTotolivu » 20 ott 2018, 8:27

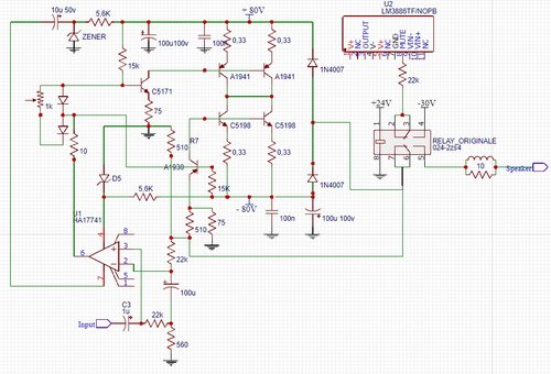
Aggiungo uno schema dell'antibump in origine e con relay "SBAGLIATO" ?%
Allegati
Schema relay.jpg
Avatar utente
Foto UtenteTotolivu
20 5
New entry
New entry
 
Messaggi: 71
Iscritto il: 20 apr 2017, 22:59

0
voti

[14] Re: Cassa Stageline bk 115 finali bruciati

Messaggioda Foto UtenteSediciAmpere » 20 ott 2018, 8:54

Totolivu ha scritto:e l altro porta la -30V al lm3886

Mi sembra strano
Quando si accende e si spegne, dalla tromba esce uno schiocco molto forte?
Avatar utente
Foto UtenteSediciAmpere
4.187 5 5 8
Master
Master
 
Messaggi: 4847
Iscritto il: 31 ott 2013, 15:00

0
voti

[15] Re: Cassa Stageline bk 115 finali bruciati

Messaggioda Foto UtenteTotolivu » 20 ott 2018, 9:10

L unica volta che l ho provato collegato agli speaker ho sentito un forte rumore di alternata indipendente dal volume.
Avatar utente
Foto UtenteTotolivu
20 5
New entry
New entry
 
Messaggi: 71
Iscritto il: 20 apr 2017, 22:59

0
voti

[16] Re: Cassa Stageline bk 115 finali bruciati

Messaggioda Foto UtenteTotolivu » 22 ott 2018, 17:51

SediciAmpere ha scritto:Mi sembra strano
Quando si accende e si spegne, dalla tromba esce uno schiocco molto forte?


i -30V vanno al pin 8 che disattiva il mute, l'ho riportato nello schema aggiornato.

elfo ha scritto:- sul lato "Test" io proverei ad alimentare il finale tramite due resistenze da 1 kohm 10 W.


Posso provare il metodo lampadina 100W in serie al all'alimentazione del primario? Salvarebbe i finali?

elfo ha scritto:- io proverei - a fronte dell'ipotetico schema - a ricostruire lo schema "vero"

Elfo ci ho provato, lo aggiungo di seguito.

Nel frattempo visto che non ho ancora i finali di ricambio, ho fatto delle misure alimentando SOLO la sezione +-30V e sulle basi dei C5198 ho rilevato una tensione di circa -3,4V e su quelle dei A1941 circa +3,4V. La cosa mi sembra anomala da dove vengono?

In piu' al primo intervento avevo sostituito la resistenza di emettitore del pilota C5171 con una di valore leggermente superiore 82 anzichè 75 (che non si trova) e tutte le 0,33 dei finali però mi sono accorto che una (forse ho scambiato i colori) l'ho messa da 0,22 nello specifico quella del primo A1941 (lato +80). :lol:

Nel LM3886 sul pin 9 (-Vin) ci sono circa -7V ho visto che questo pin va direttamente al tweeter. Anche questo non dovrebbe essere cosi'. Mi viene il dubbio che si sia guastato anche lui. ?%
Allegati
Schema.jpg
Schema aggiornato
Avatar utente
Foto UtenteTotolivu
20 5
New entry
New entry
 
Messaggi: 71
Iscritto il: 20 apr 2017, 22:59

0
voti

[17] Re: Cassa Stageline bk 115 finali bruciati

Messaggioda Foto Utenteelfo » 22 ott 2018, 19:41

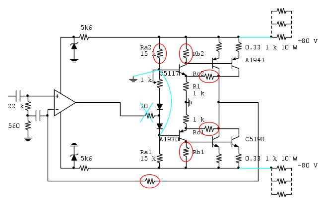
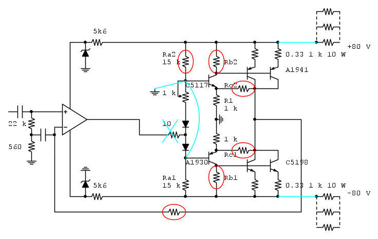
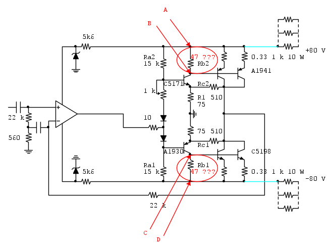
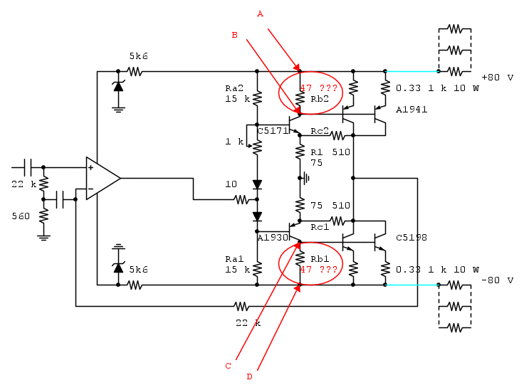
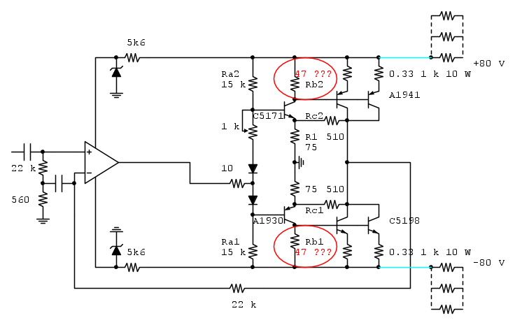
Il circuito comincia ad avere un senso.

Mancano ancora i componenti Rb1 e Rb2 (cerchiati di rosso).
I valori di tali componenti potrebbe essere nell'intorno dei 47 ohm.

Per la resistenza da 75 ohm metti in parallelo due resistenze da 150 ohm

Alimenta il circuito a tensione nominale +/- 80 V o +/- 70 V tramite due resistenze da 1 kohm 10 W
Avatar utente
Foto Utenteelfo
6.819 4 5 7
G.Master EY
G.Master EY
 
Messaggi: 2828
Iscritto il: 15 lug 2016, 13:27

0
voti

[18] Re: Cassa Stageline bk 115 finali bruciati

Messaggioda Foto UtenteTotolivu » 22 ott 2018, 20:27

elfo ha scritto:Mancano ancora i componenti Rb1 e Rb2 (cerchiati di rosso).


È possibile che non ci siano? I collettori dei piloti vanno dritti alle basi dei finali, non vedo altre piste.
Avatar utente
Foto UtenteTotolivu
20 5
New entry
New entry
 
Messaggi: 71
Iscritto il: 20 apr 2017, 22:59

0
voti

[19] Re: Cassa Stageline bk 115 finali bruciati

Messaggioda Foto Utenteelfo » 22 ott 2018, 20:57

Ad amplificatore spento da un bel po' (per assicurarsi che i condensatori siano scarichi e quindi che le misure di resistenza *non* siano falsate da tensioni "residue")

Misura e riporta I valori misurati nella tabellina qui sotto:

Multimetro in Vdc

- V A-B tensione tra il collettore di C5171 e V+ =
- V C-D tensione tra il collettore di A1930 e V- =

Multimetro in ohm portata 2 kohm F.S.

- R A-B resistenza tra il collettore di C5171 e V+ =
- R C-D resistenza tra il collettore di A1930 e V- =
Avatar utente
Foto Utenteelfo
6.819 4 5 7
G.Master EY
G.Master EY
 
Messaggi: 2828
Iscritto il: 15 lug 2016, 13:27

0
voti

[20] Re: Cassa Stageline bk 115 finali bruciati

Messaggioda Foto UtenteTotolivu » 23 ott 2018, 7:18

R A-B resistenza tra il collettore di C5171 e V+ = OL(4.2M)
- R C-D resistenza tra il collettore di A1930 e V- = OL

Le tensioni non le misurate perché non ho ancora I inali di ricambio.
Avatar utente
Foto UtenteTotolivu
20 5
New entry
New entry
 
Messaggi: 71
Iscritto il: 20 apr 2017, 22:59

PrecedenteProssimo

Torna a Costruzione, riparazione, riutilizzo

Chi c’è in linea

Visitano il forum: Nessuno e 6 ospiti