Cos'è ElectroYou | Login Iscriviti

ElectroYou - la comunità dei professionisti del mondo elettrico

Cassa Stageline bk 115 finali bruciati

Tecniche per la costruzione e la riparazione di apparecchiature elettriche e non. Ricerca guasti. Adattamenti e riutilizzazioni
0
voti

[21] Re: Cassa Stageline bk 115 finali bruciati

Messaggioda Foto Utenteelfo » 23 ott 2018, 7:43

elfo ha scritto:Ad amplificatore spento da un bel po' (per assicurarsi che i condensatori siano scarichi e quindi che le misure di resistenza *non* siano falsate da tensioni "residue")

Totolivu ha scritto:Le tensioni non le misurate perché non ho ancora I inali di ricambio.

Le tensioni avrebbero dovuto essere misurate (indipendentemente dalla presenza dei transistor e ad amplificatore spento)

per assicurarsi che i condensatori siano scarichi e quindi che le misure di resistenza *non* siano falsate da tensioni "residue".

Due punti:

1) la (apparente) mancanza delle resistenze Rb1 e Rb2 e' "sospetta": sono componenti *indispensabili* (la spiegazione in un prox post)

2) domande:
-- le resistenze Rc1 e Rc2 (510 ohm) che potenza dissipabile hanno (1/4 W, 1 W, ...)?
-- le resistenze Rc1 e Rc2 (510 ohm) di che tipo sono (impasto, a filo ....)?
-- le resistenze Rc1 e Rc2 (510 ohm) che dimensioni (lunghezza x diametro hanno)?
Avatar utente
Foto Utenteelfo
6.819 4 5 7
G.Master EY
G.Master EY
 
Messaggi: 2828
Iscritto il: 15 lug 2016, 13:27

0
voti

[22] Re: Cassa Stageline bk 115 finali bruciati

Messaggioda Foto UtenteTotolivu » 23 ott 2018, 9:05

Totolivu ha scritto:per assicurarsi che i condensatori siano scarichi e quindi che le misure di resistenza *non* siano falsate da tensioni "residue".


Ok non avevo letto bene, comunque la scheda era fisicamente staccata dalle alimentazioni da 2 giorni.

Ho ripetuto le misure, cortociruitando a questo punto anche gli elettrolitici presenti sulla scheda:

le tensioni sono nell'ordine dei millivolt e le resistenze rimangono uguali alla misura precedente.

elfo ha scritto:1) la (apparente) mancanza delle resistenze Rb1 e Rb2 e' "sospetta": sono componenti *indispensabili* (la spiegazione in un prox post)


Capisco, ma il progettista avrà voluto risparmiare. :lol: (attendo il post mi piace la materia, rispolverare un po' di teoria non fa mai male)

elfo ha scritto:2) domande:
-- le resistenze Rc1 e Rc2 (510 ohm) che potenza dissipabile hanno (1/4 W, 1 W, ...)?
-- le resistenze Rc1 e Rc2 (510 ohm) di che tipo sono (impasto, a filo ....)?
-- le resistenze Rc1 e Rc2 (510 ohm) che dimensioni (lunghezza x diametro hanno)?


-- 2W
-- impasto
-- circa 1,5 x 0,5 cm
Avatar utente
Foto UtenteTotolivu
20 5
New entry
New entry
 
Messaggi: 71
Iscritto il: 20 apr 2017, 22:59

0
voti

[23] Re: Cassa Stageline bk 115 finali bruciati

Messaggioda Foto UtenteTotolivu » 23 ott 2018, 10:42

Ho smontato lm3886 sul pin 3 output avevo sempre -32v. (non credo sia normale)

E poi sui collettori dei piloti e quindi sulle basi dei finali ho tensione rispettivamente -3.4v e + 3.4v e non capisco perché ho smontato i piloti e le tensioni sono sparite quindi vengono dai piloti, ma ne sui collettori e tanto meno sulle basi ho tensione. Come è possibile?

( i piloti li ho testati e sembrano buoni)
Avatar utente
Foto UtenteTotolivu
20 5
New entry
New entry
 
Messaggi: 71
Iscritto il: 20 apr 2017, 22:59

0
voti

[24] Re: Cassa Stageline bk 115 finali bruciati

Messaggioda Foto Utenteelfo » 23 ott 2018, 11:22

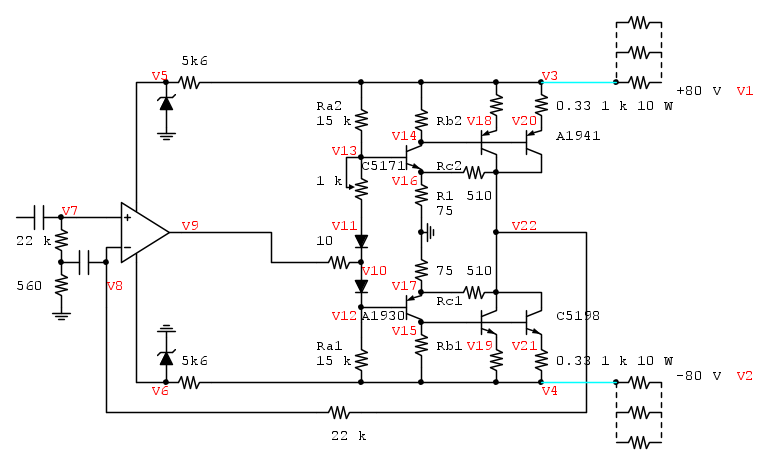
Resistenze Rb1 e Rb2 (che secondo me non ci possono non essere)

La spiegazione delle loro necessita' e' semplice e complessa.

La parte complessa vorrei lasciarla agli specialisti del forum.

Vorrei partire dalla parte semplice (sperando di non fare troppi errori :( )

I transistor finali (A1941 e C5198) devono essere "accesi" e "spenti" per modulare la corrente erogata all'altoparlante e l'operazione di accensione e spengimento deve essere fatta "rapidamente".

Ci sono aspetti della fisica dei semiconduttori che non conosco ma mentre l'accensione di un transistor e' relativamente veloce quella di spengimento e' piu lenta a causa della fisica del transistor.

Se guardi le caratteristiche di un transistor "audio" (ad esempio 2SC3856 http://www.semicon.sanken-ele.co.jp/sk_ ... _ds_en.pdf) hai I seguneti tempi:

Ton = 0.5 us
Tstg = 1.8 us
Tf = 0.6 us

Ton si riferisce all'accensione del transistor
Tstg(storage) + Tf si riferiscono allo spengimento del transistor

Lo spengimento e' ben 1.9 us piu' lento dell'accensione (1.8 + 0.6 - 0.5)

Questo ritardo dello spengimento produce - in un amplificatore - una distorsione di incrocio (detta di secondo o terzo tipo a seconda degli autori).

Per minimizzare questo ritardo nello spengimento occorre che la corrente di base del transistor sia "succhiata" via il piu' rapidamente possibile, cioe' il generatore che si incarica di fornire la corrente di base per accendere il transistor sia in grado di "ricevere" rapidamente la corrente di base per spengere il tranistor.
Questo puo' essere realizzato solo se il generatore ha una bassa resistenza di uscita.

Nello schema che hai postato, le basi dei transistor finali sono pilotati dal collettore dei piloti - collettore che e' in grado di "fornire" corrente ma non di riceverla, da cui la necessita' delle resistenze Rb1 e Rb2 (di "basso" valore) che possono "scaricare" la corrente.

A supporto di quanto affermato ti riporto alcuni riferimenti bibliografici ed uno schema di un amplificatore con una tipologia "uguale"

- Audio Power Amplifier Design Handbook 4th edition 2006 Douglas Self pag 156
Switching distortion (Distortion 3c)
This depends on several variables, notably the speed characteristics of the
output devices and the output topology. Leaving aside the semiconductor
physics and concentrating on the topology, the critical factor is whether
or not the output stage can reverse-bias the output device base-emitter
junctions to maximise the speed at which carriers are sucked out, so the
device is turned off quickly. The only conventional configuration that can
reverse-bias the output base-emitter junctions is the EF Type II, described
on page 115.
A second influence is the value of the driver emitter (per configurazione Emitter Follower. nota mia) or collector resistors (per configurazione Complementary Feedback Pair - il nostro caso -nota mia);
the lower they are the faster the stored charge can be removed. Applying
these criteria can reduce HF distortion markedly, but of equal importance
is that it minimises overlap of output conduction at high frequencies, which
if unchecked results in an inefficient and potentially destructive increase in
supply current13. To illustrate this, Figure 5.45 shows a graph of current
consumption versus frequency for varying driver collector resistance, for a
CFP type output.

- Design Audio Power Amplifier Bob Cordell 2010
Pagine rilevanti:
Turn-Off Issues in CFP Output Stages . . . . . . . . . . . . . . . . . . 107
10.6 Dynamic Crossover Distortion . . . . . . . . . . . . . . . . . . . . . 195
Transistor Turn-Off Current Requirements . . . . . . . . . . . . 195
An Example BJT Power Transistor . . 197
Turning Off the Transistor under Conditions of
Beta Droop and fT Droop . . . . . . . . . . . . . . . . . . . 198
The Role of Collector-Base Capacitance . . 198
The Speedup Capacitor . . . . . . . . . . . . . . . . . . . 199
Current Slew Rate Requirements . . . . . . . . . . . . . . . . . . . 200

- Schema SuperTigre di Bartolomeo Aloia

Come vedi dallo schema qui sotto la tipologia della parte finale (quadro rosso) e' identica al tuo ed I valori dei componneti sono molto simili.
Le resistenze R11 e R13 (nei riquadri rossi) sono da 100 ohm e sono nella posizione equivalente alle Rb1 e Rb2.
La rete di polarizzazione dei finali (quadro celeste) e' identica alla tua.
SuperTigre.png
Avatar utente
Foto Utenteelfo
6.819 4 5 7
G.Master EY
G.Master EY
 
Messaggi: 2828
Iscritto il: 15 lug 2016, 13:27

0
voti

[25] Re: Cassa Stageline bk 115 finali bruciati

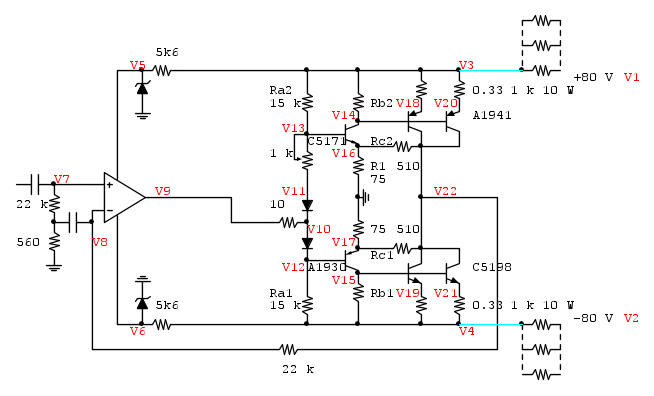
Messaggioda Foto Utenteelfo » 23 ott 2018, 12:01

Totolivu ha scritto:Ho smontato lm3886 sul pin 3 output avevo sempre -32v

Dovresti semplificare il problema "isolando" l'amplificatore da "tutto".

Solo:

- Alimentazioni (tramite resistenze da 1 kohm 10 W)
- No collegamenti all'ingresso
- No collegamenti all'uscita

Monta tutti componenti - piloti, finali ecc. Amplificatore con tutti I componenti.

Misura e riporta le misure in tabella

V1 =
V2 =
V3 =
V4 =
V5 =
V6 =
V7 =
V8 =
V9 =
V10 =
V11 =
V12 =
V13 =
V14 =
V15 =
V16 =
V17 =
V18 =
V19 =
V20 =
V21 =
V22 =
Ultima modifica di Foto Utenteelfo il 23 ott 2018, 12:15, modificato 1 volta in totale.
Avatar utente
Foto Utenteelfo
6.819 4 5 7
G.Master EY
G.Master EY
 
Messaggi: 2828
Iscritto il: 15 lug 2016, 13:27

0
voti

[26] Re: Cassa Stageline bk 115 finali bruciati

Messaggioda Foto Utenteelfo » 23 ott 2018, 12:13

To illustrate this, Figure 5.45 shows a graph of current
consumption versus frequency for varying driver collector resistance, for a
CFP type output.

Come vedi il valore delle resistenze Rb1 e Rb2 e' nel range 100 - 50 ohm
CFP-50_2.png
Avatar utente
Foto Utenteelfo
6.819 4 5 7
G.Master EY
G.Master EY
 
Messaggi: 2828
Iscritto il: 15 lug 2016, 13:27

0
voti

[27] Re: Cassa Stageline bk 115 finali bruciati

Messaggioda Foto Utenteelfo » 23 ott 2018, 12:51

elfo ha scritto:Resistenze Rb1 e Rb2 (che secondo me non ci possono non essere)

Qui sotto viene riportata la completa smentita a quanto sopra riportato.

(Rimango comunque dell'opinione che Rb1 e Rb2 "fanno un gran bene" al circuito :mrgreen: )

ATTENZIONE: LA VISIONE E' SCONSIGLIATA AI DEBOLI DI CUORE E AI MINORI DI ANNI 5O
RedBall.png
RedBall.png (556 Byte) Osservato 4602 volte


Amplificatore di Richard Mann Texas Instruments pubblicato su Practical Wireless May 1972 pag. 48
(citato anche da Douglas Self)

https://www.americanradiohistory.com/Ar ... 972-05.pdf

La tipologia dello stadio finale (riquadri rossi) e' uguale a quella dello Stageline bk 115 e del SuperTigre
Come si vede mancano le resistenze Rb1 e Rb2
CFP-Texas.png
Avatar utente
Foto Utenteelfo
6.819 4 5 7
G.Master EY
G.Master EY
 
Messaggi: 2828
Iscritto il: 15 lug 2016, 13:27

0
voti

[28] Re: Cassa Stageline bk 115 finali bruciati

Messaggioda Foto UtenteTotolivu » 24 ott 2018, 7:27

elfo ha scritto:- No collegamenti all'ingresso
- No collegamenti all'uscita


Si ho fatto così fin dall'inizio.

elfo ha scritto:Misura e riporta le misure in tabella


V1 = + 68,5
V2 = - 68,5
V3 = + 11 (ma è aumentata lentamente fino a circa 15)
V4 = - 11 (ma è aumentata lentamente fino a circa -15)
V5 = variabile +8/+9
V6 = variabile -7
V7 = meno di 1 V (nell'ordine dei millivolt)
V8 = meno di 1 V (nell'ordine dei millivolt)
V9 = meno di 1 V (nell'ordine dei millivolt)
V10 = meno di 1 V (nell'ordine dei millivolt)
V11 = meno di 1 V (nell'ordine dei millivolt)
V12 = -0,5V
V13 = +0,5V
V14 = V4
V15 = V3
V16 = meno di 1 V (nell'ordine dei millivolt)
V17 = meno di 1 V (nell'ordine dei millivolt)
V18 = circa +12 (molto vicina a V3)
V19 = circa -11 (molto vicina a V4)
V20 = circa 12 (molto vicina a V3)
V21 = circa -11 (molto vicina a V4)
V22 = 0V
Avatar utente
Foto UtenteTotolivu
20 5
New entry
New entry
 
Messaggi: 71
Iscritto il: 20 apr 2017, 22:59

0
voti

[29] Re: Cassa Stageline bk 115 finali bruciati

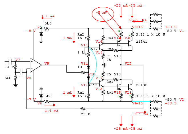
Messaggioda Foto Utenteelfo » 24 ott 2018, 8:49

Totolivu ha scritto:V11 = meno di 1 V (nell'ordine dei millivolt)
V12 = -0,5V
V13 = +0,5V
V14 = V4
V15 = V3

Ho riportato alcune tensioni e calcolato alcune correnti sullo schema

Probabilmente e' un errore di battuta ma:
V14 = V3
V15 = V4

Con V11 meno di 1 V (nell'ordine dei millivolt) sembra che il diodo "superiore" sia in corto (strano)

La corrente assorbita dall'intero amplificatore (per ramo) e' di circa 53 mA

La corrente assorbita dal 741 e' circa 1.2 mA (gli zener - da 15 V? - sono spenti) in accordo con la psecifica del datasheet

La corrente che passa nella rete di polarizzazione (resistenze Ra1, Ra2, trimmer, diodi) e' circa 1 mA

La corrente che scorre nei piloti e' circa 0 mA (V16, V17 nell'ordine dei millivolt) - con 1 mA misureresti 75 mV

I rimanenti circa 50 mA possono scorrere solo nei finali (25 mA per finale)

Prova a misurare la tensione sulle 4 resistenze da 0.33 ohm - dovresti avere circa 8 mV (vedi schema qui sotto)

Va 0.33 =
Vb 0.33 =
Vc 0.33 =
Vd 0.33 =

Non si capisce come facciano a condurre i finali perche' i piloti - come detto - sembrano spenti.

Prova a cortocircuitare (linea blu) la rete di polarizzazione e rimisura (per vedere se la corrente assorbita cambia)

V3 =
V4 =
Avatar utente
Foto Utenteelfo
6.819 4 5 7
G.Master EY
G.Master EY
 
Messaggi: 2828
Iscritto il: 15 lug 2016, 13:27

0
voti

[30] Re: Cassa Stageline bk 115 finali bruciati

Messaggioda Foto UtenteTotolivu » 24 ott 2018, 9:29

elfo ha scritto:Probabilmente e' un errore di battuta ma:
V14 = V3
V15 = V4


Non lo è, nelle basi dei finali ho la stesse tensioni delle alimentazioni ed è una cosa che non capisco.
Avatar utente
Foto UtenteTotolivu
20 5
New entry
New entry
 
Messaggi: 71
Iscritto il: 20 apr 2017, 22:59

PrecedenteProssimo

Torna a Costruzione, riparazione, riutilizzo

Chi c’è in linea

Visitano il forum: Nessuno e 52 ospiti