Guarda che è uscito:
adesso come dici tu sembra un qualcosa che possa oscillare.
Però come configurazione non la riconosco...
riparazione circuito di trasmissione di una fotocellula
Moderatori:
carloc,
g.schgor,
BrunoValente,
IsidoroKZ
23 messaggi
• Pagina 2 di 3 • 1, 2, 3
1
voti
Se ti dovesse ricapitare indica semplicemente la tensione sul terminale positivo di alimentazione (in questo caso 12 V e non VREF) e ponilo in alto nello schema, evita linee inutilmente lunghe e strani giri ritorti e usa il simbolo dalla equipotenzialità (triangolino vuoto) al posto del simbolo di "terra" che hai usato in questi disegni.

"Non farei mai parte di un club che accettasse la mia iscrizione" (G. Marx)
-

claudiocedrone
21,3k 4 7 9 - Master EY

- Messaggi: 15302
- Iscritto il: 18 gen 2012, 13:36
0
voti
Ok sono d accordo con te. Il 1 schema l ho ricavato partendo dal PCB. Forse ho perso troppe risorse mentali nel ricavarlo e ho trascurato lo schema. Sulla vref hai ragione. La dovevo chiamare v alim. Ma l ultimo schema non e poi tanto male. Sul simbolo del gnd potevo usare quello della equipotenzialita. Sono abituato con il multisim a usare quello della terra e mi scuso ancora.
0
voti

"Non farei mai parte di un club che accettasse la mia iscrizione" (G. Marx)
-

claudiocedrone
21,3k 4 7 9 - Master EY

- Messaggi: 15302
- Iscritto il: 18 gen 2012, 13:36
0
voti
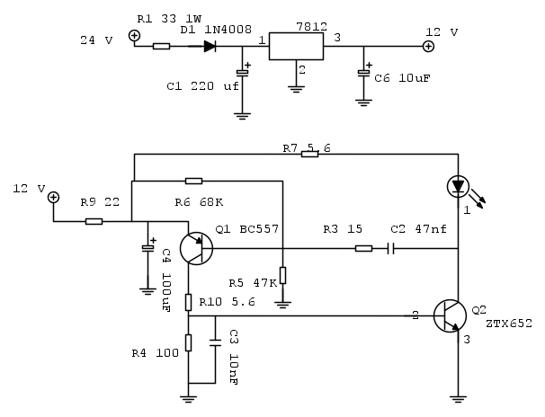
Non sono per nulla esperto non saprei illustrarti il funzionamento nello specifico... quello che mi pare di capire è che si tratti di un oscillatore RC (multivibratore astabile ?) che dovrebbe generare una sorta di forma d'onda rettangolare con duty cicle piuttosto "basso" allo scopo di pilotare il LED con una serie di impulsi stretti (il LED è a infrarossi ?) credo allo scopo di limitare la potenza dissipata dallo stesso 
"Non farei mai parte di un club che accettasse la mia iscrizione" (G. Marx)
-

claudiocedrone
21,3k 4 7 9 - Master EY

- Messaggi: 15302
- Iscritto il: 18 gen 2012, 13:36
0
voti
si è quel poco che sono riuscito a capire anche io specie grazie alla descrizione e spiegazione fatta precedentemente da chi mi ha un po' seguito nel blog (SirTom)...ho provato a fare una ricerca su internet del circuito ma niente...
probabilmente la scelta di R1 è legata anche alla richiesta di corrente del circuito astabile, mentre per R9 non saprei proprio da dove cominciare...
inoltre non si riesce a leggere la sigla del diodo né tantomeno la scritta del transistor NPN:D
probabilmente la scelta di R1 è legata anche alla richiesta di corrente del circuito astabile, mentre per R9 non saprei proprio da dove cominciare...
inoltre non si riesce a leggere la sigla del diodo né tantomeno la scritta del transistor NPN:D
0
voti
Aggiornamento (inspiegabile), ma interessante:
ho rivisto la simulazione in multisim ed ecco i nuovi risultati (ora soddisfacenti):
- frequenza di oscillazione 800 Hz
- periodo 1,24 msec
- talto 6.5 usec
- DC=0,5%
- Il TX della barriera (cioè la coppia di transistor) assorbe una corrente media di 20 mA:
- sul diodo a infrarossi si ha una corrente che vale circa 1,45 A se conduce (per un tempo brevissimo) ed è approssimativamente nulla se non conduce (1,2 msec).
Adesso provo a recuperare i resistori corretti, li saldo, controllo le piste e vediamo se questa barriera torna in vita.
ho rivisto la simulazione in multisim ed ecco i nuovi risultati (ora soddisfacenti):
- frequenza di oscillazione 800 Hz
- periodo 1,24 msec
- talto 6.5 usec
- DC=0,5%
- Il TX della barriera (cioè la coppia di transistor) assorbe una corrente media di 20 mA:
- sul diodo a infrarossi si ha una corrente che vale circa 1,45 A se conduce (per un tempo brevissimo) ed è approssimativamente nulla se non conduce (1,2 msec).
Adesso provo a recuperare i resistori corretti, li saldo, controllo le piste e vediamo se questa barriera torna in vita.
1
voti
Dai che sei sulla buona strada …
Per R1 nessuna funzione particolare … serve per abbassare la tensione.
Se il circuito fosse alimentato a 20Vdc allora la potresti eliminare. Siccome negli apricancelli è comune trovare l'alimentazione dei dispositivi a 24Vac (che spesso è 26-27V ed oltre) dopo il diodo ti ritrovi oltre 35Vdc. Sia perché sei vicinissimo alla Vmax del 7812 sia per farlo scaldare un po' meno, grazie all'assorbimento di corrente che è costante, R1 consente di "far cadere" quei circa 10V che fanno rientrare nei giusti parametri il circuito.
Visto che nel led IR abbiamo "botte" di corrente di circa 1,5A allora R9 assieme a C4 fa si che questa corrente sia quest'ultimo a produrla e non il 7812, che comunque non riuscirebbe quasi ad erogare. Entrambe le resistenze non hanno valori critici.
Bye
Ser.Tom
Per R1 nessuna funzione particolare … serve per abbassare la tensione.
Se il circuito fosse alimentato a 20Vdc allora la potresti eliminare. Siccome negli apricancelli è comune trovare l'alimentazione dei dispositivi a 24Vac (che spesso è 26-27V ed oltre) dopo il diodo ti ritrovi oltre 35Vdc. Sia perché sei vicinissimo alla Vmax del 7812 sia per farlo scaldare un po' meno, grazie all'assorbimento di corrente che è costante, R1 consente di "far cadere" quei circa 10V che fanno rientrare nei giusti parametri il circuito.
Visto che nel led IR abbiamo "botte" di corrente di circa 1,5A allora R9 assieme a C4 fa si che questa corrente sia quest'ultimo a produrla e non il 7812, che comunque non riuscirebbe quasi ad erogare. Entrambe le resistenze non hanno valori critici.
Bye
Ser.Tom0
voti
grazie mille di tutto....
...visto che ci sono proverò a fare lo stesso lavoro per quanto riguarda il ricevitore, sperando che non sia eccessivamente complesso...ti aggiorno sia sul trasmettitore che sul ricevitore...
...visto che ci sono proverò a fare lo stesso lavoro per quanto riguarda il ricevitore, sperando che non sia eccessivamente complesso...ti aggiorno sia sul trasmettitore che sul ricevitore...

23 messaggi
• Pagina 2 di 3 • 1, 2, 3
Chi c’è in linea
Visitano il forum: Nessuno e 122 ospiti

Elettrotecnica e non solo (admin)
Un gatto tra gli elettroni (IsidoroKZ)
Esperienza e simulazioni (g.schgor)
Moleskine di un idraulico (RenzoDF)
Il Blog di ElectroYou (webmaster)
Idee microcontrollate (TardoFreak)
PICcoli grandi PICMicro (Paolino)
Il blog elettrico di carloc (carloc)
DirtEYblooog (dirtydeeds)
Di tutto... un po' (jordan20)
AK47 (lillo)
Esperienze elettroniche (marco438)
Telecomunicazioni musicali (clavicordo)
Automazione ed Elettronica (gustavo)
Direttive per la sicurezza (ErnestoCappelletti)
EYnfo dall'Alaska (mir)
Apriamo il quadro! (attilio)
H7-25 (asdf)
Passione Elettrica (massimob)
Elettroni a spasso (guidob)
Bloguerra (guerra)




