eddy ha scritto:Intendo come contatto quei fili posti
in parallelo al contatto di potenza
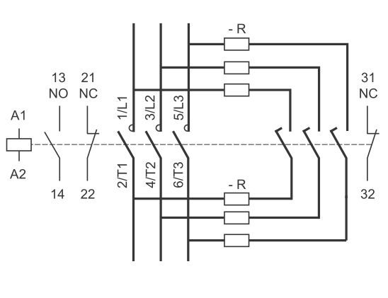
Ok, tu intendi quelle spirali di filo collegate tra i contatti di potenza e quelli ausiliari posti sopra al teleruttore!
Quelle sono le resistenze di preinserzione, solitamente i costruttori di sistemi di rifasamento consigliano la sostituzione dell'intero teleruttore quando le resistenze sono danneggiate perché il funzionamento con le resistenze danneggiate porta a danneggiare anche i contatti del teleruttore.
In ogni caso puoi provare a sostituire i contatti ausiliari+le resistenze di preinserzione (solitamente sono un unico codice commerciale, non mi è mai capitato di trovare le sole resistenze), devi però verificare la marca del teleruttore.
Qui puoi trovare quelli di Lovato http://www.lovatoelectric.com/BIBLIOTEC ... attori.pdf

Elettrotecnica e non solo (admin)
Un gatto tra gli elettroni (IsidoroKZ)
Esperienza e simulazioni (g.schgor)
Moleskine di un idraulico (RenzoDF)
Il Blog di ElectroYou (webmaster)
Idee microcontrollate (TardoFreak)
PICcoli grandi PICMicro (Paolino)
Il blog elettrico di carloc (carloc)
DirtEYblooog (dirtydeeds)
Di tutto... un po' (jordan20)
AK47 (lillo)
Esperienze elettroniche (marco438)
Telecomunicazioni musicali (clavicordo)
Automazione ed Elettronica (gustavo)
Direttive per la sicurezza (ErnestoCappelletti)
EYnfo dall'Alaska (mir)
Apriamo il quadro! (attilio)
H7-25 (asdf)
Passione Elettrica (massimob)
Elettroni a spasso (guidob)
Bloguerra (guerra)
