Gentilissimi frequentatori del Forum ELECTROYOU, ho il seguente dilemma e vorrei discuterne con Voi che avete notevole esperienza in circuiti elettronici.
PROBLEMA:
Tramite un alimentatore da 12 Vcc debbo alimentare un motorino elettrico da 12 Vcc – 40 mA (circa), che comanda l’asse di rotazione di un condensatore sotto vuoto.
Il suddetto motorino è provvisto di fine corsa (DX e SX) e, tramite un deviatore manuale posto su un telecomando), inverto la rotazione a seconda del fine corsa raggiunto (Dx o SX).
Non avendo un diretto contatto visivo con i suddetti fine corsa, debbo studiare un sistema che mi faccia capire, tramite un LED luminoso, quando ho raggiunto uno o l’altro fine corsa, per poi poter invertire l’alimentazione con il deviatore sul telecomando.
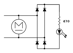
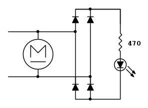
Basandomi sul seguente circuito FIDOCADJ:
ho pensato di inserire semplicemente una resistenza R1= 10 Ohm – 1W direttamente in serie all’alimentazione del motorino (vedi schema FIDOCADJ allegato), in maniera da prelevare la tensione di caduta ai suoi capi (di circa 0.33 Vcc) e poter alimentare un diodo LED che si sarebbe dovuto SPEGNERE quando il motorino raggiungeva il fine corsa aprendo il circuito (quindi con caduta di tensione ai capi di R1= 0 Vcc).
Purtroppo il suddetto stratagemma funziona soltanto parzialmente, ovvero:
Appena alimento il motorino, il LED da 3mm emette un brevissimo lampo di luce (visibile discretamente), ma dopo pochi millisecondi si spegne (a causa dell’insufficiente tensione di 0.3 Vcc ai suoi capi) e questo accade ogni volta che attivo il deviatore nel senso di marcia scelto (naturalmente se inverto il deviatore il LED non emette alcun segnale per l’inversa polarità).
Quando il motorino raggiunge il fine corsa, il LED non lampeggia più.
Da questo capisco che ho raggiunto il fine corsa in un verso e quindi posso invertire il senso di marcia tramite il deviatore sul telecomando.
Mettendo 2 LED in contrapposizione di polarità il suddetto stratagemma funziona per entrambe le direzioni di marcia ed entrambi i fine corsa (DX e SX).
Rimane però il problema di poter avere una luminosità continua del LED ed in misura accettabile come visibilità.
DOMANDA:
E’ possibile avere un semplice circuito, magari con un solo transistor (per senso di marcia) che sfrutti la caduta di tensione ai capi di R1 (ora di circa 0.33 Vcc) PRESENTE DURANTE IL FUNZIONAMENTO IN OGNI VERSO, che mi vada a pilotare totalmente e continuamente i suddetti LED di fine corsa?
Comprendendo che approfitto del Forum per una sciocchezza, ma Vi sarei grato per qualsiasi Vostra considerazione e consiglio in merito al mio problema.
A presto rileggervi.
Visualizzare fine corsa di un motore in CC
Moderatori:
carloc,
g.schgor,
BrunoValente,
IsidoroKZ
44 messaggi
• Pagina 1 di 5 • 1, 2, 3, 4, 5
0
voti
0
voti
Ho capito poco !!!
Non hai riportato i fine corsa nello schema.
Sono quindi i fine corsa dei contatti (non cablati) liberi da tensione ?
sono aperti al raggiungimento del fine corsa? oppure chiusi?
Prova ad alimentarli dal 12 V tramite un resistore da 1000 ohm (corrente = 12 mA)
metti in paralelo ai contatti un LED: si dovrebbe accendere (o spegnere) al raggiungimento del fine corsa?
Vuoi realizzare un accordatore per antenna a loop ?

Non hai riportato i fine corsa nello schema.
Sono quindi i fine corsa dei contatti (non cablati) liberi da tensione ?
sono aperti al raggiungimento del fine corsa? oppure chiusi?
Prova ad alimentarli dal 12 V tramite un resistore da 1000 ohm (corrente = 12 mA)
metti in paralelo ai contatti un LED: si dovrebbe accendere (o spegnere) al raggiungimento del fine corsa?
Vuoi realizzare un accordatore per antenna a loop ?

2
voti
Se il problema è accendere un LED
quando il motore è alimentato
(in uno dei due sensi di marcia):
quando il motore è alimentato
(in uno dei due sensi di marcia):
1
voti
Innanzitutto GRAZIE per la Vostra gentilezza e rapidità nel rispondermi, ma probabilmente non mi sono spiegato bene su ciò che mi occorre e tantomeno ho schematizzato bene il mio attuale circuito.
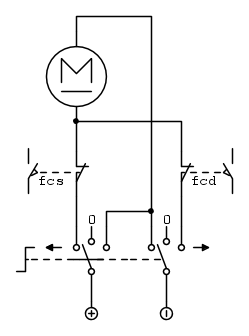
Considerate le Vostre risposte ho perfezionato meglio il circuito di FIDOCADJ, come di seguito:
A questo punto, considerato che il fine corsa meccanico del motorino agisce in maniera che, una volta terminata la rotazione in un senso (o nell'altro), viene interrotta completamente l'alimentazione al motorino (vedi Fine Corsa 1 e 2 comandato in contemporanea), poi automaticamente viene invertita la polarità dell'alimentazione del motorino in CC, in maniera da permettergli soltanto di tornare indietro nella rotazione.
Stesso funzionamento nell'altro senso di marcia.
Per quanto sopra, sarebbe mio desiderio realizzare un semplice circuito che, sfruttando la caduta di tensione sulla resistenza R1= 10 Ohm, posta in serie al motorino (e che durante il normale funzionamento risulta essere di circa 0.3 Vcc), mi possa tenere acceso un LED (per indicarmi un senso di rotazione del motorino) FINTANTO CHE IL MOTORE GIRA (e quindi prima che il fine corsa gli stacchi l'alimentazione), perché quando agisce il fine corsa la tensione al motorino viene staccata e quindi LA TENSIONE DI CADUTA AI CAPI DI R1 E' DI 0 volt.
Scusandomi per la mia precedente imprecisione, Vi ringrazio ancora se vorrete darmi una ulteriore Vostra considerazione in merito.
P.S.: si tratta di un telecomando con il quale faccio l'accordo di una Loop Magnetica eccezionale che copre le frequenze dai 45m ai 10m, progettata e costruita dall'OM I6VMS, la quale funziona perfettamente, ma ha il telecomando che non permette di vedere esattamente quando il motorino si ferma nella rotazione in un senso di marcia o nell'altro.
Ovvero non si vede quando il motorino smette di girare in un senso o nell'altro, dopo che è intervenuto il fine corsa meccanico (situato proprio sotto alla scatola del condensatore sotto vuoto).
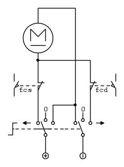
Considerate le Vostre risposte ho perfezionato meglio il circuito di FIDOCADJ, come di seguito:
A questo punto, considerato che il fine corsa meccanico del motorino agisce in maniera che, una volta terminata la rotazione in un senso (o nell'altro), viene interrotta completamente l'alimentazione al motorino (vedi Fine Corsa 1 e 2 comandato in contemporanea), poi automaticamente viene invertita la polarità dell'alimentazione del motorino in CC, in maniera da permettergli soltanto di tornare indietro nella rotazione.
Stesso funzionamento nell'altro senso di marcia.
Per quanto sopra, sarebbe mio desiderio realizzare un semplice circuito che, sfruttando la caduta di tensione sulla resistenza R1= 10 Ohm, posta in serie al motorino (e che durante il normale funzionamento risulta essere di circa 0.3 Vcc), mi possa tenere acceso un LED (per indicarmi un senso di rotazione del motorino) FINTANTO CHE IL MOTORE GIRA (e quindi prima che il fine corsa gli stacchi l'alimentazione), perché quando agisce il fine corsa la tensione al motorino viene staccata e quindi LA TENSIONE DI CADUTA AI CAPI DI R1 E' DI 0 volt.
Scusandomi per la mia precedente imprecisione, Vi ringrazio ancora se vorrete darmi una ulteriore Vostra considerazione in merito.
P.S.: si tratta di un telecomando con il quale faccio l'accordo di una Loop Magnetica eccezionale che copre le frequenze dai 45m ai 10m, progettata e costruita dall'OM I6VMS, la quale funziona perfettamente, ma ha il telecomando che non permette di vedere esattamente quando il motorino si ferma nella rotazione in un senso di marcia o nell'altro.
Ovvero non si vede quando il motorino smette di girare in un senso o nell'altro, dopo che è intervenuto il fine corsa meccanico (situato proprio sotto alla scatola del condensatore sotto vuoto).
-3
voti
Nel tuo circuito manca la parte di inversione di polarità del motore.
Ti invio uno schizzo di un circuito da montare a monte (prima dell'inversione di polarità), che accende un LED in funzione della corrente assorbita (Spero che i gestori Electroyou mi perdonino
) Potresti rieditarlo in Fidocad per permettere altre osservazioni e modifiche.
RIMOSSO SCHEMA SCARABOCCHIATO MarcoD
I valori sono a sensazione, R2 da 1kohm limita la corrente nella base in caso di cortocircuiti.
R3 limita la corrente nel LED a (12V-VLED)/1000 = circa 10 mA.
Su R1 è bene che cadano almeno 0,6 V, occorre passare da 10 a 33 ohm, ritocca il valore a tuo gradimento.
Complimenti a I6VMS. Anni fa avevo progettato un prototipo di accordatore automatico sul ROS con controllo motore per un condensatore a farfalla per una loop magnetica di circa 1m diametro di IK1JNS.
Funzionava, ma poi era caduto l'interesse.
73
Post scriptum: se devi imnvertire la polarità alimentazione, aggiungendo un TR PNP un altro LED e altre R2 e R3 si può acendere un LED anche quando la polarità è invertita. Se ti interessa, riedita lo schema in fidocad che lo integro....
Ti invio uno schizzo di un circuito da montare a monte (prima dell'inversione di polarità), che accende un LED in funzione della corrente assorbita (Spero che i gestori Electroyou mi perdonino
RIMOSSO SCHEMA SCARABOCCHIATO MarcoD
I valori sono a sensazione, R2 da 1kohm limita la corrente nella base in caso di cortocircuiti.
R3 limita la corrente nel LED a (12V-VLED)/1000 = circa 10 mA.
Su R1 è bene che cadano almeno 0,6 V, occorre passare da 10 a 33 ohm, ritocca il valore a tuo gradimento.
Complimenti a I6VMS. Anni fa avevo progettato un prototipo di accordatore automatico sul ROS con controllo motore per un condensatore a farfalla per una loop magnetica di circa 1m diametro di IK1JNS.
Funzionava, ma poi era caduto l'interesse.
73
Post scriptum: se devi imnvertire la polarità alimentazione, aggiungendo un TR PNP un altro LED e altre R2 e R3 si può acendere un LED anche quando la polarità è invertita. Se ti interessa, riedita lo schema in fidocad che lo integro....
0
voti
MarcoD ha scritto:(...)
Ti invio uno schizzo di un circuito da montare a monte (prima dell'inversione di polarità), che accende un LED in funzione della corrente assorbita (Spero che i gestori Electroyou mi perdonino) Potresti rieditarlo in Fidocad per permettere altre osservazioni e modifiche.
(...)
Marco, sei pure Moderatore di Forum. Quello schema fa rizzare i peli della schiena!
Alberto.
0
voti
Ma no dai, altrimenti la discussione perde contenuto. Condividiamolo con tutti quelli che leggeranno questo thread, magari fra qualche anno, e troveranno utile il tuo schema.
Alberto.
1
voti
GRAZIE a MarcoD, gli ho risposto in un messaggio MP.
Datemi una mezza giornata che mi dedico poi al Fidocad per il circiuito di cui sopra.
Purtroppo sono molto occupato per una situazione famigliare di salute e non posso dedicarmici subito.
Approfitto però di questo post per esprimere un problema che ho con i componenti del FIDOCADJ (del quale sono un collaboratore per alcune problematiche che si verificavano nelle precedenti edizioni), ovvero come vedete dal mio schema allegato, non viene visualizzata la R1, penso perché sto utilizzando una libreria di componenti che non è compatibile con la visualizzazione in questo Forum.
Potreste segnalarmi una libreria che mi permetta di sottoporre il mio disegno FIDOCADJ in maniera che sia esattamente visualizzato in questo FORUM?
Grazie per la Vostra pazienza (enorme PAZIENZA).
A presto rileggervi.
Datemi una mezza giornata che mi dedico poi al Fidocad per il circiuito di cui sopra.
Purtroppo sono molto occupato per una situazione famigliare di salute e non posso dedicarmici subito.
Approfitto però di questo post per esprimere un problema che ho con i componenti del FIDOCADJ (del quale sono un collaboratore per alcune problematiche che si verificavano nelle precedenti edizioni), ovvero come vedete dal mio schema allegato, non viene visualizzata la R1, penso perché sto utilizzando una libreria di componenti che non è compatibile con la visualizzazione in questo Forum.
Potreste segnalarmi una libreria che mi permetta di sottoporre il mio disegno FIDOCADJ in maniera che sia esattamente visualizzato in questo FORUM?
Grazie per la Vostra pazienza (enorme PAZIENZA).
A presto rileggervi.
0
voti
Posto un mio schema che avevo nel mio archivio. Il contatto aperto dei finecorsa potresti collegarci le segnalazioni.
-

StefanoSunda
2.880 3 6 10 - Master

- Messaggi: 1962
- Iscritto il: 16 set 2010, 19:29
44 messaggi
• Pagina 1 di 5 • 1, 2, 3, 4, 5
Chi c’è in linea
Visitano il forum: Nessuno e 38 ospiti

Elettrotecnica e non solo (admin)
Un gatto tra gli elettroni (IsidoroKZ)
Esperienza e simulazioni (g.schgor)
Moleskine di un idraulico (RenzoDF)
Il Blog di ElectroYou (webmaster)
Idee microcontrollate (TardoFreak)
PICcoli grandi PICMicro (Paolino)
Il blog elettrico di carloc (carloc)
DirtEYblooog (dirtydeeds)
Di tutto... un po' (jordan20)
AK47 (lillo)
Esperienze elettroniche (marco438)
Telecomunicazioni musicali (clavicordo)
Automazione ed Elettronica (gustavo)
Direttive per la sicurezza (ErnestoCappelletti)
EYnfo dall'Alaska (mir)
Apriamo il quadro! (attilio)
H7-25 (asdf)
Passione Elettrica (massimob)
Elettroni a spasso (guidob)
Bloguerra (guerra)








