Salve a tutti
sto cercando chi puo' aiutarmi nel trasformare un piccolo motorino preso da ebay:
Micro Motore Elicottero 6x14mm 3.7V 48000 RPM
ora il problema è che serve ridurre la sua velocità pur mantenendo la sua potenza, vi chiedo quali componenti devo aggiungere sempre sul micro come dimensioni? Vorrei ridurlo a 100 RPM - spero ci siano soluzioni
Riduzione velocità giri motore
Moderatori:
carloc,
g.schgor,
BrunoValente,
IsidoroKZ
18 messaggi
• Pagina 1 di 2 • 1, 2
0
voti
0
voti
Seve un accoppiamento meccanico !! Una coppia di ingranaggi riduce la velocità ed aumenta la coppia.
Elettronicamente non so se è possibile ottenere quello che vuoi.
Elettronicamente non so se è possibile ottenere quello che vuoi.
-

harpefalcata
326 1 3 6 - Stabilizzato

- Messaggi: 422
- Iscritto il: 28 lug 2015, 21:03
0
voti
SerTom ha scritto:E' praticamente impossibile ridurre la velocità di un motore DC al 0,002% del valore nominale ... e mantenere la stessa coppia all'albero.
ByeSer.Tom
Vuole mantenere invariata la potenza, non la coppia... ancora peggio!
Occorrerebbe un riduttore ma a quelle velocità non mi pare sia una via praticabile, molto più semplice acquistare un altro motore adatto allo scopo.
-

BrunoValente
39,6k 7 11 13 - G.Master EY

- Messaggi: 7796
- Iscritto il: 8 mag 2007, 14:48
0
voti
il problema è trovarlo Bruno
esistono motorini piccoli ma che girano molto velocemente. Il motorino che cerco dev'essere 6-8 mm max di diametro per 1-2 cm max di lunghezza e girare piano. Non sono riusciti a trovarne per questo chiedevo come ridurre i giri
esistono motorini piccoli ma che girano molto velocemente. Il motorino che cerco dev'essere 6-8 mm max di diametro per 1-2 cm max di lunghezza e girare piano. Non sono riusciti a trovarne per questo chiedevo come ridurre i giri
0
voti
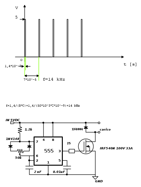
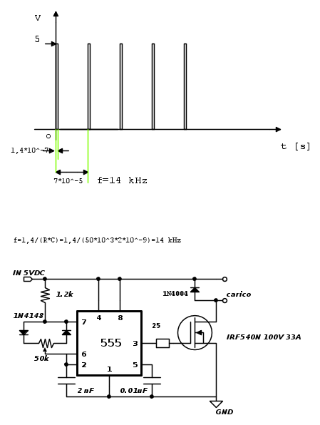
Un motore corrente continua:
-ha la stessa coppia a tutti i giri "C"
-ha giri "n" variabile 0-48.000 g/1' con la tensione "V" di alimentazione 0-3,7V --> n=k*V (k=costante) nel caso K=48.000/3,7=12.970.
-ha potenza crescente con la tensione
Regolare 100 g/1' che sono lo 0,2% del max vuol dire avere sul motore 3,7*100/48.000=0,0077 V circa 8 mV impossibili da regolare in modo analogico.
Si puo provare con un PWM alimentato a 5V portando il duty cicle a 0,2% con frequenza 10/15 kHz.
-ha la stessa coppia a tutti i giri "C"
-ha giri "n" variabile 0-48.000 g/1' con la tensione "V" di alimentazione 0-3,7V --> n=k*V (k=costante) nel caso K=48.000/3,7=12.970.
-ha potenza crescente con la tensione
Regolare 100 g/1' che sono lo 0,2% del max vuol dire avere sul motore 3,7*100/48.000=0,0077 V circa 8 mV impossibili da regolare in modo analogico.
Si puo provare con un PWM alimentato a 5V portando il duty cicle a 0,2% con frequenza 10/15 kHz.
Scopo principale della nostra vita , è dare prosieguo alla vita , come tutti gli esseri viventi fanno.
0
voti
adert ha scritto:Si puo provare con un PWM alimentato a 5V portando il duty cicle a 0,2% con frequenza 10/15 kHz.
che tradotto in pratica cosa si deve fare?
1
voti
corvonero ha scritto:Si puo provare con un PWM alimentato a 5V portando il duty cicle a 0,2% con frequenza 10/15 kHz.
che tradotto in pratica cosa si deve fare?
PWM acronimo di pulse width modulaion, impulsi a larghezza variabile, per regolare l valore medio della tensione.
Scopo principale della nostra vita , è dare prosieguo alla vita , come tutti gli esseri viventi fanno.
1
voti
adert ha scritto:...Si puo provare con un PWM alimentato a 5V portando il duty cicle a 0,2%..
Questo funziona in teoria ! Nella pratica entrano in gioco fenomeni che rendono impossibile la cosa.
Come da grafico sottostante, riducendo la tensione si riduce si la velocità … ma anche la coppia.
Allora tutto ok se siamo al 70, 50 o forse il 30% del valore nominale ma sotto un certo limite (dipende dalla "qualità" del motore) la coppia è talmente bassa da non vincere neppure gli attriti interni al motore stesso. O non gira affatto o sarebbe del tutto instabile.
Se confermata l'esigenza di avere 100rpm, allora nessun motore DC a spazzzole riuscirebbe a lavorare agevolmente a quella velocità meno che mai uno che ha 48.000 rpm nominali.
Sono un po' più "difficili" da comandare ma "piccoli" e con bassi giri vedo bene solo i Passo-Passo.
Ma per quelle dimensioni mi sa che siamo verso il miracolo !
Oppure serve un motore con riduttore incorporato. In passato aveso usato qualcosa di bühler motor, costavano un occhio ma erano dei veri gioiellini. Ma con quelle dimensioni ...
Bye
Ser.Tom
18 messaggi
• Pagina 1 di 2 • 1, 2
Chi c’è in linea
Visitano il forum: Nessuno e 231 ospiti

Elettrotecnica e non solo (admin)
Un gatto tra gli elettroni (IsidoroKZ)
Esperienza e simulazioni (g.schgor)
Moleskine di un idraulico (RenzoDF)
Il Blog di ElectroYou (webmaster)
Idee microcontrollate (TardoFreak)
PICcoli grandi PICMicro (Paolino)
Il blog elettrico di carloc (carloc)
DirtEYblooog (dirtydeeds)
Di tutto... un po' (jordan20)
AK47 (lillo)
Esperienze elettroniche (marco438)
Telecomunicazioni musicali (clavicordo)
Automazione ed Elettronica (gustavo)
Direttive per la sicurezza (ErnestoCappelletti)
EYnfo dall'Alaska (mir)
Apriamo il quadro! (attilio)
H7-25 (asdf)
Passione Elettrica (massimob)
Elettroni a spasso (guidob)
Bloguerra (guerra)




