Timer luci scale perry 984
Moderatori:
carloc,
g.schgor,
BrunoValente,
IsidoroKZ
18 messaggi
• Pagina 1 di 2 • 1, 2
0
voti
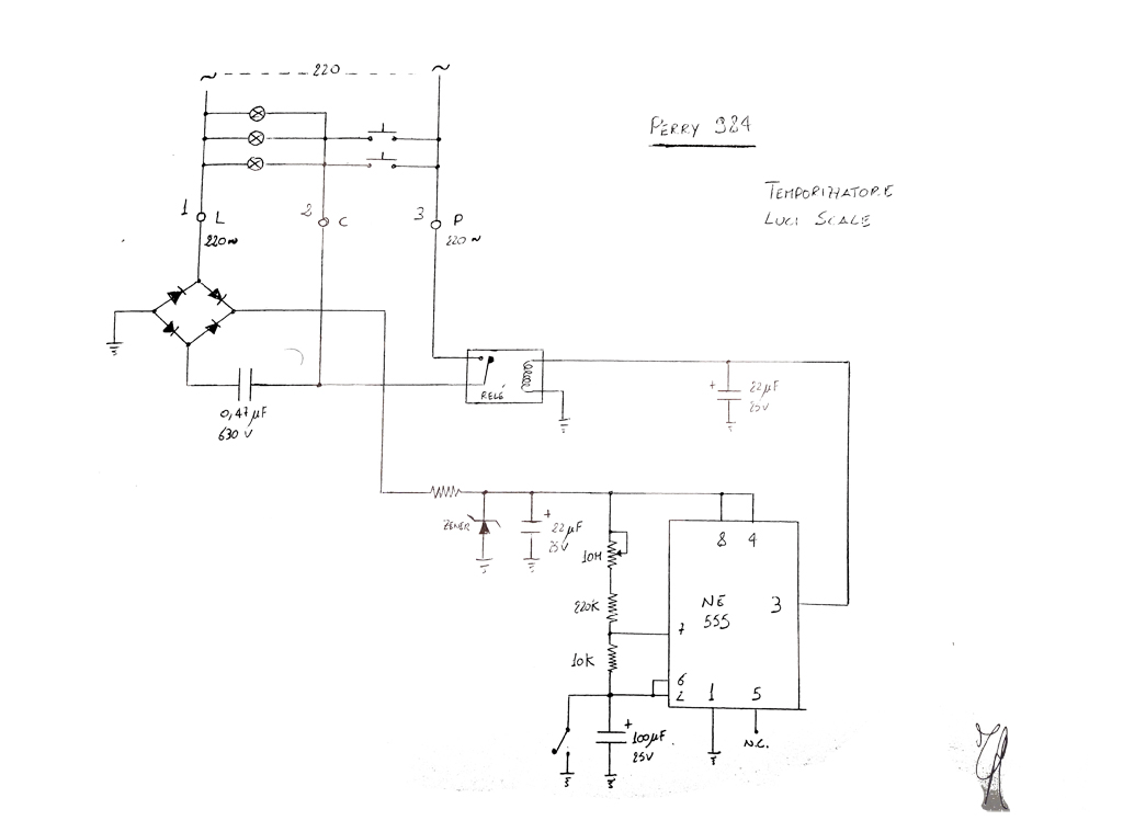
In fase di ristrutturazione di un vecchio impianto civile mi sono imbattuto in questo timer per luci scale. Per poterlo correttamente ricollegare ho dovuto fare la ricostruzione dello schema dal circuito e l'ho trovato geniale nella sua semplicità. Lo pubblico sperando che ad altri possa tornare utile. Non so a quale anno risalga. Mi ha incuriosito l'utilizzo di un NE555 che pilota un relè senza transistor e senza diodo sulla bobina. L'interruttore esclude il timer e lascia le luci sempre accese dopo la prima chiusura di un pulsante. Mi scuso se non utilizzo il formato fidocad.
0
voti
wholff ha scritto:In fase di ristrutturazione di un vecchio impianto civile mi sono imbattuto in questo timer per luci scale. Per poterlo correttamente ricollegare ho dovuto fare la ricostruzione dello schema dal circuito e l'ho trovato geniale nella sua semplicità. Lo pubblico sperando che ad altri possa tornare utile. Non so a quale anno risalga. Mi ha incuriosito l'utilizzo di un NE555 che pilota un relè senza transistor e senza diodo sulla bobina. L'interruttore esclude il timer e lascia le luci sempre accese dopo la prima chiusura di un pulsante. Mi scuso se non utilizzo il formato fidocad.
anche a me ha incuriosito il fatto che manca un diodo per proteggere l'ne555 dalle sovratensione che produce la bobina del relè;cosi com'è stato costruito è destinato a danneggiarsi,per il resto il circuito è semplice non utilizza trasformatori per abbassare la tensione ma un condensatore da 0,47uF per la c.d.t. capacitiva;
In pratica il circuito funziona cosi:finche non si preme un pulsante,il temporizzatore costituito da un ne555,non viene alimentato,e quindi il rele rimane diseccitato;premendo il pulsante diamo alimentazione direttamente alle lampade,ed attraverso un ponte di diodo ,un condensatore di caduta da 0,47uf ed uno zener .all’ne555,il quale non essendo ancora carico il condensatore da 100uF,ha l’uscita sul pin 3 a livello alto,quindi il rele si eccita e chiude un contatto sulla 220 V che alimenta le lampade;quando il condensatore da 100uF si carica a 2/3 della tensione di alimentazione,il pin 3 passa a livello basso ed il rele si diseccita
0
voti
gabrisav ha scritto:Non so niente dell'elettronica del Perry, ma credo peoprio che hai sbagliato a collocare sullo schema i pulsanti, le lampade e la relativa alimentazione Fase Neutro
E' altamente improbabile che tu abbia ragione dal momento che è una settimana che il circuito sta funzionando perfettamente con i collegamenti come da schema che ho allegato.
0
voti
donciccio ha scritto:anche a me ha incuriosito il fatto che manca un diodo per proteggere l'ne555 dalle sovratensione che produce la bobina del relè;cosi com'è stato costruito è destinato a danneggiarsi,per il resto il circuito è semplice non utilizza trasformatori per abbassare la tensione ma un condensatore da 0,47uF per la c.d.t. capacitiva;
Le stranezze non terminano con l'assenza del diodo (che peraltro non ha creato problemi da, credo, trent'anni a questa parte) ma anche l'assenza di un condensatore sul pin 5 del 555, consigliato in tutti i datasheet.
0
voti
gabrisav ha scritto:Allora hai sbagliato qualcosa nello schema dato che il contatto relè chiude sui pulsanti e non sulle lampade
Il contatto del relè deve essere in parallelo ai pulsanti. Il circuito funziona come un'autoritenuta sui pulsanti di accensione, temporizzata dal trimmer, dalle resistenze e dal condensatore come ha spiegato nel dettaglio donciccio.
0
voti
wholff ha scritto:Le stranezze non terminano con l'assenza del diodo (che peraltro non ha creato problemi da, credo, trent'anni a questa parte) ma anche l'assenza di un condensatore sul pin 5 del 555, consigliato in tutti i datasheet.
che abbia durato 30 anni è possibile ma quell'ne555 o era molto robusto o era molto fortunato;l'elettrotecnica ci spiega bene che nelle bobina quando vengono disalimentate,si crea una sovratensione che i delicati circuiti interni dell'IC ,non potrebbero sopportare ed alla fine si danneggerebbe;infatti su tutti i data sheet consigliano vivamente di mettere al pin 3, un transistor ed un diodo;il trs al limite lo si può omettere se il rele ha un assorbimento molto basso ,ma il diodo no,e come andare sull'autostrada in senso opposto....io lo avrei realizzato cosi il circuito del temporizzatore luci scale:
Ultima modifica di
donciccio il 9 dic 2018, 15:10, modificato 1 volta in totale.
0
voti
donciccio ha scritto:wholff ha scritto:....io lo avrei realizzato cosi il circuito del temporizzatore luci scale:
Condivido in toto le tue considerazioni (la sigla completa dell'IC è NE555P; la P indica qualcosa in particolare?). Riguardo lo schema che hai postato lo trovo interessante, soprattutto per i pulsanti che avrebbero ai capi la tensione di alimentazione del circuito e la cui chiusura fa scaricare, tramite il transistor, la tensione ai capi del condensatore responsabile della temporizzazione. L'unica cosa che mi fa propendere però alla soluzione della Perry è il fatto di alimentare il circuito solo quando occorre. Il tuo rimane sempre alimentato e "in ascolto".
18 messaggi
• Pagina 1 di 2 • 1, 2
Chi c’è in linea
Visitano il forum: Google Adsense [Bot] e 33 ospiti

Elettrotecnica e non solo (admin)
Un gatto tra gli elettroni (IsidoroKZ)
Esperienza e simulazioni (g.schgor)
Moleskine di un idraulico (RenzoDF)
Il Blog di ElectroYou (webmaster)
Idee microcontrollate (TardoFreak)
PICcoli grandi PICMicro (Paolino)
Il blog elettrico di carloc (carloc)
DirtEYblooog (dirtydeeds)
Di tutto... un po' (jordan20)
AK47 (lillo)
Esperienze elettroniche (marco438)
Telecomunicazioni musicali (clavicordo)
Automazione ed Elettronica (gustavo)
Direttive per la sicurezza (ErnestoCappelletti)
EYnfo dall'Alaska (mir)
Apriamo il quadro! (attilio)
H7-25 (asdf)
Passione Elettrica (massimob)
Elettroni a spasso (guidob)
Bloguerra (guerra)




