Gentilissimo GuidoB, innanzitutto i complimenti per la tua competenza in elettronica ed elettromeccanica.
Ho appena aggiunto i tuoi nuovi circuiti ai precedenti e li ho raccolti in un unico file di FIDOCADJ, che posto di seguito (al fine di renderli a disposizioni di qualsiasi interessato):
ci ho inserito anche i richiami ai post di questo Forum, così potranno anche essere rintracciati direttamente.
Dammi tempo qualche giorno e credo che realizzerò la seconda versione, QUELLA CON LED SPENTO.
Lo realizzerò sempre su circuito millefori, ma questa volta mi doto di un saldatore da 30 W circa, perché la volta precedente - utilizzando un saldatore a pistola da 100 W (seppure con punta sottile) ... mi sono azzuffato a morte in una cagnara senza esclusione di colpi con le piste tonde del circuitino!!!
Passiamo alla seconda idea con i relè reed.
Ottima analisi e soluzione eccezionalmente FUNZIONALE (non semplice ... ma ergonomica).
Premettendo che l'idea di due magnetini in neodimio ed un relè reed è ottima, ma secondo me i due o tre fili in più tra il telecomando ed il motorinno NON RAPPRESENTANO UN PROBLEMA, perché basta collegare il tutto tramite cavo a 5 poli sottili (considerati gli assorbimenti in gioco molto esigui) e relative prese/spine da pannello di quelle simili a quelle dei microfoni da CB (che tra le altre cose costano pochissimo).
Una volta stabilito questo, il resto sarebbe tutto affidato ad un circuito in grado di COMPRENDERE le varie aperture e chiusure del relè reed, affiancato ad un lettore degli impulsi, come quelli da te indicati (che costano una sciocchezza.... anche se poi in dogana italiana, trattandosi di materiale USA, sono sicuro che faranno la cresta, perché ci sono già passato e, nonostante le mie rimostranze scritte, non si sono degnati minimamente di rispondere. Questa è l'Italia!).
Questa applicazione occorre che sia adeguatamente sviluppata tramite le tue conoscenze tecniche.
Ora però ti invito a fermarti, perché non sarei personalmente in grado di seguirti per i seguenti motivi:
- non ho oscilloscopio;
- non ho molto tempo a mia disposizione, in quanto, come precisato in precedente post, debbo curare mia madre anziana e con gravissimi problemi di salute (che non mi lasciano molto tempo continuativo a mia disposizione).
Carissimo GuidoB, scusami per l'interruzione al tuo validissimo progetto e alla tua cortesissima disponibilità, ma purtroppo mi trovo attualmente con questo impegno.
Dammi qualche giorno e poi ti farò sapere per l'applicazione dell'aggiunta del buzzer, che mi interessa nell'immediato.
Grazie ancora per la tua cortesia e a presto rileggerti.
Visualizzare fine corsa di un motore in CC
Moderatori:
carloc,
g.schgor,
BrunoValente,
IsidoroKZ
44 messaggi
• Pagina 5 di 5 • 1, 2, 3, 4, 5
1
voti
1
voti
Buongiorno Ciuccino,
buona fortuna a tua madre e a te che la curi. Questa è ovviamente la priorità per un figlio, e complimenti per la tua grande umanità e dedizione.
Spero di non averti spaventato con la necessità di un oscilloscopio, che si può tralasciare se dedichi due fili al contatto reed, rendendo così il circuito più semplice e meno critico.
Qui nessuno ha fretta e nessuno è obbligato a portare a termine un progetto, quindi non c'è nessun problema se hai bisogno di prenderti molto tempo, oppure decidere di abbandonarlo per altre priorità. Di fatto la maggioranza dei circuiti che propongo su questo forum non vengono poi realizzati, e tu sei uno dei pochi che invece l'ha fatto.
Progettare un circuito per me è un po' un esercizio e un po' un passatempo, e se può aiutare qualcuno, per esempio con il sano hobby del radioamatore, è anche un piacere.
Facciamo così: io termino con calma di progettare quanto da te richiesto e lo pubblico, affinché sia tu che altri interessati non si ritrovino un thread "monco" che poi bisognerebbe riprendere (cade a fagiolo qui il proverbio "battere il ferro finché è caldo").
Per ora ti dò qualche indicazione per evitare insuccessi col circuito attuale.
1) Qualsiasi sia il circuito con buzzer che realizzi, è necessario che il positivo sia interrotto quando non comandi il movimento del motore. Quindi, se utilizzi un pulsante per comandare il movimento, è necessario che questo interrompa il positivo, in qualche punto a monte dell'invertitore. Utilizzando invece un invertitore con la posizione di riposo centrale, la condizione è automaticamente soddisfatta.
2) C'è un'eccezione a questa regola, che è quando interrompi l'alimentazione a monte di tutto il circuito che ho disegnato. Se col pulsante interrompi l'alimentazione a monte di tutto il circuito, puoi interrompere indifferentemente il positivo oppure il negativo di alimentazione. Puoi lasciare alimentati, a monte del pulsante, l'interruttore di accensione e il led di presenza alimentazione, perché sono di fatto separati e non fanno parte della logica di funzionamento del circuito.
Per quanto riguarda il circuito col contatto reed, si aprono diverse possibilità:
1) è possibile rilevare l'effettivo movimento del motore, quindi non è più necessario l'utilizzo di un "sensore di corrente" formato da TR1 e componenti di contorno (diodo e resistenze) per comandare led e buzzer di allarme fine corsa. In questo modo non c'è più nemmeno la caduta di 0,7 V sul diodo, che attualmente ti rallenta il motore.
2) la presenza di un contatore con cifre led accese rende probabilmente inutile il led di accensione, e non indispensabili i led di movimento "up" e "down", perché quando il motore si muove le cifre avanzano o retrocedono. Inserirò questi led come "opzionali", mentre il buzzer di allarme finecorsa resta necessario per manovrare il telecomando senza doverlo costantemente guardare.
Siccome il circuito cambia parecchio (è praticamente un rifacimento del telecomando, compreso il suo mobiletto), se pensi che in futuro potresti realizzarlo, potresti anche decidere di non inserire il buzzer adesso se non lo ritieni indispensabile, e riservare questo tempo risparmiato alla realizzazione futura e definitiva.
Ancora buona fortuna con tua madre, e a risentirci.
buona fortuna a tua madre e a te che la curi. Questa è ovviamente la priorità per un figlio, e complimenti per la tua grande umanità e dedizione.
Spero di non averti spaventato con la necessità di un oscilloscopio, che si può tralasciare se dedichi due fili al contatto reed, rendendo così il circuito più semplice e meno critico.
Qui nessuno ha fretta e nessuno è obbligato a portare a termine un progetto, quindi non c'è nessun problema se hai bisogno di prenderti molto tempo, oppure decidere di abbandonarlo per altre priorità. Di fatto la maggioranza dei circuiti che propongo su questo forum non vengono poi realizzati, e tu sei uno dei pochi che invece l'ha fatto.
Progettare un circuito per me è un po' un esercizio e un po' un passatempo, e se può aiutare qualcuno, per esempio con il sano hobby del radioamatore, è anche un piacere.
Facciamo così: io termino con calma di progettare quanto da te richiesto e lo pubblico, affinché sia tu che altri interessati non si ritrovino un thread "monco" che poi bisognerebbe riprendere (cade a fagiolo qui il proverbio "battere il ferro finché è caldo").
Per ora ti dò qualche indicazione per evitare insuccessi col circuito attuale.
1) Qualsiasi sia il circuito con buzzer che realizzi, è necessario che il positivo sia interrotto quando non comandi il movimento del motore. Quindi, se utilizzi un pulsante per comandare il movimento, è necessario che questo interrompa il positivo, in qualche punto a monte dell'invertitore. Utilizzando invece un invertitore con la posizione di riposo centrale, la condizione è automaticamente soddisfatta.
2) C'è un'eccezione a questa regola, che è quando interrompi l'alimentazione a monte di tutto il circuito che ho disegnato. Se col pulsante interrompi l'alimentazione a monte di tutto il circuito, puoi interrompere indifferentemente il positivo oppure il negativo di alimentazione. Puoi lasciare alimentati, a monte del pulsante, l'interruttore di accensione e il led di presenza alimentazione, perché sono di fatto separati e non fanno parte della logica di funzionamento del circuito.
Per quanto riguarda il circuito col contatto reed, si aprono diverse possibilità:
1) è possibile rilevare l'effettivo movimento del motore, quindi non è più necessario l'utilizzo di un "sensore di corrente" formato da TR1 e componenti di contorno (diodo e resistenze) per comandare led e buzzer di allarme fine corsa. In questo modo non c'è più nemmeno la caduta di 0,7 V sul diodo, che attualmente ti rallenta il motore.
2) la presenza di un contatore con cifre led accese rende probabilmente inutile il led di accensione, e non indispensabili i led di movimento "up" e "down", perché quando il motore si muove le cifre avanzano o retrocedono. Inserirò questi led come "opzionali", mentre il buzzer di allarme finecorsa resta necessario per manovrare il telecomando senza doverlo costantemente guardare.
Siccome il circuito cambia parecchio (è praticamente un rifacimento del telecomando, compreso il suo mobiletto), se pensi che in futuro potresti realizzarlo, potresti anche decidere di non inserire il buzzer adesso se non lo ritieni indispensabile, e riservare questo tempo risparmiato alla realizzazione futura e definitiva.
Ancora buona fortuna con tua madre, e a risentirci.
Big fan of ⋮ƎlectroYou! Ausili per disabili e anziani su ⋮ƎlectroYou
Caratteri utili: À È É Ì Ò Ó Ù α β γ δ ε η θ λ μ π ρ σ τ φ ω Ω º ª ² ³ √ ∛ ∜ ₀ ₁ ₂ ₃ ₄ ₅ ₆ ∃ ∄ ∆ ∈ ∉ ± ∓ ∾ ≃ ≈ ≠ ≤ ≥
Caratteri utili: À È É Ì Ò Ó Ù α β γ δ ε η θ λ μ π ρ σ τ φ ω Ω º ª ² ³ √ ∛ ∜ ₀ ₁ ₂ ₃ ₄ ₅ ₆ ∃ ∄ ∆ ∈ ∉ ± ∓ ∾ ≃ ≈ ≠ ≤ ≥
3
voti
Buongiorno
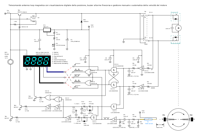
Ciuccino, ho progettato il circuito del telecomando per regolare l'antenna e per visualizzare la posizione su un display digitale a led.
Il circuito include un buzzer d'allarme finecorsa, l'autoazzeramento del contatore quando si raggiunge la posizione di finecorsa down, la possibilità di gestire manualmente o automaticamente la velocità del motorino.
In automatico, il motorino parte a velocità lenta, e se il comando di movimento persiste per oltre 5 secondi, il motorino passa alla velocità massima.
Nei prossimi giorni aggiungerò la spiegazione del funzionamento, ed eventualmente, se ancora necessari, i led di indicazione movimento Up e Down.
Dato che la spiegazione del collegamento del contatore up-down non è chiara sui siti dei venditori, ho previsto due possibili collegamenti. Una volta in possesso del contatore, sarà necessario effettuare qualche esperimento ed eventualmente qualche modifica al circuito per ottenere il conteggio correttamente.
Il circuito include un buzzer d'allarme finecorsa, l'autoazzeramento del contatore quando si raggiunge la posizione di finecorsa down, la possibilità di gestire manualmente o automaticamente la velocità del motorino.
In automatico, il motorino parte a velocità lenta, e se il comando di movimento persiste per oltre 5 secondi, il motorino passa alla velocità massima.
Nei prossimi giorni aggiungerò la spiegazione del funzionamento, ed eventualmente, se ancora necessari, i led di indicazione movimento Up e Down.
Dato che la spiegazione del collegamento del contatore up-down non è chiara sui siti dei venditori, ho previsto due possibili collegamenti. Una volta in possesso del contatore, sarà necessario effettuare qualche esperimento ed eventualmente qualche modifica al circuito per ottenere il conteggio correttamente.
Big fan of ⋮ƎlectroYou! Ausili per disabili e anziani su ⋮ƎlectroYou
Caratteri utili: À È É Ì Ò Ó Ù α β γ δ ε η θ λ μ π ρ σ τ φ ω Ω º ª ² ³ √ ∛ ∜ ₀ ₁ ₂ ₃ ₄ ₅ ₆ ∃ ∄ ∆ ∈ ∉ ± ∓ ∾ ≃ ≈ ≠ ≤ ≥
Caratteri utili: À È É Ì Ò Ó Ù α β γ δ ε η θ λ μ π ρ σ τ φ ω Ω º ª ² ³ √ ∛ ∜ ₀ ₁ ₂ ₃ ₄ ₅ ₆ ∃ ∄ ∆ ∈ ∉ ± ∓ ∾ ≃ ≈ ≠ ≤ ≥
2
voti
Dopo un periodo in cui sono stato occupato, provvedo a spiegare il funzionamento.
Anzitutto la ruota che si vede in basso a sinistra è solidale con l'asse del motore, quindi gira con esso. Sulla ruota sono avvitate due viti in acciaio, sulle cui teste sono appoggiati due piccoli magneti cilindrici al neodimio, facilmente reperibili ad esempio su Aliexpress (link per acquisto).
Le viti e relativi magneti possono essere di più o di meno, ma in numero tale da non provocare il trabocco (overflow) del contatore a 4 cifre (link per acquisto).
I magneti chiudono un contatto reed (normalmente aperto) quando gli passano vicino (link per acquisto).
Avvitando o svitando leggermente le viti si può regolare la distanza magnete-contatto reed, che dovrà essere di qualche millimetro.
Veniamo ora all'elettronica.
Il circuito è alimentato da una tensione intorno ai 12 V, da cui si ricava anche una tensione di circa 5 V grazie a IC1, un comune LM317. La tensione di 5 V serve ad alimentare la parte elettronica, e anche il motore quando lo si vuol far ruotare a velocità ridotta. Questa tensione va regolata col trimmer R3, in modo che il motore ruoti molto lentamente, per avere una regolazione fine. Non bisogna andare sotto i 3 V, altrimenti la parte elettronica non funzionerà.
Quando si aziona il motore col doppio deviatore a zero centrale S1-A/S1-B, l'alimentazione positiva arriverà su uno dei due fili che alimentano il motore, e passerà anche attraverso una delle resistenze R4 o R5. Queste resistenze servono come limitatrici di corrente, perché si sfruttano i diodi di protezione dell'ingresso interni agli inverter per limitare l'escursione della tensione al range di alimentazione dell'integrato.
La tensione positiva, invertita da uno degli inverter IC2-A o IC2-B, dopo che eventuali impulsi spuri sono stati eliminati da un semplice filtro RC, setta o resetta il flip-flop formato da IC3-A e IC3-B. Sul flip-flop resta memorizzata l'ultima direzione in cui si è mosso il motore, per gestire nel giusto verso eventuali impulsi tardivi che arrivano attraverso il contatto reed dopo aver tolto alimentazione al motore, quando questo si sta ancora muovendo per inerzia.
Inoltre, se una alimentazione positiva è presente sul motore (cioè se ne sta comandando il movimento), l'uscita di IC3-C va a livello logico alto.
Dalla parte del contatto reed, gli impulsi che arrivano sono filtrati contri i rimbalzi da R9 e C8, e limitati a un tempo massimo di circa 100 ms da R10 e C9 (la limitazione serve se un magnete si ferma proprio in corrispondenza del reed).
Questi impulsi, invertiti da IC2-C, assolvono a varie funzioni.
Servono a mantenere il buzzer spento mentre si sta comandando il movimento del motore e il motore gira. Quando il motore raggiunge un finecorsa il comando di movimento è ancora presente ma gli impulsi del reed non arrivano più, pertanto il buzzer comincia a suonare.
Se il buzzer suona e il finecorsa azionato è quello "down", il contatore viene resettato a 0 da TR3.
Se il comando di movimento del motore persiste per più di circa 4,8 s (tempo stabilito da R13 + R14 e C11), viene comandata la saturazione del transistor TR4, che riversa l'intera tensione di alimentazione di 12 V verso il motore.
Il motore all'inizio, con TR4 interdetto, veniva alimentato a circa 5 V dall'uscita di IC1 attraverso DS1.
Quindi all'inizio di un comando il motore parte lentamente, per poi accelerare allla massima velocità dopo 4,8 s circa.
Volendo è possibile forzare manualmente la velocità del motore manovrando il deviatore a zero centrale S2.
In posizione centrale si ha il funzionamento automatico già visto.
In posizione superiore si cortocircuitano emettitore e collettore di TR4 imponendo sempre la velocità massima.
In posizione inferiore si cortocircuitano emettitore e base di TR4, mantenendolo sempre interdetto e imponendo quindi la velocità minima.
Il resto del circuito serve a comandare l'avanzamento o la retrocessione del contatore a quattro cifre LED.
Dato che dai vari siti dei venditori non è chiaro come va pilotato, è necessario effettuare alcune prove una volta entrati in possesso del contatore.
Innanzitutto è necessario alimentarlo a circa 12 V e verificare che sul piedino 4 di reset sia presente una tensione positiva, e che mandandolo a massa il contatore si resetti.
Poi è necessario verificare come farlo avanzare e retrocedere.
In contatori simili, l'avanzamento avviene sul fronte di salita di un impulso applicato, e una tensione minore di 0,6 V viene letta come livello logico 0 mentre una tensione tra 4 e 30 V (massimo) viene letta come livello logico 1.
Bisogna controllare che sui piedini 5, 6 e 7 sia presente una tensione 0.
Ho previsto due diversi scenari:
1) indicazione della direzione in cui contare ponendo una tensione positiva sul piedino 6 (UP) o 7 (DOWN), applicando gli impulsi da contare al piedino 5. In questo primo scenario, bisogna collegare il contatore secondo i tratteggi in rosso.
2) Applicazione diretta degli impulsi da contare sul piedino 6 (UP) o 7 (DOWN), lasciando inutilizzato il piedino 5. In questo secondo scenario, bisogna collegare il contatore secondo i tratteggi in nero.
Il contatore mantiene memorizzato il numero al togliere l'alimentazione.
A questo punto non mi resta che augurarti buona realizzazione, se te la senti.
Ti prego inoltre di far arrivare comunque questo schema a I6VMS, nel caso volesse realizzare il circuito per le sue prossime Loop Magnetiche multigamma.
Anzitutto la ruota che si vede in basso a sinistra è solidale con l'asse del motore, quindi gira con esso. Sulla ruota sono avvitate due viti in acciaio, sulle cui teste sono appoggiati due piccoli magneti cilindrici al neodimio, facilmente reperibili ad esempio su Aliexpress (link per acquisto).
Le viti e relativi magneti possono essere di più o di meno, ma in numero tale da non provocare il trabocco (overflow) del contatore a 4 cifre (link per acquisto).
I magneti chiudono un contatto reed (normalmente aperto) quando gli passano vicino (link per acquisto).
Avvitando o svitando leggermente le viti si può regolare la distanza magnete-contatto reed, che dovrà essere di qualche millimetro.
Veniamo ora all'elettronica.
Il circuito è alimentato da una tensione intorno ai 12 V, da cui si ricava anche una tensione di circa 5 V grazie a IC1, un comune LM317. La tensione di 5 V serve ad alimentare la parte elettronica, e anche il motore quando lo si vuol far ruotare a velocità ridotta. Questa tensione va regolata col trimmer R3, in modo che il motore ruoti molto lentamente, per avere una regolazione fine. Non bisogna andare sotto i 3 V, altrimenti la parte elettronica non funzionerà.
Quando si aziona il motore col doppio deviatore a zero centrale S1-A/S1-B, l'alimentazione positiva arriverà su uno dei due fili che alimentano il motore, e passerà anche attraverso una delle resistenze R4 o R5. Queste resistenze servono come limitatrici di corrente, perché si sfruttano i diodi di protezione dell'ingresso interni agli inverter per limitare l'escursione della tensione al range di alimentazione dell'integrato.
La tensione positiva, invertita da uno degli inverter IC2-A o IC2-B, dopo che eventuali impulsi spuri sono stati eliminati da un semplice filtro RC, setta o resetta il flip-flop formato da IC3-A e IC3-B. Sul flip-flop resta memorizzata l'ultima direzione in cui si è mosso il motore, per gestire nel giusto verso eventuali impulsi tardivi che arrivano attraverso il contatto reed dopo aver tolto alimentazione al motore, quando questo si sta ancora muovendo per inerzia.
Inoltre, se una alimentazione positiva è presente sul motore (cioè se ne sta comandando il movimento), l'uscita di IC3-C va a livello logico alto.
Dalla parte del contatto reed, gli impulsi che arrivano sono filtrati contri i rimbalzi da R9 e C8, e limitati a un tempo massimo di circa 100 ms da R10 e C9 (la limitazione serve se un magnete si ferma proprio in corrispondenza del reed).
Questi impulsi, invertiti da IC2-C, assolvono a varie funzioni.
Servono a mantenere il buzzer spento mentre si sta comandando il movimento del motore e il motore gira. Quando il motore raggiunge un finecorsa il comando di movimento è ancora presente ma gli impulsi del reed non arrivano più, pertanto il buzzer comincia a suonare.
Se il buzzer suona e il finecorsa azionato è quello "down", il contatore viene resettato a 0 da TR3.
Se il comando di movimento del motore persiste per più di circa 4,8 s (tempo stabilito da R13 + R14 e C11), viene comandata la saturazione del transistor TR4, che riversa l'intera tensione di alimentazione di 12 V verso il motore.
Il motore all'inizio, con TR4 interdetto, veniva alimentato a circa 5 V dall'uscita di IC1 attraverso DS1.
Quindi all'inizio di un comando il motore parte lentamente, per poi accelerare allla massima velocità dopo 4,8 s circa.
Volendo è possibile forzare manualmente la velocità del motore manovrando il deviatore a zero centrale S2.
In posizione centrale si ha il funzionamento automatico già visto.
In posizione superiore si cortocircuitano emettitore e collettore di TR4 imponendo sempre la velocità massima.
In posizione inferiore si cortocircuitano emettitore e base di TR4, mantenendolo sempre interdetto e imponendo quindi la velocità minima.
Il resto del circuito serve a comandare l'avanzamento o la retrocessione del contatore a quattro cifre LED.
Dato che dai vari siti dei venditori non è chiaro come va pilotato, è necessario effettuare alcune prove una volta entrati in possesso del contatore.
Innanzitutto è necessario alimentarlo a circa 12 V e verificare che sul piedino 4 di reset sia presente una tensione positiva, e che mandandolo a massa il contatore si resetti.
Poi è necessario verificare come farlo avanzare e retrocedere.
In contatori simili, l'avanzamento avviene sul fronte di salita di un impulso applicato, e una tensione minore di 0,6 V viene letta come livello logico 0 mentre una tensione tra 4 e 30 V (massimo) viene letta come livello logico 1.
Bisogna controllare che sui piedini 5, 6 e 7 sia presente una tensione 0.
Ho previsto due diversi scenari:
1) indicazione della direzione in cui contare ponendo una tensione positiva sul piedino 6 (UP) o 7 (DOWN), applicando gli impulsi da contare al piedino 5. In questo primo scenario, bisogna collegare il contatore secondo i tratteggi in rosso.
2) Applicazione diretta degli impulsi da contare sul piedino 6 (UP) o 7 (DOWN), lasciando inutilizzato il piedino 5. In questo secondo scenario, bisogna collegare il contatore secondo i tratteggi in nero.
Il contatore mantiene memorizzato il numero al togliere l'alimentazione.
A questo punto non mi resta che augurarti buona realizzazione, se te la senti.
Ti prego inoltre di far arrivare comunque questo schema a I6VMS, nel caso volesse realizzare il circuito per le sue prossime Loop Magnetiche multigamma.
Big fan of ⋮ƎlectroYou! Ausili per disabili e anziani su ⋮ƎlectroYou
Caratteri utili: À È É Ì Ò Ó Ù α β γ δ ε η θ λ μ π ρ σ τ φ ω Ω º ª ² ³ √ ∛ ∜ ₀ ₁ ₂ ₃ ₄ ₅ ₆ ∃ ∄ ∆ ∈ ∉ ± ∓ ∾ ≃ ≈ ≠ ≤ ≥
Caratteri utili: À È É Ì Ò Ó Ù α β γ δ ε η θ λ μ π ρ σ τ φ ω Ω º ª ² ³ √ ∛ ∜ ₀ ₁ ₂ ₃ ₄ ₅ ₆ ∃ ∄ ∆ ∈ ∉ ± ∓ ∾ ≃ ≈ ≠ ≤ ≥
44 messaggi
• Pagina 5 di 5 • 1, 2, 3, 4, 5
Chi c’è in linea
Visitano il forum: Google Adsense [Bot] e 41 ospiti

Elettrotecnica e non solo (admin)
Un gatto tra gli elettroni (IsidoroKZ)
Esperienza e simulazioni (g.schgor)
Moleskine di un idraulico (RenzoDF)
Il Blog di ElectroYou (webmaster)
Idee microcontrollate (TardoFreak)
PICcoli grandi PICMicro (Paolino)
Il blog elettrico di carloc (carloc)
DirtEYblooog (dirtydeeds)
Di tutto... un po' (jordan20)
AK47 (lillo)
Esperienze elettroniche (marco438)
Telecomunicazioni musicali (clavicordo)
Automazione ed Elettronica (gustavo)
Direttive per la sicurezza (ErnestoCappelletti)
EYnfo dall'Alaska (mir)
Apriamo il quadro! (attilio)
H7-25 (asdf)
Passione Elettrica (massimob)
Elettroni a spasso (guidob)
Bloguerra (guerra)



