Buongiorno, volevo aggiungere un temporizzatore ad un impianto già esistente se possibile.
Adesso ho un lampadario che si accende tramite un relè (Finder 26.01 o 26.02) comandato da 3 pulsanti, volevo aggiungere un temporizzatore comandato da un quarto pulsante per fare in modo che la luce si spenga dopo un tempo n se la accendo da quel pulsante, lasciando invariato il funzionamento degli altri.
Mi chiedevo se questo potrebbe fare al caso mio.
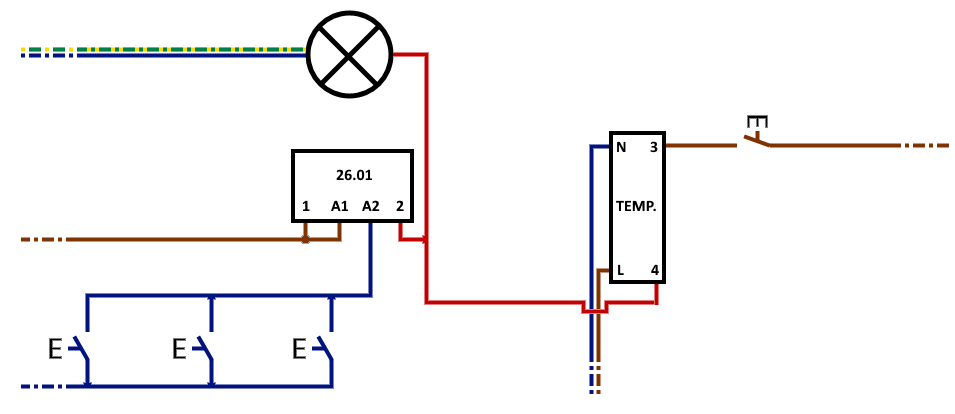
Dovrei collegare l'uscita (4) direttamente al lampadario e non al relè corretto?
Grazie!
Impianto con relè temporizzato
Moderatori:
sebago,
MASSIMO-G,
lillo,
Mike
14 messaggi
• Pagina 1 di 2 • 1, 2
0
voti
L'uscita (4) in parallelo sul contatto del relè finder che comanda la luce.
Forse ti conviene sdoppiare il contatto del temporizzatore ed usare anche un NC per tagliare l'alimentazione del finder. Questo perché se mentre la luce è accesa dal temporizzatore, qualcuno comanda la luce con gli altri pulsanti ti cambia la posizione del finder e magari la luce rimane accesa.
Forse ti conviene sdoppiare il contatto del temporizzatore ed usare anche un NC per tagliare l'alimentazione del finder. Questo perché se mentre la luce è accesa dal temporizzatore, qualcuno comanda la luce con gli altri pulsanti ti cambia la posizione del finder e magari la luce rimane accesa.
-

Coulomb
710 4 - CRU - Account cancellato su Richiesta utente
- Messaggi: 189
- Iscritto il: 19 gen 2018, 17:27
0
voti
@g.schgor la temporizzazione vale per un quarto pulsante, gli altri tre sono solo per accenderla normalmente tramite il relè.
@coulomb si ci avevo pensato, però alla fine mi è utile anche lasciarla accesa quindi lascio così.
Oggi provo a fare uno schema poi ve lo mostro.
Grazie per ora!
@coulomb si ci avevo pensato, però alla fine mi è utile anche lasciarla accesa quindi lascio così.
Oggi provo a fare uno schema poi ve lo mostro.
Grazie per ora!
0
voti
Lo schema è giusto. Peraltro questi temporizzatori Green Blue li uso spesso negli impianti scale, silenziosissimi e precisi.
comunque farei anche io come detto da coulomb, la fase di alimentazione bobina del relè finder la darei sotto contatto NC - che purtroppo il greenblue non possiede .
comunque farei anche io come detto da coulomb, la fase di alimentazione bobina del relè finder la darei sotto contatto NC - che purtroppo il greenblue non possiede .
1
voti
Ah comunque al pulsante del GreenBlue puoi dare anche neutro.
0
voti
turion95 ha scritto:Lo schema è giusto. Peraltro questi temporizzatori Green Blue li uso spesso negli impianti scale, silenziosissimi e precisi.
comunque farei anche io come detto da coulomb, la fase di alimentazione bobina del relè finder la darei sotto contatto NC - che purtroppo il greenblue non possiede .
Grazie gentilissimo!
A parte che non ha il contatto NC, mi rimane utile accenderlo anche da un altro pulsante per lasciarlo sempre acceso, spiego meglio:
Sono fuori sul balcone, è buio, premo il pulsante e la luce si accende giusto quel tempo per farmi aprire e chiudere le porte e poi si spegne. Quando però devo lasciarla accesa (caso raro) premo prima fuori e poi dentro e non si spegne fino a nuovo comando, corretto? Oppure l'incrociarsi delle due fasi (Relè e Temporizzatore) crea problemi?
0
voti
Aspetta, cerchiamo di essere più chiari. Tu vuoi accendere da dentro casa le luci del balcone in modo temporizzato ? O vuoi accenderle dal pulsante fuori?
In ogni caso, quando il temporizzatore è in esecuzione, i pulsanti che comandano il finder non avranno alcun effetto. Quando poi il tempo finirà e quindi il temporizzatore sgancia la fase, i pulsanti del relè finder tornano a funzionare come prima.
In ogni caso, quando il temporizzatore è in esecuzione, i pulsanti che comandano il finder non avranno alcun effetto. Quando poi il tempo finirà e quindi il temporizzatore sgancia la fase, i pulsanti del relè finder tornano a funzionare come prima.
14 messaggi
• Pagina 1 di 2 • 1, 2
Torna a Impianti, sicurezza e quadristica
Chi c’è in linea
Visitano il forum: Nessuno e 63 ospiti

Elettrotecnica e non solo (admin)
Un gatto tra gli elettroni (IsidoroKZ)
Esperienza e simulazioni (g.schgor)
Moleskine di un idraulico (RenzoDF)
Il Blog di ElectroYou (webmaster)
Idee microcontrollate (TardoFreak)
PICcoli grandi PICMicro (Paolino)
Il blog elettrico di carloc (carloc)
DirtEYblooog (dirtydeeds)
Di tutto... un po' (jordan20)
AK47 (lillo)
Esperienze elettroniche (marco438)
Telecomunicazioni musicali (clavicordo)
Automazione ed Elettronica (gustavo)
Direttive per la sicurezza (ErnestoCappelletti)
EYnfo dall'Alaska (mir)
Apriamo il quadro! (attilio)
H7-25 (asdf)
Passione Elettrica (massimob)
Elettroni a spasso (guidob)
Bloguerra (guerra)



