Interruttore touch con NE555
Moderatori:
carloc,
g.schgor,
BrunoValente,
IsidoroKZ
0
voti
Ecco il circuito allegato.
NB. C1 serve per portare l'uscita OUT del FLIP-FLOP a livello basso quando viene attaccata l'alimentazione. Stabilizza il circuito.
NB2. R9 ed R10 sono dei resistori da 10 MOhm che servono ad eliminare le correnti parassite. Infatti, basta una piccolissima corrente, che viene amplificata dai transistor, per intervenire sul fllp-flop.
Potete alimentare questo circuito a qualsiasi tensione, entro i limiti previsti dai componenti. Meglio non esagerare. Direi dai 3 ai 18v.
NB. C1 serve per portare l'uscita OUT del FLIP-FLOP a livello basso quando viene attaccata l'alimentazione. Stabilizza il circuito.
NB2. R9 ed R10 sono dei resistori da 10 MOhm che servono ad eliminare le correnti parassite. Infatti, basta una piccolissima corrente, che viene amplificata dai transistor, per intervenire sul fllp-flop.
Potete alimentare questo circuito a qualsiasi tensione, entro i limiti previsti dai componenti. Meglio non esagerare. Direi dai 3 ai 18v.
- Allegati
-
Touch Switch.pdf- (9.66 KiB) Scaricato 207 volte
0
voti
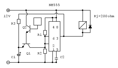
è un circuito complesso con tanti trs e tante resistenze era meglio quello con l'NE555,anche perché hai bisogno di 2 touch ,uno per accendere e un altro per spegnere;se il problema era che, dando alimentazione ,l'uscita 3 risultava sempre a livello alto e bisognava intervenire agendo sul touch per spegnere,si poteva fare cosi visto che questo circuito è destinato a comandare un rele:
dando alimentazione l'uscita 3 va a livello alto e cosi rimane ,ma il relè non si eccita,per farlo eccitare bisogna agire sul touch che fa passare l'uscita a livello basso
dando alimentazione l'uscita 3 va a livello alto e cosi rimane ,ma il relè non si eccita,per farlo eccitare bisogna agire sul touch che fa passare l'uscita a livello basso
0
voti
Il pin 3 dell' NE555 può solo erogare corrente. Se lo usi come gnd bruci l'integarto. Quando facevo pratica con l' ne555 non mettevo il diodo di protezione all' relè. La bobina generava una corrente inversa che finiva sull'out.
E dopo pochi utilizzi l'integrato non funzionava più. Può darsi che mi sbaglo, per questo ti chiedo se sei sicuro se si può?
Inoltre, il problema è l'instabilità nel momento in cui fornisci l'alimentazione. Per la maggior parte delle volte l'uscita va alta, mentre alcune rimane bassa...
E dopo pochi utilizzi l'integrato non funzionava più. Può darsi che mi sbaglo, per questo ti chiedo se sei sicuro se si può?
Inoltre, il problema è l'instabilità nel momento in cui fornisci l'alimentazione. Per la maggior parte delle volte l'uscita va alta, mentre alcune rimane bassa...
0
voti
No, è stabilissimo. Tenendolo toccato costantemente non vi è nessuna oscillazione né quando il led è spento e lo accendi né quando è acceso e lo spegni.
2
voti
Daniel521 ha scritto:Il pin 3 dell' NE555 può solo erogare corrente. Se lo usi come gnd bruci l'integarto. Quando facevo pratica con l' ne555 non mettevo il diodo di protezione all' relè. La bobina generava una corrente inversa che finiva sull'out.
Che io sappia l'uscita 3 dell'ne555 si puo usare in ambo i sensi,la corrente max non deve superare i 100mA altrimenti l'IC si rovina,inoltre il diodo in parallelo alla bobina del rele ci vuole poiche smorza le sovratensioni che si generano quando la bobina viene disalimentata;a te gli IC si rovinavano per questi motivi
0
voti
Oggi ho effettuato alcune prove come mi hai detto di fare. Hai ragione sul fatto che l' uscita dell' NE555 può fungere da GND, infatti questa volta non è saltato via nessuno pezzo dell' integrato. Il circuito touch funziona, come prima. Unica differenza, ora, è che quando attacco l' alimentazione il led si accende raramente e non come prima che si accendeva sempre. Tuttavia il problema non è risolto, deve funzionare correttamente sempre. Se ti può essere d' aiuto, ho fatto questa osservazione. Se attacco l' alimentazione al circuito possono succedere due cose: il led si accende per qualche millisecondo e si spegne o il led si accende e resta acceso(avviene più raramente).Ciò che ho appena detto avviene con il circuito che mi hai proposto.
0
voti
Daniel521 ha scritto:...... . Unica differenza, ora, è che quando attacco l' alimentazione il led si accende raramente e non come prima che si accendeva sempre. Tuttavia il problema non è risolto, deve funzionare correttamente sempre. Se ti può essere d' aiuto, ho fatto questa osservazione. Se attacco l' alimentazione al circuito possono succedere due cose: il led si accende per qualche millisecondo e si spegne o il led si accende e resta acceso(avviene più raramente).Ciò che ho appena detto avviene con il circuito che mi hai proposto.
tu le prove le stai facendo con un led il quale si accende subito,mentre se le fai con un relè le cose potrebbero essere diverse in quanto il rele ha dei tempi,seppur brevi,per eccitarsi e chiudersi;magari bastano quei centesimi di secondo di ritardo affinchè il circuito funzioni correttamente;altra cosa che prima non ti ho detto:è d'uopo collegare in parallelo all'alimentazione,vicino il più possibile all'ne555, un condensatore elettrolitico da 220uF e un condensatore poliestere da 100nF,questi servono a far funzionare meglio l'IC ed impedire che possa andare in oscillazione...
0
voti
Il 555 ha anche un piedino di reset, potresti azionarlo all'accensione per un breve tempo utilizzando una resistenza e un condensatore.
Oppure aumenta la capacità del condensatore collegato al piedino 5.
Oppure aumenta la capacità del condensatore collegato al piedino 5.
Big fan of ⋮ƎlectroYou! Ausili per disabili e anziani su ⋮ƎlectroYou
Caratteri utili: À È É Ì Ò Ó Ù α β γ δ ε η θ λ μ π ρ σ τ φ ω Ω º ª ² ³ √ ∛ ∜ ₀ ₁ ₂ ₃ ₄ ₅ ₆ ∃ ∄ ∆ ∈ ∉ ± ∓ ∾ ≃ ≈ ≠ ≤ ≥
Caratteri utili: À È É Ì Ò Ó Ù α β γ δ ε η θ λ μ π ρ σ τ φ ω Ω º ª ² ³ √ ∛ ∜ ₀ ₁ ₂ ₃ ₄ ₅ ₆ ∃ ∄ ∆ ∈ ∉ ± ∓ ∾ ≃ ≈ ≠ ≤ ≥
Chi c’è in linea
Visitano il forum: Nessuno e 251 ospiti

Elettrotecnica e non solo (admin)
Un gatto tra gli elettroni (IsidoroKZ)
Esperienza e simulazioni (g.schgor)
Moleskine di un idraulico (RenzoDF)
Il Blog di ElectroYou (webmaster)
Idee microcontrollate (TardoFreak)
PICcoli grandi PICMicro (Paolino)
Il blog elettrico di carloc (carloc)
DirtEYblooog (dirtydeeds)
Di tutto... un po' (jordan20)
AK47 (lillo)
Esperienze elettroniche (marco438)
Telecomunicazioni musicali (clavicordo)
Automazione ed Elettronica (gustavo)
Direttive per la sicurezza (ErnestoCappelletti)
EYnfo dall'Alaska (mir)
Apriamo il quadro! (attilio)
H7-25 (asdf)
Passione Elettrica (massimob)
Elettroni a spasso (guidob)
Bloguerra (guerra)






