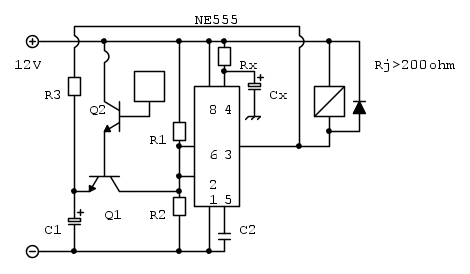
Interruttore touch con NE555
Moderatori:
carloc,
g.schgor,
BrunoValente,
IsidoroKZ
0
voti
In che modo devo collegare il condensatore, in serie all' resistore e il tutto va collegato al pin di reset?
1
voti
Daniel521 ha scritto:In che modo devo collegare il condensatore, in serie all' resistore e il tutto va collegato al pin di reset?
questa è la modifica di GuidoB,e potrebbe funzionare:
0
voti
Sì, e dovrebbe collegare il relè + diodo tra il piedino 3 e il negativo.
Big fan of ⋮ƎlectroYou! Ausili per disabili e anziani su ⋮ƎlectroYou
Caratteri utili: À È É Ì Ò Ó Ù α β γ δ ε η θ λ μ π ρ σ τ φ ω Ω º ª ² ³ √ ∛ ∜ ₀ ₁ ₂ ₃ ₄ ₅ ₆ ∃ ∄ ∆ ∈ ∉ ± ∓ ∾ ≃ ≈ ≠ ≤ ≥
Caratteri utili: À È É Ì Ò Ó Ù α β γ δ ε η θ λ μ π ρ σ τ φ ω Ω º ª ² ³ √ ∛ ∜ ₀ ₁ ₂ ₃ ₄ ₅ ₆ ∃ ∄ ∆ ∈ ∉ ± ∓ ∾ ≃ ≈ ≠ ≤ ≥
1
voti
Ora funziona meglio. Quando attacco l' alimentazione il led si accende con una luce molto molto debole e si spegne subito. L' uscita, comunque, rimane bassa ed era questo l'obbiettivo. Grazie per tutto il vostro supporto
0
voti
Daniel521 ha scritto:Ora funziona meglio. Quando attacco l' alimentazione il led si accende con una luce molto molto debole e si spegne subito...
Se vuoi eliminare questa debole corrente che fa accendere il led,è sufficiente collegare una resistenza di elevato valore (es.1Mohm)fra il pin 3 e la massa;
0
voti
C'è qualcuno che è riuscito a capire come funziona quel circuito?
Io ci ho pensato un po' e mi pare di averlo capito e se non ho preso un granchio il funzionamento è a dir poco cervellotico se non addirittura perverso, dove Q1 una volta si comporta da interruttore e un'altra volta viene sfruttata la conduzione del diodo della giunzione BC polarizzato direttamente mentre quello della giunzione BE è polarizzato inversamente... non saprei dire se sia stato ideato da un elettronico perverso o da uno smanettone che l'ha realizzato facendo prove a caso senza averne capito il funzionamento.
Io ci ho pensato un po' e mi pare di averlo capito e se non ho preso un granchio il funzionamento è a dir poco cervellotico se non addirittura perverso, dove Q1 una volta si comporta da interruttore e un'altra volta viene sfruttata la conduzione del diodo della giunzione BC polarizzato direttamente mentre quello della giunzione BE è polarizzato inversamente... non saprei dire se sia stato ideato da un elettronico perverso o da uno smanettone che l'ha realizzato facendo prove a caso senza averne capito il funzionamento.
-

BrunoValente
39,6k 7 11 13 - G.Master EY

- Messaggi: 7796
- Iscritto il: 8 mag 2007, 14:48
1
voti
In realtà questo circuito era ideato per esere usato con un pulsante al posto dei due transistor. Poi mi son detto: perché non provare con i transistor e fare un touch switch? Non mi costava nulla provare e l'ho fatto. Il circuito funzionava e io ho ottenuto quel che volevo fare. comunque sì, smanettando sono riuscito a renderlo touch. Comunque ricordati che c'è un ragionamento dietro...
Io sono ancora in 3° superiore.. i transitor li farò in quarta.
Cerca di capirmi
Io sono ancora in 3° superiore.. i transitor li farò in quarta.
Cerca di capirmi
0
voti
beh io direi che ti meriti un bravo,l'elettronica è soprattutto laboratorio,in elettronica,la teoria messa in pratica spesso non funziona,e ne hai avuto una dimostrazione con il famosissimo integrato ne555 che nonostante sia stato inventato quasi 50 anni fa ancora va alla grande: ebbene dando alimentazione a volte si ha un'uscita alta a volte un'uscita bassa,e cosi avviene con tutti gli altri semiconduttori(per esempio transistor della stessa casa e con la stessa sigla presentano caratteristiche diverse ecc),io direi che meriti un po di punti visto che sei partito da zero e invito gli altri a votarti io l'ho già fatto...... 

Chi c’è in linea
Visitano il forum: Nessuno e 41 ospiti

Elettrotecnica e non solo (admin)
Un gatto tra gli elettroni (IsidoroKZ)
Esperienza e simulazioni (g.schgor)
Moleskine di un idraulico (RenzoDF)
Il Blog di ElectroYou (webmaster)
Idee microcontrollate (TardoFreak)
PICcoli grandi PICMicro (Paolino)
Il blog elettrico di carloc (carloc)
DirtEYblooog (dirtydeeds)
Di tutto... un po' (jordan20)
AK47 (lillo)
Esperienze elettroniche (marco438)
Telecomunicazioni musicali (clavicordo)
Automazione ed Elettronica (gustavo)
Direttive per la sicurezza (ErnestoCappelletti)
EYnfo dall'Alaska (mir)
Apriamo il quadro! (attilio)
H7-25 (asdf)
Passione Elettrica (massimob)
Elettroni a spasso (guidob)
Bloguerra (guerra)





