devo implementare un amplificatore di corrente pilotato in tensione. Il generatore deve erogare una corrente nel range
mA, e deve essere controllato da l'uscita PWM di un microcontrollore che varia nel range
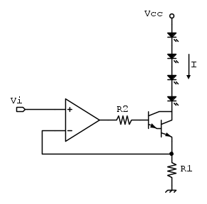
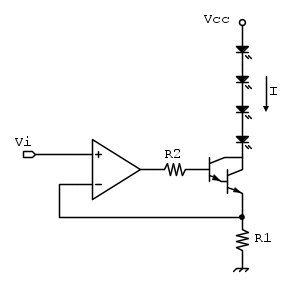
V. Il circuito mi serve per stressare dei led per delle prove di vita accelerata.Il manuale di elettronica mi consiglia il seguente circuito,
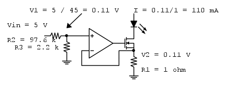
che se consideriamo l'AO ideale e il darligton avere un beta equivalente molto elevato, ha una corrente di uscita I=Vi/R1.
Quindi se utilizzo R1=100 ohm, mi serve una Vi che varia da 0 a 20 V. Per portare l'uscita PWM del controllore a questi livelli pensavo ad un semplice stadio non invertente. La resistenza R2 dovrebbe servire per limitare la corrente sulla base, per proteggere la giunzione base emettitore, non ho idea di come dimensionarla.
Mi servirebbe qualche consiglio per capire se questo circuito può funzionare e quanto la corrente di uscita sia effettivamente sensibile al carico, es quanti led posso caricare in seria per mantenere il transistor in saturazione etc etc... Inoltre ho anche bisogno di qualche consiglio dal punto di vista dei dispositivi da usare, quale AO, che darligton.
Grazie.

Elettrotecnica e non solo (admin)
Un gatto tra gli elettroni (IsidoroKZ)
Esperienza e simulazioni (g.schgor)
Moleskine di un idraulico (RenzoDF)
Il Blog di ElectroYou (webmaster)
Idee microcontrollate (TardoFreak)
PICcoli grandi PICMicro (Paolino)
Il blog elettrico di carloc (carloc)
DirtEYblooog (dirtydeeds)
Di tutto... un po' (jordan20)
AK47 (lillo)
Esperienze elettroniche (marco438)
Telecomunicazioni musicali (clavicordo)
Automazione ed Elettronica (gustavo)
Direttive per la sicurezza (ErnestoCappelletti)
EYnfo dall'Alaska (mir)
Apriamo il quadro! (attilio)
H7-25 (asdf)
Passione Elettrica (massimob)
Elettroni a spasso (guidob)
Bloguerra (guerra)






