Cos'è ElectroYou | Login Iscriviti

ElectroYou - la comunità dei professionisti del mondo elettrico

circuito led lampeggianti

Elettronica lineare e digitale: didattica ed applicazioni

Moderatori: Foto Utentecarloc, Foto Utenteg.schgor, Foto UtenteBrunoValente, Foto UtenteIsidoroKZ

0
voti

[1] circuito led lampeggianti

Messaggioda Foto Utenteghoulsnghosts » 17 apr 2018, 12:38

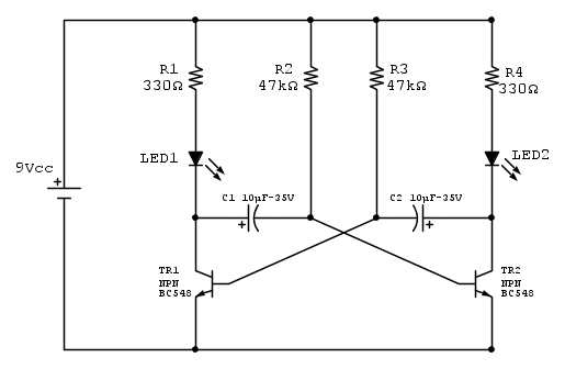
Un saluto a tutti, ho realizzato su breadboard questo semplice circuito che fa lampeggiare due led alternativamente:

che fa quello che deve fare, ma ahimè, data la mia ignoranza non ho capito il funzionamento dei vari componenti. L'idea confusa che mi sono fatto è questa: nel momento in cui alimento il circuito,a causa di lievi differenze tra i due transistor, uno dei due conduce, mettiamo TR1, il LED1 si accende, TR1 va in saturazione quindi tra collettore ed emettitore non c'è tensione e il condensatore C1 si scarica attraverso la base di TR2 che si interdice, C1 si ricarica fino a che la tensione sulla base di TR2 raggiunge un certo valore che manda in saturazione TR2 e il LED2 si accende e si ripetono gli stessi fenomeni simmetricamente.
Non mi è chiaro soprattutto quello che avviene tra condensatori e transistor nelle due fasi che si alternano.
Vi sarei grato se qualcuno di voi esperti potesse farmi un po' di chiarezza e chiedo venia per le castronerie che sicuramente avrò detto O_/
Avatar utente
Foto Utenteghoulsnghosts
85 4
 
Messaggi: 31
Iscritto il: 7 giu 2013, 19:46

0
voti

[2] Re: circuito led lampeggianti

Messaggioda Foto UtenteIlGuru » 17 apr 2018, 13:47

Quando un condensatore si carica l'altro si scarica.
Man mano che uno dei due si carica porta sempre più in basso la tensione della base del transistor a cui è collegato fino a spegnerlo.
In quel momento l'altro condensatore è scarico, andando in interdizione il transistor porta la tensione del collettore pari a quella di alimentazione e visto che il condensatore a cui tale collettore è scarico, si porta su anche la base dell'altro transitor a cui è collegato accendendolo.
A quel punto l'altro condensatore inizia a caricarsi il ciclo si ripete
\Gamma\nu\tilde{\omega}\theta\i\ \sigma\epsilon\alpha\upsilon\tau\acute{o}\nu
Avatar utente
Foto UtenteIlGuru
5.482 2 10 13
G.Master EY
G.Master EY
 
Messaggi: 1924
Iscritto il: 31 lug 2015, 23:32

0
voti

[3] Re: circuito led lampeggianti

Messaggioda Foto Utenteghoulsnghosts » 18 apr 2018, 11:51

Grazie per la risposta Foto UtenteIlGuru.Solo una domanda, giusto per capire.
Mentre un led è acceso il condensatore a cui questo è collegato è in fase di carica o di scarica?
Avatar utente
Foto Utenteghoulsnghosts
85 4
 
Messaggi: 31
Iscritto il: 7 giu 2013, 19:46

0
voti

[4] Re: circuito led lampeggianti

Messaggioda Foto UtenteIlGuru » 18 apr 2018, 12:09

In quel momento è scarico e si sta caricando. Se il ledo è acceso significa che il transistor è in conduzione e che la tensione sul collettore è molto piccola. In queste condizioni il condensatore scarico, trasmette la stessa tensione alla base dell' altro transistor portandolo in interdizione. Man mano che il condensatore si carica fa accendere l'altro transistor ribaltando la situazione.
\Gamma\nu\tilde{\omega}\theta\i\ \sigma\epsilon\alpha\upsilon\tau\acute{o}\nu
Avatar utente
Foto UtenteIlGuru
5.482 2 10 13
G.Master EY
G.Master EY
 
Messaggi: 1924
Iscritto il: 31 lug 2015, 23:32

1
voti

[5] Re: circuito led lampeggianti

Messaggioda Foto UtenteBrunoValente » 18 apr 2018, 16:16

Mi pare le cose vadano in altro modo, oppure sbaglio a capire le vostre descrizioni del funzionamento dove mi pare non venga considerata la polarizzazione inversa delle basi.

Provo a spiegare come funziona secondo me.

Per semplicità consideriamo nulla la VCEsat, quindi consideriamo i transistor come fossero interruttori chiusi quando sono saturi e consideriamo nulla anche la caduta sui led accesi.

Partiamo con TR1 saturo e TR2 interdetto.

In questa condizione LED1 è acceso, C1 si trova con il piedino (+) a 0V e il piedino (-) a -8.4V (più avanti vedremo perché), mentre C2 si trova carico a 8.4V con il piedino (+) a 9V e il piedino (-) a +0.6V

La tensione negativa di -8.4V sul piedino (-) di C1 polarizza inversamente la giunzione BE di TR2 e lo tiene interdetto.

La tensione negativa di -8.4V sul piedino (-) di C1 non resta costante ma si riduce nel tempo perché R2 fa scorrere una corrente entrante in quel piedino.

Se non vi fosse TR2 succederebbe che la tensione negativa del piedino (-) di C1 tenderebbe a ridursi salendo verso lo 0V e superandolo fino ad arrivare asintoticamente a +9V ma invece, essendoci TR2, succede che quando arriva dalle parti di +0.6V non continua a salire e si ferma perché incontra la resistenza offerta dal diodo della giunzione BE di TR2 che inizia a polarizzarsi direttamente e quindi ad andare in conduzione verso il riferimento.

Quando la tensione di base di TR2 raggiunge il valore di conduzione succede che TR2 si chiude, LED2 si accende, il piedino (+) di C2 va a 0V e il piedino (-) di C2 scende a -8.4V

Siamo a questo punto con C2 nelle stesse condizioni in cui era C1 quando siamo partiti e dovrebbe essere chiaro il perché dei -8.4V.

Quando TR2 satura succede che la base di TR1 va a -8.4V e quindi TR1 si interdice e questo succede nell'istante in cui C1 è carico inversamente con una tensione di +0.6V sul piedino (-) e 0V sul piedino(+).

Appena TR1 si interdice succede che tutta la corrente che sta scorrendo in LED1, non potendo più scorrere in TR1, dirotta sul piedino (+) di C1 e lo carica rapidamente a 8.4V con il piedino (+) a 9V e il piedino (-) a +0.6V.

Questa ricarica di C1 avviene molto più rapidamente di quanto sia avvenuta la scarica perché la corrente proviene da R1 che è molto più piccola di R2.

Da notare che quando TR1 si spegne succede che LED1 resta ancora acceso per un po' di tempo, fino a che C1 non si è caricato, la stessa cosa ovviamente accade a LED2.
Avatar utente
Foto UtenteBrunoValente
39,6k 7 11 13
G.Master EY
G.Master EY
 
Messaggi: 7796
Iscritto il: 8 mag 2007, 14:48

0
voti

[6] Re: circuito led lampeggianti

Messaggioda Foto Utenteghoulsnghosts » 22 apr 2018, 5:37

Grazie per la risposta e la spiegazione, ci ragiono un po' su.
Avatar utente
Foto Utenteghoulsnghosts
85 4
 
Messaggi: 31
Iscritto il: 7 giu 2013, 19:46

0
voti

[7] Re: circuito led lampeggianti

Messaggioda Foto UtenteEcoTan » 22 apr 2018, 7:58

Non ci sono dei limiti alla -Vbe dei transistor? Se la tensione della batteria è abbondante, conviene rimediare e come?
E poi, visto che stiamo parlando di un circuito che ho sperimentato molte volte, vorrei segnalare che in certe condizioni ha difficoltà ad innescare cioè i due transistor rimangono entrambi saturi stabilmente (chissà come si comporterebbe un simulatore).
Avatar utente
Foto UtenteEcoTan
7.720 4 12 13
Expert EY
Expert EY
 
Messaggi: 5422
Iscritto il: 29 gen 2014, 8:54

0
voti

[8] Re: circuito led lampeggianti

Messaggioda Foto UtenteBrunoValente » 22 apr 2018, 11:19

Hai centrato i due limiti/difetti di quel circuito: non è bello che la tensione di base scenda molto, si può rimediare non superando 5V di alimentazione, oppure con dei diodi in serie alle basi, magari mettendo anche delle resistenze di opportuno valore in parallelo alle giunzioni BE per non lasciare le basi appese.

Se entrambi i transistor arrivano a saturare l'oscillazione si spegne, un po' come l'orologio a pendolo: se fermi il pendolo non parte più.

Per rimediare occorrerebbe non farli saturare.
Avatar utente
Foto UtenteBrunoValente
39,6k 7 11 13
G.Master EY
G.Master EY
 
Messaggi: 7796
Iscritto il: 8 mag 2007, 14:48

0
voti

[9] Re: circuito led lampeggianti

Messaggioda Foto UtenteLancillotto » 22 apr 2018, 11:36

Forse funzionerebbe meglio con delle lampadine o comunque con dei carichi resistivi invece che led, questi alterano il comportamento del circuito come era stato pensato all'origine O_/
Avatar utente
Foto UtenteLancillotto
986 3 6
Sostenitore
Sostenitore
 
Messaggi: 526
Iscritto il: 13 ott 2017, 14:47
Località: ۞ ₯ ۞

0
voti

[10] Re: circuito led lampeggianti

Messaggioda Foto Utenteghoulsnghosts » 26 gen 2019, 12:01

Salve,mi scuso per aver riaperto questo post dopo diverso tempo, ma rivedendo questo semplice circuito c'è qualcosa che proprio non riesco a capire. Il punto che mi rimane critico è questo:
nell'istante in cui un transistor diventa saturo, mettiamo TR1, il piedino (+)del condensatore C1 passa da 9V a 0V perché in quell'istante si trova collegato al polo negativo del generatore, dovrebbe avvenire (mi pare di aver capito) che il piedino (+) si scarica con una piccola corrente che confluisce nel collettore di TR1 insieme alla corrente della batteria.
Ma come fa il piedino(-) di C1 nel medesimo istante a caricarsi negativamente fino a -8.4V?
Grazie.
Avatar utente
Foto Utenteghoulsnghosts
85 4
 
Messaggi: 31
Iscritto il: 7 giu 2013, 19:46

Prossimo

Torna a Elettronica generale

Chi c’è in linea

Visitano il forum: Nessuno e 216 ospiti