Ciao a tutti,
ultimamente ho tra le mani una bobina autotive la quale è a tutti gli effetti un induttore e l'obiettivo è quello di sfruttare la sua sovratensione per generare picchi che si scaricheranno su di una candela. Tutto facile ma.... la teoria ci insegna, che se gestiamo il comando con transistor, dobbiamo mettere un diodo di ricircolo su l'induttore. Mettere questo diodo significa però smorzare la sovratensione e quindi non ottenere più la scintilla sulla candela.
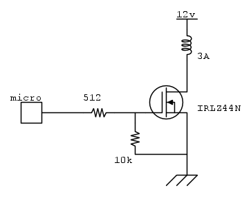
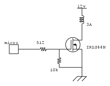
io sto portando avanti sia uno schema basato su MOSFET (allegato) sia un sistema su NPN Darlington. Entrambe funzinano (poiché i transistor sono estremamente sovradimensionati), ma unatantum mandano in reset (o blocco) il microcontrollore che genera il comando di gestione.
Come posso evitare quest'ultimo fenomeno?
gestione carico induttivo
Moderatori:
carloc,
g.schgor,
BrunoValente,
IsidoroKZ
9 messaggi
• Pagina 1 di 1
1
voti
Considerando che le velocità non sono tanto alte, userei un igbt e poi limiterei la tensione sul transistor con alcuni transzorb in serie.
I reset sono probabilmente dovuti al layout, a distanza non si può fare molto,
Dimenticavo: la teoria non insegna a mettere un diodo in parallelo all'induttanza, insegna eventualmente a controllare la tensione inversa massima o la sua velocità di variazione. In un circuito analogo avevo tensioni riflesse di quasi 700V che limitavo con dei TVS.
I reset sono probabilmente dovuti al layout, a distanza non si può fare molto,
Dimenticavo: la teoria non insegna a mettere un diodo in parallelo all'induttanza, insegna eventualmente a controllare la tensione inversa massima o la sua velocità di variazione. In un circuito analogo avevo tensioni riflesse di quasi 700V che limitavo con dei TVS.
Per usare proficuamente un simulatore, bisogna sapere molta più elettronica di lui
Plug it in - it works better!
Il 555 sta all'elettronica come Arduino all'informatica! (entrambi loro malgrado)
Se volete risposte rispondete a tutte le mie domande
Plug it in - it works better!
Il 555 sta all'elettronica come Arduino all'informatica! (entrambi loro malgrado)
Se volete risposte rispondete a tutte le mie domande
0
voti
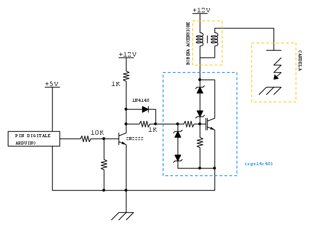
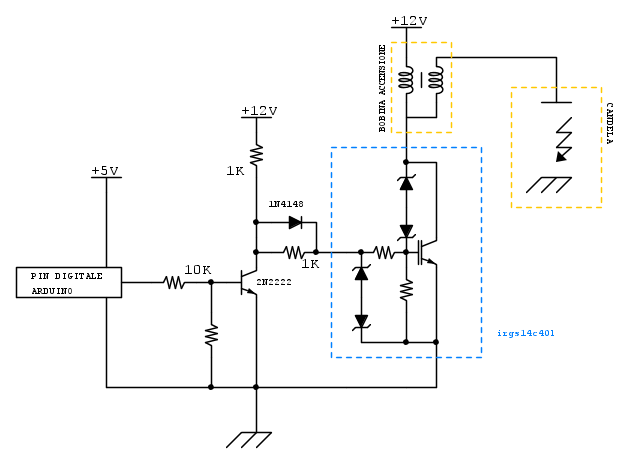
Salve a tutti,
dopo un periodo di prove e ricerche ho trovato la pace dei sensi usando come switch digitale per il mio carico induttivo un IGBT dedicato al mondo della gestione bobine automotive: irgs14c40l
datasheet: http://www.irf.com/product-info/datasheets/data/irgs14c40l.pdf
Descrizione
Io ho pilotato il tutto così (funziona, ma accettasi suggerimenti)
dopo un periodo di prove e ricerche ho trovato la pace dei sensi usando come switch digitale per il mio carico induttivo un IGBT dedicato al mondo della gestione bobine automotive: irgs14c40l
datasheet: http://www.irf.com/product-info/datasheets/data/irgs14c40l.pdf
Descrizione
The advanced IGBT process family includes a MOS gated, N-channel logic level device which is intended for coil-on-plug automotive ignition applications and small-engine ignition circuits
Io ho pilotato il tutto così (funziona, ma accettasi suggerimenti)
0
voti
Se a riposo, l’ultimo schema condiviso, porta il carico in condizione di ON. quindi ho sostituito il BJT npn con un pnp.
Qualcuno ha suggerimenti e o consigli utili su questo circuito?
Qualcuno ha suggerimenti e o consigli utili su questo circuito?
0
voti
se blocchi la tensione di swing in qualche modo significa bloccare la tensione di uscita a valori non sufficienti, per avere la scarica un uscita devi avere come ridere una tensione picco di entrata di parecchie centinaia di volt, ed anche la velocità di apertura è fondamentale.
per me il miglior controllo è ottenuto da mosfet, non avendo potenze impressionanti non opterei per igbt, (anche se andrebbe bene comunque), io per un applicazione del genere usai un mosfet da 800V, resyya da valutare bene il sistema di limitazione delle tensioni di picco, sono comunque pericolose, pensando al caso in cui non si verifichi la scintilla in uscita, non conosco la tua applicazione ma può accadere.
mi pare però sbagliato usare una bobina da auto per lavorare sopra il kHz, spero che sia almeno da accensione elettronica, anche perché non credo che vada a lavorare con velocità sufficiente in questa condizione, io mi sarei orientato verso una bobina di riga TV CRT.
l'ulitmo pilotaggio proposto non mi piace per niente, un modo per rendere veloce una interdizione in un transistor saturo, è precisamente il collegare la base a bassa impedenza verso emettitore, senza quel diodo, con bassa resistenza serie, (scarica attraverso la base la carica residua che allunga il tempo di apertura), io usai addirittura un transitor per saturare il finale ed un altro che mi portava a massa la base ottenendo frequenze di commutazioni switching buone.
saluti.
per me il miglior controllo è ottenuto da mosfet, non avendo potenze impressionanti non opterei per igbt, (anche se andrebbe bene comunque), io per un applicazione del genere usai un mosfet da 800V, resyya da valutare bene il sistema di limitazione delle tensioni di picco, sono comunque pericolose, pensando al caso in cui non si verifichi la scintilla in uscita, non conosco la tua applicazione ma può accadere.
mi pare però sbagliato usare una bobina da auto per lavorare sopra il kHz, spero che sia almeno da accensione elettronica, anche perché non credo che vada a lavorare con velocità sufficiente in questa condizione, io mi sarei orientato verso una bobina di riga TV CRT.
l'ulitmo pilotaggio proposto non mi piace per niente, un modo per rendere veloce una interdizione in un transistor saturo, è precisamente il collegare la base a bassa impedenza verso emettitore, senza quel diodo, con bassa resistenza serie, (scarica attraverso la base la carica residua che allunga il tempo di apertura), io usai addirittura un transitor per saturare il finale ed un altro che mi portava a massa la base ottenendo frequenze di commutazioni switching buone.
saluti.
-

lelerelele
4.899 3 7 9 - Master

- Messaggi: 5505
- Iscritto il: 8 giu 2011, 8:57
- Località: Reggio Emilia
0
voti
ira83 ha scritto:picchi che si scaricheranno su di una candela
Ricordo che quando la candela si trova in camera di compressione la tensione di scarica è più alta. Non sapevo che si potesse connettere direttamente al collettore o al drain di un semiconduttore.
0
voti
Buonasera,
rieccomi (...suona come minaccia
)
Vi porto un po' di informazioni utili per continuare la discussione. Per prima cosa penso abbiate frainteso lo schema. Il sistema completo è questo:
Riassunto del riassunto: voglio pilotare il primario di una bobina di accensione affinché si verifichi una sovratensione sul secondario e il sistema fornisca così la scintilla su di una candela.
Lo schema proposto funziona. Ho avuto la possibilità di fare dei test con oscilloscopio e riporto quanto appreso. Sonda 1 (gialla) su base del BJT (ovvero uscita del microcontrollore), Sonda 2 sul collettore dell'igbt, ovvero sul nodo tra avvolgimento primario e secondario della bobina.
Tra comando del microcontrollore ed effettiva gestione bobina ho un ritardo di circa 100ns.
MISURA 1 comando BJT ON 100ms OFF 20ms
Poche oscillazioni, il comando si attiva senza difficoltà (prima immagine periodo intero (20ms/div), seconda immagine zoom su attivazione comando(2ms/div)).
MISURA 2 comando BJT ON 5 ms OFF 5ms
Molte oscillazioni (2ms/div)
Partendo da questo, che è un sistema funzionante (consuma relativamente poco e i componenti non si surriscaldano), quali suggerimenti/migliorie potrei apportare?
rieccomi (...suona come minaccia
Vi porto un po' di informazioni utili per continuare la discussione. Per prima cosa penso abbiate frainteso lo schema. Il sistema completo è questo:
Riassunto del riassunto: voglio pilotare il primario di una bobina di accensione affinché si verifichi una sovratensione sul secondario e il sistema fornisca così la scintilla su di una candela.
Lo schema proposto funziona. Ho avuto la possibilità di fare dei test con oscilloscopio e riporto quanto appreso. Sonda 1 (gialla) su base del BJT (ovvero uscita del microcontrollore), Sonda 2 sul collettore dell'igbt, ovvero sul nodo tra avvolgimento primario e secondario della bobina.
Tra comando del microcontrollore ed effettiva gestione bobina ho un ritardo di circa 100ns.
MISURA 1 comando BJT ON 100ms OFF 20ms
Poche oscillazioni, il comando si attiva senza difficoltà (prima immagine periodo intero (20ms/div), seconda immagine zoom su attivazione comando(2ms/div)).
MISURA 2 comando BJT ON 5 ms OFF 5ms
Molte oscillazioni (2ms/div)
Partendo da questo, che è un sistema funzionante (consuma relativamente poco e i componenti non si surriscaldano), quali suggerimenti/migliorie potrei apportare?
0
voti
io non vedo un mativo valido per collegare il comune della bobina sul igbt, prchè non lo colleghi al +Vcc? Sulle vecchie bobine auto era proprio indicato +V su un polo che sicuramente era quel comune.
ti avevo gia dato il mio parere su resistenza da 1K ed il diodo, hai fatto qualche prova in merito?
mi pare che la tensione sulla bobina ha scala 10V/div? quindi una tensione sulla bobina di picco a 50V? mi sembrano pochi per avere una scintilla, ma se va bene ok.
puoi giocare con il periodo di carica della bobina, (chiusura del BJT), andando a leggere il valore di corrente assorbito dalla bobina, vedrai che con tempi troppo lunghi la stessa corrente avrà un rapido incremento, sei in saturazione, restando un poco disotto a questo limite avrai la massima energia immagazzinata sulla bobina.
mi pare che l'interdizione del igbt sia buona.
saluti.
ti avevo gia dato il mio parere su resistenza da 1K ed il diodo, hai fatto qualche prova in merito?
mi pare che la tensione sulla bobina ha scala 10V/div? quindi una tensione sulla bobina di picco a 50V? mi sembrano pochi per avere una scintilla, ma se va bene ok.
puoi giocare con il periodo di carica della bobina, (chiusura del BJT), andando a leggere il valore di corrente assorbito dalla bobina, vedrai che con tempi troppo lunghi la stessa corrente avrà un rapido incremento, sei in saturazione, restando un poco disotto a questo limite avrai la massima energia immagazzinata sulla bobina.
mi pare che l'interdizione del igbt sia buona.
saluti.
-

lelerelele
4.899 3 7 9 - Master

- Messaggi: 5505
- Iscritto il: 8 giu 2011, 8:57
- Località: Reggio Emilia
9 messaggi
• Pagina 1 di 1
Chi c’è in linea
Visitano il forum: Nessuno e 103 ospiti

Elettrotecnica e non solo (admin)
Un gatto tra gli elettroni (IsidoroKZ)
Esperienza e simulazioni (g.schgor)
Moleskine di un idraulico (RenzoDF)
Il Blog di ElectroYou (webmaster)
Idee microcontrollate (TardoFreak)
PICcoli grandi PICMicro (Paolino)
Il blog elettrico di carloc (carloc)
DirtEYblooog (dirtydeeds)
Di tutto... un po' (jordan20)
AK47 (lillo)
Esperienze elettroniche (marco438)
Telecomunicazioni musicali (clavicordo)
Automazione ed Elettronica (gustavo)
Direttive per la sicurezza (ErnestoCappelletti)
EYnfo dall'Alaska (mir)
Apriamo il quadro! (attilio)
H7-25 (asdf)
Passione Elettrica (massimob)
Elettroni a spasso (guidob)
Bloguerra (guerra)







