secondo me se guardiamo le maglie(secondo principio di kirkoff),sul rele arriva una tensione di 7,5V circa
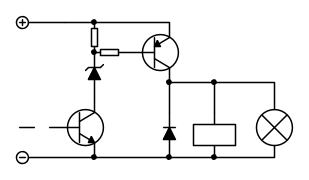
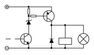
Transistor per pilotaggio relé
Moderatori:
carloc,
g.schgor,
BrunoValente,
IsidoroKZ
19 messaggi
• Pagina 2 di 2 • 1, 2
0
voti
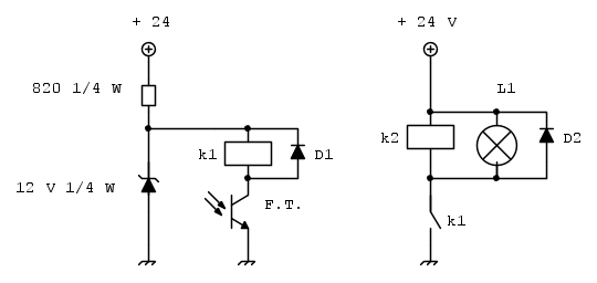
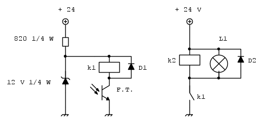
Io ho pensato anche a questa possibile soluzione, naturalmente se il comando non richiede tempi di risposta veloci.
Il relè K1 è un relè a 12 volt una sola via, (per esempio il G5V-1 12DC della Omron o simili) quindi con un assorbimento di corrente della bobina basso intorno ai 13 mA , inferiori ai 30 mA massimi richiesti per il fototransistor (F.T.).
K2 è il relè esistente che si deve attivare con l'accensione della lampada.
Saluti
Il relè K1 è un relè a 12 volt una sola via, (per esempio il G5V-1 12DC della Omron o simili) quindi con un assorbimento di corrente della bobina basso intorno ai 13 mA , inferiori ai 30 mA massimi richiesti per il fototransistor (F.T.).
K2 è il relè esistente che si deve attivare con l'accensione della lampada.
Saluti
0
voti
mibe ha scritto:Io ho pensato anche a questa possibile soluzione:
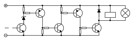
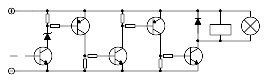
perché vuoi mettere questo relè in più?ne basta uno ed i circuiti che ti abbiamo proposto vanno tutti bene;se quel rele ha qualche problema a chiudersi bene,al limite aggiungi un altro stadio con un trs npn come ti ho proposto io e vai sicuro(i circuiti li ho provati e funzionano ,fidati)
0
voti
Donciccio,
forse mi hai confuso con Pma, non sono io che ho il problema da risolvere, io ho solo proposto una soluzione alternativa in base alle richieste di Pma. Posso essere d'accordo con te che una soluzione con relè può non piacere, ma ognuno ragiona con la propria testa, per cui ci possono essere diverse soluzioni, poi starà anche a Pma scegliere quella che più gli va a genio.
Saluti
forse mi hai confuso con Pma, non sono io che ho il problema da risolvere, io ho solo proposto una soluzione alternativa in base alle richieste di Pma. Posso essere d'accordo con te che una soluzione con relè può non piacere, ma ognuno ragiona con la propria testa, per cui ci possono essere diverse soluzioni, poi starà anche a Pma scegliere quella che più gli va a genio.
Saluti
19 messaggi
• Pagina 2 di 2 • 1, 2
Chi c’è in linea
Visitano il forum: Google [Bot] e 165 ospiti

Elettrotecnica e non solo (admin)
Un gatto tra gli elettroni (IsidoroKZ)
Esperienza e simulazioni (g.schgor)
Moleskine di un idraulico (RenzoDF)
Il Blog di ElectroYou (webmaster)
Idee microcontrollate (TardoFreak)
PICcoli grandi PICMicro (Paolino)
Il blog elettrico di carloc (carloc)
DirtEYblooog (dirtydeeds)
Di tutto... un po' (jordan20)
AK47 (lillo)
Esperienze elettroniche (marco438)
Telecomunicazioni musicali (clavicordo)
Automazione ed Elettronica (gustavo)
Direttive per la sicurezza (ErnestoCappelletti)
EYnfo dall'Alaska (mir)
Apriamo il quadro! (attilio)
H7-25 (asdf)
Passione Elettrica (massimob)
Elettroni a spasso (guidob)
Bloguerra (guerra)









