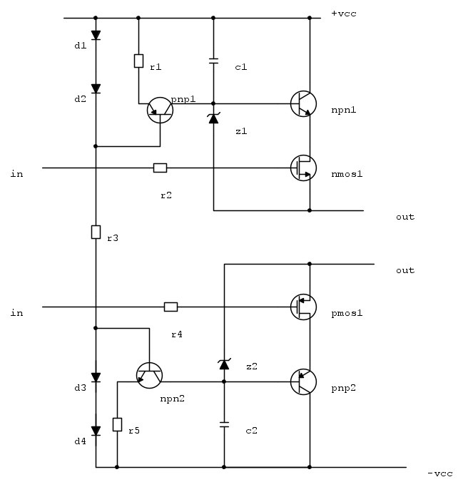
Ciao a tutti, chi mi aiuta a capire il funzionamento di questo circuito elettronico?
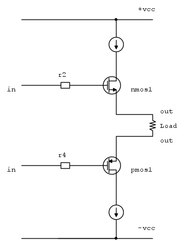
è una parte di un amplificatore audio, penso che funzioni da sorgente di corrente ma non ne sono sicuro, nei miei libri non ho trovato nulla di simile...
aiuto comprensione circuito elettronico
Moderatori:
carloc,
g.schgor,
BrunoValente,
IsidoroKZ
4 messaggi
• Pagina 1 di 1
0
voti
0
voti
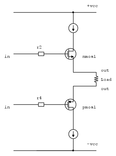
E' equivalente a questo circuito, per polarizzare i transistor però è necessario un carico collegato

0
voti
Ok grazie.
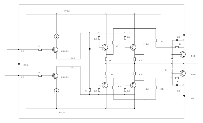
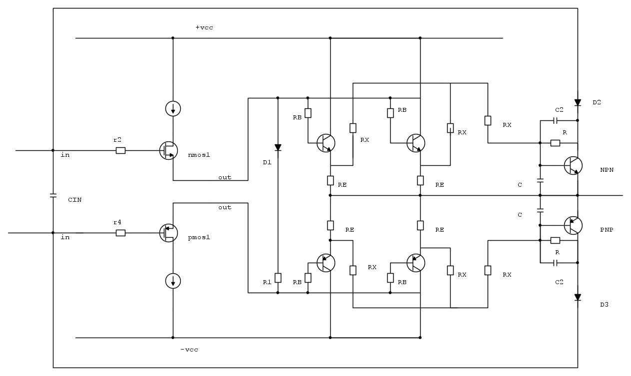
Appurato che quel circuito serve per polarizzare posto la parte seguente del circuito
Ho delle domande da farvi:
1) D1 in serie a R1 a cosa serve?
2) le resistenze Rx servono per prelevare una parte dell' uscita per portarla in ingresso (retroazione)?
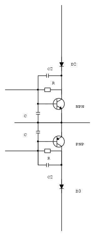
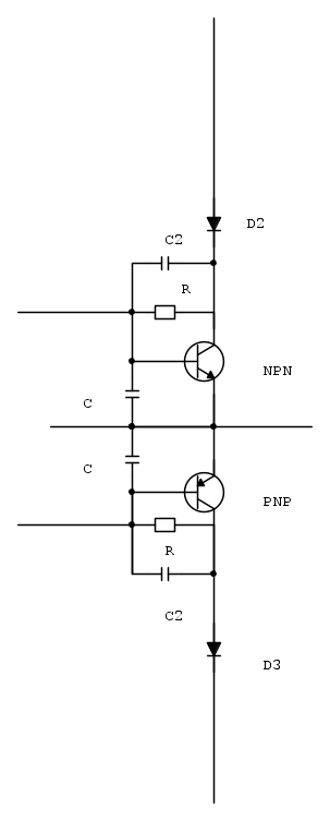
3) il circuito tutto a destra
è una protezione contro i cortocircuiti ?
Appurato che quel circuito serve per polarizzare posto la parte seguente del circuito
Ho delle domande da farvi:
1) D1 in serie a R1 a cosa serve?
2) le resistenze Rx servono per prelevare una parte dell' uscita per portarla in ingresso (retroazione)?
3) il circuito tutto a destra
è una protezione contro i cortocircuiti ?
0
voti
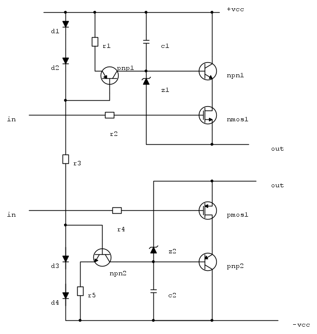
IlGuru ha scritto:E' equivalente a questo circuito...
I generatori di corrente sono in parallelo ai fet.
Per usare proficuamente un simulatore, bisogna sapere molta più elettronica di lui
Plug it in - it works better!
Il 555 sta all'elettronica come Arduino all'informatica! (entrambi loro malgrado)
Se volete risposte rispondete a tutte le mie domande
Plug it in - it works better!
Il 555 sta all'elettronica come Arduino all'informatica! (entrambi loro malgrado)
Se volete risposte rispondete a tutte le mie domande
4 messaggi
• Pagina 1 di 1
Chi c’è in linea
Visitano il forum: Nessuno e 233 ospiti

Elettrotecnica e non solo (admin)
Un gatto tra gli elettroni (IsidoroKZ)
Esperienza e simulazioni (g.schgor)
Moleskine di un idraulico (RenzoDF)
Il Blog di ElectroYou (webmaster)
Idee microcontrollate (TardoFreak)
PICcoli grandi PICMicro (Paolino)
Il blog elettrico di carloc (carloc)
DirtEYblooog (dirtydeeds)
Di tutto... un po' (jordan20)
AK47 (lillo)
Esperienze elettroniche (marco438)
Telecomunicazioni musicali (clavicordo)
Automazione ed Elettronica (gustavo)
Direttive per la sicurezza (ErnestoCappelletti)
EYnfo dall'Alaska (mir)
Apriamo il quadro! (attilio)
H7-25 (asdf)
Passione Elettrica (massimob)
Elettroni a spasso (guidob)
Bloguerra (guerra)







