fairyvilje ha scritto:Per risolvere il problema dovresti stabilizzare il sistema. Questo fisicamente è garantito dalla presenza di capacità parassite che limitano l'esplosione dei segnali in piccoli intervalli di tempo e la saturazione delle tensioni.
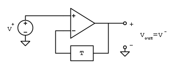
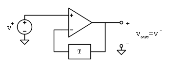
Direi che non è un problema fisico. Lasciamo pure stare il comportamento reale dell'operazionale, siamo di fronte ad un problema puramente teorico qua. Abbiamo un opamp, o meglio se operazionale fa venire in mente l'oggetto reale chiamiamolo in altro modo, abbiamo una black box che si comporta così:

Il problema non sta nella stabilità del punto di lavoro, ma in un'errata formulazione della prima equazione. Essendo, per via del cortocircuito:
, la prima equazione, scritta come:
in realtà è incompleta, è sottointesa una condizione che può essere esplicitata come:

e guardando questa forma esplicitata di quella che era l'equazione di partenza ci si accorge che c'è una contraddizione, matematica, non fisica.
Diverso sarebbe scrivere

La matematica non torna per via della tempo-varianza non modellata in modo corretto.

Elettrotecnica e non solo (admin)
Un gatto tra gli elettroni (IsidoroKZ)
Esperienza e simulazioni (g.schgor)
Moleskine di un idraulico (RenzoDF)
Il Blog di ElectroYou (webmaster)
Idee microcontrollate (TardoFreak)
PICcoli grandi PICMicro (Paolino)
Il blog elettrico di carloc (carloc)
DirtEYblooog (dirtydeeds)
Di tutto... un po' (jordan20)
AK47 (lillo)
Esperienze elettroniche (marco438)
Telecomunicazioni musicali (clavicordo)
Automazione ed Elettronica (gustavo)
Direttive per la sicurezza (ErnestoCappelletti)
EYnfo dall'Alaska (mir)
Apriamo il quadro! (attilio)
H7-25 (asdf)
Passione Elettrica (massimob)
Elettroni a spasso (guidob)
Bloguerra (guerra)



e
. Cosa c'è di sbagliato o incompleto in questo modello?
. L'autovalore associato è -A che per le condizioni poste è fuori dal cerchio unitario. Quell'equilibrio non è stabile. Il modello non è adeguato per modellare il punto fisso come stabile, cosa che vorremmo da un inseguitore di tensione.
ed arrivi a Vcc per
. Sfortunatamente non stabilizza il sistema ma impone un vincolo globale alla velocità con cui la tensione può variare evitando che "esploda".
. Ne deriva che
. Questa condizione deve valere per ogni n, quindi possiamo riscrivere l'equazione iniziale del modello come
con
una funzione monotona (strettamente?) che clippa in qualche modo i miei valori nell'intervallo, mantenendo un comportamento lineare nella zona centrale. In generale il nostro punto fisso non viene necessariamente stabilizzato in questa configurazione, dipende dalla funzione scelta, tuttavia si generano un'infinità di soluzioni n-cicliche in un suo intorno abbastanza piccolo e legato a
. Probabilmente si può dimostrare che si ha una certa convergenza sul valore medio che la tensione assume. La matematica di questo caso è molto più complessa e andrebbe tutto dimostrato per benino, ma immagino che le mie considerazioni qualitative siano sensate :).



si utilizza il valore dell'iterazione precedente.
