Cos'è ElectroYou | Login Iscriviti

ElectroYou - la comunità dei professionisti del mondo elettrico

Funzionamento qualitativo retroazione su OA

Elettronica lineare e digitale: didattica ed applicazioni

Moderatori: Foto Utentecarloc, Foto Utenteg.schgor, Foto UtenteBrunoValente, Foto UtenteIsidoroKZ

0
voti

[21] Re: Funzionamento qualitativo retroazione su OA

Messaggioda Foto UtentePietroBaima » 30 mar 2019, 17:03

venexian ha scritto:La prova che il circuito qui sopra si comporta come nelle equazioni in [1] è il famoso multivibratore composto dall'OP con una RC in retroazione negativa (*) e ingresso non invertente a potenziale fisso.

(*) RC che realizza proprio il ritardo T.

Direi di no. Per realizzare un multivibratore serve una isteresi.
Generatore codice per articoli:
nomi
Sul forum:
[pigreco]=π
[ohm]=Ω
[quadrato]=²
[cubo]=³
Avatar utente
Foto UtentePietroBaima
90,7k 7 12 13
G.Master EY
G.Master EY
 
Messaggi: 12206
Iscritto il: 12 ago 2012, 1:20
Località: Londra

1
voti

[22] Re: Funzionamento qualitativo retroazione su OA

Messaggioda Foto Utentevenexian » 30 mar 2019, 18:11

Vero. Esempio sbagliato.
Immagine
Avatar utente
Foto Utentevenexian
6.369 3 4 7
Master
Master
 
Messaggi: 2188
Iscritto il: 13 mag 2017, 10:07
Località: Venezia (ma va?)

2
voti

[23] Re: Funzionamento qualitativo retroazione su OA

Messaggioda Foto Utentevenexian » 31 mar 2019, 18:10

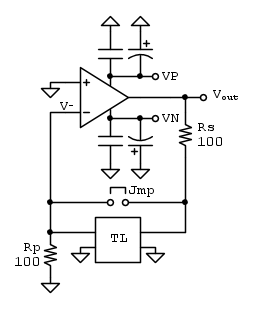
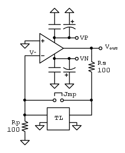
A seguito del commento di PietroBaima in [21], ho cercato un altro esempio che potesse dimostrare l’effetto dell’inserimento di un ritardo nella retroazione negativa di un buffer… senza riuscirci. Allora ho pensato: costruiamolo. Si tratta in pratica di fare un multivibratore come quello nello schema in [18]

Per prima cosa serve un elemento che possa realizzare il ritardo. Ho cercato nell'antro degli orrori (il cassetto delle parti utilizzate) una linea di ritardo a onda superficiale o qualcosa di simile che mi sembrava di avere, ma che evidentemente non ho più. Allora ho preso un rotolo di cavo LAN cat. 7 da 305 metri e l’ho connesso come in figura.

Considerato che il ritardo è di 5 ns/m, adattando l'impedenza di 100 ohm all'ingresso e all'uscita, abbiamo una linea di ritardo da T = 4 x 305 m x 5 ns = 6,1 us. Il multivibratore dovrebbe avere una frequenza di f = 1/(2 x T) = 81 kHz. Serve un operazionale neanche troppo veloce, ma che sia in grado di pilotare la linea da 100 ohm. Cercando nel solito cassetto è uscito un LM7171 che con 100 MHz di GBP e 100 mA di corrente di uscita, fa proprio al caso nostro.

Lo schema scelto è il seguente.

Con una costruzione ‘dead bug’, forse un po’ eccessiva, vista la frequenza tutto sommato ‘tranquilla’, è uscito il seguente mostro. È visibile l’OPA al centro a gambe all'aria e i due tantalio dell’alimentazione duale. In basso a sinistra il connettore di uscita e a destra quello RJ45 per il cavo che costituisce la linea di ritardo. I due connettori a due pin sono quelli di alimentazione, mentre quello a quattro pin sullo sfondo, con il jumper al centro è quello che cortocircuita la linea di ritardo.

MV1.jpg

La prova è molto semplice: si parte con la linea cortocircuitata che trasforma il circuito in un amplificatore con Av = 2. A un certo istante si rimuove il jumper, inserendo il ritardo. Il circuito dovrebbe diventare immediatamente instabile

Così succede, come si vede dall'oscillogramma che segue.

MV.PNG
Immagine
Avatar utente
Foto Utentevenexian
6.369 3 4 7
Master
Master
 
Messaggi: 2188
Iscritto il: 13 mag 2017, 10:07
Località: Venezia (ma va?)

0
voti

[24] Re: Funzionamento qualitativo retroazione su OA

Messaggioda Foto UtenteIanero » 1 apr 2019, 16:59

Grazie mille per il lavoro che hai fatto.
Dunque il succo è che dando un gradino di tensione al (+), l'OA inizia a variare la sua uscita, ma l'ingresso (-) vede immediatamente questo 'inizio di variazione' e già inizia a condizionare di nuovo l'uscita impedendole di oscillare/divergere.
Corretto?

Facendo invece in modo che il ritardo di propagazione uscita-ingresso sia maggiore del tempo che ci mette l'OA a portare la sua uscita ad un nuovo valore stabile, allora effettivamente la descrizione in [1] diventa corretta.
Dico bene?

Grazie.
:shock:
Avatar utente
Foto UtenteIanero
8.069 5 8 11
Master EY
Master EY
 
Messaggi: 4320
Iscritto il: 21 mar 2012, 15:47

0
voti

[25] Re: Funzionamento qualitativo retroazione su OA

Messaggioda Foto Utenteted » 30 mag 2019, 19:52

Il principio di funzionamento della retroazione non si può spiegare nel dominio del tempo, l'unica maniera è restare nel dominio della frequenza.
Introdurre un ritardo in una catena di retroazione significa avere un sistema instabile, l'ingresso non ha controllo su quello che 'torna indietro'.
Ti faccio notare che nelle funzioni di trasferimento dei blocchi A e beta non compaiono termini di ritardo exp(-jwt0), per cui non devono essere aggiunti "manualmente", altrimenti saresti nel campo delle linee di trasmissione.. ma non è l'idea alla base dei sistemi reazionati, né sulla carta né nella pratica
Avatar utente
Foto Utenteted
10 1
 
Messaggi: 8
Iscritto il: 30 mag 2019, 16:07

0
voti

[26] Re: Funzionamento qualitativo retroazione su OA

Messaggioda Foto UtentePietroBaima » 30 mag 2019, 20:00

ted ha scritto:Il principio di funzionamento della retroazione non si può spiegare nel dominio del tempo, l'unica maniera è restare nel dominio della frequenza.

Beh, questa mi sembra un po' troppo categorica...

ted ha scritto:Introdurre un ritardo in una catena di retroazione significa avere un sistema instabile, l'ingresso non ha controllo su quello che 'torna indietro'.

Dipende dal ritardo e dalla rete

ted ha scritto:Ti faccio notare che nelle funzioni di trasferimento dei blocchi A e beta non compaiono termini di ritardo exp(-jwt0), per cui non devono essere aggiunti "manualmente", altrimenti saresti nel campo delle linee di trasmissione.. ma non è l'idea alla base dei sistemi reazionati, né sulla carta né nella pratica

e perché mai?
Generatore codice per articoli:
nomi
Sul forum:
[pigreco]=π
[ohm]=Ω
[quadrato]=²
[cubo]=³
Avatar utente
Foto UtentePietroBaima
90,7k 7 12 13
G.Master EY
G.Master EY
 
Messaggi: 12206
Iscritto il: 12 ago 2012, 1:20
Località: Londra

0
voti

[27] Re: Funzionamento qualitativo retroazione su OA

Messaggioda Foto Utenteted » 30 mag 2019, 21:21

PietroBaima ha scritto:Beh, questa mi sembra un po' troppo categorica...


A me no, ma vorrei capire le tue ragioni (quando puoi / hai tempo per esporle)

PietroBaima ha scritto:Dipende dal ritardo e dalla rete


dipende dal guadagno d'anello, e purtroppo il teorema della stabilità di Nyquist non è molto indulgente. Inserire un ritardo porta con elevata probabilità ad instabilità.

PietroBaima ha scritto:e perché mai?


nei blocchi non compaiono ritardi, perché aggiungerli? Nei circuiti a parametri concentrati i ritardi di propagazione non vanno considerati
Avatar utente
Foto Utenteted
10 1
 
Messaggi: 8
Iscritto il: 30 mag 2019, 16:07

Precedente

Torna a Elettronica generale

Chi c’è in linea

Visitano il forum: Google Adsense [Bot] e 363 ospiti