Ciao a tutti,
sto realizzando una scheda per espandere le uscite del raspberry tramite i2c bus. Per esigenze applicative la scheda è provvista di 24 ingressi 220 volt e 20 uscite 220 volt. Leggendo la documentazione del link https://www.sphere.bc.ca/class/download ... ndards.pdf dice che la distanza minima per formati B2 tra una traccia e l'altra è di 1.25mm ma con la sbrogliatura riesco ad ottenere una distanza minima di 0.6 mm.
[*] La distanza di sicurezza tra le piste, serve per evitare la formazione di archi voltaici o mi sbaglio?
[*] Come posso ridurre la distanza tra le piste? Anche perché ho componenti in SMD con passo ben inferiore alle distanze minime da ricoprire.
Ringrazio anticipatamente
lcua31989
Distanza minime tra PCB
Moderatore:
Paolino
15 messaggi
• Pagina 1 di 2 • 1, 2
0
voti
La "distanza di sicurezza" tra le piste di uno stampato è detta clearance creepage, varia in funzione della differenza di potenziale ed altri fattori come il tipo di materiale del supporto, se il PCB resta col rame nudo o viene rivestito di solder resist (ciò ormai si fa sempre ma... ) inoltre per aumentare l'isolamento a parità di creepage si praticano tagli che interrompono la continuità del supporto tra le piste... (daltronde però mi fa un po' strano che componenti sottoposti a tensioni elevate possano avere terminali così ravvicinati tra loro
).
P.s. Una volta
DirtyDeeds (se non ricordo male) aveva postato il link a un documento che era una vera bibbia per la realizzazione dei PCB... peccato che non salvai ne il link ne il thread in cui l'aveva postato e ora non riesco a ritrovarlo 
P.s. Una volta
Ultima modifica di
claudiocedrone il 11 apr 2019, 22:39, modificato 1 volta in totale.
Motivazione: Corretta confusione di termini
Motivazione: Corretta confusione di termini
"Non farei mai parte di un club che accettasse la mia iscrizione" (G. Marx)
-

claudiocedrone
21,3k 4 7 9 - Master EY

- Messaggi: 15300
- Iscritto il: 18 gen 2012, 13:36
0
voti
Ciao,
il PCB è fatto con il classico FR4, si certo essendo un lavoro professionale ha il solder mask. In che modo riesco applicare tagli per aumentare l'isolamento? Per caso possono centrare i piani di massa?
il PCB è fatto con il classico FR4, si certo essendo un lavoro professionale ha il solder mask. In che modo riesco applicare tagli per aumentare l'isolamento? Per caso possono centrare i piani di massa?
0
voti
dovresti almeno dare informazioni su come sono fatti gli I/O. Se si alimentano a 220 V devi separare dalla bassa tensione (relè, opto)
Componenti omologati per alta tensione non possono avere pin che non rispettano le distanze minime. Io ho visto dei relè a "cubetto" che hanno un pin del contatto in mezzo ai pin della bobina tutti a distanza ravvicinata Per me non son utilizzabili per 220 V.
Le fresature per aumentare l'isolamento non hanno nessuna relazione con piani di massa. Io però le userei come soluzione estrema prima cercherei di risolvere in altro modo.
Se aggiungi info su quello che vuoi fare possiamo darti dei consigli più mirati.
Anche perché ho componenti in SMD con passo ben inferiore alle distanze minime da ricoprire.
Componenti omologati per alta tensione non possono avere pin che non rispettano le distanze minime. Io ho visto dei relè a "cubetto" che hanno un pin del contatto in mezzo ai pin della bobina tutti a distanza ravvicinata Per me non son utilizzabili per 220 V.
Le fresature per aumentare l'isolamento non hanno nessuna relazione con piani di massa. Io però le userei come soluzione estrema prima cercherei di risolvere in altro modo.
Se aggiungi info su quello che vuoi fare possiamo darti dei consigli più mirati.
-

luxinterior
4.311 3 4 9 - Master EY

- Messaggi: 2690
- Iscritto il: 6 gen 2016, 17:48
0
voti
Ciao,
il progetto è composto da tre PCB innestati l'uno con l'altro:
[*] PCB 3 --> E' quello più in alto, alimentato a 3.3 volt dove ha semplicemente tre MCP23017 con rispettivi
uln2803. Tutti i pin di ingresso uscita finiscono su connettori a strip da 2.54mm
[*] PCB 2 --> E' quello di mezzo dove monta tutta la rete di optoisolatori: 6 optoisolatori a transistor per gli
input (mod. TLP291-4) e 20 optoisolatori a triac (mod. TLP266J). Il tutto confluisce su una rete di
connettori a strip da 2.54mm per poter innestare il PCB 3 al PCB 2 e il PCB 2 con il PCB 1.
[*] PCB 1 --> E' il PCB di potenza dove le connessioni di uscita provenienti dai 20 optotriac trovano lo stadio
di potenza composto da 20 BT137S-600D per poi finire in tre diverse morsettiere header con
passo da 5.08 mm. Gli ingressi hanno il loro circuito pilota per poi confluire in altre tre
morsettiere header con passo da 5.08 mm.
I PCB vengono realizzati con le seguenti caratteristiche:
[*]Due layer
[*]Spessore PCB 1.55 mm
[*]Spessore rame 70 micron
[*]Solder mask superiore ed inferiore di colore verde
Il mio problema sul PCB 0 è quello di rispettare le distanze di 1.25mm per le linee da 220 V. Il massimo che riesco a fare è 0.6mm. Cosa mi consigliate di fare?
il progetto è composto da tre PCB innestati l'uno con l'altro:
[*] PCB 3 --> E' quello più in alto, alimentato a 3.3 volt dove ha semplicemente tre MCP23017 con rispettivi
uln2803. Tutti i pin di ingresso uscita finiscono su connettori a strip da 2.54mm
[*] PCB 2 --> E' quello di mezzo dove monta tutta la rete di optoisolatori: 6 optoisolatori a transistor per gli
input (mod. TLP291-4) e 20 optoisolatori a triac (mod. TLP266J). Il tutto confluisce su una rete di
connettori a strip da 2.54mm per poter innestare il PCB 3 al PCB 2 e il PCB 2 con il PCB 1.
[*] PCB 1 --> E' il PCB di potenza dove le connessioni di uscita provenienti dai 20 optotriac trovano lo stadio
di potenza composto da 20 BT137S-600D per poi finire in tre diverse morsettiere header con
passo da 5.08 mm. Gli ingressi hanno il loro circuito pilota per poi confluire in altre tre
morsettiere header con passo da 5.08 mm.
I PCB vengono realizzati con le seguenti caratteristiche:
[*]Due layer
[*]Spessore PCB 1.55 mm
[*]Spessore rame 70 micron
[*]Solder mask superiore ed inferiore di colore verde
Il mio problema sul PCB 0 è quello di rispettare le distanze di 1.25mm per le linee da 220 V. Il massimo che riesco a fare è 0.6mm. Cosa mi consigliate di fare?
0
voti
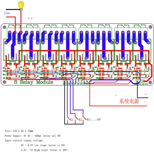
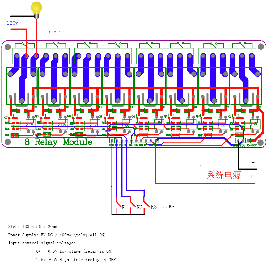
Questo l'ho trovato facendo una ricerca in rete
le U grigie rappresentano le fresature per lasciare uno spaziosicuro tra alta e bassa tensione
Come vedi loro delle distanze minime lato 220 V non si preoccupano,
Di schede così per arduino/raspberry è pieno il web.
Se ho capito bene tu avrai 220 V su una strip a passo 2.54 tra PCB2 e PCB1 A me, parere personale sottolineo, non sembra una soluzione valida. (Ma ovviamente nulla so dei vincoli del tuo progetto)
Vedo che hai scelto PCB 70u quindi hai anche parecchia corrente che gira, attento alle morsettiere Spesso vedo circuiti che dichiarano 10A o 16A perché montano un relè con quelle caratteristiche ma le morsettierre sono sottodimensionate. Una morsettiera da 10A o 16A non è una qualsiasi morsettiera devi fare attenzione alle caratteristiche.
Per me potenza e dimensioni sono inversamente proporzionali, comprimere in spazi ridotti tutta quella roba con problemi di isolamento, termici ecc..rischia di far fallire il progetto
le U grigie rappresentano le fresature per lasciare uno spaziosicuro tra alta e bassa tensione
Come vedi loro delle distanze minime lato 220 V non si preoccupano,
Di schede così per arduino/raspberry è pieno il web.
Se ho capito bene tu avrai 220 V su una strip a passo 2.54 tra PCB2 e PCB1 A me, parere personale sottolineo, non sembra una soluzione valida. (Ma ovviamente nulla so dei vincoli del tuo progetto)
Vedo che hai scelto PCB 70u quindi hai anche parecchia corrente che gira, attento alle morsettiere Spesso vedo circuiti che dichiarano 10A o 16A perché montano un relè con quelle caratteristiche ma le morsettierre sono sottodimensionate. Una morsettiera da 10A o 16A non è una qualsiasi morsettiera devi fare attenzione alle caratteristiche.
Per me potenza e dimensioni sono inversamente proporzionali, comprimere in spazi ridotti tutta quella roba con problemi di isolamento, termici ecc..rischia di far fallire il progetto
-

luxinterior
4.311 3 4 9 - Master EY

- Messaggi: 2690
- Iscritto il: 6 gen 2016, 17:48
0
voti
Ciao,
per ogni gruppo in uscita sono 8 Ampere AC e le piste sono state dimensionate per 8/0.8 = 10 ampere DC per i neutri. Ogni fase da 2 Ampere AC ossia 2/.08 = 2.5 Ampere DC. Penso che come dimensionamento ci siamo. Poi quando torno dal lavoro butto giù uno schemino in fidocadDJ. Per quanto riguarda le morsettiere con passo da 2.54mm sono della samtec famiglia TSM che supportano correnti fino a 4 Ampere dc http://www.farnell.com/datasheets/2186767.pdf?_ga=2.149677311.810573833.1554883213-542497304.1553004357&_gac=1.154355530.1554883222.CjwKCAjwqLblBRBYEiwAV3pCJqGnwvxu1FUXxzonv2pZKWC9__qv3TONrQmUdcJ-ntF-l71NQrN9JRoCKp0QAvD_BwE
Considerando che al fotoriac non può circolare più di 1 Ampere dovrebbe essere più che sufficiente.
Cosa ne dici?
per ogni gruppo in uscita sono 8 Ampere AC e le piste sono state dimensionate per 8/0.8 = 10 ampere DC per i neutri. Ogni fase da 2 Ampere AC ossia 2/.08 = 2.5 Ampere DC. Penso che come dimensionamento ci siamo. Poi quando torno dal lavoro butto giù uno schemino in fidocadDJ. Per quanto riguarda le morsettiere con passo da 2.54mm sono della samtec famiglia TSM che supportano correnti fino a 4 Ampere dc http://www.farnell.com/datasheets/2186767.pdf?_ga=2.149677311.810573833.1554883213-542497304.1553004357&_gac=1.154355530.1554883222.CjwKCAjwqLblBRBYEiwAV3pCJqGnwvxu1FUXxzonv2pZKWC9__qv3TONrQmUdcJ-ntF-l71NQrN9JRoCKp0QAvD_BwE
Considerando che al fotoriac non può circolare più di 1 Ampere dovrebbe essere più che sufficiente.
Cosa ne dici?
0
voti
claudiocedrone ha scritto:P.s. Una voltaDirtyDeeds (se non ricordo male) aveva postato il link a un documento che era una vera bibbia per la realizzazione dei PCB... peccato che non salvai ne il link ne il thread in cui l'aveva postato e ora non riesco a ritrovarlo
Sarei molto interessato anche io a questo documento, speriamo venga riesumato
"The past is not really the past until it has been registered. Or put another way, the past has no meaning or existence unless it exists as a record in the present."
John Archibald Wheeler
John Archibald Wheeler
0
voti
claudiocedrone ha scritto:P.s. Una voltaDirtyDeeds (se non ricordo male) aveva postato il link a un documento che era una vera bibbia per la realizzazione dei PCB... peccato che non salvai ne il link ne il thread in cui l'aveva postato e ora non riesco a ritrovarlo
Credo sia questo
0
voti
Ciao,
come promesso ti posto parte dello schema. Teoricamente (dovrei misurare con il tester) le correnti che escono dal secondo strip a 16 pin con passo 2.54mm sono inferiori o uguali a 1Ampere. Altrimenti correrei il rischio di bruciare l'optoisolatore. In che modo le fresature che hai mostrato in figura possono aumentare lo spazio tra una pista e l'altra? Esistono regole precise per applicare tale approccio?
come promesso ti posto parte dello schema. Teoricamente (dovrei misurare con il tester) le correnti che escono dal secondo strip a 16 pin con passo 2.54mm sono inferiori o uguali a 1Ampere. Altrimenti correrei il rischio di bruciare l'optoisolatore. In che modo le fresature che hai mostrato in figura possono aumentare lo spazio tra una pista e l'altra? Esistono regole precise per applicare tale approccio?
15 messaggi
• Pagina 1 di 2 • 1, 2
Torna a Realizzazioni, interfacciamento e nozioni generali.
Chi c’è in linea
Visitano il forum: Nessuno e 4 ospiti

Elettrotecnica e non solo (admin)
Un gatto tra gli elettroni (IsidoroKZ)
Esperienza e simulazioni (g.schgor)
Moleskine di un idraulico (RenzoDF)
Il Blog di ElectroYou (webmaster)
Idee microcontrollate (TardoFreak)
PICcoli grandi PICMicro (Paolino)
Il blog elettrico di carloc (carloc)
DirtEYblooog (dirtydeeds)
Di tutto... un po' (jordan20)
AK47 (lillo)
Esperienze elettroniche (marco438)
Telecomunicazioni musicali (clavicordo)
Automazione ed Elettronica (gustavo)
Direttive per la sicurezza (ErnestoCappelletti)
EYnfo dall'Alaska (mir)
Apriamo il quadro! (attilio)
H7-25 (asdf)
Passione Elettrica (massimob)
Elettroni a spasso (guidob)
Bloguerra (guerra)




